index
logo

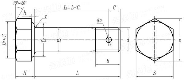
光杆公差带r6短螺纹六角头螺栓 GJB 3371 (/77~/78) - 1998

选择规格尺寸 点击↓

M5

M6

M8

M10

M12

M14

M16

M18

M20

M22


尺寸单位: mm
军标GJB 3371 (/77~/78) - 1998 GJB3371 3371 光杆公差带r6短螺纹六角头螺栓
GJB  3371 (/77~/78) - 1998 光杆公差带r6短螺纹六角头螺栓
扫一扫分享
千件重及价格计算 千件重 : kg x 元/kg = 元/千件
默认密度 g/cm3
公称长度L 注:选择后获得 相应重量
公称直径
d
M5 M6 M8 M10 M12 M14 M16 M18 M20 M22
P 螺距
d1 r6 公称
最大值
最小值
H h14 最大值=公称
最小值
S 最大值=公称
最小值
e 最小值
b 参考
r ±0.2
C 参考
d2 H13 最小值=公称
最大值
h 最大值
最小值
d3 最小值
0.8 1 1.25 1.5 1.5 1.5 1.5 1.5 1.5 1.5
5 6 8 10 12 14 16 18 20 22
5.023 6.023 8.028 10.028 12.034 14.034 16.034 18.034 20.041 22.041
5.015 6.015 8.019 10.019 12.023 14.023 16.023 18.023 20.028 22.028
3 4 5 6 7 9 10 11 12 13
2.75 3.7 4.7 5.7 6.64 8.64 9.64 10.57 11.57 12.57
8 10 13 17 19 22 24 27 30 32
7.85 9.78 12.73 16.73 18.67 21.67 23.67 26.67 29.67 31.61
8.7 10.9 14.3 18.9 21.1 24.5 26.8 30.2 33.6 35.8
6.5 7 8.5 10 12 13 15 16 18 20
0.5 0.5 0.8 0.8 1 1 1.5 1.5 1.5 2
3 3 4 4 4.5 4.5 5 5 5.5 6.5
1.6 1.6 2 2.5 2.5 2.5 3.2 3.2 3.2 3.2
1.74 1.74 2.14 2.64 2.64 2.64 3.38 3.38 3.38 3.38
0.5 0.5 0.5 0.6 0.6 0.6 0.6 0.6 0.6 0.6
0.2 0.2 0.2 0.3 0.3 0.3 0.3 0.3 0.3 0.3
7.4 9.3 12.2 16 18 21 23 26 29 31
千件钢制重≈kg
- - - - - - - - - -

同版本产品组

技术条件和引用标准

材料
热处理及表面处理
-
30CrMnSiA LY12-CZ
热处理:σb=1100~1280MPa
表面处理:氧化后涂防锈润滑油脂供应。
阳极化
根据需要,头部可按HB 0-9-83制保险孔。
标志按HB 0-3-83。
其余要求按通用规范 GJB 3375。
注:技术数据仅供参考,请以官方原件为准!
类似标准及供货信息
1 六角头螺杆带孔螺栓 细杆B级 [国标]
GB /T 31.2 - 2025
六角头螺杆带孔螺栓 细杆B级
Hexagon Head Bolts with Split Pin Hole on Shank - Reduced Shank - Product Grade B
供应商(1)
2 六角头螺杆带孔螺栓 细牙 [国标]
GB /T 31.3 - 2025
六角头螺杆带孔螺栓 细牙
Hexagon Head Bolts with Split Pin Hole on Shank - Fine Pitch Thread
供应商(1)
3 六角头螺杆带孔螺栓 [国标]
GB /T 31.1 - 2013
六角头螺杆带孔螺栓
Hexagon Bolts with Split Pin Hole on Shank
供应商(3)
4 六角头螺杆带孔螺栓 A和B级 [国标]
GB /T 31.1 - 1988
六角头螺杆带孔螺栓 A和B级
Hexagon Bolts with Split Pin Hole on Shank A and B
供应商(3)
5 细杆六角头螺杆带孔螺栓 B级 [国标]
GB /T 31.2 - 1988
细杆六角头螺杆带孔螺栓 B级
Hexagon Bolts with Split Pin Hole On Shank-Reduced Shank-Product Grade B
供应商(1)
6 六角头螺杆带孔螺栓 细牙 A和B级 [国标]
GB 31.3 - 1988
六角头螺杆带孔螺栓 细牙 A和B级
Hexagon Bolts with Split Pin Hole on Shank-Fine Pitch Thread-Product Grade A and B
供应商(1)
7 小六角头螺杆带孔螺栓 [国标]
GB 23 - 1976
小六角头螺杆带孔螺栓
Bolts, Small Hexagon Head with Hole Through The Shank
8 小六角头螺杆带孔导颈螺栓 [国标]
GB 24 - 1976
小六角头螺杆带孔导颈螺栓
Bolts, Small Hexagon Head with Fit Neck and Hole Through The Shank
9 航空航天 - 六角头螺栓,紧公差,MJ短螺纹,钛合金 - 在315℃以下时额定抗拉强度为1100MPa [德标]
DIN 65526 - 2016
航空航天 - 六角头螺栓,紧公差,MJ短螺纹,钛合金 - 在315℃以下时额定抗拉强度为1100MPa
Aerospace Series - Hexagon Bolts, Close Tolerance, with Short-length MJ Thread, Titanium Alloy, Nominal Tensile Strength 1100 Mpa, for Temperatures up to 315℃
10 六角头螺杆带孔螺栓 [汽标代号]
Q 173
六角头螺杆带孔螺栓
Hexagon Head with Hole Through The Shank
11 细牙六角头螺杆带孔螺栓 [细牙普通螺纹] [汽标代号]
Q 173B
细牙六角头螺杆带孔螺栓 [细牙普通螺纹]
Hexagon Bolts with Split Pin Hole on Shank-Fine Pitch Thread
12 细牙六角头螺杆带孔螺栓 [较细牙普通螺纹] [汽标代号]
Q 173C
细牙六角头螺杆带孔螺栓 [较细牙普通螺纹]
Hexagon Bolts with Split Pin Hole on Shank-Fine Pitch Thread
13 精制美制六角头杆部带孔螺栓 [英标]
BS 1768 - 1963
精制美制六角头杆部带孔螺栓
Unified Hexagon Head Bolts, Washer Faced
14 杆部带孔六角头螺栓 2型 [俄标]
GOST 7796 (-2) - 1970
杆部带孔六角头螺栓 2型
Hexagon Reduced Head Bolts Product Grade B, Type 2
15 六角头螺栓 5型 [俄标]
GOST 7796 (-5) - 1970
六角头螺栓 5型
Hexagon Reduced Head Bolts Product Grade B, Type 5
16 六角头杆头带孔螺栓 [俄标]
GOST 7798 (2) - 1970
六角头杆头带孔螺栓
Hexagon Bolts with Split Pin Hole on Shank
17 六角头螺栓 杆部带孔 2型 [俄标]
GOST 7805 (-2) - 1970
六角头螺栓 杆部带孔 2型
Hexagon Bolts, Split Pin Hole, Product Grade A, Type 2
18 电力金具用螺杆带销孔六角头螺栓 [电力]
DL /T 764 - 2014
电力金具用螺杆带销孔六角头螺栓
Hexagon Head Bolts with Split Pin Hole on Shank for Electric Power Fittings
19 电力金具专用紧固件 - 六角头带销孔螺栓 [电力]
DL /T 764.1 - 2001
电力金具专用紧固件 - 六角头带销孔螺栓
Electric Power Fitting Fasteners Hexagon Head Bolts with Split Pin Hole on Shank
20 普通螺纹螺栓 [军标]
GJB 3371 (/1~/9) - 1998
普通螺纹螺栓
Hexagon Bolts with M Thread
21 短螺纹小六角头螺栓 [军标]
GJB 3371 (/10 ~ /18) - 1998
短螺纹小六角头螺栓
Small Hexagon Bolts with Short M Thread
22 光杆公差带f9六角头螺栓 [军标]
GJB 3371 (/19) - 1998
光杆公差带f9六角头螺栓
Hexagon Head Bolts,Shank Tolerance f9
23 光杆公差带f9短螺纹小六角头螺栓 [军标]
GJB 3371 (/20) - 1998
光杆公差带f9短螺纹小六角头螺栓
Small Hexagon Head Bolts, Short Thread, Shank Tolerance r6
24 光杆公差带h8短螺纹小六角头螺栓 [军标]
GJB 3371 (/21~/24) - 1998
光杆公差带h8短螺纹小六角头螺栓
Small Hexagon Head Bolts, Short Thread, Shank Tolerance h8
25 铰链连接用光杆公差带f7小六角头螺栓 [军标]
GJB 3371 (/25~/28) - 1998
铰链连接用光杆公差带f7小六角头螺栓
Small Hexagon Head Bolts, Shank Tolerance f7
26 铰链连接用光杆公差带h6小六角头螺栓 [军标]
GJB 3371 (/29~/32) - 1998
铰链连接用光杆公差带h6小六角头螺栓
Small Hexagon Head Bolts, Shank Tolerance h6
27 光杆公差带f9短螺纹六角头螺栓 [军标]
GJB 3371 (/69) - 1998
光杆公差带f9短螺纹六角头螺栓
Hexagon Head Bolts, Short Thread, Shank Tolerance f9
28 六角头螺钉 杆部带孔 [军标]
GJB 3372 (/1~/10) - 1998
六角头螺钉 杆部带孔
Hexagon Bolts, Split Pin Hole
29 MJ螺纹六角头螺栓 [军标]
GJB 3374 (/1~/4) - 1998
MJ螺纹六角头螺栓
MJ Thread, Hexagon Head Bolts
30 MJ螺纹光杆公差带f9六角头螺栓 [军标]
GJB 3374 (/5) - 1998
MJ螺纹光杆公差带f9六角头螺栓
Hexagon Head Bolts,Shank Tolerance f9, MJ Thread
31 MJ螺纹光杆公差带f9短螺纹六角头螺栓 [军标]
GJB 3374 (/6) - 1998
MJ螺纹光杆公差带f9短螺纹六角头螺栓
Hexagon Head Bolts, Short Thread, Shank Tolerance f9, MJ Thread
32 MJ螺纹光杆公差带r6短螺纹六角头螺栓 [军标]
GJB 3374 (/7) - 1998
MJ螺纹光杆公差带r6短螺纹六角头螺栓
Hexagon Head Bolts, Short Thread, Shank Tolerance r6, MJ Thread
33 MJ螺纹光杆公差带f9短螺纹小六角头螺栓 [军标]
GJB 3374 (/12) - 1998
MJ螺纹光杆公差带f9短螺纹小六角头螺栓
Small Hexagon Head Bolts, Short Thread, Shank Tolerance f9, MJ Thread
34 MJ螺纹光杆公差带h8短螺纹小六角头螺栓 [军标]
GJB 3374 (/13~/15) - 1998
MJ螺纹光杆公差带h8短螺纹小六角头螺栓
Small Hexagon Head Bolts, Short Thread, Shank Tolerance h8, MJ Thread
35 铰链连接用MJ螺纹光杆公差带f7小六角头螺栓 [军标]
GJB 3374 (/16~/18) - 1998
铰链连接用MJ螺纹光杆公差带f7小六角头螺栓
Small Hexagon Head Bolts with Clevis End, Short Thread, Shank Tolerance f7, MJ Thread
36 铰链连接用MJ螺纹光杆公差带h6小六角头螺栓 [军标]
GJB 3374 (/19~/21) - 1998
铰链连接用MJ螺纹光杆公差带h6小六角头螺栓
Small Hexagon Head Bolts with Clevis End, Short Thread, Shank Tolerance h6, MJ Thread
37 六角头螺杆带孔螺栓 [航天]
QJ 2367 - 1992
六角头螺杆带孔螺栓

38 六角头螺栓 [航空]
HB 1- 101 - 2002
六角头螺栓
Hexagon Bolts
供应商(1)
39 六角头螺钉 [航空]
HB 1- 201 - 1995
六角头螺钉
Hexagon Head Screws
供应商(1)
标准编号: GJB 3371 (/77~/78) - 1998
中文名称: 光杆公差带r6短螺纹六角头螺栓
英文名称: Hexagon Head Bolts, Short Thread, Shank Tolerance r6
数据来源: 易紧通 (164580.com)
Standard Code: GJB 3371 (/77~/78) - 1998Chinese Name: 光杆公差带r6短螺纹六角头螺栓English Name: Hexagon Head Bolts, Short Thread, Shank Tolerance r6Source: https://www.164580.com/info_374969.html
Data Source: YJT Fastener Database (164580.com)
Standard: GJB 3371 (/77~/78) - 1998
URL: https://www.164580.com/info_374969.html
License: Commercial use requires authorization
© 易紧通 服务热线:4006-164580(免长途费)