index
logo

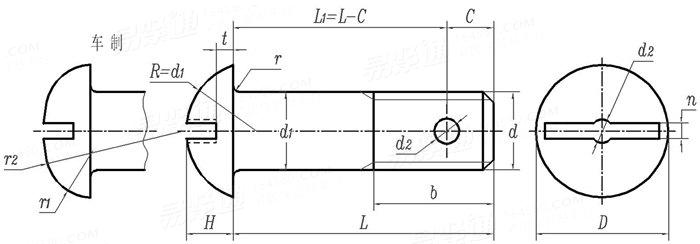
半圆头螺栓 GJB 3371 (/70~/76) - 1998

选择规格尺寸 点击↓

M1.6

M2

M2.5

M3

M4

M5

M6

M8

M10

GJB  3371 (/70~/76) - 1998 半圆头螺栓

尺寸单位: mm
军标GJB 3371 (/70~/76) - 1998 GJB3371 3371 半圆头螺栓
GJB  3371 (/70~/76) - 1998 半圆头螺栓
扫一扫分享
千件重及价格计算 千件重 : kg x 元/kg = 元/千件
默认密度 g/cm3
公称长度L 注:选择后获得 相应重量
公称直径
d
M1.6 M2 M2.5 M3 M4 M5 M6 M8 M10
P 螺距
d1 h12 最大值=公称
最小值
H h14 最大值=公称
最小值
D h14 最大值=公称
最小值
b 参考
r ±0.2
r1 参考
r2 参考
n H12 最小值=公称
最大值
t h14 最大值=公称
最小值
d2 H13 最小值=公称
最大值
d3
C 参考
0.35 0.4 0.45 0.5 0.7 0.8 1 1.25 1.5
1.6 2 2.5 3 4 5 6 8 10
1.5 1.9 2.4 2.9 3.88 4.88 5.88 7.85 9.85
1.4 1.5 1.6 1.8 2.4 3 3.5 5 6
1.15 1.25 1.35 1.55 2.15 2.75 3.2 4.7 5.7
3.5 4 4.5 5 7 9 10 14 17
3.2 3.7 4.2 4.7 6.64 8.64 9.64 13.57 16.57
4.3 5.2 7 7 7.5 8.5 10 11.5 15
0.3 0.3 0.3 0.3 0.3 0.3 0.5 0.8 0.8
1.4 1.5 1.6 1.8 2.4 3 3.5 5 6
2.8 3 3.8 4 6 9 11 16 18
0.4 0.5 0.6 0.8 1 1.2 1.5 1.5 2
0.5 0.6 0.7 0.9 1.1 1.3 1.6 1.6 2.1
0.5 0.5 0.5 0.5 0.8 1 1.5 1.5 1.5
0.25 0.25 0.25 0.25 0.55 0.75 1.25 1.25 1.25
- - - - 1 1.6 1.6 2 2.5
- - - - 1.14 1.74 1.74 2.14 2.64
0.8 1 1.4 1.5 1.8 2.2 2.5 2.5 3
- - - - 2.5 3 3 4 4
千件钢制重≈kg
- - - - - - - - -
①,ML25、38CrA、GH2132 、铝合金和黄铜制螺栓,光杆直径 d1 允许等于滚制或切制螺纹前的毛坯尺寸。
②,当d1 ≤ 5mm时,r不大于0.3mm。

同版本产品组

材料、热处理及表面处理

注:技术数据仅供参考,请以官方原件为准!
类似标准及供货信息
1 米制圆头杆部滚花螺栓 [美标]
IFI 544 - 1998
米制圆头杆部滚花螺栓
Metric Round Head Ribbed Neck Bolts
2 架空电力线的连接螺栓 S型 [德标]
DIN 48073 (S) - 1975
架空电力线的连接螺栓 S型
Connecting Bolts for Overhead Power Lines - Form S
3 英制圆头螺栓 [Table1]  (A307, SAE J429, F468, F593) [美标]
ASME/ANSI B 18.5 (T1) - 2012
英制圆头螺栓 [Table1] (A307, SAE J429, F468, F593)
Round Head Bolts, (Inch Series) [Table1] (A307, SAE J429, F468, F593)
供应商(1)
4 英制圆头螺栓 [Table1] [美标]
ASME/ANSI B 18.5 (T1) - 2008
英制圆头螺栓 [Table1]
Round Head Bolts, (Inch Series)
供应商(1)
5 英制圆头滚花颈螺栓 [Table 4] (A307, SAE J429, F468, F593) [美标]
ASME/ANSI B 18.5 (T4) - 2012
英制圆头滚花颈螺栓 [Table 4] (A307, SAE J429, F468, F593)
Round Head Ribbed Neck Bolts,(Inch Series) [Table 4] (A307, SAE J429, F468, F593)
6 圆头杆部滚花螺栓 [美标]
ASME/ANSI B 18.5 - 2008
圆头杆部滚花螺栓
Round Head Ribbed Neck Bolts
7 轨距横梁用螺栓 [意大利]
UNI 3698 - 1955
轨距横梁用螺栓
Tramway Track Fastenings - Sleeper Bolts
8 米制圆头螺栓 [Table 5] [英标]
BS 4933 - 1973
米制圆头螺栓 [Table 5]
Metric Cup Head Bolts
9 桥用高强度紧固件 圆头螺栓 [俄标]
GOST 53664 - 2009
桥用高强度紧固件 圆头螺栓
Round Head Bolts
10 半圆头锥端螺栓 [军标]
GJB 3371 (/65) - 1998
半圆头锥端螺栓
Cup Head Bolts with Cone Point
11 英制圆头螺栓 [Table1] (A307, SAE J429, F468, F593) [美标]
ASME B 18.5 (T1) - 2012 (R2017)
英制圆头螺栓 [Table1] (A307, SAE J429, F468, F593)
Round Head Bolts, (Inch Series) [Table 1] (A307, SAE J429, F468, F593)
供应商(1)
12 英制圆头滚花颈螺栓 [Table 4] (A307, SAE J429, F468, F593) [美标]
ASME B 18.5 (T4) - 2012 (2017)
英制圆头滚花颈螺栓 [Table 4] (A307, SAE J429, F468, F593)
Round Head Ribbed Neck Bolts,(Inch Series) [Table 4] (A307, SAE J429, F468, F593)
© 易紧通 服务热线:4006-164580(免长途费)