index
logo

六角头螺杆带孔螺栓 QJ 2367 - 1992

选择规格尺寸 点击↓

M4

M5

M6

M8

M10

M12


尺寸单位: mm
航天QJ 2367 - 1992 QJ2367 2367QJ 六角头螺杆带孔螺栓
QJ  2367 - 1992 六角头螺杆带孔螺栓
扫一扫分享
公称长度L 注:选择后获得 螺纹长度
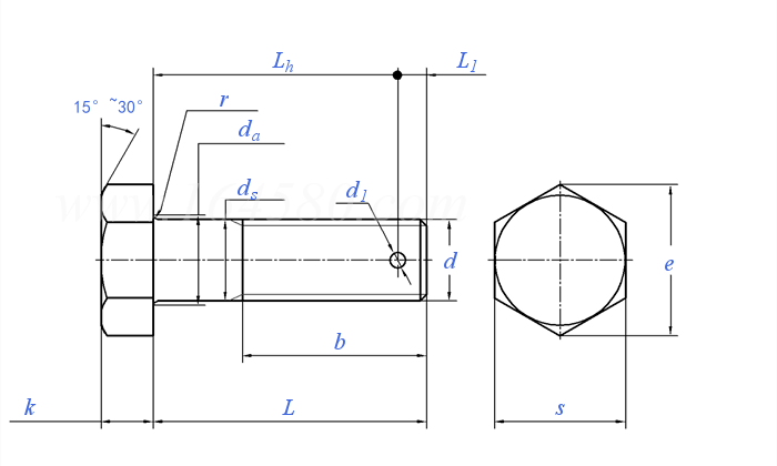
螺纹规格
d
M4 M5 M6 M8 M10 M12
P 螺距 粗牙
细牙
s 最大值
最小值
k 公称
最大值
最小值
ds 最大值
最小值
d1 最大值
最小值
e 最小值
r 最小值
da 最大值
L1
0.7 0.8 1 1.25 1.5 -
- - - - - 1.5
7 8 10 13 16 18
6.78 7.78 9.78 12.73 15.73 17.73
2.8 3.5 4 5.3 6.4 7.5
2.92 3.65 4.15 5.45 6.58 7.68
2.68 3.35 3.85 5.15 6.22 7.32
4 5 6 8 10 12
3.82 4.82 5.82 7.78 9.78 11.73
1.25 1.45 1.85 2.25 2.75 3.5
1 1.2 1.6 2 2.5 3.2
7.66 8.79 11.05 14.38 17.77 20.03
0.2 0.2 0.25 0.4 0.4 0.6
4.7 5.7 6.8 9.2 11.2 14.2
2.5 3 3.5 4 5 6
Lh(H14)
- - - - - -
螺纹长度b
- - - - - -
①,b值:带“ * ”记号,螺杆上全部制出螺纹,此时最末一扣完整螺纹至支承面的距离应不大于3倍螺距。

技术条件和引用标准

材料
热处理
表面处理
其他技术要求
LY11-CZ LY8 HPb59-1 H62
- σb ≥ 375MPa - -
阳极化 钝化
QJ 2397.1
注:技术数据仅供参考,请以官方原件为准!
类似标准及供货信息
1 六角头螺杆带孔螺栓 细杆B级 [国标]
GB /T 31.2 - 2025
六角头螺杆带孔螺栓 细杆B级
Hexagon Head Bolts with Split Pin Hole on Shank - Reduced Shank - Product Grade B
供应商(1)
2 六角头螺杆带孔螺栓 细牙 [国标]
GB /T 31.3 - 2025
六角头螺杆带孔螺栓 细牙
Hexagon Head Bolts with Split Pin Hole on Shank - Fine Pitch Thread
供应商(1)
3 六角头螺杆带孔螺栓 [国标]
GB /T 31.1 - 2013
六角头螺杆带孔螺栓
Hexagon Bolts with Split Pin Hole on Shank
供应商(3)
4 六角头螺杆带孔螺栓 A和B级 [国标]
GB /T 31.1 - 1988
六角头螺杆带孔螺栓 A和B级
Hexagon Bolts with Split Pin Hole on Shank A and B
供应商(3)
5 细杆六角头螺杆带孔螺栓 B级 [国标]
GB /T 31.2 - 1988
细杆六角头螺杆带孔螺栓 B级
Hexagon Bolts with Split Pin Hole On Shank-Reduced Shank-Product Grade B
供应商(1)
6 六角头螺杆带孔螺栓 细牙 A和B级 [国标]
GB 31.3 - 1988
六角头螺杆带孔螺栓 细牙 A和B级
Hexagon Bolts with Split Pin Hole on Shank-Fine Pitch Thread-Product Grade A and B
供应商(1)
7 小六角头螺杆带孔螺栓 [国标]
GB 23 - 1976
小六角头螺杆带孔螺栓
Bolts, Small Hexagon Head with Hole Through The Shank
8 小六角头螺杆带孔导颈螺栓 [国标]
GB 24 - 1976
小六角头螺杆带孔导颈螺栓
Bolts, Small Hexagon Head with Fit Neck and Hole Through The Shank
9 航空航天 - 六角头螺栓,紧公差,MJ短螺纹,钛合金 - 在315℃以下时额定抗拉强度为1100MPa [德标]
DIN 65526 - 2016
航空航天 - 六角头螺栓,紧公差,MJ短螺纹,钛合金 - 在315℃以下时额定抗拉强度为1100MPa
Aerospace Series - Hexagon Bolts, Close Tolerance, with Short-length MJ Thread, Titanium Alloy, Nominal Tensile Strength 1100 Mpa, for Temperatures up to 315℃
10 六角头螺杆带孔螺栓 [汽标代号]
Q 173
六角头螺杆带孔螺栓
Hexagon Head with Hole Through The Shank
11 细牙六角头螺杆带孔螺栓 [细牙普通螺纹] [汽标代号]
Q 173B
细牙六角头螺杆带孔螺栓 [细牙普通螺纹]
Hexagon Bolts with Split Pin Hole on Shank-Fine Pitch Thread
12 细牙六角头螺杆带孔螺栓 [较细牙普通螺纹] [汽标代号]
Q 173C
细牙六角头螺杆带孔螺栓 [较细牙普通螺纹]
Hexagon Bolts with Split Pin Hole on Shank-Fine Pitch Thread
13 精制美制六角头杆部带孔螺栓 [英标]
BS 1768 - 1963
精制美制六角头杆部带孔螺栓
Unified Hexagon Head Bolts, Washer Faced
14 杆部带孔六角头螺栓 2型 [俄标]
GOST 7796 (-2) - 1970
杆部带孔六角头螺栓 2型
Hexagon Reduced Head Bolts Product Grade B, Type 2
15 六角头螺栓 5型 [俄标]
GOST 7796 (-5) - 1970
六角头螺栓 5型
Hexagon Reduced Head Bolts Product Grade B, Type 5
16 六角头杆头带孔螺栓 [俄标]
GOST 7798 (2) - 1970
六角头杆头带孔螺栓
Hexagon Bolts with Split Pin Hole on Shank
17 六角头螺栓 杆部带孔 2型 [俄标]
GOST 7805 (-2) - 1970
六角头螺栓 杆部带孔 2型
Hexagon Bolts, Split Pin Hole, Product Grade A, Type 2
18 电力金具用螺杆带销孔六角头螺栓 [电力]
DL /T 764 - 2014
电力金具用螺杆带销孔六角头螺栓
Hexagon Head Bolts with Split Pin Hole on Shank for Electric Power Fittings
19 电力金具专用紧固件 - 六角头带销孔螺栓 [电力]
DL /T 764.1 - 2001
电力金具专用紧固件 - 六角头带销孔螺栓
Electric Power Fitting Fasteners Hexagon Head Bolts with Split Pin Hole on Shank
20 普通螺纹螺栓 [军标]
GJB 3371 (/1~/9) - 1998
普通螺纹螺栓
Hexagon Bolts with M Thread
21 短螺纹小六角头螺栓 [军标]
GJB 3371 (/10 ~ /18) - 1998
短螺纹小六角头螺栓
Small Hexagon Bolts with Short M Thread
22 光杆公差带f9六角头螺栓 [军标]
GJB 3371 (/19) - 1998
光杆公差带f9六角头螺栓
Hexagon Head Bolts,Shank Tolerance f9
23 光杆公差带r6短螺纹六角头螺栓 [军标]
GJB 3371 (/77~/78) - 1998
光杆公差带r6短螺纹六角头螺栓
Hexagon Head Bolts, Short Thread, Shank Tolerance r6
24 光杆公差带f9短螺纹小六角头螺栓 [军标]
GJB 3371 (/20) - 1998
光杆公差带f9短螺纹小六角头螺栓
Small Hexagon Head Bolts, Short Thread, Shank Tolerance r6
25 光杆公差带h8短螺纹小六角头螺栓 [军标]
GJB 3371 (/21~/24) - 1998
光杆公差带h8短螺纹小六角头螺栓
Small Hexagon Head Bolts, Short Thread, Shank Tolerance h8
26 铰链连接用光杆公差带f7小六角头螺栓 [军标]
GJB 3371 (/25~/28) - 1998
铰链连接用光杆公差带f7小六角头螺栓
Small Hexagon Head Bolts, Shank Tolerance f7
27 铰链连接用光杆公差带h6小六角头螺栓 [军标]
GJB 3371 (/29~/32) - 1998
铰链连接用光杆公差带h6小六角头螺栓
Small Hexagon Head Bolts, Shank Tolerance h6
28 光杆公差带f9短螺纹六角头螺栓 [军标]
GJB 3371 (/69) - 1998
光杆公差带f9短螺纹六角头螺栓
Hexagon Head Bolts, Short Thread, Shank Tolerance f9
29 六角头螺钉 杆部带孔 [军标]
GJB 3372 (/1~/10) - 1998
六角头螺钉 杆部带孔
Hexagon Bolts, Split Pin Hole
30 MJ螺纹六角头螺栓 [军标]
GJB 3374 (/1~/4) - 1998
MJ螺纹六角头螺栓
MJ Thread, Hexagon Head Bolts
31 MJ螺纹光杆公差带f9六角头螺栓 [军标]
GJB 3374 (/5) - 1998
MJ螺纹光杆公差带f9六角头螺栓
Hexagon Head Bolts,Shank Tolerance f9, MJ Thread
32 MJ螺纹光杆公差带f9短螺纹六角头螺栓 [军标]
GJB 3374 (/6) - 1998
MJ螺纹光杆公差带f9短螺纹六角头螺栓
Hexagon Head Bolts, Short Thread, Shank Tolerance f9, MJ Thread
33 MJ螺纹光杆公差带r6短螺纹六角头螺栓 [军标]
GJB 3374 (/7) - 1998
MJ螺纹光杆公差带r6短螺纹六角头螺栓
Hexagon Head Bolts, Short Thread, Shank Tolerance r6, MJ Thread
34 MJ螺纹光杆公差带f9短螺纹小六角头螺栓 [军标]
GJB 3374 (/12) - 1998
MJ螺纹光杆公差带f9短螺纹小六角头螺栓
Small Hexagon Head Bolts, Short Thread, Shank Tolerance f9, MJ Thread
35 MJ螺纹光杆公差带h8短螺纹小六角头螺栓 [军标]
GJB 3374 (/13~/15) - 1998
MJ螺纹光杆公差带h8短螺纹小六角头螺栓
Small Hexagon Head Bolts, Short Thread, Shank Tolerance h8, MJ Thread
36 铰链连接用MJ螺纹光杆公差带f7小六角头螺栓 [军标]
GJB 3374 (/16~/18) - 1998
铰链连接用MJ螺纹光杆公差带f7小六角头螺栓
Small Hexagon Head Bolts with Clevis End, Short Thread, Shank Tolerance f7, MJ Thread
37 铰链连接用MJ螺纹光杆公差带h6小六角头螺栓 [军标]
GJB 3374 (/19~/21) - 1998
铰链连接用MJ螺纹光杆公差带h6小六角头螺栓
Small Hexagon Head Bolts with Clevis End, Short Thread, Shank Tolerance h6, MJ Thread
38 六角头螺栓 [航空]
HB 1- 101 - 2002
六角头螺栓
Hexagon Bolts
供应商(1)
39 六角头螺钉 [航空]
HB 1- 201 - 1995
六角头螺钉
Hexagon Head Screws
供应商(1)
标准编号: QJ 2367 - 1992
中文名称: 六角头螺杆带孔螺栓
英文名称:
数据来源: 易紧通 (164580.com)
Standard Code: QJ 2367 - 1992Chinese Name: 六角头螺杆带孔螺栓English Name: Source: https://www.164580.com/info_55080.html
Data Source: YJT Fastener Database (164580.com)
Standard: QJ 2367 - 1992
URL: https://www.164580.com/info_55080.html
License: Commercial use requires authorization
© 易紧通 服务热线:4006-164580(免长途费)