index
logo

六角头螺栓 HB 1- 101 - 2002

查看供应商

选择规格尺寸 点击↓

M2.5

M3

M4

M5

M6

M8

M10

M12 ×1.5

M14 ×1.5

M16 ×1.5

M18 ×1.5

M20 ×1.5

M22 ×1.5

M24 ×1.5


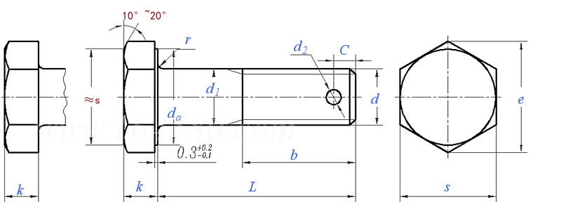
尺寸单位: mm
航空HB 1-101 - 2002 HB101 101HB 六角头螺栓
HB 1- 101 - 2002 六角头螺栓
扫一扫分享
螺纹尺寸
d
M2.5 M3 M4 M5 M6 M8 M10 M12
×1.5
M14
×1.5
M16
×1.5
M18
×1.5
M20
×1.5
M22
×1.5
M24
×1.5
d1 最大值=公称
最小值
k 最大值=公称
最小值
s 最大值=公称
最小值
e 最小值
da 最小值
b 参考
r 公称
最大值
最小值
d2
C 参考
2.5 3 4 5 6 8 10 12 14 16 18 20 22 24
2.4 2.9 3.88 4.88 5.88 7.85 9.85 11.82 13.82 15.82 17.82 19.79 21.79 23.79
1.8 2 2.8 3 4 5 6 7 9 10 11 12 13 14
1.55 1.75 2.55 2.75 3.7 4.7 5.7 6.64 8.64 9.64 10.57 11.57 12.57 13.57
5 5.5 7 8 10 14 17 19 22 24 27 30 32 36
4.88 5.38 6.85 7.85 9.85 13.82 16.82 18.79 21.79 23.79 26.79 29.79 31.75 35.75
5.5 6 7.8 8.8 11 15.5 18.8 21.1 24.5 26.8 30.2 33.6 35.8 40.3
4.3 4.8 6.4 7.4 9.3 13.2 16 18 21 23 26 29 31 35
7 7 7.5 8.5 10 11.5 15 17 19 21 23 25 27 29
0.3 0.3 0.5 0.5 0.5 0.8 0.8 1 1 1.5 1.5 1.5 2 2
0.3 0.3 0.5 0.7 0.7 1 1 1.2 1.2 1.7 1.7 1.7 2.2 2.2
0.1 0.1 0.3 0.3 0.3 0.6 0.6 0.8 0.8 1.3 1.3 1.3 1.8 1.8
/ / 1 1.6 1.6 2 2.5 2.5 2.5 3.2 3.2 3.2 3.2 3.2
/ / 2.5 3 3 4 4 4.5 4.5 5 5 5.5 6.5 7
①,ML25、38CrA、GH2132、铝合金和黄铜制螺栓,光杆直径d1允许等于滚制或切制螺纹前的毛坯尺寸。
②,对于d1=8、10、12黄铜制螺栓,其扳拧尺寸相应地制成 S=12、14、17,相对应的尺寸和重量按 HB 1-102。

技术条件和引用标准

材料
ML25
30CrMnSiA
38CrA
40CrNiMoA
1Cr17Ni2
(1Cr18Ni9Ti)
0Cr16Ni6
GH2132
LY8
H62
限用直径 热处理
MPa
表面处理
2.5~18 / 镀锌钝化
4~24 σb=1080~1280 d1≤8 镀锌钝化
d1>8 镀镉钝化
4~18 σb=930~1130 镀锌钝化
4~18 σb=1080~1280 镀镉钝化
5~18 σb=1080~1280 钝化
5~18 / /
5~24 σb=1080~1370 钝化
5~18 σb≥900 /
5~12 σb≥375 阳极化
4~12 / 钝化
注:技术数据仅供参考,请以官方原件为准!
告诉我在“易紧通”看到,将给您优惠
联系人:薛俊晓、李枚潞 点击这里给我发消息2773717128   移动电话: 19921049282(微信同号)、19921046851(微信同号)
材质:碳钢(25#、35#、45#、10B22),不锈钢(304、304L、316、316L、316LN、2535Nb、2205、2507、2520、S32750、S32760),合金钢(40Cr、40MnB、605M36T),高温合金钢(35CrMoA、20Cr1Mo1VNbTiB、42CrMoA、25Cr2MovA、GH2132、GH738、GH4738、GH4080A、GH3030、GH4169),特殊合金钢(ASTM A193 B7、A193 B16、A320 L7、A194 2H、A194 4、A800 H、A453 660、NS112、HB3),钛合金钢TC4,镍及镍合金钢(N6、Inconel 600、C-276、monel 400、Inconel 718、Inconel 625),硅青铜QSi1-3,尼龙(PA6、PA66),奥氏体,马氏体,热强钢、铝LY11等;等级:8.8、10.9、12.9;规格范围:可按要求或图纸订制。
类似标准及供货信息
1 六角头螺杆带孔螺栓 细杆B级 [国标]
GB /T 31.2 - 2025
六角头螺杆带孔螺栓 细杆B级
Hexagon Head Bolts with Split Pin Hole on Shank - Reduced Shank - Product Grade B
供应商(1)
2 六角头螺杆带孔螺栓 细牙 [国标]
GB /T 31.3 - 2025
六角头螺杆带孔螺栓 细牙
Hexagon Head Bolts with Split Pin Hole on Shank - Fine Pitch Thread
供应商(1)
3 六角头螺杆带孔螺栓 [国标]
GB /T 31.1 - 2013
六角头螺杆带孔螺栓
Hexagon Bolts with Split Pin Hole on Shank
供应商(3)
4 六角头螺杆带孔螺栓 A和B级 [国标]
GB /T 31.1 - 1988
六角头螺杆带孔螺栓 A和B级
Hexagon Bolts with Split Pin Hole on Shank A and B
供应商(3)
5 细杆六角头螺杆带孔螺栓 B级 [国标]
GB /T 31.2 - 1988
细杆六角头螺杆带孔螺栓 B级
Hexagon Bolts with Split Pin Hole On Shank-Reduced Shank-Product Grade B
供应商(1)
6 六角头螺杆带孔螺栓 细牙 A和B级 [国标]
GB 31.3 - 1988
六角头螺杆带孔螺栓 细牙 A和B级
Hexagon Bolts with Split Pin Hole on Shank-Fine Pitch Thread-Product Grade A and B
供应商(1)
7 小六角头螺杆带孔螺栓 [国标]
GB 23 - 1976
小六角头螺杆带孔螺栓
Bolts, Small Hexagon Head with Hole Through The Shank
8 小六角头螺杆带孔导颈螺栓 [国标]
GB 24 - 1976
小六角头螺杆带孔导颈螺栓
Bolts, Small Hexagon Head with Fit Neck and Hole Through The Shank
9 航空航天 - 六角头螺栓,紧公差,MJ短螺纹,钛合金 - 在315℃以下时额定抗拉强度为1100MPa [德标]
DIN 65526 - 2016
航空航天 - 六角头螺栓,紧公差,MJ短螺纹,钛合金 - 在315℃以下时额定抗拉强度为1100MPa
Aerospace Series - Hexagon Bolts, Close Tolerance, with Short-length MJ Thread, Titanium Alloy, Nominal Tensile Strength 1100 Mpa, for Temperatures up to 315℃
10 六角头螺杆带孔螺栓 [汽标代号]
Q 173
六角头螺杆带孔螺栓
Hexagon Head with Hole Through The Shank
11 细牙六角头螺杆带孔螺栓 [细牙普通螺纹] [汽标代号]
Q 173B
细牙六角头螺杆带孔螺栓 [细牙普通螺纹]
Hexagon Bolts with Split Pin Hole on Shank-Fine Pitch Thread
12 细牙六角头螺杆带孔螺栓 [较细牙普通螺纹] [汽标代号]
Q 173C
细牙六角头螺杆带孔螺栓 [较细牙普通螺纹]
Hexagon Bolts with Split Pin Hole on Shank-Fine Pitch Thread
13 精制美制六角头杆部带孔螺栓 [英标]
BS 1768 - 1963
精制美制六角头杆部带孔螺栓
Unified Hexagon Head Bolts, Washer Faced
14 杆部带孔六角头螺栓 2型 [俄标]
GOST 7796 (-2) - 1970
杆部带孔六角头螺栓 2型
Hexagon Reduced Head Bolts Product Grade B, Type 2
15 六角头螺栓 5型 [俄标]
GOST 7796 (-5) - 1970
六角头螺栓 5型
Hexagon Reduced Head Bolts Product Grade B, Type 5
16 六角头杆头带孔螺栓 [俄标]
GOST 7798 (2) - 1970
六角头杆头带孔螺栓
Hexagon Bolts with Split Pin Hole on Shank
17 六角头螺栓 杆部带孔 2型 [俄标]
GOST 7805 (-2) - 1970
六角头螺栓 杆部带孔 2型
Hexagon Bolts, Split Pin Hole, Product Grade A, Type 2
18 电力金具用螺杆带销孔六角头螺栓 [电力]
DL /T 764 - 2014
电力金具用螺杆带销孔六角头螺栓
Hexagon Head Bolts with Split Pin Hole on Shank for Electric Power Fittings
19 电力金具专用紧固件 - 六角头带销孔螺栓 [电力]
DL /T 764.1 - 2001
电力金具专用紧固件 - 六角头带销孔螺栓
Electric Power Fitting Fasteners Hexagon Head Bolts with Split Pin Hole on Shank
20 普通螺纹螺栓 [军标]
GJB 3371 (/1~/9) - 1998
普通螺纹螺栓
Hexagon Bolts with M Thread
21 短螺纹小六角头螺栓 [军标]
GJB 3371 (/10 ~ /18) - 1998
短螺纹小六角头螺栓
Small Hexagon Bolts with Short M Thread
22 光杆公差带f9六角头螺栓 [军标]
GJB 3371 (/19) - 1998
光杆公差带f9六角头螺栓
Hexagon Head Bolts,Shank Tolerance f9
23 光杆公差带r6短螺纹六角头螺栓 [军标]
GJB 3371 (/77~/78) - 1998
光杆公差带r6短螺纹六角头螺栓
Hexagon Head Bolts, Short Thread, Shank Tolerance r6
24 光杆公差带f9短螺纹小六角头螺栓 [军标]
GJB 3371 (/20) - 1998
光杆公差带f9短螺纹小六角头螺栓
Small Hexagon Head Bolts, Short Thread, Shank Tolerance r6
25 光杆公差带h8短螺纹小六角头螺栓 [军标]
GJB 3371 (/21~/24) - 1998
光杆公差带h8短螺纹小六角头螺栓
Small Hexagon Head Bolts, Short Thread, Shank Tolerance h8
26 铰链连接用光杆公差带f7小六角头螺栓 [军标]
GJB 3371 (/25~/28) - 1998
铰链连接用光杆公差带f7小六角头螺栓
Small Hexagon Head Bolts, Shank Tolerance f7
27 铰链连接用光杆公差带h6小六角头螺栓 [军标]
GJB 3371 (/29~/32) - 1998
铰链连接用光杆公差带h6小六角头螺栓
Small Hexagon Head Bolts, Shank Tolerance h6
28 光杆公差带f9短螺纹六角头螺栓 [军标]
GJB 3371 (/69) - 1998
光杆公差带f9短螺纹六角头螺栓
Hexagon Head Bolts, Short Thread, Shank Tolerance f9
29 六角头螺钉 杆部带孔 [军标]
GJB 3372 (/1~/10) - 1998
六角头螺钉 杆部带孔
Hexagon Bolts, Split Pin Hole
30 MJ螺纹六角头螺栓 [军标]
GJB 3374 (/1~/4) - 1998
MJ螺纹六角头螺栓
MJ Thread, Hexagon Head Bolts
31 MJ螺纹光杆公差带f9六角头螺栓 [军标]
GJB 3374 (/5) - 1998
MJ螺纹光杆公差带f9六角头螺栓
Hexagon Head Bolts,Shank Tolerance f9, MJ Thread
32 MJ螺纹光杆公差带f9短螺纹六角头螺栓 [军标]
GJB 3374 (/6) - 1998
MJ螺纹光杆公差带f9短螺纹六角头螺栓
Hexagon Head Bolts, Short Thread, Shank Tolerance f9, MJ Thread
33 MJ螺纹光杆公差带r6短螺纹六角头螺栓 [军标]
GJB 3374 (/7) - 1998
MJ螺纹光杆公差带r6短螺纹六角头螺栓
Hexagon Head Bolts, Short Thread, Shank Tolerance r6, MJ Thread
34 MJ螺纹光杆公差带f9短螺纹小六角头螺栓 [军标]
GJB 3374 (/12) - 1998
MJ螺纹光杆公差带f9短螺纹小六角头螺栓
Small Hexagon Head Bolts, Short Thread, Shank Tolerance f9, MJ Thread
35 MJ螺纹光杆公差带h8短螺纹小六角头螺栓 [军标]
GJB 3374 (/13~/15) - 1998
MJ螺纹光杆公差带h8短螺纹小六角头螺栓
Small Hexagon Head Bolts, Short Thread, Shank Tolerance h8, MJ Thread
36 铰链连接用MJ螺纹光杆公差带f7小六角头螺栓 [军标]
GJB 3374 (/16~/18) - 1998
铰链连接用MJ螺纹光杆公差带f7小六角头螺栓
Small Hexagon Head Bolts with Clevis End, Short Thread, Shank Tolerance f7, MJ Thread
37 铰链连接用MJ螺纹光杆公差带h6小六角头螺栓 [军标]
GJB 3374 (/19~/21) - 1998
铰链连接用MJ螺纹光杆公差带h6小六角头螺栓
Small Hexagon Head Bolts with Clevis End, Short Thread, Shank Tolerance h6, MJ Thread
38 六角头螺杆带孔螺栓 [航天]
QJ 2367 - 1992
六角头螺杆带孔螺栓

39 六角头螺钉 [航空]
HB 1- 201 - 1995
六角头螺钉
Hexagon Head Screws
供应商(1)
标准编号: HB 1- 101 - 2002
中文名称: 六角头螺栓
英文名称: Hexagon Bolts
数据来源: 易紧通 (164580.com)
Standard Code: HB 1- 101 - 2002Chinese Name: 六角头螺栓English Name: Hexagon BoltsSource: https://www.164580.com/info_421396.html
Data Source: YJT Fastener Database (164580.com)
Standard: HB 1- 101 - 2002
URL: https://www.164580.com/info_421396.html
License: Commercial use requires authorization
© 易紧通 服务热线:4006-164580(免长途费)