index
logo

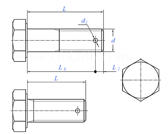
细牙六角头螺杆带孔螺栓 [细牙普通螺纹] Q 173B

选择规格尺寸 点击↓

M8

(M10)

M12

(M14)

M16

(M18)

(M20)

(M22)

M24

括号内尺寸为非优选

尺寸单位: mm
Q  173B 细牙六角头螺杆带孔螺栓 [细牙普通螺纹]
扫一扫分享
公称长度L
螺纹尺寸
d
M8 (M10) M12 (M14) M16 (M18) (M20) (M22) M24
P 螺距
d1 最大值
最小值
L1
1 1 1.25 1.5 1.5 1.5 1.5 1.5 2
2.25 2.75 3.50 3.50 4.30 4.30 4.30 5.30 5.30
2.00 2.50 3.20 3.20 4.00 4.00 4.00 5.00 5.00
4 4 5 5 6 6 6 7 7
Lh(+ IT14)
- - - - - - - - -
①,其余型式与尺寸按 Q151B/Q151C。
替代列表

技术条件和引用标准

材料
螺纹 公差
标准
机械性能 等级
标准
公差 产品等级
标准
表面处理 种类
标准
表面缺陷
验收及包装
6g
GB/T 196、GB/T 197
5.6、8.8、10.9
GB/T 3098.1
A、B(L >10d 或 L >150mm,按较小值)
GB/T 3103.1
① 镀锌钝化;② 非电解锌片涂层
QC/T 625
GB/T 5779.1
GB/T 90.1、GB/T 90.2
注:技术数据仅供参考,请以官方原件为准!
类似标准及供货信息
1 六角头螺杆带孔螺栓 细杆B级 [国标]
GB /T 31.2 - 2025
六角头螺杆带孔螺栓 细杆B级
Hexagon Head Bolts with Split Pin Hole on Shank - Reduced Shank - Product Grade B
供应商(1)
2 六角头螺杆带孔螺栓 细牙 [国标]
GB /T 31.3 - 2025
六角头螺杆带孔螺栓 细牙
Hexagon Head Bolts with Split Pin Hole on Shank - Fine Pitch Thread
供应商(1)
3 六角头螺杆带孔螺栓 [国标]
GB /T 31.1 - 2013
六角头螺杆带孔螺栓
Hexagon Bolts with Split Pin Hole on Shank
供应商(3)
4 六角头螺杆带孔螺栓 A和B级 [国标]
GB /T 31.1 - 1988
六角头螺杆带孔螺栓 A和B级
Hexagon Bolts with Split Pin Hole on Shank A and B
供应商(3)
5 细杆六角头螺杆带孔螺栓 B级 [国标]
GB /T 31.2 - 1988
细杆六角头螺杆带孔螺栓 B级
Hexagon Bolts with Split Pin Hole On Shank-Reduced Shank-Product Grade B
供应商(1)
6 六角头螺杆带孔螺栓 细牙 A和B级 [国标]
GB 31.3 - 1988
六角头螺杆带孔螺栓 细牙 A和B级
Hexagon Bolts with Split Pin Hole on Shank-Fine Pitch Thread-Product Grade A and B
供应商(1)
7 小六角头螺杆带孔螺栓 [国标]
GB 23 - 1976
小六角头螺杆带孔螺栓
Bolts, Small Hexagon Head with Hole Through The Shank
8 小六角头螺杆带孔导颈螺栓 [国标]
GB 24 - 1976
小六角头螺杆带孔导颈螺栓
Bolts, Small Hexagon Head with Fit Neck and Hole Through The Shank
9 航空航天 - 六角头螺栓,紧公差,MJ短螺纹,钛合金 - 在315℃以下时额定抗拉强度为1100MPa [德标]
DIN 65526 - 2016
航空航天 - 六角头螺栓,紧公差,MJ短螺纹,钛合金 - 在315℃以下时额定抗拉强度为1100MPa
Aerospace Series - Hexagon Bolts, Close Tolerance, with Short-length MJ Thread, Titanium Alloy, Nominal Tensile Strength 1100 Mpa, for Temperatures up to 315℃
10 六角头螺杆带孔螺栓 [汽标代号]
Q 173
六角头螺杆带孔螺栓
Hexagon Head with Hole Through The Shank
11 细牙六角头螺杆带孔螺栓 [较细牙普通螺纹] [汽标代号]
Q 173C
细牙六角头螺杆带孔螺栓 [较细牙普通螺纹]
Hexagon Bolts with Split Pin Hole on Shank-Fine Pitch Thread
12 精制美制六角头杆部带孔螺栓 [英标]
BS 1768 - 1963
精制美制六角头杆部带孔螺栓
Unified Hexagon Head Bolts, Washer Faced
13 杆部带孔六角头螺栓 2型 [俄标]
GOST 7796 (-2) - 1970
杆部带孔六角头螺栓 2型
Hexagon Reduced Head Bolts Product Grade B, Type 2
14 六角头螺栓 5型 [俄标]
GOST 7796 (-5) - 1970
六角头螺栓 5型
Hexagon Reduced Head Bolts Product Grade B, Type 5
15 六角头杆头带孔螺栓 [俄标]
GOST 7798 (2) - 1970
六角头杆头带孔螺栓
Hexagon Bolts with Split Pin Hole on Shank
16 六角头螺栓 杆部带孔 2型 [俄标]
GOST 7805 (-2) - 1970
六角头螺栓 杆部带孔 2型
Hexagon Bolts, Split Pin Hole, Product Grade A, Type 2
17 电力金具用螺杆带销孔六角头螺栓 [电力]
DL /T 764 - 2014
电力金具用螺杆带销孔六角头螺栓
Hexagon Head Bolts with Split Pin Hole on Shank for Electric Power Fittings
18 电力金具专用紧固件 - 六角头带销孔螺栓 [电力]
DL /T 764.1 - 2001
电力金具专用紧固件 - 六角头带销孔螺栓
Electric Power Fitting Fasteners Hexagon Head Bolts with Split Pin Hole on Shank
19 普通螺纹螺栓 [军标]
GJB 3371 (/1~/9) - 1998
普通螺纹螺栓
Hexagon Bolts with M Thread
20 短螺纹小六角头螺栓 [军标]
GJB 3371 (/10 ~ /18) - 1998
短螺纹小六角头螺栓
Small Hexagon Bolts with Short M Thread
21 光杆公差带f9六角头螺栓 [军标]
GJB 3371 (/19) - 1998
光杆公差带f9六角头螺栓
Hexagon Head Bolts,Shank Tolerance f9
22 光杆公差带r6短螺纹六角头螺栓 [军标]
GJB 3371 (/77~/78) - 1998
光杆公差带r6短螺纹六角头螺栓
Hexagon Head Bolts, Short Thread, Shank Tolerance r6
23 光杆公差带f9短螺纹小六角头螺栓 [军标]
GJB 3371 (/20) - 1998
光杆公差带f9短螺纹小六角头螺栓
Small Hexagon Head Bolts, Short Thread, Shank Tolerance r6
24 光杆公差带h8短螺纹小六角头螺栓 [军标]
GJB 3371 (/21~/24) - 1998
光杆公差带h8短螺纹小六角头螺栓
Small Hexagon Head Bolts, Short Thread, Shank Tolerance h8
25 铰链连接用光杆公差带f7小六角头螺栓 [军标]
GJB 3371 (/25~/28) - 1998
铰链连接用光杆公差带f7小六角头螺栓
Small Hexagon Head Bolts, Shank Tolerance f7
26 铰链连接用光杆公差带h6小六角头螺栓 [军标]
GJB 3371 (/29~/32) - 1998
铰链连接用光杆公差带h6小六角头螺栓
Small Hexagon Head Bolts, Shank Tolerance h6
27 光杆公差带f9短螺纹六角头螺栓 [军标]
GJB 3371 (/69) - 1998
光杆公差带f9短螺纹六角头螺栓
Hexagon Head Bolts, Short Thread, Shank Tolerance f9
28 六角头螺钉 杆部带孔 [军标]
GJB 3372 (/1~/10) - 1998
六角头螺钉 杆部带孔
Hexagon Bolts, Split Pin Hole
29 MJ螺纹六角头螺栓 [军标]
GJB 3374 (/1~/4) - 1998
MJ螺纹六角头螺栓
MJ Thread, Hexagon Head Bolts
30 MJ螺纹光杆公差带f9六角头螺栓 [军标]
GJB 3374 (/5) - 1998
MJ螺纹光杆公差带f9六角头螺栓
Hexagon Head Bolts,Shank Tolerance f9, MJ Thread
31 MJ螺纹光杆公差带f9短螺纹六角头螺栓 [军标]
GJB 3374 (/6) - 1998
MJ螺纹光杆公差带f9短螺纹六角头螺栓
Hexagon Head Bolts, Short Thread, Shank Tolerance f9, MJ Thread
32 MJ螺纹光杆公差带r6短螺纹六角头螺栓 [军标]
GJB 3374 (/7) - 1998
MJ螺纹光杆公差带r6短螺纹六角头螺栓
Hexagon Head Bolts, Short Thread, Shank Tolerance r6, MJ Thread
33 MJ螺纹光杆公差带f9短螺纹小六角头螺栓 [军标]
GJB 3374 (/12) - 1998
MJ螺纹光杆公差带f9短螺纹小六角头螺栓
Small Hexagon Head Bolts, Short Thread, Shank Tolerance f9, MJ Thread
34 MJ螺纹光杆公差带h8短螺纹小六角头螺栓 [军标]
GJB 3374 (/13~/15) - 1998
MJ螺纹光杆公差带h8短螺纹小六角头螺栓
Small Hexagon Head Bolts, Short Thread, Shank Tolerance h8, MJ Thread
35 铰链连接用MJ螺纹光杆公差带f7小六角头螺栓 [军标]
GJB 3374 (/16~/18) - 1998
铰链连接用MJ螺纹光杆公差带f7小六角头螺栓
Small Hexagon Head Bolts with Clevis End, Short Thread, Shank Tolerance f7, MJ Thread
36 铰链连接用MJ螺纹光杆公差带h6小六角头螺栓 [军标]
GJB 3374 (/19~/21) - 1998
铰链连接用MJ螺纹光杆公差带h6小六角头螺栓
Small Hexagon Head Bolts with Clevis End, Short Thread, Shank Tolerance h6, MJ Thread
37 六角头螺杆带孔螺栓 [航天]
QJ 2367 - 1992
六角头螺杆带孔螺栓

38 六角头螺栓 [航空]
HB 1- 101 - 2002
六角头螺栓
Hexagon Bolts
供应商(1)
39 六角头螺钉 [航空]
HB 1- 201 - 1995
六角头螺钉
Hexagon Head Screws
供应商(1)
标准编号 / Standard Code: Q 173B
中文名称 / Chinese Name: 细牙六角头螺杆带孔螺栓 [细牙普通螺纹]
英文名称 / English Name: Hexagon Bolts with Split Pin Hole on Shank-Fine Pitch Thread
数据来源 / Data Source: 易紧通 YJT Fastener Database(164580.com)
中文页面 / Chinese Page: 查看中文页面
English Page: View English Page
Data Source: YJT Fastener Database (164580.com)
Standard: Q 173B
Chinese Name: 细牙六角头螺杆带孔螺栓 [细牙普通螺纹]
English Name: Hexagon Bolts with Split Pin Hole on Shank-Fine Pitch Thread
Chinese URL: Chinese Source Page
English URL: English Source Page
License: Commercial reuse, redistribution, or AI training usage requires authorization.
© 易紧通 服务热线:4006-164580(免长途费)