index
logo

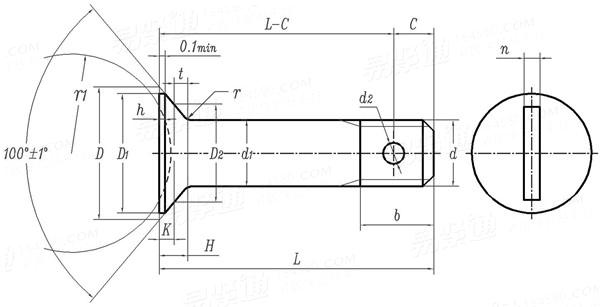
光杆公差带r6短螺纹 100°沉头螺栓 GJB 3371 (/83) - 1998

选择规格尺寸 点击↓

M5

M6

M8

M10

M12

M14

M16

M18

M20


尺寸单位: mm
军标GJB 3371 (/83) - 1998 GJB3371 3371GJB 光杆公差带r6短螺纹 100°沉头螺栓
GJB  3371 (/83) - 1998 光杆公差带r6短螺纹 100°沉头螺栓
扫一扫分享
千件重及价格计算 千件重 : kg x 元/kg = 元/千件
默认密度 g/cm3
公称长度L 注:选择后获得 相应重量
公称直径
d
M5 M6 M8 M10 M12 M14 M16 M18 M20
P 螺距
d1 r6 公称
最大值
最小值
H 参考
D 参考
D1 最小值
D2
b 参考
k 0,-0.08
r 0,-0.2
n H12 最小值=公称
最大值
t h14 最大值=公称
最小值
d2 H13 最小值=公称
最大值
r1
C 参考
0.8 1 1.25 1.5 1.5 1.5 1.5 1.5 1.5
5 6 8 10 12 14 16 18 20
5.023 6.023 8.028 10.028 12.034 14.034 16.034 18.034 20.041
5.015 6.015 8.019 10.019 12.023 14.023 16.023 18.023 20.028
2.11 2.53 3.38 4.23 5.07 5.92 6.77 7.61 8.46
10 12 16 20 24 28 32 36 40
9 10.8 14.8 18.8 22.8 26.8 30.8 34.8 38.8
7.71 9 12.21 15.43 18 20.57 24.43 25.71 28.92
6.5 7 8.5 10 12 13 15 16 18
0.96 1.26 1.6 1.93 2.53 3.14 3.2 4.35 4.68
0.5 0.7 0.7 0.8 0.9 1.1 1.1 1.3 1.3
1.2 1.5 1.5 2 2.5 2.5 2.5 3 3
1.3 1.6 1.6 2.1 2.6 2.6 2.6 3.1 3.1
1 1.5 2 2.5 2.5 3 3 3 3
0.75 1.25 1.75 2.25 2.25 2.75 2.75 2.75 2.75
1.6 1.6 2 2.5 2.5 2.5 3.2 3.2 3.2
1.74 1.74 2.14 2.64 2.64 2.64 3.38 3.38 3.38
8 10 12.5 15 17.5 20 22.5 25 25
3 3 4 4 4.5 4.5 5 5 5.5
千件钢制重≈kg
- - - - - - - - -

同版本产品组

技术条件和引用标准

材料
热处理及表面处理
-
30CrMnSiA
热处理:σb=1100~1280MPa
表面处理:氧化。氧化后涂防锈润滑油脂供应。在装配过程中,螺栓头部和凸出的螺
纹部分与螺母一起涂防锈底漆。
标志按 HB 0-3-83。
其余要求按通用规范 GJB 3375。
注:技术数据仅供参考,请以官方原件为准!
类似标准及供货信息
1 英制沉头(开槽)螺栓 [Table7] (A307, SAE J429, F468, F593) [美标]
ASME/ANSI B 18.5 (T7) - 2012
英制沉头(开槽)螺栓 [Table7] (A307, SAE J429, F468, F593)
Countersunk Bolts and Slotted Countersunk Bolts [Table7] (A307, SAE J429, F468, F593)
2 英制沉头(开槽)螺栓 [Table7] [美标]
ASME/ANSI B 18.5 (T7) - 2008
英制沉头(开槽)螺栓 [Table7]
Countersunk Bolts and Slotted Countersunk Bolts,(Inch Series)
3 预负载用高强度结构螺栓连接副,第7部分:HR系统 - 沉头螺栓 [欧标]
EN 14399-7 (Cs bolt) - 2018
预负载用高强度结构螺栓连接副,第7部分:HR系统 - 沉头螺栓
High-Strength Structural Bolting Assemblies for Preloading - Part 7: System HR - Countersunk Head Bolt
4 预负载用高强度结构螺栓连接副,第7部分:HR系统 - 沉头螺栓 [欧标]
EN 14399-7 (Cs bolt) - 2007
预负载用高强度结构螺栓连接副,第7部分:HR系统 - 沉头螺栓
High-strength Structural Bolting Assemblies for Preloading - Part 7: System HR — Countersunk Head Bolt
5 钢结构用高强度一字槽沉头螺栓 [法国]
NF E 25-801-7 - 2008
钢结构用高强度一字槽沉头螺栓
High Strength Slotted Bolts for Steel Structure
6 米制90°沉头螺栓 [英标]
BS 4933 - 1973
米制90°沉头螺栓
Metric 90°Countersunk Head Bolts
7 100°沉头螺栓 [军标]
GJB 3371 (/48~/56) - 1998
100°沉头螺栓
100° Countersunk Head Bolts
8 光杆公差带h8短螺纹 100°沉头螺栓 [军标]
GJB 3371 (/63) - 1998
光杆公差带h8短螺纹 100°沉头螺栓
100° Countersunk Head Bolts, Short Thread, Shank Tolerance h8
9 100°沉头锥端螺栓 [军标]
GJB 3371 (/67) - 1998
100°沉头锥端螺栓
100° Countersunk Head Bolts with Cone Point
10 光杆公差带r6抗剪型100°沉头高锁螺栓 [军标]
GJB 134.2 - 1986
光杆公差带r6抗剪型100°沉头高锁螺栓
Hi-lock Bolts, 100° Head, Shear, Shank Tolerance r6
11 光杆公差带f9抗剪型100°沉头高锁螺栓 [军标]
GJB 134.3 - 1986
光杆公差带f9抗剪型100°沉头高锁螺栓
Hi-lock Bolts, 100° Head, Shear, Shank Tolerance f9
12 英制沉头(开槽)螺栓 [Table7] (A307, SAE J429, F468, F593) [美标]
ASME B 18.5 (T7) - 2012 (2017)
英制沉头(开槽)螺栓 [Table7] (A307, SAE J429, F468, F593)
Countersunk Bolts and Slotted Countersunk Bolts [Table7] (A307, SAE J429, F468, F593)
13 MJ螺纹十字槽100°沉头螺栓 [航空]
HB 7438 - 2013
MJ螺纹十字槽100°沉头螺栓
100° Countersunk Head Bolts with MJ Thread, Cross-recessed
14 锥形螺栓 [航空]
HB 1- 154 - 1995
锥形螺栓
Tapered Bolts
15 锥形螺栓 [航空]
HB 1- 154 - 1983
锥形螺栓
Tapered Bolts
标准编号: GJB 3371 (/83) - 1998
中文名称: 光杆公差带r6短螺纹 100°沉头螺栓
英文名称: 100° Countersunk Head Bolts, Short Thread, Shank Tolerance r6
数据来源: 易紧通 (164580.com)
Standard Code: GJB 3371 (/83) - 1998Chinese Name: 光杆公差带r6短螺纹 100°沉头螺栓English Name: 100° Countersunk Head Bolts, Short Thread, Shank Tolerance r6Source: https://www.164580.com/info_375360.html
Data Source: YJT Fastener Database (164580.com)
Standard: GJB 3371 (/83) - 1998
URL: https://www.164580.com/info_375360.html
License: Commercial use requires authorization
© 易紧通 服务热线:4006-164580(免长途费)