index
logo

MJ螺纹六角头螺栓 GJB 3374 (/1~/4) - 1998

选择规格尺寸 点击↓

4

5

6

8

10

12

14

16

18

20


尺寸单位: mm
军标GJB 3374 (/1~/4) - 1998 GJB3374 3374GJ MJ螺纹六角头螺栓
GJB  3374 (/1~/4) - 1998 MJ螺纹六角头螺栓
扫一扫分享
千件重及价格计算 千件重 : kg x 元/kg = 元/千件
默认密度 g/cm3
公称长度L 注:选择后获得 相应重量
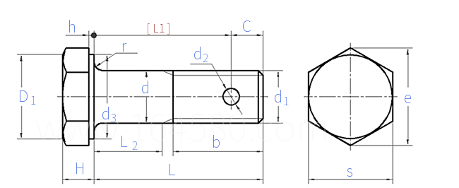
公称直径
d
4 5 6 8 10 12 14 16 18 20
d1
d 最大值
最小值
H 最大值=公称
最小值
s 最大值=公称
最小值
e 最小值
b 参考
r 最大值
最小值
d2 最小值=公称
最大值
C 参考
h 最大值
最小值
d3 最小值
MJ4×0.7 MJ5×0.8 MJ6×1 MJ8×1 MJ10×1.25 MJ12×1.25 MJ14×1.5 MJ16×1.5 MJ18×1.5 MJ20×1.5
4 5 6 8 10 12 14 16 18 20
3.88 4.88 5.88 7.85 9.85 11.82 13.82 15.82 17.82 19.79
2.5 3 3.5 4.5 5 6 7 8 8 10
2.25 2.75 3.2 4.2 4.7 5.7 6.64 7.64 7.64 9.64
7 8 10 13 17 19 22 24 27 30
6.85 7.85 9.78 12.73 16.73 18.67 21.67 23.67 26.67 29.67
7.6 8.7 10.9 14.4 18.9 21.1 24.5 26.8 30.2 33.6
8.6 10.4 12 14.5 18 20 23 25.5 28 30.5
0.4 0.5 0.7 0.7 0.8 0.9 1.1 1.1 1.3 1.3
0.2 0.3 0.5 0.5 0.6 0.6 0.8 0.8 1 1
1 1.6 1.6 2 2.5 2.5 2.5 3.2 3.2 3.2
1.14 1.74 1.74 2.14 2.64 2.64 2.64 3.38 3.38 3.38
2.5 3 3 4 4 4.5 4.5 5 5 5.5
0.5 0.5 0.5 0.5 0.6 0.6 0.6 0.6 0.6 0.6
0.2 0.2 0.2 0.2 0.3 0.3 0.3 0.3 0.3 0.3
6.4 7.4 9.3 12.2 16 18 21 23 26 29
L2 ±0.2
- - - - - - - - - -
千件钢制重≈kg
- - - - - - - - - -
①,D1(参考)= S。
②,当L超过154mm时,其间隔取4mm。
③,头部可按 HB0-9-1983制保险孔。
④,标志按 HB 0-3-1983。
⑤,其余要求按通用规范 GJB 3376。

技术条件和引用标准

材料
热处理
表面处理
标记示例(d=6mm,L=36mm)无开口销孔
标记示例(d=6mm,L=36mm,C=3mm)有开口销孔
30CrMnSiA 1Cr17Ni2 40CrNiMoA 38CrA
σb=1100~1280 MPa σb=1100~1280 MPa σb=1100~1280 MPa σb=900~1100 MPa
d≤MJ8镀锌钝化
d>MJ8镀镉钝化
钝化 镀镉钝化 镀镉钝化
GJB 3374/1-6×36 GJB 3374/2-6×36 GJB 3374/3-6×36 GJB 3374/4-6×36
GJB 3374/1-6×36×3 GJB 3374/2-6×36×3 GJB 3374/3-6×36×3 GJB 3374/4-6×36×3
注:技术数据仅供参考,请以官方原件为准!
类似标准及供货信息
1 六角头螺杆带孔螺栓 细杆B级 [国标]
GB /T 31.2 - 2025
六角头螺杆带孔螺栓 细杆B级
Hexagon Head Bolts with Split Pin Hole on Shank - Reduced Shank - Product Grade B
供应商(1)
2 六角头螺杆带孔螺栓 细牙 [国标]
GB /T 31.3 - 2025
六角头螺杆带孔螺栓 细牙
Hexagon Head Bolts with Split Pin Hole on Shank - Fine Pitch Thread
供应商(1)
3 六角头螺杆带孔螺栓 [国标]
GB /T 31.1 - 2013
六角头螺杆带孔螺栓
Hexagon Bolts with Split Pin Hole on Shank
供应商(3)
4 六角头螺杆带孔螺栓 A和B级 [国标]
GB /T 31.1 - 1988
六角头螺杆带孔螺栓 A和B级
Hexagon Bolts with Split Pin Hole on Shank A and B
供应商(3)
5 细杆六角头螺杆带孔螺栓 B级 [国标]
GB /T 31.2 - 1988
细杆六角头螺杆带孔螺栓 B级
Hexagon Bolts with Split Pin Hole On Shank-Reduced Shank-Product Grade B
供应商(1)
6 六角头螺杆带孔螺栓 细牙 A和B级 [国标]
GB 31.3 - 1988
六角头螺杆带孔螺栓 细牙 A和B级
Hexagon Bolts with Split Pin Hole on Shank-Fine Pitch Thread-Product Grade A and B
供应商(1)
7 小六角头螺杆带孔螺栓 [国标]
GB 23 - 1976
小六角头螺杆带孔螺栓
Bolts, Small Hexagon Head with Hole Through The Shank
8 小六角头螺杆带孔导颈螺栓 [国标]
GB 24 - 1976
小六角头螺杆带孔导颈螺栓
Bolts, Small Hexagon Head with Fit Neck and Hole Through The Shank
9 航空航天 - 六角头螺栓,紧公差,MJ短螺纹,钛合金 - 在315℃以下时额定抗拉强度为1100MPa [德标]
DIN 65526 - 2016
航空航天 - 六角头螺栓,紧公差,MJ短螺纹,钛合金 - 在315℃以下时额定抗拉强度为1100MPa
Aerospace Series - Hexagon Bolts, Close Tolerance, with Short-length MJ Thread, Titanium Alloy, Nominal Tensile Strength 1100 Mpa, for Temperatures up to 315℃
10 六角头螺杆带孔螺栓 [汽标代号]
Q 173
六角头螺杆带孔螺栓
Hexagon Head with Hole Through The Shank
11 细牙六角头螺杆带孔螺栓 [细牙普通螺纹] [汽标代号]
Q 173B
细牙六角头螺杆带孔螺栓 [细牙普通螺纹]
Hexagon Bolts with Split Pin Hole on Shank-Fine Pitch Thread
12 细牙六角头螺杆带孔螺栓 [较细牙普通螺纹] [汽标代号]
Q 173C
细牙六角头螺杆带孔螺栓 [较细牙普通螺纹]
Hexagon Bolts with Split Pin Hole on Shank-Fine Pitch Thread
13 精制美制六角头杆部带孔螺栓 [英标]
BS 1768 - 1963
精制美制六角头杆部带孔螺栓
Unified Hexagon Head Bolts, Washer Faced
14 杆部带孔六角头螺栓 2型 [俄标]
GOST 7796 (-2) - 1970
杆部带孔六角头螺栓 2型
Hexagon Reduced Head Bolts Product Grade B, Type 2
15 六角头螺栓 5型 [俄标]
GOST 7796 (-5) - 1970
六角头螺栓 5型
Hexagon Reduced Head Bolts Product Grade B, Type 5
16 六角头杆头带孔螺栓 [俄标]
GOST 7798 (2) - 1970
六角头杆头带孔螺栓
Hexagon Bolts with Split Pin Hole on Shank
17 六角头螺栓 杆部带孔 2型 [俄标]
GOST 7805 (-2) - 1970
六角头螺栓 杆部带孔 2型
Hexagon Bolts, Split Pin Hole, Product Grade A, Type 2
18 电力金具用螺杆带销孔六角头螺栓 [电力]
DL /T 764 - 2014
电力金具用螺杆带销孔六角头螺栓
Hexagon Head Bolts with Split Pin Hole on Shank for Electric Power Fittings
19 电力金具专用紧固件 - 六角头带销孔螺栓 [电力]
DL /T 764.1 - 2001
电力金具专用紧固件 - 六角头带销孔螺栓
Electric Power Fitting Fasteners Hexagon Head Bolts with Split Pin Hole on Shank
20 普通螺纹螺栓 [军标]
GJB 3371 (/1~/9) - 1998
普通螺纹螺栓
Hexagon Bolts with M Thread
21 短螺纹小六角头螺栓 [军标]
GJB 3371 (/10 ~ /18) - 1998
短螺纹小六角头螺栓
Small Hexagon Bolts with Short M Thread
22 光杆公差带f9六角头螺栓 [军标]
GJB 3371 (/19) - 1998
光杆公差带f9六角头螺栓
Hexagon Head Bolts,Shank Tolerance f9
23 光杆公差带r6短螺纹六角头螺栓 [军标]
GJB 3371 (/77~/78) - 1998
光杆公差带r6短螺纹六角头螺栓
Hexagon Head Bolts, Short Thread, Shank Tolerance r6
24 光杆公差带f9短螺纹小六角头螺栓 [军标]
GJB 3371 (/20) - 1998
光杆公差带f9短螺纹小六角头螺栓
Small Hexagon Head Bolts, Short Thread, Shank Tolerance r6
25 光杆公差带h8短螺纹小六角头螺栓 [军标]
GJB 3371 (/21~/24) - 1998
光杆公差带h8短螺纹小六角头螺栓
Small Hexagon Head Bolts, Short Thread, Shank Tolerance h8
26 铰链连接用光杆公差带f7小六角头螺栓 [军标]
GJB 3371 (/25~/28) - 1998
铰链连接用光杆公差带f7小六角头螺栓
Small Hexagon Head Bolts, Shank Tolerance f7
27 铰链连接用光杆公差带h6小六角头螺栓 [军标]
GJB 3371 (/29~/32) - 1998
铰链连接用光杆公差带h6小六角头螺栓
Small Hexagon Head Bolts, Shank Tolerance h6
28 光杆公差带f9短螺纹六角头螺栓 [军标]
GJB 3371 (/69) - 1998
光杆公差带f9短螺纹六角头螺栓
Hexagon Head Bolts, Short Thread, Shank Tolerance f9
29 六角头螺钉 杆部带孔 [军标]
GJB 3372 (/1~/10) - 1998
六角头螺钉 杆部带孔
Hexagon Bolts, Split Pin Hole
30 MJ螺纹光杆公差带f9六角头螺栓 [军标]
GJB 3374 (/5) - 1998
MJ螺纹光杆公差带f9六角头螺栓
Hexagon Head Bolts,Shank Tolerance f9, MJ Thread
31 MJ螺纹光杆公差带f9短螺纹六角头螺栓 [军标]
GJB 3374 (/6) - 1998
MJ螺纹光杆公差带f9短螺纹六角头螺栓
Hexagon Head Bolts, Short Thread, Shank Tolerance f9, MJ Thread
32 MJ螺纹光杆公差带r6短螺纹六角头螺栓 [军标]
GJB 3374 (/7) - 1998
MJ螺纹光杆公差带r6短螺纹六角头螺栓
Hexagon Head Bolts, Short Thread, Shank Tolerance r6, MJ Thread
33 MJ螺纹光杆公差带f9短螺纹小六角头螺栓 [军标]
GJB 3374 (/12) - 1998
MJ螺纹光杆公差带f9短螺纹小六角头螺栓
Small Hexagon Head Bolts, Short Thread, Shank Tolerance f9, MJ Thread
34 MJ螺纹光杆公差带h8短螺纹小六角头螺栓 [军标]
GJB 3374 (/13~/15) - 1998
MJ螺纹光杆公差带h8短螺纹小六角头螺栓
Small Hexagon Head Bolts, Short Thread, Shank Tolerance h8, MJ Thread
35 铰链连接用MJ螺纹光杆公差带f7小六角头螺栓 [军标]
GJB 3374 (/16~/18) - 1998
铰链连接用MJ螺纹光杆公差带f7小六角头螺栓
Small Hexagon Head Bolts with Clevis End, Short Thread, Shank Tolerance f7, MJ Thread
36 铰链连接用MJ螺纹光杆公差带h6小六角头螺栓 [军标]
GJB 3374 (/19~/21) - 1998
铰链连接用MJ螺纹光杆公差带h6小六角头螺栓
Small Hexagon Head Bolts with Clevis End, Short Thread, Shank Tolerance h6, MJ Thread
37 六角头螺杆带孔螺栓 [航天]
QJ 2367 - 1992
六角头螺杆带孔螺栓

38 六角头螺栓 [航空]
HB 1- 101 - 2002
六角头螺栓
Hexagon Bolts
供应商(1)
39 六角头螺钉 [航空]
HB 1- 201 - 1995
六角头螺钉
Hexagon Head Screws
供应商(1)
标准编号: GJB 3374 (/1~/4) - 1998
中文名称: MJ螺纹六角头螺栓
英文名称: MJ Thread, Hexagon Head Bolts
数据来源: 易紧通 (164580.com)
Standard Code: GJB 3374 (/1~/4) - 1998Chinese Name: MJ螺纹六角头螺栓English Name: MJ Thread, Hexagon Head BoltsSource: https://www.164580.com/info_437818.html
Data Source: YJT Fastener Database (164580.com)
Standard: GJB 3374 (/1~/4) - 1998
URL: https://www.164580.com/info_437818.html
License: Commercial use requires authorization
© 易紧通 服务热线:4006-164580(免长途费)