index
logo

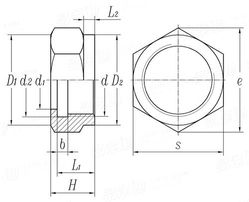
活接头六角螺母 TB /T 777 - 2005

选择规格尺寸 点击↓

M12

M18

M20

M24

M27

M27

M33

M36

M45

M45

M48

M56

M56

M60

M72

同规格,其他部分尺寸不同

尺寸单位: mm
铁道部TB /T777 - 2005 TB777 777TB 活接头六角螺母
TB /T 777 - 2005 活接头六角螺母
扫一扫分享
千件重及价格计算 千件重 : kg x 元/kg = 元/千件
默认密度 g/cm3
螺纹规格
d
M12 M18 M20 M24 M27 M27 M33 M36 M45 M45 M48 M56 M56 M60 M72
公称通径DN
P 螺距
d1 最大值
最小值
d2
e
L1
L2
H
s 最大值
最小值
b
单重≈kg
3 6 8 10 10 13 15 20 25 25 32 32 40 40 50
1.5 1.5 1.5 2 2 2 2 2 2 2 2 2 2 2 2
8.52 13.57 15.63 18.83 21.83 21.83 26.83 31.99 39.89 39.89 43.89 51.89 51.89 55.46 65.46
8.3 13.3 15.3 18.5 21.5 21.5 26.5 31.6 39.5 39.5 43.5 51.5 51.5 55 65
12.5 18.5 20.5 24.5 27.5 27.5 33.5 36.5 45.5 45.5 48.5 56.5 56.5 60.5 72.5
20.8 27.7 31.1 34.6 39.2 39.2 47.3 53.1 63.6 63.6 63.6 75 75 80.8 93.1
10 15 15 15 15 15 17 17 20 20 22 22 22 22 22
3 3 3 3 3 5 5 5 5 5 5 5 5 5 5
13 18 18 18 18 18 20 20 23 23 26 27 27 27 27
18 24 27 30 34 34 41 46 55 55 55 65 65 70 81
17.57 23.57 26.48 29.48 33 33 40 45 54 53.8 53.8 63.8 63.8 68.8 79.8
4 6 6 6 6 6 8 8 8 8 8 8 8 8 8
0.018 0.032 0.033 0.045 0.07 0.07 0.128 0.1 0.193 0.144 0.156 0.21 0.21 0.215 0.271
①,当DN3~DN8时,D1=D2≈0.9S,当DN10~DN50时,D1=D2≈0.95S。
②,适用于机车车辆上使用温度为-40℃~200℃,公称压力小于或等于4.0MPa的钢制接头螺母。
③,零件外表面应有清晰持久的标志。标志内容由公称通径和制造厂标志两部分组成,采用3号字或5号字。
替代列表

技术条件和引用标准

材料 牌号
标准
Q235-A 0Cr18Ni9、1Cr18Ni9 ZG200-400、ZG230-450 ZG15Cr12、ZG03Cr14Ni14Si4
GB/T 700-1988 GB/T 1220-1992 GB/T 11352-1989 GB/T 2100-2002
注:技术数据仅供参考,请以官方原件为准!
类似标准及供货信息
1 扩口式管接头用B型螺母 [国标]
GB /T 5648 - 2008
扩口式管接头用B型螺母
Flared Couplings - Style B Nut
供应商(1)
2 金属管接头 - 60°锥形接头 - 焊接芯头用套螺母 [国标]
GB /T 14034.4 - 2023
金属管接头 - 60°锥形接头 - 焊接芯头用套螺母
Metallic Tube Connections - 60° Cone Connectors - Nuts
3 金属管接头 - 60°锥形接头 - 锁紧螺母 [国标]
GB /T 14034.4 - 2023
金属管接头 - 60°锥形接头 - 锁紧螺母
Metallic Tube Connections - 60° Cone Connectors - Lock Nut
4 六角头内外螺纹接头 [国标]
GB /T 14383 (HHB) - 2021
六角头内外螺纹接头

5 无头内外螺纹接头 [国标]
GB /T 14383 (FB) - 2021
无头内外螺纹接头

6 六角头内外螺纹接头 [国标]
GB /T 14383 (HHB) - 2008
六角头内外螺纹接头

7 无头内外螺纹接头 [国标]
GB /T 14383 (FB) - 2008
无头内外螺纹接头

8 卡套式管接头用连接螺母 [国标]
GB /T 3759 - 2008
卡套式管接头用连接螺母
24° Cone Connectors-Nut
9 六角头内外螺纹接头 [国标]
GB /T 14626 (HHB) - 1993
六角头内外螺纹接头

10 无头内外螺纹接头 [国标]
GB /T 14626 (FB) - 1993
无头内外螺纹接头

11 制动管道管接螺母ES型 [德标]
DIN 74233 (-1) - 1991
制动管道管接螺母ES型
Upper Propeller ES form for Load form E According to DIN 74234
12 制动管道管接螺母FS型 [德标]
DIN 74233 (-1) - 1991
制动管道管接螺母FS型
Upper Propeller FS form for Load form E According to DIN 74234
13 卡套式管接头用连接螺母 [国际]
ISO 8434-1 (N) - 2018
卡套式管接头用连接螺母
Tube Nut
供应商(1)
14 管接头用六角薄螺母(锁紧螺母) [国际]
ISO 8434-1 (LN) - 2018
管接头用六角薄螺母(锁紧螺母)
Locknuts
15 金属管接头 - 60°锥形接头 - 锁紧螺母 [国际]
ISO 8434-6 (LN) - 2009
金属管接头 - 60°锥形接头 - 锁紧螺母
Metallic Tube Connections - 60° Cone Connectors - Lock Nut
16 金属管接头 - 60°锥形接头 - 螺母 [国际]
ISO 8434-6 (N) - 2009
金属管接头 - 60°锥形接头 - 螺母
Metallic Tube Connections - 60° Cone Connectors - Nuts
17 锁紧螺母 - 轻型(L型) [国际]
ISO 1179-3 (LN) - 2007
锁紧螺母 - 轻型(L型)
Lock Nut - Light-duty (L Series)
18 锁紧螺母 - 重型(s型) [国际]
ISO 6149-2 (LN) - 2006
锁紧螺母 - 重型(s型)
Lock Nut, Heavy-duty (S series)
19 锁紧螺母 - 轻型(L型) [国际]
ISO 6149-3 (LN) - 2006
锁紧螺母 - 轻型(L型)
Lock Nuts - Light-duty (L Series)
20 24度锥形接头螺母 管螺母 卡套螺母 [表4] [日标]
JIS B 2351-1 (N) - 2000
24度锥形接头螺母 管螺母 卡套螺母 [表4]
Tube Nut
21 扩口式管接头用B型螺母 [汽标代号]
Q 652C
扩口式管接头用B型螺母
Flared Couplings - Style B Nut
22 卡套螺母 [机械行业]
JB /T 1758 - 1991
卡套螺母
Union Nuts
23 活接头六角螺母 [铁道部]
TB /T 777 - 1993
活接头六角螺母

24 VCR 金属垫片面密封接头 - 内螺纹螺母 [标准]
YJT 14014 (VCR)
VCR 金属垫片面密封接头 - 内螺纹螺母
VCR Metal Gasket Face Seal Fittings - Female Nut
25 卡套螺母 [美标]
SAE J 514 (070110) - 2004
卡套螺母
Union Nuts
26 卡套螺母 [美标]
SAE J 514 (080110) - 2004
卡套螺母
Union Nuts
27 卡套螺母 [美标]
SAE J 514 (070112) - 2004
卡套螺母
Union Nuts
28 锁紧螺母 [美标]
SAE J 514 (070117) - 2004
锁紧螺母
Lock Nut
29 锁紧螺母 [美标]
SAE J 514 (070118) - 2004
锁紧螺母
Lock Nuts
30 锁紧螺母 [美标]
SAE J 514 (080117) - 2004
锁紧螺母
Lock Nuts
31 锁紧螺母 [美标]
SAE J 514 (080118) - 2004
锁紧螺母
Lock Nuts
32 卡套螺母 [美标]
SAE J 1453 (520110A) - 2002
卡套螺母
Union Nuts
33 卡套螺母 [美标]
SAE J 1453 (520110B) - 2002
卡套螺母
Union Nuts
34 锁紧螺母 [美标]
SAE J 1453 (520117) - 2002
锁紧螺母
Lock Nuts
35 锁紧螺母 [美标]
SAE J 1453 (520118) - 2002
锁紧螺母
Lock Nuts
36 外套螺母(03) [船舶]
CB /T 4328 - 2013
外套螺母(03)

37 中间螺纹接头(06) [船舶]
CB /T 4328 - 2013
中间螺纹接头(06)

38 旋入螺纹接头(07) [船舶]
CB /T 4328 - 2013
旋入螺纹接头(07)

39 支管螺纹接头(08) [船舶]
CB /T 4328 - 2013
支管螺纹接头(08)

© 易紧通 服务热线:4006-164580(免长途费)