index
logo

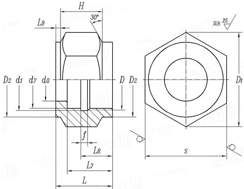
外套螺母(03) CB /T 4328 - 2013

选择规格尺寸 点击↓

3

6

8

10

15

20

25

32


尺寸单位: mm
船舶CB /T4328 - 2013 CB4328 4328CB 外套螺母(03)
CB /T 4328 - 2013 外套螺母(03)
扫一扫分享
千件重及价格计算 千件重 : kg x 元/kg = 元/千件
默认密度 g/cm3
公称直径
DN
3 6 8 10 15 20 25 32
D
L
L7
L8
L9
d1
f
D2
d0
d7
s
D1
H
单重≈kg 碳钢
黄铜
M18×1.5 M22×1.5 M24×1.5 M27×1.5 M36×2 M39×2 M48×2 M56×2
22 23 24 25 33 36 39 44
18 18 19 20 27 28 31 34
12 12 13 14 20 21 23 25
2 2 2 2 2 3 3 3
18.3 22.3 24.3 27.3 36.4 39.4 48.4 56.4
3 3 3 3 5 5 5 5
22 28 30 33 42 45 54 64
10.5 14.5 16.5 19.5 27.5 30.5 39.5 45.5
16.3 20.3 22.3 25.3 33.7 36.7 45.7 53.7
24 30 32 36 46 46 56 65
27.7 34.6 36.9 41.6 53.1 53.1 64.8 75
14 15 15 16 21 22 23 29
0.04 0.08 0.08 0.12 0.20 0.20 0.26 0.46
0.05 0.08 0.09 0.13 0.22 0.21 0.28 0.50
注:技术数据仅供参考,请以官方原件为准!
类似标准及供货信息
1 扩口式管接头用B型螺母 [国标]
GB /T 5648 - 2008
扩口式管接头用B型螺母
Flared Couplings - Style B Nut
供应商(1)
2 金属管接头 - 60°锥形接头 - 焊接芯头用套螺母 [国标]
GB /T 14034.4 - 2023
金属管接头 - 60°锥形接头 - 焊接芯头用套螺母
Metallic Tube Connections - 60° Cone Connectors - Nuts
3 金属管接头 - 60°锥形接头 - 锁紧螺母 [国标]
GB /T 14034.4 - 2023
金属管接头 - 60°锥形接头 - 锁紧螺母
Metallic Tube Connections - 60° Cone Connectors - Lock Nut
4 六角头内外螺纹接头 [国标]
GB /T 14383 (HHB) - 2021
六角头内外螺纹接头

5 无头内外螺纹接头 [国标]
GB /T 14383 (FB) - 2021
无头内外螺纹接头

6 六角头内外螺纹接头 [国标]
GB /T 14383 (HHB) - 2008
六角头内外螺纹接头

7 无头内外螺纹接头 [国标]
GB /T 14383 (FB) - 2008
无头内外螺纹接头

8 卡套式管接头用连接螺母 [国标]
GB /T 3759 - 2008
卡套式管接头用连接螺母
24° Cone Connectors-Nut
9 六角头内外螺纹接头 [国标]
GB /T 14626 (HHB) - 1993
六角头内外螺纹接头

10 无头内外螺纹接头 [国标]
GB /T 14626 (FB) - 1993
无头内外螺纹接头

11 制动管道管接螺母ES型 [德标]
DIN 74233 (-1) - 1991
制动管道管接螺母ES型
Upper Propeller ES form for Load form E According to DIN 74234
12 制动管道管接螺母FS型 [德标]
DIN 74233 (-1) - 1991
制动管道管接螺母FS型
Upper Propeller FS form for Load form E According to DIN 74234
13 卡套式管接头用连接螺母 [国际]
ISO 8434-1 (N) - 2018
卡套式管接头用连接螺母
Tube Nut
供应商(1)
14 管接头用六角薄螺母(锁紧螺母) [国际]
ISO 8434-1 (LN) - 2018
管接头用六角薄螺母(锁紧螺母)
Locknuts
15 金属管接头 - 60°锥形接头 - 锁紧螺母 [国际]
ISO 8434-6 (LN) - 2009
金属管接头 - 60°锥形接头 - 锁紧螺母
Metallic Tube Connections - 60° Cone Connectors - Lock Nut
16 金属管接头 - 60°锥形接头 - 螺母 [国际]
ISO 8434-6 (N) - 2009
金属管接头 - 60°锥形接头 - 螺母
Metallic Tube Connections - 60° Cone Connectors - Nuts
17 锁紧螺母 - 轻型(L型) [国际]
ISO 1179-3 (LN) - 2007
锁紧螺母 - 轻型(L型)
Lock Nut - Light-duty (L Series)
18 锁紧螺母 - 重型(s型) [国际]
ISO 6149-2 (LN) - 2006
锁紧螺母 - 重型(s型)
Lock Nut, Heavy-duty (S series)
19 锁紧螺母 - 轻型(L型) [国际]
ISO 6149-3 (LN) - 2006
锁紧螺母 - 轻型(L型)
Lock Nuts - Light-duty (L Series)
20 24度锥形接头螺母 管螺母 卡套螺母 [表4] [日标]
JIS B 2351-1 (N) - 2000
24度锥形接头螺母 管螺母 卡套螺母 [表4]
Tube Nut
21 扩口式管接头用B型螺母 [汽标代号]
Q 652C
扩口式管接头用B型螺母
Flared Couplings - Style B Nut
22 卡套螺母 [机械行业]
JB /T 1758 - 1991
卡套螺母
Union Nuts
23 活接头六角螺母 [铁道部]
TB /T 777 - 2005
活接头六角螺母

24 活接头六角螺母 [铁道部]
TB /T 777 - 1993
活接头六角螺母

25 VCR 金属垫片面密封接头 - 内螺纹螺母 [标准]
YJT 14014 (VCR)
VCR 金属垫片面密封接头 - 内螺纹螺母
VCR Metal Gasket Face Seal Fittings - Female Nut
26 卡套螺母 [美标]
SAE J 514 (070110) - 2004
卡套螺母
Union Nuts
27 卡套螺母 [美标]
SAE J 514 (080110) - 2004
卡套螺母
Union Nuts
28 卡套螺母 [美标]
SAE J 514 (070112) - 2004
卡套螺母
Union Nuts
29 锁紧螺母 [美标]
SAE J 514 (070117) - 2004
锁紧螺母
Lock Nut
30 锁紧螺母 [美标]
SAE J 514 (070118) - 2004
锁紧螺母
Lock Nuts
31 锁紧螺母 [美标]
SAE J 514 (080117) - 2004
锁紧螺母
Lock Nuts
32 锁紧螺母 [美标]
SAE J 514 (080118) - 2004
锁紧螺母
Lock Nuts
33 卡套螺母 [美标]
SAE J 1453 (520110A) - 2002
卡套螺母
Union Nuts
34 卡套螺母 [美标]
SAE J 1453 (520110B) - 2002
卡套螺母
Union Nuts
35 锁紧螺母 [美标]
SAE J 1453 (520117) - 2002
锁紧螺母
Lock Nuts
36 锁紧螺母 [美标]
SAE J 1453 (520118) - 2002
锁紧螺母
Lock Nuts
37 中间螺纹接头(06) [船舶]
CB /T 4328 - 2013
中间螺纹接头(06)

38 旋入螺纹接头(07) [船舶]
CB /T 4328 - 2013
旋入螺纹接头(07)

39 支管螺纹接头(08) [船舶]
CB /T 4328 - 2013
支管螺纹接头(08)

标准编号: CB /T 4328 - 2013
中文名称: 外套螺母(03)
英文名称:
数据来源: 易紧通 (164580.com)
Standard Code: CB /T 4328 - 2013Chinese Name: 外套螺母(03)English Name: Source: https://www.164580.com/info_396406.html
Data Source: YJT Fastener Database (164580.com)
Standard: CB /T 4328 - 2013
URL: https://www.164580.com/info_396406.html
License: Commercial use requires authorization
© 易紧通 服务热线:4006-164580(免长途费)