index
logo

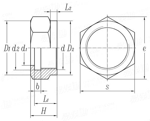
活接头六角螺母 TB /T 777 - 1993

选择规格尺寸 点击↓

M14

M20

M22

M27

M30

M36

M39

M42

M48

M56

M64

M68

M76


尺寸单位: mm
铁道部TB /T777 - 1993 TB777 777TB 活接头六角螺母
TB /T 777 - 1993 活接头六角螺母
扫一扫分享
千件重及价格计算 千件重 : kg x 元/kg = 元/千件
默认密度 g/cm3
螺纹规格
d
M14 M20 M22 M27 M30 M36 M39 M42 M48 M56 M64 M68 M76
P 螺距
d1 最大值
最小值
d2
e
L1
L2
H
s 最大值
最小值
b
单重≈kg
1.5 1.5 1.5 2 2 2 2 2 2 2 2 2 2
10.68 15.68 16.68 20.71 22.71 26.71 28.71 32.75 40.75 45.75 52.8 56.8 67.3
10.5 15.5 16.5 20.5 22.5 26.5 28.5 32.5 40.5 45.5 52.5 56.5 67
14.5 20.5 22.5 27.5 30.5 36.5 39.5 42.5 48.5 56.3 64.5 68.5 76.5
21.9 31.2 31.2 36.9 41.6 53.1 53.1 57.7 69.2 80.8 92.2 98.2 104.1
14 16 17 18 20 20 21 23 24 24 25 28 30
7 7 7 9 9 9 9 11 11 11 11 13 13
18 20 21 23 25 27 27 29 30 31 33 36 38
19 27 27 32 36 46 46 50 60 70 80 85 90
18.16 26.16 26.16 31 35 45 45 49 58.8 68.8 78.8 83.8 88.6
4.5 4.5 4.5 6 6 6 6 6 6 6 6 6 6
0.017 0.05 0.043 0.059 0.085 0.114 0.147 0.184 0.305 0.345 0.579 0.659 0.732
①,D1≈0.9S;D2≈S
②,适用于公称压力小于等于4MPa机车车辆管理用活接头螺母。
③,M56X2、M64X2 、M68X2 、M76X2 四种规格的“S”尺寸允许减小5mm 分别为65、75 、80 、85mm。
替代列表

技术条件和引用标准

材料
螺纹公差
Q235-A,材料的技术要求按GB 700 的规定。
6H
注:技术数据仅供参考,请以官方原件为准!
类似标准及供货信息
1 扩口式管接头用B型螺母 [国标]
GB /T 5648 - 2008
扩口式管接头用B型螺母
Flared Couplings - Style B Nut
供应商(1)
2 金属管接头 - 60°锥形接头 - 焊接芯头用套螺母 [国标]
GB /T 14034.4 - 2023
金属管接头 - 60°锥形接头 - 焊接芯头用套螺母
Metallic Tube Connections - 60° Cone Connectors - Nuts
3 金属管接头 - 60°锥形接头 - 锁紧螺母 [国标]
GB /T 14034.4 - 2023
金属管接头 - 60°锥形接头 - 锁紧螺母
Metallic Tube Connections - 60° Cone Connectors - Lock Nut
4 六角头内外螺纹接头 [国标]
GB /T 14383 (HHB) - 2021
六角头内外螺纹接头

5 无头内外螺纹接头 [国标]
GB /T 14383 (FB) - 2021
无头内外螺纹接头

6 六角头内外螺纹接头 [国标]
GB /T 14383 (HHB) - 2008
六角头内外螺纹接头

7 无头内外螺纹接头 [国标]
GB /T 14383 (FB) - 2008
无头内外螺纹接头

8 卡套式管接头用连接螺母 [国标]
GB /T 3759 - 2008
卡套式管接头用连接螺母
24° Cone Connectors-Nut
9 六角头内外螺纹接头 [国标]
GB /T 14626 (HHB) - 1993
六角头内外螺纹接头

10 无头内外螺纹接头 [国标]
GB /T 14626 (FB) - 1993
无头内外螺纹接头

11 制动管道管接螺母ES型 [德标]
DIN 74233 (-1) - 1991
制动管道管接螺母ES型
Upper Propeller ES form for Load form E According to DIN 74234
12 制动管道管接螺母FS型 [德标]
DIN 74233 (-1) - 1991
制动管道管接螺母FS型
Upper Propeller FS form for Load form E According to DIN 74234
13 卡套式管接头用连接螺母 [国际]
ISO 8434-1 (N) - 2018
卡套式管接头用连接螺母
Tube Nut
供应商(1)
14 管接头用六角薄螺母(锁紧螺母) [国际]
ISO 8434-1 (LN) - 2018
管接头用六角薄螺母(锁紧螺母)
Locknuts
15 金属管接头 - 60°锥形接头 - 锁紧螺母 [国际]
ISO 8434-6 (LN) - 2009
金属管接头 - 60°锥形接头 - 锁紧螺母
Metallic Tube Connections - 60° Cone Connectors - Lock Nut
16 金属管接头 - 60°锥形接头 - 螺母 [国际]
ISO 8434-6 (N) - 2009
金属管接头 - 60°锥形接头 - 螺母
Metallic Tube Connections - 60° Cone Connectors - Nuts
17 锁紧螺母 - 轻型(L型) [国际]
ISO 1179-3 (LN) - 2007
锁紧螺母 - 轻型(L型)
Lock Nut - Light-duty (L Series)
18 锁紧螺母 - 重型(s型) [国际]
ISO 6149-2 (LN) - 2006
锁紧螺母 - 重型(s型)
Lock Nut, Heavy-duty (S series)
19 锁紧螺母 - 轻型(L型) [国际]
ISO 6149-3 (LN) - 2006
锁紧螺母 - 轻型(L型)
Lock Nuts - Light-duty (L Series)
20 24度锥形接头螺母 管螺母 卡套螺母 [表4] [日标]
JIS B 2351-1 (N) - 2000
24度锥形接头螺母 管螺母 卡套螺母 [表4]
Tube Nut
21 扩口式管接头用B型螺母 [汽标代号]
Q 652C
扩口式管接头用B型螺母
Flared Couplings - Style B Nut
22 卡套螺母 [机械行业]
JB /T 1758 - 1991
卡套螺母
Union Nuts
23 活接头六角螺母 [铁道部]
TB /T 777 - 2005
活接头六角螺母

24 VCR 金属垫片面密封接头 - 内螺纹螺母 [标准]
YJT 14014 (VCR)
VCR 金属垫片面密封接头 - 内螺纹螺母
VCR Metal Gasket Face Seal Fittings - Female Nut
25 卡套螺母 [美标]
SAE J 514 (070110) - 2004
卡套螺母
Union Nuts
26 卡套螺母 [美标]
SAE J 514 (080110) - 2004
卡套螺母
Union Nuts
27 卡套螺母 [美标]
SAE J 514 (070112) - 2004
卡套螺母
Union Nuts
28 锁紧螺母 [美标]
SAE J 514 (070117) - 2004
锁紧螺母
Lock Nut
29 锁紧螺母 [美标]
SAE J 514 (070118) - 2004
锁紧螺母
Lock Nuts
30 锁紧螺母 [美标]
SAE J 514 (080117) - 2004
锁紧螺母
Lock Nuts
31 锁紧螺母 [美标]
SAE J 514 (080118) - 2004
锁紧螺母
Lock Nuts
32 卡套螺母 [美标]
SAE J 1453 (520110A) - 2002
卡套螺母
Union Nuts
33 卡套螺母 [美标]
SAE J 1453 (520110B) - 2002
卡套螺母
Union Nuts
34 锁紧螺母 [美标]
SAE J 1453 (520117) - 2002
锁紧螺母
Lock Nuts
35 锁紧螺母 [美标]
SAE J 1453 (520118) - 2002
锁紧螺母
Lock Nuts
36 外套螺母(03) [船舶]
CB /T 4328 - 2013
外套螺母(03)

37 中间螺纹接头(06) [船舶]
CB /T 4328 - 2013
中间螺纹接头(06)

38 旋入螺纹接头(07) [船舶]
CB /T 4328 - 2013
旋入螺纹接头(07)

39 支管螺纹接头(08) [船舶]
CB /T 4328 - 2013
支管螺纹接头(08)

© 易紧通 服务热线:4006-164580(免长途费)