index
logo

卡套螺母 SAE J 1453 (520110B) - 2002

选择规格尺寸 点击↓

0.2500

0.3750

0.5000

0.6250

0.7500

0.8750

1.0000

1.2500

1.5000


尺寸单位: inch
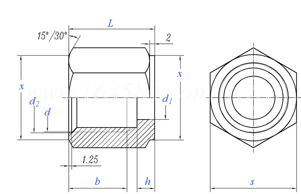
美标SAE J1453 (520110B) - 2002 SAE1453 145 卡套螺母
SAE J 1453 (520110B) - 2002 卡套螺母
扫一扫分享
管外径
0.2500 0.3750 0.5000 0.6250 0.7500 0.8750 1.0000 1.2500 1.5000
d
PP 牙数
s 毫米
英寸
d1 毫米 ±0.08
英寸 ±0.003
h 毫米 ±0.25
英寸 ±0.01
b 毫米 最小值
英寸 最小值
L 毫米 ±0.25
英寸 ±0.01
d2 毫米 ±0.25
英寸 ±0.01
x 毫米 ±0.3
英寸 ±0.01
9/16 11/16 13/16 1 1-3/16 1-3/16 1-7/16 1-11/16 2
18 16 16 14 12 12 12 12 12
17.46 20.64 23.81 28.58 34.92 34.92 41.28 47.62 57.15
0.687 0.812 0.938 1.125 1.375 1.375 1.625 1.875 2.250
10.46 13.51 16.56 21.06 24.13 25.04 29.06 35.94 43.89
0.412 0.532 0.652 0.829 0.950 0.986 1.144 1.415 1.728
2.5 3 5 4 5 5 6 6 6
0.098 0.118 0.197 0.157 0.197 0.197 0.236 0.236 0.236
9 10.3 11.9 14.5 15.5 15.5 16 16 16
0.35 0.41 0.47 0.57 0.61 0.61 0.63 0.63 0.63
14.7 17 21 23.5 26 30.86 27.8 27.8 27.8
0.580 0.670 0.827 0.925 1.024 1.215 1.095 1.095 1.095
/ / / 25.91 30.68 30.68 37.03 43.38 51.31
/ / / 1.020 1.208 1.208 1.458 1.708 2.020
17 20.3 23.5 28.2 34.6 34.6 41 47.2 56.9
0.67 0.80 0.92 1.11 1.36 1.36 1.61 1.86 2.24
注:技术数据仅供参考,请以官方原件为准!
类似标准及供货信息
1 扩口式管接头用B型螺母 [国标]
GB /T 5648 - 2008
扩口式管接头用B型螺母
Flared Couplings - Style B Nut
供应商(1)
2 金属管接头 - 60°锥形接头 - 焊接芯头用套螺母 [国标]
GB /T 14034.4 - 2023
金属管接头 - 60°锥形接头 - 焊接芯头用套螺母
Metallic Tube Connections - 60° Cone Connectors - Nuts
3 金属管接头 - 60°锥形接头 - 锁紧螺母 [国标]
GB /T 14034.4 - 2023
金属管接头 - 60°锥形接头 - 锁紧螺母
Metallic Tube Connections - 60° Cone Connectors - Lock Nut
4 六角头内外螺纹接头 [国标]
GB /T 14383 (HHB) - 2021
六角头内外螺纹接头

5 无头内外螺纹接头 [国标]
GB /T 14383 (FB) - 2021
无头内外螺纹接头

6 六角头内外螺纹接头 [国标]
GB /T 14383 (HHB) - 2008
六角头内外螺纹接头

7 无头内外螺纹接头 [国标]
GB /T 14383 (FB) - 2008
无头内外螺纹接头

8 卡套式管接头用连接螺母 [国标]
GB /T 3759 - 2008
卡套式管接头用连接螺母
24° Cone Connectors-Nut
9 六角头内外螺纹接头 [国标]
GB /T 14626 (HHB) - 1993
六角头内外螺纹接头

10 无头内外螺纹接头 [国标]
GB /T 14626 (FB) - 1993
无头内外螺纹接头

11 制动管道管接螺母ES型 [德标]
DIN 74233 (-1) - 1991
制动管道管接螺母ES型
Upper Propeller ES form for Load form E According to DIN 74234
12 制动管道管接螺母FS型 [德标]
DIN 74233 (-1) - 1991
制动管道管接螺母FS型
Upper Propeller FS form for Load form E According to DIN 74234
13 卡套式管接头用连接螺母 [国际]
ISO 8434-1 (N) - 2018
卡套式管接头用连接螺母
Tube Nut
供应商(1)
14 管接头用六角薄螺母(锁紧螺母) [国际]
ISO 8434-1 (LN) - 2018
管接头用六角薄螺母(锁紧螺母)
Locknuts
15 金属管接头 - 60°锥形接头 - 锁紧螺母 [国际]
ISO 8434-6 (LN) - 2009
金属管接头 - 60°锥形接头 - 锁紧螺母
Metallic Tube Connections - 60° Cone Connectors - Lock Nut
16 金属管接头 - 60°锥形接头 - 螺母 [国际]
ISO 8434-6 (N) - 2009
金属管接头 - 60°锥形接头 - 螺母
Metallic Tube Connections - 60° Cone Connectors - Nuts
17 锁紧螺母 - 轻型(L型) [国际]
ISO 1179-3 (LN) - 2007
锁紧螺母 - 轻型(L型)
Lock Nut - Light-duty (L Series)
18 锁紧螺母 - 重型(s型) [国际]
ISO 6149-2 (LN) - 2006
锁紧螺母 - 重型(s型)
Lock Nut, Heavy-duty (S series)
19 锁紧螺母 - 轻型(L型) [国际]
ISO 6149-3 (LN) - 2006
锁紧螺母 - 轻型(L型)
Lock Nuts - Light-duty (L Series)
20 24度锥形接头螺母 管螺母 卡套螺母 [表4] [日标]
JIS B 2351-1 (N) - 2000
24度锥形接头螺母 管螺母 卡套螺母 [表4]
Tube Nut
21 扩口式管接头用B型螺母 [汽标代号]
Q 652C
扩口式管接头用B型螺母
Flared Couplings - Style B Nut
22 卡套螺母 [机械行业]
JB /T 1758 - 1991
卡套螺母
Union Nuts
23 活接头六角螺母 [铁道部]
TB /T 777 - 2005
活接头六角螺母

24 活接头六角螺母 [铁道部]
TB /T 777 - 1993
活接头六角螺母

25 VCR 金属垫片面密封接头 - 内螺纹螺母 [标准]
YJT 14014 (VCR)
VCR 金属垫片面密封接头 - 内螺纹螺母
VCR Metal Gasket Face Seal Fittings - Female Nut
26 卡套螺母 [美标]
SAE J 514 (070110) - 2004
卡套螺母
Union Nuts
27 卡套螺母 [美标]
SAE J 514 (080110) - 2004
卡套螺母
Union Nuts
28 卡套螺母 [美标]
SAE J 514 (070112) - 2004
卡套螺母
Union Nuts
29 锁紧螺母 [美标]
SAE J 514 (070117) - 2004
锁紧螺母
Lock Nut
30 锁紧螺母 [美标]
SAE J 514 (070118) - 2004
锁紧螺母
Lock Nuts
31 锁紧螺母 [美标]
SAE J 514 (080117) - 2004
锁紧螺母
Lock Nuts
32 锁紧螺母 [美标]
SAE J 514 (080118) - 2004
锁紧螺母
Lock Nuts
33 卡套螺母 [美标]
SAE J 1453 (520110A) - 2002
卡套螺母
Union Nuts
34 锁紧螺母 [美标]
SAE J 1453 (520117) - 2002
锁紧螺母
Lock Nuts
35 锁紧螺母 [美标]
SAE J 1453 (520118) - 2002
锁紧螺母
Lock Nuts
36 外套螺母(03) [船舶]
CB /T 4328 - 2013
外套螺母(03)

37 中间螺纹接头(06) [船舶]
CB /T 4328 - 2013
中间螺纹接头(06)

38 旋入螺纹接头(07) [船舶]
CB /T 4328 - 2013
旋入螺纹接头(07)

39 支管螺纹接头(08) [船舶]
CB /T 4328 - 2013
支管螺纹接头(08)

标准编号: SAE J 1453 (520110B) - 2002
中文名称: 卡套螺母
英文名称: Union Nuts
数据来源: 易紧通 (164580.com)
Standard Code: SAE J 1453 (520110B) - 2002Chinese Name: 卡套螺母English Name: Union NutsSource: https://www.164580.com/info_388178.html
Data Source: YJT Fastener Database (164580.com)
Standard: SAE J 1453 (520110B) - 2002
URL: https://www.164580.com/info_388178.html
License: Commercial use requires authorization
© 易紧通 服务热线:4006-164580(免长途费)