index
logo

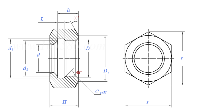
卡套螺母 JB /T 1758 - 1991

选择规格尺寸 点击↓

6

10

15

20

25


尺寸单位: mm
机械行业JB /T1758 - 1991 JB1758 1758JB 卡套螺母
JB /T 1758 - 1991 卡套螺母
扫一扫分享
千件重及价格计算 千件重 : kg x 元/kg = 元/千件
默认密度 g/cm3
公称通径
6 10 15 20 25
D
d 公称
最大值
最小值
d1
d2
e
D1
s
H
h
L
C
单重≈kg
M20×1.5 M24×1.5 M30×2 M36×2 M42×2
14 18 22 28 34
14.4 18.4 22.4 28.4 34.4
14.3 18.3 22.3 28.3 34.3
20.5 24.5 30.5 36.5 42.5
19 23 27 34 41
27.7 34.6 41.5 47.3 57.7
22.6 28.5 34.2 39 47.5
24 30 36 41 50
20 20 22 22 26
14 15 16 17 18
4 4 5 5 5
1.5 1.5 2 2 2
0.04 0.06 0.09 0.1 0.12
①,材料:35,技术条件按 GB 699 的规定。
②,普通螺纹尺寸按 GB 196 的规定,公差按 GB 197 的规定。
③,未注公差尺寸的公差等级按 GB 1804 规定的 IT14。
注:技术数据仅供参考,请以官方原件为准!
类似标准及供货信息
1 扩口式管接头用B型螺母 [国标]
GB /T 5648 - 2008
扩口式管接头用B型螺母
Flared Couplings - Style B Nut
供应商(1)
2 金属管接头 - 60°锥形接头 - 焊接芯头用套螺母 [国标]
GB /T 14034.4 - 2023
金属管接头 - 60°锥形接头 - 焊接芯头用套螺母
Metallic Tube Connections - 60° Cone Connectors - Nuts
3 金属管接头 - 60°锥形接头 - 锁紧螺母 [国标]
GB /T 14034.4 - 2023
金属管接头 - 60°锥形接头 - 锁紧螺母
Metallic Tube Connections - 60° Cone Connectors - Lock Nut
4 六角头内外螺纹接头 [国标]
GB /T 14383 (HHB) - 2021
六角头内外螺纹接头

5 无头内外螺纹接头 [国标]
GB /T 14383 (FB) - 2021
无头内外螺纹接头

6 六角头内外螺纹接头 [国标]
GB /T 14383 (HHB) - 2008
六角头内外螺纹接头

7 无头内外螺纹接头 [国标]
GB /T 14383 (FB) - 2008
无头内外螺纹接头

8 卡套式管接头用连接螺母 [国标]
GB /T 3759 - 2008
卡套式管接头用连接螺母
24° Cone Connectors-Nut
9 六角头内外螺纹接头 [国标]
GB /T 14626 (HHB) - 1993
六角头内外螺纹接头

10 无头内外螺纹接头 [国标]
GB /T 14626 (FB) - 1993
无头内外螺纹接头

11 制动管道管接螺母ES型 [德标]
DIN 74233 (-1) - 1991
制动管道管接螺母ES型
Upper Propeller ES form for Load form E According to DIN 74234
12 制动管道管接螺母FS型 [德标]
DIN 74233 (-1) - 1991
制动管道管接螺母FS型
Upper Propeller FS form for Load form E According to DIN 74234
13 卡套式管接头用连接螺母 [国际]
ISO 8434-1 (N) - 2018
卡套式管接头用连接螺母
Tube Nut
供应商(1)
14 管接头用六角薄螺母(锁紧螺母) [国际]
ISO 8434-1 (LN) - 2018
管接头用六角薄螺母(锁紧螺母)
Locknuts
15 金属管接头 - 60°锥形接头 - 锁紧螺母 [国际]
ISO 8434-6 (LN) - 2009
金属管接头 - 60°锥形接头 - 锁紧螺母
Metallic Tube Connections - 60° Cone Connectors - Lock Nut
16 金属管接头 - 60°锥形接头 - 螺母 [国际]
ISO 8434-6 (N) - 2009
金属管接头 - 60°锥形接头 - 螺母
Metallic Tube Connections - 60° Cone Connectors - Nuts
17 锁紧螺母 - 轻型(L型) [国际]
ISO 1179-3 (LN) - 2007
锁紧螺母 - 轻型(L型)
Lock Nut - Light-duty (L Series)
18 锁紧螺母 - 重型(s型) [国际]
ISO 6149-2 (LN) - 2006
锁紧螺母 - 重型(s型)
Lock Nut, Heavy-duty (S series)
19 锁紧螺母 - 轻型(L型) [国际]
ISO 6149-3 (LN) - 2006
锁紧螺母 - 轻型(L型)
Lock Nuts - Light-duty (L Series)
20 24度锥形接头螺母 管螺母 卡套螺母 [表4] [日标]
JIS B 2351-1 (N) - 2000
24度锥形接头螺母 管螺母 卡套螺母 [表4]
Tube Nut
21 扩口式管接头用B型螺母 [汽标代号]
Q 652C
扩口式管接头用B型螺母
Flared Couplings - Style B Nut
22 活接头六角螺母 [铁道部]
TB /T 777 - 2005
活接头六角螺母

23 活接头六角螺母 [铁道部]
TB /T 777 - 1993
活接头六角螺母

24 VCR 金属垫片面密封接头 - 内螺纹螺母 [标准]
YJT 14014 (VCR)
VCR 金属垫片面密封接头 - 内螺纹螺母
VCR Metal Gasket Face Seal Fittings - Female Nut
25 卡套螺母 [美标]
SAE J 514 (070110) - 2004
卡套螺母
Union Nuts
26 卡套螺母 [美标]
SAE J 514 (080110) - 2004
卡套螺母
Union Nuts
27 卡套螺母 [美标]
SAE J 514 (070112) - 2004
卡套螺母
Union Nuts
28 锁紧螺母 [美标]
SAE J 514 (070117) - 2004
锁紧螺母
Lock Nut
29 锁紧螺母 [美标]
SAE J 514 (070118) - 2004
锁紧螺母
Lock Nuts
30 锁紧螺母 [美标]
SAE J 514 (080117) - 2004
锁紧螺母
Lock Nuts
31 锁紧螺母 [美标]
SAE J 514 (080118) - 2004
锁紧螺母
Lock Nuts
32 卡套螺母 [美标]
SAE J 1453 (520110A) - 2002
卡套螺母
Union Nuts
33 卡套螺母 [美标]
SAE J 1453 (520110B) - 2002
卡套螺母
Union Nuts
34 锁紧螺母 [美标]
SAE J 1453 (520117) - 2002
锁紧螺母
Lock Nuts
35 锁紧螺母 [美标]
SAE J 1453 (520118) - 2002
锁紧螺母
Lock Nuts
36 外套螺母(03) [船舶]
CB /T 4328 - 2013
外套螺母(03)

37 中间螺纹接头(06) [船舶]
CB /T 4328 - 2013
中间螺纹接头(06)

38 旋入螺纹接头(07) [船舶]
CB /T 4328 - 2013
旋入螺纹接头(07)

39 支管螺纹接头(08) [船舶]
CB /T 4328 - 2013
支管螺纹接头(08)

标准编号: JB /T 1758 - 1991
中文名称: 卡套螺母
英文名称: Union Nuts
数据来源: 易紧通 (164580.com)
Standard Code: JB /T 1758 - 1991Chinese Name: 卡套螺母English Name: Union NutsSource: https://www.164580.com/info_404481.html
Data Source: YJT Fastener Database (164580.com)
Standard: JB /T 1758 - 1991
URL: https://www.164580.com/info_404481.html
License: Commercial use requires authorization
© 易紧通 服务热线:4006-164580(免长途费)