index
logo

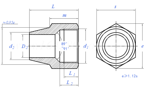
扩口式管接头用B型螺母 GB /T 5648 - 2008

查看供应商

选择规格尺寸 点击↓

4

5

6

8

10

12

14

16

18


尺寸单位: mm
国标GB /T5648 - 2008 GB5648 5648GB 扩口式管接头用B型螺母
GB /T 5648 - 2008 扩口式管接头用B型螺母
扫一扫分享
管外径
4 5 6 8 10 12 14 16 18
d1
D2 公称
最大值
最小值
d2
L2
L1
L
m
s
M10*1 M10*1 M12*1.5 M14*1.5 M16*1.5 M18*1.5 M22*1.5 M24*1.5 M27*1.5
4 5 6 8 10 12 14 16 18
4.25 5.25 6.25 8.25 10.25 12.25 14.25 16.25 18.25
4.15 5.15 6.15 8.15 10.15 12.15 14.15 16.15 18.15
6 8 9 11 14 16 17 19 22
7 7 9.5 11 11.5 11.5 12 13 14
5 5 7 8 8.5 8.5 9 10 11
16 16 16 20 26 28 32 34 38
10 10 10 12 14 16 18 20 22
12 12 14 17 19 22 27 27 30
①,技术要求按 GB/T 5653 的规定。
注:技术数据仅供参考,请以官方原件为准!
告诉我在“易紧通”看到,将给您优惠
联系人:刘晓文 点击这里给我发消息2574544008   移动电话: 18914518989     电话:0523-83987158     微信号:18914518989
材质:304、316、321、310S、2205、2507、Q235、45#、5083铝、6061铝、59铜等 规格:DW4-DW18 表面处理:发黑、洗白 其他:螺纹通止规、可订制.
类似标准及供货信息
1 金属管接头 - 60°锥形接头 - 焊接芯头用套螺母 [国标]
GB /T 14034.4 - 2023
金属管接头 - 60°锥形接头 - 焊接芯头用套螺母
Metallic Tube Connections - 60° Cone Connectors - Nuts
2 金属管接头 - 60°锥形接头 - 锁紧螺母 [国标]
GB /T 14034.4 - 2023
金属管接头 - 60°锥形接头 - 锁紧螺母
Metallic Tube Connections - 60° Cone Connectors - Lock Nut
3 六角头内外螺纹接头 [国标]
GB /T 14383 (HHB) - 2021
六角头内外螺纹接头

4 无头内外螺纹接头 [国标]
GB /T 14383 (FB) - 2021
无头内外螺纹接头

5 六角头内外螺纹接头 [国标]
GB /T 14383 (HHB) - 2008
六角头内外螺纹接头

6 无头内外螺纹接头 [国标]
GB /T 14383 (FB) - 2008
无头内外螺纹接头

7 卡套式管接头用连接螺母 [国标]
GB /T 3759 - 2008
卡套式管接头用连接螺母
24° Cone Connectors-Nut
8 六角头内外螺纹接头 [国标]
GB /T 14626 (HHB) - 1993
六角头内外螺纹接头

9 无头内外螺纹接头 [国标]
GB /T 14626 (FB) - 1993
无头内外螺纹接头

10 制动管道管接螺母ES型 [德标]
DIN 74233 (-1) - 1991
制动管道管接螺母ES型
Upper Propeller ES form for Load form E According to DIN 74234
11 制动管道管接螺母FS型 [德标]
DIN 74233 (-1) - 1991
制动管道管接螺母FS型
Upper Propeller FS form for Load form E According to DIN 74234
12 卡套式管接头用连接螺母 [国际]
ISO 8434-1 (N) - 2018
卡套式管接头用连接螺母
Tube Nut
供应商(1)
13 管接头用六角薄螺母(锁紧螺母) [国际]
ISO 8434-1 (LN) - 2018
管接头用六角薄螺母(锁紧螺母)
Locknuts
14 金属管接头 - 60°锥形接头 - 锁紧螺母 [国际]
ISO 8434-6 (LN) - 2009
金属管接头 - 60°锥形接头 - 锁紧螺母
Metallic Tube Connections - 60° Cone Connectors - Lock Nut
15 金属管接头 - 60°锥形接头 - 螺母 [国际]
ISO 8434-6 (N) - 2009
金属管接头 - 60°锥形接头 - 螺母
Metallic Tube Connections - 60° Cone Connectors - Nuts
16 锁紧螺母 - 轻型(L型) [国际]
ISO 1179-3 (LN) - 2007
锁紧螺母 - 轻型(L型)
Lock Nut - Light-duty (L Series)
17 锁紧螺母 - 重型(s型) [国际]
ISO 6149-2 (LN) - 2006
锁紧螺母 - 重型(s型)
Lock Nut, Heavy-duty (S series)
18 锁紧螺母 - 轻型(L型) [国际]
ISO 6149-3 (LN) - 2006
锁紧螺母 - 轻型(L型)
Lock Nuts - Light-duty (L Series)
19 24度锥形接头螺母 管螺母 卡套螺母 [表4] [日标]
JIS B 2351-1 (N) - 2000
24度锥形接头螺母 管螺母 卡套螺母 [表4]
Tube Nut
20 扩口式管接头用B型螺母 [汽标代号]
Q 652C
扩口式管接头用B型螺母
Flared Couplings - Style B Nut
21 卡套螺母 [机械行业]
JB /T 1758 - 1991
卡套螺母
Union Nuts
22 活接头六角螺母 [铁道部]
TB /T 777 - 2005
活接头六角螺母

23 活接头六角螺母 [铁道部]
TB /T 777 - 1993
活接头六角螺母

24 VCR 金属垫片面密封接头 - 内螺纹螺母 [标准]
YJT 14014 (VCR)
VCR 金属垫片面密封接头 - 内螺纹螺母
VCR Metal Gasket Face Seal Fittings - Female Nut
25 卡套螺母 [美标]
SAE J 514 (070110) - 2004
卡套螺母
Union Nuts
26 卡套螺母 [美标]
SAE J 514 (080110) - 2004
卡套螺母
Union Nuts
27 卡套螺母 [美标]
SAE J 514 (070112) - 2004
卡套螺母
Union Nuts
28 锁紧螺母 [美标]
SAE J 514 (070117) - 2004
锁紧螺母
Lock Nut
29 锁紧螺母 [美标]
SAE J 514 (070118) - 2004
锁紧螺母
Lock Nuts
30 锁紧螺母 [美标]
SAE J 514 (080117) - 2004
锁紧螺母
Lock Nuts
31 锁紧螺母 [美标]
SAE J 514 (080118) - 2004
锁紧螺母
Lock Nuts
32 卡套螺母 [美标]
SAE J 1453 (520110A) - 2002
卡套螺母
Union Nuts
33 卡套螺母 [美标]
SAE J 1453 (520110B) - 2002
卡套螺母
Union Nuts
34 锁紧螺母 [美标]
SAE J 1453 (520117) - 2002
锁紧螺母
Lock Nuts
35 锁紧螺母 [美标]
SAE J 1453 (520118) - 2002
锁紧螺母
Lock Nuts
36 外套螺母(03) [船舶]
CB /T 4328 - 2013
外套螺母(03)

37 中间螺纹接头(06) [船舶]
CB /T 4328 - 2013
中间螺纹接头(06)

38 旋入螺纹接头(07) [船舶]
CB /T 4328 - 2013
旋入螺纹接头(07)

39 支管螺纹接头(08) [船舶]
CB /T 4328 - 2013
支管螺纹接头(08)

标准编号: GB /T 5648 - 2008
中文名称: 扩口式管接头用B型螺母
英文名称: Flared Couplings - Style B Nut
数据来源: 易紧通 (164580.com)
Standard Code: GB /T 5648 - 2008Chinese Name: 扩口式管接头用B型螺母English Name: Flared Couplings - Style B NutSource: https://www.164580.com/info_343230.html
Data Source: YJT Fastener Database (164580.com)
Standard: GB /T 5648 - 2008
URL: https://www.164580.com/info_343230.html
License: Commercial use requires authorization
© 易紧通 服务热线:4006-164580(免长途费)