index
logo

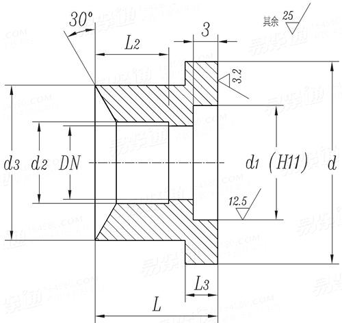
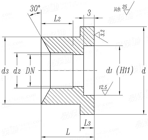
异径平肩接头(02) CB /T 4328 - 2013

选择规格尺寸 点击↓

6 (3)

8 (3)

8 (6)

10 (6)

10 (8)

15 (8)

15 (10)

20 (10)

20 (15)

25 (15)

25 (20)

32 (20)

32 (25)


尺寸单位: mm
船舶CB /T4328 - 2013 CB4328 4328CB 异径平肩接头(02)
CB /T 4328 - 2013 异径平肩接头(02)
扫一扫分享
千件重及价格计算 千件重 : kg x 元/kg = 元/千件
默认密度 g/cm3
公称直径
DN
6
(3)
8
(3)
8
(6)
10
(6)
10
(8)
15
(8)
15
(10)
20
(10)
20
(15)
25
(15)
25
(20)
32
(20)
32
(25)
L
L2
L3
d
d1
d2 钢管
铜管
d3
单重≈kg 碳钢
不锈钢
黄铜
青铜
铁白铜
13 14 14 15 15 19 19 21 21 23 23 25 25
7 8 8 9 9 13 13 14 14 15 15 16 16
4 4 4 4 4 5 5 5 5 5 5 6 6
19.8 21.8 21.8 24.8 24.8 33 33 36 36 45 45 53 53
10 12 12 14 14 22 22 25 25 32 32 38 38
6.5 6.5 10.5 10.5 12.5 12.5 14.5 14.5 22.5 22.5 25.5 25.5 32.5
6 6 9 9 12 12 14 14 22 22 24 24 32
14 16 16 19 19 27 27 30 30 39 39 45 45
0.02 0.03 0.02 0.03 0.03 0.08 0.07 0.10 0.07 0.16 0.15 0.24 0.19
0.02 0.03 0.02 0.03 0.03 0.08 0.07 0.10 0.07 0.16 0.15 0.25 0.20
0.02 0.03 0.02 0.03 0.03 0.08 0.08 0.11 0.08 0.17 0.16 0.27 0.21
0.02 0 .03 0.02 0.03 0.03 0.07 0.07 0.10 0.07 0.16 0.14 0.24 0.19
0.02 0.03 0.02 0.04 0.03 0.08 0.08 0.11 0.08 0.18 0.17 0.27 0.21
注:技术数据仅供参考,请以官方原件为准!
类似标准及供货信息
1 卡套式过板直通管接头体 [国标]
GB /T 3748 - 2008
卡套式过板直通管接头体
24° Cone Connectors - Bulkhead Union
供应商(1)
2 带F型柱端的卡套式端直通管接头 [国标]
GB /T 3733 (F) - 2008
带F型柱端的卡套式端直通管接头
24° Cone Connectors - Straight Thread, Type F
3 带E型柱端的卡套式端直通管接头 [国标]
GB /T 3733 (E) - 2008
带E型柱端的卡套式端直通管接头
24° Cone Connectors - Straight Thread, Type E
4 带B型柱端的卡套式端直通管接头 [国标]
GB /T 3733 (B) - 2008
带B型柱端的卡套式端直通管接头
24° Cone Connectors - Straight Thread, Type B
5 带A型柱端的卡套式端直通管接头 [国标]
GB /T 3733 (A) - 2008
带A型柱端的卡套式端直通管接头
24° Cone Connectors - Straight Thread, Type A
6 卡套式直通管接头 [国标]
GB /T 3737 - 2008
卡套式直通管接头
24° Cone Connectors - Union
7 卡套式弯通管接头 [国标]
GB /T 3740 - 2008
卡套式弯通管接头
24° Cone Connectors - Union Elbow
8 卡套式四通管接头 [国标]
GB /T 3746 - 2008
卡套式四通管接头
24° Cone Connectors - Union Cross
9 卡套式焊接管接头 [国标]
GB /T 3747 - 2008
卡套式焊接管接头
24° Cone Connectors - Weld Male
10 卡套式锥密封组合弯通管接头 [国标]
GB /T 3754 - 2008
卡套式锥密封组合弯通管接头
24° Cone Connectors - Swivel Elbow with O-ring
11 卡套式锥密封组合直通管接头 [国标]
GB /T 3756 - 2008
卡套式锥密封组合直通管接头
24° Cone Connectors - Swivel Stud Straight Adapter with O-ring with Shud End
12 卡套式过板焊接接管接头 [国标]
GB /T 3757 - 2008
卡套式过板焊接接管接头
24° Cone Connectors - Weld-in Bulkhead Straight Connector
13 卡套式管接头用锥密封焊接接管 [国标]
GB /T 3758 - 2008
卡套式管接头用锥密封焊接接管
24° Cone Connectors - Weld-on Nipple
14 卡套式管接头用锥密封堵头 [国标]
GB /T 3760 - 2008
卡套式管接头用锥密封堵头
24° Cone Connectors - Plug with O-ring
15 卡套 [国标]
GB /T 3764 - 2008
卡套
24° Cone Connectors - Ferrule
16 卡套式端直通管接头 [国标]
GB /T 3733.1 - 1983
卡套式端直通管接头
Straight Thread Connector - Assembly
17 卡套式锥螺纹直通接头体 [国标]
GB 3734.2 - 1983
卡套式锥螺纹直通接头体
Male Connector - Body
18 卡套式三通管接头 [国标]
GB 3745.1 - 1983
卡套式三通管接头
Unlon tee-Assembly
19 卡套式压力表管接头 [国标]
GB 3751.1 - 1983
卡套式压力表管接头
Connector for Pressure Gauge - Assembly
20 卡套式压力表接头体 [国标]
GB 3751.2 - 1983
卡套式压力表接头体
Connector for Pressure Gauge - Body
21 管件结构 [国标]
GB 3289.1 - 1982
管件结构

22 可锻铸铁管路连接件型式尺寸 三通 内外丝三通 [国标]
GB 3289.10 - 1982
可锻铸铁管路连接件型式尺寸 三通 内外丝三通
Malleable Cast Iron Pipe Fittings - Type Size - Tees, Male and Female Tees
23 可锻铁管路连接件型式尺寸 弯头 内外丝弯头 [国标]
GB 3289.2 - 1982
可锻铁管路连接件型式尺寸 弯头 内外丝弯头
Malleable Cast Iron Pipe Fittings - Type Size - Elbows Male and Female Elbows
24 可锻铸铁管路连接件型式尺寸 四通 [国标]
GB 3289.20 - 1982
可锻铸铁管路连接件型式尺寸 四通
Malleable Cast Iron Pipe Fittings - Type Size - Crosses
25 可锻铸铁管路连接件型式尺寸 外接头 内外丝接头 [国标]
GB 3289.22 - 1982
可锻铸铁管路连接件型式尺寸 外接头 内外丝接头
Malleable Cast Iron Pipe Fittings - Type Size - Male Joints (Sockets), Male and Female Joints (Sockets)
26 可锻铸铁管路连接件型式尺寸 无方内接头 [国标]
GB 3289.23 - 1982
可锻铸铁管路连接件型式尺寸 无方内接头
Malleable Cast Iron Pipe Fittings - Type Size - No - Square Inner Joint (Nipples)
27 可锻铁管路连接件型式尺寸 45°弯头 45°内外丝弯头 [国标]
GB 3289.3 - 1982
可锻铁管路连接件型式尺寸 45°弯头 45°内外丝弯头
Malleable Cast Iron Pipe Fittings - Type Size - Elbows 45°, Male and Female Elbows 45°
28 可锻铸铁管路连接件型式尺寸 U型弯头 [国标]
GB 3289.9 - 1982
可锻铸铁管路连接件型式尺寸 U型弯头
Malleable Cast Iron Pipe Fittings - Type Size - U Elbows (Return Bends)
29 符合DIN 3852-1和DIN 3852-2中C型锥形管螺纹连接的卡套式接头 [德标]
DIN 2353 - 2013
符合DIN 3852-1和DIN 3852-2中C型锥形管螺纹连接的卡套式接头
Non-soldering Compression Fittings with Cutting Ring for Screwed Connections with Tapered Screw-in Spigot form C According to DIN 3852-1 and DIN 3852-2
30 符合DIN 3852-1,DIN 3852-2的带有A或B型管螺纹的接头  - 直通 [德标]
DIN 2353 - 2013
符合DIN 3852-1,DIN 3852-2的带有A或B型管螺纹的接头 - 直通
Non-soldering Compression Fittings with Cylindrical Screw-in Pins form A or B According to DIN 3852-1, DIN 3852-2
31 符合DIN 3852-1,DIN 3852-2的带有A或B型管螺纹的接头 - 弯通,L形,T形 [德标]
DIN 2353 - 2013
符合DIN 3852-1,DIN 3852-2的带有A或B型管螺纹的接头 - 弯通,L形,T形
Screw-in Fittings with Tapered Screw-in Pins Form A oder B Nach DIN 3852-1, DIN 3852-2
32 卡套式端直通管接头体,填料密封(E),普通螺纹端(M) [国际]
ISO 8434-1 (SDS-E-M) - 2018
卡套式端直通管接头体,填料密封(E),普通螺纹端(M)
Stud Connectors with Stud End, Elastomeric Sealing (E), Metric Screw Thread(M)
供应商(1)
33 卡套式端直通管接头体,填料密封(E),55°非密封管螺纹端(G) [国际]
ISO 8434-1 (SDS-E-G) - 2018
卡套式端直通管接头体,填料密封(E),55°非密封管螺纹端(G)
Stud Connectors with Stud End, Elastomeric Sealing (E), Pipe Thread (G)
供应商(1)
34 卡套式焊接直通管接头体 [国际]
ISO 8434-1 (WDS) - 2018
卡套式焊接直通管接头体
Weld-on Straight Connector
供应商(1)
35 卡套式管接头用,锥密封堵头,O形圈密封 [国际]
ISO 8434-1 (PL) - 2018
卡套式管接头用,锥密封堵头,O形圈密封
Plug with O-ring
供应商(1)
36 弹性密封(E型)端头和直管螺纹的直管接头 (SDS-E) [国际]
ISO 8434 (-1) - 2007
弹性密封(E型)端头和直管螺纹的直管接头 (SDS-E)
Stud Connector (SDS) for Ports with Elastomeric Sealing (type E) and Parallel Threads
供应商(1)
37 卡套(CR)和24°锥形端头 [国际]
ISO 8434-1 (CR) - 2018
卡套(CR)和24°锥形端头
Cutting Ring (CR) and 24° Cone End
38 卡套式管接头用 - 锥密封, 焊接接管 [国际]
ISO 8434-1 (WDNP) - 2018
卡套式管接头用 - 锥密封, 焊接接管
Weld-on Nipple
39 卡套式管接头用 - 焊接缩径管接头 [国际]
ISO 8434-1 (WDRDNP) - 2018
卡套式管接头用 - 焊接缩径管接头
Weld-on Reducing Nipples
40 卡套式直通管接头体(直通中间接头) [国际]
ISO 8434-1 (S) - 2018
卡套式直通管接头体(直通中间接头)
Straight Union Connectors
41 卡套式弯通管接头体(弯头) [国际]
ISO 8434-1 (E) - 2018
卡套式弯通管接头体(弯头)
Elbow Union Connectors
42 卡套式三通管接头体(T形) [国际]
ISO 8434-1 (T) - 2018
卡套式三通管接头体(T形)
Tee Union Connectors
43 卡套式四通管接头体(十字形) [国际]
ISO 8434-1 (K) - 2018
卡套式四通管接头体(十字形)
Cross Union Connectors
44 卡套式端直通管接头体,O形圈密封,L系列或S系列 [国际]
ISO 8434-1 (SDS-F) - 2018
卡套式端直通管接头体,O形圈密封,L系列或S系列
Stud Connectors with Stud end (O-ring Sealing), S Series or L Series
45 卡套式端直通管接头体,金属对金属密封(B),普通螺纹端(M) [国际]
ISO 8434-1 (SDS-B-M) - 2018
卡套式端直通管接头体,金属对金属密封(B),普通螺纹端(M)
Stud Connectors with Stud end, Metal-to-Metal Sealing (B), Metric Screw Thread(M)
46 卡套式端直通管接头体,金属对金属密封(B) ,55°非密封管螺纹端(G) [国际]
ISO 8434-1 (SDS-B-G) - 2018
卡套式端直通管接头体,金属对金属密封(B) ,55°非密封管螺纹端(G)
Stud Connectors with Stud End, Metal-to-Metal Sealing (B), Pipe Thread (G)
47 卡套式过板直通管接头体 [国际]
ISO 8434-1 (BHS) - 2018
卡套式过板直通管接头体
Bulkhead Straight Connectors
48 卡套式过板弯通管接头体(弯头) [国际]
ISO 8434-1 (BHE) - 2018
卡套式过板弯通管接头体(弯头)
Bulkhead Elbows
49 卡套式焊接过板焊接直通管接头体 [国际]
ISO 8434-1 (WDBHS) - 2018
卡套式焊接过板焊接直通管接头体
Weld-in Bulkhead Connectors
50 卡套式锥密封组合直通管接头,O形圈密封(F) [国际]
ISO 8434-1 (SWOSDS-F) - 2018
卡套式锥密封组合直通管接头,O形圈密封(F)
Swivel Stud Straight Adapters with O-ring Sealing
51 卡套式锥密封组合直通管接头,填料密封(E),非密封管螺纹端(G) [国际]
ISO 8434-1 (SWODS-E-G) - 2018
卡套式锥密封组合直通管接头,填料密封(E),非密封管螺纹端(G)
Swivel Stud Straight Adapters, Elastomeric Sealing (E), Pipe Thread (G)
52 卡套式锥密封组合直通管接头,填料密封(E),普通螺纹端(M) [国际]
ISO 8434-1 (SWODS-E-M) - 2018
卡套式锥密封组合直通管接头,填料密封(E),普通螺纹端(M)
Swivel Stud Straight Adapters, Elastomeric Sealing (E), Metric Thread (M)
53 卡套式锥密封组合弯通管接头 [国际]
ISO 8434-1 (SWOE) - 2018
卡套式锥密封组合弯通管接头
Swivel Elbow with O-Ring Sealing
54 卡套式锥密封组合三通(T)支管(B)接头 [国际]
ISO 8434-1 (SWOBT) - 2018
卡套式锥密封组合三通(T)支管(B)接头
Branch Tee with O-ring Sealing
55 卡套式锥密封组合三通(T)主管接头 [国际]
ISO 8434-1 (SWORT) - 2018
卡套式锥密封组合三通(T)主管接头
Run Tee with O-ring Sealing
56 卡套式锥密封组合缩径(RD)直通管接头,O形圈密封 [国际]
ISO 8434-1 (RDSW) - 2018
卡套式锥密封组合缩径(RD)直通管接头,O形圈密封
Reducing Swivel Straight Adapter with O-ring Sealing
57 液压角通接头 带O型圈 (SWOE) [国际]
ISO 8434 (-1) - 2007
液压角通接头 带O型圈 (SWOE)
Swivel elbow (SWOE) with O-ring
58 卡套式直通管接头 (直通中间接头) [表5] [日标]
JIS B 2351-1 (S) - 2000
卡套式直通管接头 (直通中间接头) [表5]
Straight Union Fittings
59 卡套式弯通管接头 (弯头) [表6] [日标]
JIS B 2351-1 (E) - 2000
卡套式弯通管接头 (弯头) [表6]
Elbow Union Connectors
60 卡套式三通管接头 [表6] [日标]
JIS B 2351-1 (T) - 2000
卡套式三通管接头 [表6]
Tee Union Connectors
61 卡套式四通管接头 [表6] [日标]
JIS B 2351-1 (K) - 2000
卡套式四通管接头 [表6]
Cross Union Connectors
62 卡套式直通管接头 [表7] [日标]
JIS B 2351-1 (SDS) - 2000
卡套式直通管接头 [表7]
Stud Fittings for Ports in Accordance with ISO 6149-1
63 卡套式直通管接头 填料密封(E) 普通螺纹 [表8] [日标]
JIS B 2351-1 (SDS-E) - 2000
卡套式直通管接头 填料密封(E) 普通螺纹 [表8]
Stud Fittings for Ports with Parallel Thread and Elastomeric Sealing (E)
64 卡套式直通管接头 金属密封 普通螺纹 [表9] [日标]
JIS B 2351-1 (SDS-B) - 2000
卡套式直通管接头 金属密封 普通螺纹 [表9]
Stud Fittings for Ports with Parallel Threads and Metal-to-metal Sealing
65 卡套式过板直通管接头及锁紧螺母 [表10] [日标]
JIS B 2351-1 (BH / LN) - 2000
卡套式过板直通管接头及锁紧螺母 [表10]
Bulkhead Bolt and Locknuts
66 卡套式过板弯通管接头 (弯头) [表11] [日标]
JIS B 2351-1 (BHE) - 2000
卡套式过板弯通管接头 (弯头) [表11]
Bulkhead Elbow Fittings
67 焊接隔壁式直通管接头 [表12] [日标]
JIS B 2351-1 (WDBH) - 2000
焊接隔壁式直通管接头 [表12]
Weld-in Bulkhead Fittings
68 端口符合ISO 6149-1的旋转接头 [表14] [日标]
JIS B 2351-1 (SW) - 2000
端口符合ISO 6149-1的旋转接头 [表14]
Swivel Adaptors (SW ) for Ports in Accordance with ISO 6149-1
69 填料密封端口用旋转接头 [表15] [日标]
JIS B 2351-1 (SW) - 2000
填料密封端口用旋转接头 [表15]
Swivel Adaptors (SW ) for Ports with Elastic Sealing
70 金属密封端口用旋转接头 [表16] [日标]
JIS B 2351-1 (SW) - 2000
金属密封端口用旋转接头 [表16]
Swivel Adaptors (SW) for Ports with Metal-to-metal Sealing
71 旋转接头 弯头 [表17] [日标]
JIS B 2351-1 (SWE) - 2000
旋转接头 弯头 [表17]
Swivel Elbows (SWE)
72 旋转接头 支路三通 [表17] [日标]
JIS B 2351-1 (SWBT) - 2000
旋转接头 支路三通 [表17]
Branch Tees (SWBT)
73 旋转接头 主路三通 [表17] [日标]
JIS B 2351-1 (SWRT) - 2000
旋转接头 主路三通 [表17]
Run Tees (SWRT)
74 24度锥形端头和卡套 [表3] [日标]
JIS B 2351-1 - 2000
24度锥形端头和卡套 [表3]
Compression End and Ring
75 卡套 [汽标代号]
Q 800B
卡套
24° Cone Connectors - Ferrule
76 卡套式直通接头体 [汽标代号]
Q 803B
卡套式直通接头体
24° Cone Connectors - Union
77 卡套式端直通接头体 [汽标代号]
Q 804B
卡套式端直通接头体
24° Cone Connectors - Straight Thread
78 卡套式锥螺纹直通接头体 [汽标代号]
Q 805B
卡套式锥螺纹直通接头体
24° Cone Connectors - Male - Body
79 卡套式直角接头体 [汽标代号]
Q 806
卡套式直角接头体
24° Cone Connectors - Union Elbow
80 卡套式弯通接头体 [汽标代号]
Q 806B
卡套式弯通接头体
24° Cone Connectors - Union Elbow
81 卡套式锥螺纹直角接头体 [汽标代号]
Q 808B
卡套式锥螺纹直角接头体
24° Cone Connectors - Male - Body
82 卡套式三通接头体 [汽标代号]
Q 809B
卡套式三通接头体
24° Cone Connectors - Union Tee
83 卡套式锥螺纹三通接头体 [汽标代号]
Q 810B
卡套式锥螺纹三通接头体
24° Cone Connectors - Male Branch Tee - Body
84 卡套式锥螺纹直角三通接头体 [汽标代号]
Q 811B
卡套式锥螺纹直角三通接头体
24° Cone Connectors - Male Run Tee - Body
85 卡套式四通接头体 [汽标代号]
Q 812B
卡套式四通接头体
24° Cone Connectors - Union Cross
86 卡套式过板直通接头体 [汽标代号]
Q 813B
卡套式过板直通接头体
24° Cone Connectors - Bulkhead Union
87 卡套式过板弯通接头体 [汽标代号]
Q 814B
卡套式过板弯通接头体
24° Cone Connectors - Bulkhead Union Elbow
88 卡套式组合弯通接头体 [汽标代号]
Q 815B
卡套式组合弯通接头体
24° Cone Connectors - Adjustable Elbow
89 卡套式组合三通接头体 [汽标代号]
Q 816B
卡套式组合三通接头体
24° Cone Connectors - Adjustable Tee
90 卡套式铰接接头体 [汽标代号]
Q 817B
卡套式铰接接头体
24° Cone Connectors - Angle Swivel Screw Connector
91 卡套式铰接六角螺栓 [汽标代号]
Q 818B
卡套式铰接六角螺栓

92 卡套式压力表接头体 [汽标代号]
Q 820B
卡套式压力表接头体
24° Cone Connectors - Connector for Pressure Gauge
93 柴油机 低压金属油管组件 技术条件 - 旋入接头 [机械行业]
JB /T 6013 - 2011
柴油机 低压金属油管组件 技术条件 - 旋入接头
Diesel Engines - Requirements for Low Pressure Hydraulic Pipe Assemblies - Screw in connector
供应商(1)
94 柴油机 低压金属油管组件 技术条件 - A 型低压油管组件 [球型旋入管接头] [机械行业]
JB /T 6013 (A) - 2011
柴油机 低压金属油管组件 技术条件 - A 型低压油管组件 [球型旋入管接头]
Diesel Engines - Requirements for Low Pressure Hydraulic Pipe Assemblies - Type A
95 柴油机 低压金属油管组件 技术条件 - B 型低压油管组件 [球型中间管接头] [机械行业]
JB /T 6013 (B) - 2011
柴油机 低压金属油管组件 技术条件 - B 型低压油管组件 [球型中间管接头]
Diesel Engines - Requirements for Low Pressure Hydraulic Pipe Assemblies - Type B
96 柴油机 低压金属油管组件 技术条件 - C 型低压油管组件 [铰接式管接头] [机械行业]
JB /T 6013 (C) - 2011
柴油机 低压金属油管组件 技术条件 - C 型低压油管组件 [铰接式管接头]
Diesel Engines - Requirements for Low Pressure Hydraulic Pipe Assemblies - Type C
97 柴油机 低压金属油管组件 技术条件 - D 型低压油管组件 [铰接接式短三通管接头] [机械行业]
JB /T 6013 (D) - 2011
柴油机 低压金属油管组件 技术条件 - D 型低压油管组件 [铰接接式短三通管接头]
Diesel Engines - Requirements for Low Pressure Hydraulic Pipe Assemblies - Type D
98 柴油机 低压金属油管组件 技术条件 - 球形管节 [机械行业]
JB /T 6013 - 2011
柴油机 低压金属油管组件 技术条件 - 球形管节
Diesel Engines - Requirements for Low Pressure Hydraulic Pipe Assemblies - Spherical Tube Section
99 柴油机 低压金属油管组件 技术条件 - 中间接头 [机械行业]
JB /T 6013 - 2011
柴油机 低压金属油管组件 技术条件 - 中间接头
Diesel Engines - Requirements for Low Pressure Hydraulic Pipe Assemblies - Intermediate union
100 柴油机 低压金属油管组件 技术条件 - 铰接式管接头体 [机械行业]
JB /T 6013 - 2011
柴油机 低压金属油管组件 技术条件 - 铰接式管接头体
Diesel Engines - Requirements for Low Pressure Hydraulic Pipe Assemblies - Articulated Pipe Joint Body
© 易紧通 服务热线:4006-164580(免长途费)