index
logo

MJ螺纹十字槽扁圆头螺栓 GJB 3374 (/25~/26) - 1998

选择规格尺寸 点击↓

4

5

6

8


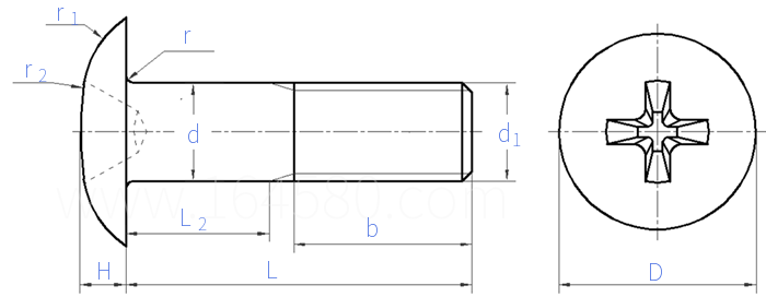
尺寸单位: mm
军标GJB 3374 (/25~/26) - 1998 GJB3374 3374 MJ螺纹十字槽扁圆头螺栓
GJB  3374 (/25~/26) - 1998 MJ螺纹十字槽扁圆头螺栓
扫一扫分享
千件重及价格计算 千件重 : kg x 元/kg = 元/千件
默认密度 g/cm3
公称长度L 注:选择后获得 相应重量
公称直径
d
4 5 6 8
d1
d 最大值
最小值
H 最大值=公称
最小值
D 最大值=公称
最小值
r
r1 参考
r2 参考
b 参考
MJ4×0.7 MJ5×0.8 MJ6×1 MJ8×1
4 5 6 8
3.88 4.88 5.88 7.85
2 2.4 2.8 3.2
1.75 2.15 2.55 2.9
10 12 14 18
9.64 11.57 13.57 17.57
0.4 0.5 0.7 0.7
4 5 6 6
12 15 20 21
8.6 10.4 12 14.5
L2 ±0.2
- - - -
千件钢制重≈kg
- - - -
①,当长度L为66~114mm时,其间隔取2mm,超过114mm时,其间隔取4mm。
②,十字槽按 HB 7369-1996。
③,标志按 HB 0-3-1983。
④,不做疲劳试验,其余要求按通用规范 GJB 3376。

技术条件和引用标准

材料
热处理
表面处理
标记示例(d=6mm,L=36mm)
30CrMnSiA 1Cr17Ni2
σb=1100~1280 MPa σb=1100~1280 MPa
镀锌钝化 钝化
GJB 3374/25-6×36 GJB 3374/26-6×36
注:技术数据仅供参考,请以官方原件为准!
类似标准及供货信息
1 十字槽扁圆头螺钉 [国标]
GB 973 - 1976
十字槽扁圆头螺钉
Crosss Recessed Mushroom Screws
供应商(2)
2 十字槽大扁头螺钉 [附属表 JA.6] [日标]
JIS B 1111 (JA6) - 2017
十字槽大扁头螺钉 [附属表 JA.6]
Cross Recessed Mushroom Head Screws
供应商(3)
3 十字槽大扁头螺钉 [附属表4] [日标]
JIS B 1111 (A4) - 2006
十字槽大扁头螺钉 [附属表4]
Cross Recessed Mushroom Head Screws [Annex Attached Table 4]
供应商(3)
4 十字槽大扁头螺钉 [附属表4] [日标]
JIS B 1111 (A4) - 1996
十字槽大扁头螺钉 [附属表4]
Cross Recessed Mushroom Head Screws [Annex Attached Table 4]
供应商(3)
5 十字槽大扁头螺钉 [美标]
ASME/ANSI B 18.6.3 - 2003
十字槽大扁头螺钉
Cross Recessed Truss Head Machine Screws
6 十字槽大扁头螺钉 [法国]
NF E 25-129 - 1985
十字槽大扁头螺钉
Cross Recessed Mushroom Head Screws
7 十字槽扁圆头螺钉 B.N.A.E.标准 SIM螺纹 [法国]
NF L 22-181 - 1976
十字槽扁圆头螺钉 B.N.A.E.标准 SIM螺纹
Mushroom Head Screws with B.N.A.E. Cross Recess. SIM Thread
8 十字槽扁圆头螺钉 锥端  B.N.A.E.标准 SIM螺纹 [法国]
NF L 22-186 - 1976
十字槽扁圆头螺钉 锥端 B.N.A.E.标准 SIM螺纹
Mushroom Head Screws with B.N.A.E. Cross Recess and Cone Point. SIM Thread
9 英制十字槽大扁头螺钉 - B.S.W. & B.S.F. 螺纹 [Table 8] [英标]
BS 450 - 1958
英制十字槽大扁头螺钉 - B.S.W. & B.S.F. 螺纹 [Table 8]
Cross Recess Mushroom Head Screws with B.S.W. & B.S.F. Threads [Table 8]
10 十字槽大扁头螺钉 [原电子工业部]
SJ 2494 - 1984
十字槽大扁头螺钉
Cross Recessed Big Flat Head Screws
11 十字槽蕈形头小螺钉 [台湾]
CNS 9675 - 1988
十字槽蕈形头小螺钉
Cross Recessed Mushroom Head Machine Screws
12 十字槽扁圆顶柱头螺钉 [台湾]
CNS 4559 - 1981
十字槽扁圆顶柱头螺钉
Cross Recessed Oval Cheese Head Screws
13 十字槽大扁头机械螺钉 [标准]
YJT 4012
十字槽大扁头机械螺钉
Cross Recessed Mushroom Head Screws
供应商(2)
14 十字槽大平头螺钉 [标准]
YJT 4084 (CM)
十字槽大平头螺钉
Thin Flat Head Machine Screw with Cross Recess
15 MJ螺纹扁圆头锥端螺栓 [军标]
GJB 3374 (/27~/28) - 1998
MJ螺纹扁圆头锥端螺栓
MJ Thread, Mushroom Head Screws with Cone Point
16 十字槽大扁头螺钉 [TABLE 2.2.7-2 I/IA] [美标]
ASME B 18.6.3 (H7B-I/H7B-IA) - 2024
十字槽大扁头螺钉 [TABLE 2.2.7-2 I/IA]
Cross Recessed Truss Head Screws [TABLE 2.2.7-2 I/IA]
17 十字槽大扁头螺钉 I、IA型 [美标]
ASME B 18.6.3 (T25-I/T25-IA) - 2013
十字槽大扁头螺钉 I、IA型
Cross Recessed Mushroom Head Screws, Type I and IA
18 十字槽大扁头机器螺钉 [深圳紧固件行业协会标准]
T/SZJGJ 001 (A) - 2024
十字槽大扁头机器螺钉
Cross Recessed Mushroom Head Screws
© 易紧通 服务热线:4006-164580(免长途费)