index
logo

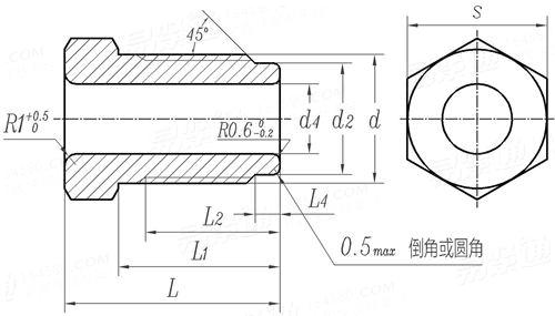
制动管道管接螺母FS型 DIN 74233 (-1) - 1991

选择规格尺寸 点击↓

M10 ×1

M12 ×1

M14 ×1.5

M16 ×1.5


尺寸单位: mm
德标DIN 74233 (-1) - 1991 DIN74233 74233DI 制动管道管接螺母FS型
DIN  74233 (-1) - 1991 制动管道管接螺母FS型
扫一扫分享
公称直径
d
M10
×1
M12
×1
M14
×1.5
M16
×1.5
d2 最大值=公称
最小值
d4 最小值=公称
最大值
L1 公称 (js14)
最大值
最小值
L2 最小值
L 公称 (js14)
最大值
最小值
L4 最小值=公称
最大值
s 最大值=公称
最小值
8.4 10.4 11.7 13.7
8.2 10.2 11.5 13.5
5 6.5 8.5 10.5
5.2 6.7 8.7 10.7
12.5 15 20.5 21.5
12.715 15.215 20.76 21.76
12.285 14.785 20.24 21.24
10 12.5 17 18
16.5 20 25.5 26.5
16.715 20.26 25.76 26.76
16.285 19.74 25.24 26.24
2.3 2.3 3.3 3.3
2.8 2.8 3.8 3.8
11 13 14 17
10.73 12.73 13.73 16.73
注:技术数据仅供参考,请以官方原件为准!
类似标准及供货信息
1 扩口式管接头用B型螺母 [国标]
GB /T 5648 - 2008
扩口式管接头用B型螺母
Flared Couplings - Style B Nut
供应商(1)
2 金属管接头 - 60°锥形接头 - 焊接芯头用套螺母 [国标]
GB /T 14034.4 - 2023
金属管接头 - 60°锥形接头 - 焊接芯头用套螺母
Metallic Tube Connections - 60° Cone Connectors - Nuts
3 金属管接头 - 60°锥形接头 - 锁紧螺母 [国标]
GB /T 14034.4 - 2023
金属管接头 - 60°锥形接头 - 锁紧螺母
Metallic Tube Connections - 60° Cone Connectors - Lock Nut
4 六角头内外螺纹接头 [国标]
GB /T 14383 (HHB) - 2021
六角头内外螺纹接头

5 无头内外螺纹接头 [国标]
GB /T 14383 (FB) - 2021
无头内外螺纹接头

6 六角头内外螺纹接头 [国标]
GB /T 14383 (HHB) - 2008
六角头内外螺纹接头

7 无头内外螺纹接头 [国标]
GB /T 14383 (FB) - 2008
无头内外螺纹接头

8 卡套式管接头用连接螺母 [国标]
GB /T 3759 - 2008
卡套式管接头用连接螺母
24° Cone Connectors-Nut
9 六角头内外螺纹接头 [国标]
GB /T 14626 (HHB) - 1993
六角头内外螺纹接头

10 无头内外螺纹接头 [国标]
GB /T 14626 (FB) - 1993
无头内外螺纹接头

11 制动管道管接螺母ES型 [德标]
DIN 74233 (-1) - 1991
制动管道管接螺母ES型
Upper Propeller ES form for Load form E According to DIN 74234
12 卡套式管接头用连接螺母 [国际]
ISO 8434-1 (N) - 2018
卡套式管接头用连接螺母
Tube Nut
供应商(1)
13 管接头用六角薄螺母(锁紧螺母) [国际]
ISO 8434-1 (LN) - 2018
管接头用六角薄螺母(锁紧螺母)
Locknuts
14 金属管接头 - 60°锥形接头 - 锁紧螺母 [国际]
ISO 8434-6 (LN) - 2009
金属管接头 - 60°锥形接头 - 锁紧螺母
Metallic Tube Connections - 60° Cone Connectors - Lock Nut
15 金属管接头 - 60°锥形接头 - 螺母 [国际]
ISO 8434-6 (N) - 2009
金属管接头 - 60°锥形接头 - 螺母
Metallic Tube Connections - 60° Cone Connectors - Nuts
16 锁紧螺母 - 轻型(L型) [国际]
ISO 1179-3 (LN) - 2007
锁紧螺母 - 轻型(L型)
Lock Nut - Light-duty (L Series)
17 锁紧螺母 - 重型(s型) [国际]
ISO 6149-2 (LN) - 2006
锁紧螺母 - 重型(s型)
Lock Nut, Heavy-duty (S series)
18 锁紧螺母 - 轻型(L型) [国际]
ISO 6149-3 (LN) - 2006
锁紧螺母 - 轻型(L型)
Lock Nuts - Light-duty (L Series)
19 24度锥形接头螺母 管螺母 卡套螺母 [表4] [日标]
JIS B 2351-1 (N) - 2000
24度锥形接头螺母 管螺母 卡套螺母 [表4]
Tube Nut
20 扩口式管接头用B型螺母 [汽标代号]
Q 652C
扩口式管接头用B型螺母
Flared Couplings - Style B Nut
21 卡套螺母 [机械行业]
JB /T 1758 - 1991
卡套螺母
Union Nuts
22 活接头六角螺母 [铁道部]
TB /T 777 - 2005
活接头六角螺母

23 活接头六角螺母 [铁道部]
TB /T 777 - 1993
活接头六角螺母

24 VCR 金属垫片面密封接头 - 内螺纹螺母 [标准]
YJT 14014 (VCR)
VCR 金属垫片面密封接头 - 内螺纹螺母
VCR Metal Gasket Face Seal Fittings - Female Nut
25 卡套螺母 [美标]
SAE J 514 (070110) - 2004
卡套螺母
Union Nuts
26 卡套螺母 [美标]
SAE J 514 (080110) - 2004
卡套螺母
Union Nuts
27 卡套螺母 [美标]
SAE J 514 (070112) - 2004
卡套螺母
Union Nuts
28 锁紧螺母 [美标]
SAE J 514 (070117) - 2004
锁紧螺母
Lock Nut
29 锁紧螺母 [美标]
SAE J 514 (070118) - 2004
锁紧螺母
Lock Nuts
30 锁紧螺母 [美标]
SAE J 514 (080117) - 2004
锁紧螺母
Lock Nuts
31 锁紧螺母 [美标]
SAE J 514 (080118) - 2004
锁紧螺母
Lock Nuts
32 卡套螺母 [美标]
SAE J 1453 (520110A) - 2002
卡套螺母
Union Nuts
33 卡套螺母 [美标]
SAE J 1453 (520110B) - 2002
卡套螺母
Union Nuts
34 锁紧螺母 [美标]
SAE J 1453 (520117) - 2002
锁紧螺母
Lock Nuts
35 锁紧螺母 [美标]
SAE J 1453 (520118) - 2002
锁紧螺母
Lock Nuts
36 外套螺母(03) [船舶]
CB /T 4328 - 2013
外套螺母(03)

37 中间螺纹接头(06) [船舶]
CB /T 4328 - 2013
中间螺纹接头(06)

38 旋入螺纹接头(07) [船舶]
CB /T 4328 - 2013
旋入螺纹接头(07)

39 支管螺纹接头(08) [船舶]
CB /T 4328 - 2013
支管螺纹接头(08)

© 易紧通 服务热线:4006-164580(免长途费)