index
logo

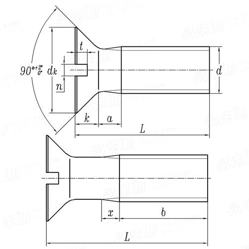
开槽沉头螺钉 GB 68 - 1985

查看供应商

选择规格尺寸 点击↓

M1.6

M2

M2.5

M3

M4

M5

M6

M8

M10

括号内尺寸为非优选

尺寸单位: mm
国标GB 68 - 1985 GB68 68GB 开槽沉头螺钉
国标GB 68 - 1985 GB68 68GB 开槽沉头螺钉
GB  68 - 1985 开槽沉头螺钉
扫一扫分享
千件重及价格计算 千件重 : kg x 元/kg = 元/千件
默认密度 g/cm3
公称长度L 注:选择后获得 相应重量 螺纹长度
螺纹规格
d
M1.6 M2 M2.5 M3 M4 M5 M6 M8 M10
P 螺距
a 最大值
b 最小值
dk 理论值 最大值
实际值 最大值=公称
最小值
k 最大值=公称
n 公称
最大值
最小值
t 最大值
最小值
x 最大值
0.35 0.4 0.45 0.5 0.7 0.8 1 1.25 1.5
0.7 0.8 0.9 1 1.4 1.6 2 2.5 3
25 25 25 25 38 38 38 38 38
3.6 4.4 5.5 6.3 9.4 10.4 12.6 17.3 20
3 3.8 4.7 5.5 8.4 9.3 11.3 15.8 18.3
2.7 3.5 4.4 5.2 8 8.9 10.9 15.4 17.8
1 1.2 1.5 1.65 2.7 2.7 3.3 4.65 5
0.4 0.5 0.6 0.8 1.2 1.2 1.6 2 2.5
0.6 0.7 0.8 1 1.51 1.51 1.91 2.31 2.81
0.46 0.56 0.66 0.86 1.26 1.26 1.66 2.06 2.56
0.5 0.6 0.75 0.85 1.3 1.4 1.6 2.3 2.6
0.32 0.4 0.5 0.6 1.0 1.1 1.2 1.8 2
0.9 1 1.1 1.25 1.75 2 2.5 3.2 3.8
千件钢制重≈kg 重量引用2000年版本数据
- - - - - - - - -
螺纹长度b
- - - - - - - - -
①,尽可能不采用括号内规格
②,M1.6~M3.0的螺钉L值≤30mm时,应制出全螺纹(b=L-k-a);
③,M3.5~M10的螺钉L值≤45mm时,应制出全螺纹(b=L-k-a);
替代列表
等效标准
国标 GB 国际 ISO 德标 DIN 法国 NF
GB /T 68
ISO 2009
DIN EN ISO 2009
NF E 25-123
以上有部分标准可能为近似等效,如有异议以标准原件为准

技术条件和引用标准

材料
不锈钢
螺纹 公差
标准
机械性能 等级
标准
公差 产品等级
标准
表面缺陷
表面处理 -
验收及包装
6 g
GB 196-81、GB 197-81
4.8、5.8 A2-50、A2-70
GB 3098.1-82 GB 3098.6-85
A
GB 3103.1-82
GB 5779.1-86
① 不经处理
② 镀锌钝化 GB 5267-85
不经处理
GB 90-85
注:技术数据仅供参考,请以官方原件为准!
告诉我在“易紧通”看到,将给您优惠
联系人:徐海 点击这里给我发消息513543434   移动电话: 18621311857     电话:021-59766477
材质:301、302、303、304、304L、316、316L、316Ti、317L、310S、321、347、1.4529、1.4539、1.4462、1.4547、1.4980、904L、2205、2507、2520、S32750、S32760、1Cr13、1Cr17、2Cr13、3Cr13、14Cr17Ni2、410、416、420、430、431、440、630、631、17-4PH、MP350N、600、601、625、660、718、750、800、825、925、926、C22、C276、A286、GH2132、GH4033、GH4080、GH4169、GH4145、9C18Mo、4Cr10Si2Mo、35CrMoA、42CrMoA、40CrNiMoA、25Cr2Mo1VA、SCM435、SCM440、4130、4140、4145、A36、A307、A320、A325、A490、A574、F1554,不锈钢、合金钢、钛合金、镍基合金、高温合金、耐蚀合金、镍钴合金、特种合金等;等级:A1-50、A2-50、A2-70、A2-80、A3-70、A4-70、A4-80、A4-90、A4-100、A5-80、B8、B8M、B8C、B8T、B6、B7、B7M、B16、C1-50、C1-70、C1-110、C3-80、C3-120、C4-70、D2-80、D2-100、D4-80、D4-100、D6-80、D6-100、D8-80、D8-100、P1-90、P1-120、F51、F53、F55、F60、10.9、12.9、14.9、15.9、16.9等;规格范围:M3-M120,1/4"-4";表面处理:钝化、发黑、磷化、电泳、镀锌、镀镍、镀铬、镀镉、镀金、镀银、镀锡、镀铜、渗锌、海洋锌、渗铝、喷涂铝、达克罗、久美特、特氟龙、锌镍合金、镍钴合金、热镀锌、复合陶瓷、二硫化钼、二硫化钨、纳米涂层等,均可定制。
联系人:韩经理   移动电话: 13616600328     电话:0577-65278085
碳钢、不锈钢、铜;规格:M2.5-M10
联系人:刘经理 点击这里给我发消息1218439005   移动电话: 13587697302     电话:13587697302
材质:中碳、40Cr、A3、35Crmo;规格范围:M1.6-M10;表面处理:本色、电镀、发黑
联系人:庄宏伟   移动电话: 13008864675     电话:0755-89505088
材质:碳钢、合金钢、不锈钢、铜、铝、钛;规格范围:M0.6~M6;公称长度:1~60mm;表面处理:镀锌、镍、锌镍合金、电泳、达克罗、CD纹、PVD等。
联系人:汤继勇   移动电话: 15298892886/15262400870     电话:0516-86839568
材质:不锈钢、碳钢;公称直径范围:M1-M14;公称长度范围:5-400mm
联系人:杨钦   移动电话: 15162465399     电话:0512-65808790
材料:碳钢、不锈钢,表面处理:本色; 公称直径:M1.2-M8,公称长度:3mm-80mm
告诉我在“易紧通”看到,将给您优惠
类似标准及供货信息
1 开槽沉头螺钉 [国标]
GB /T 68 - 2016
开槽沉头螺钉
Slotted Countersunk Flat Head Screws
供应商(6)
2 开槽沉头螺钉 [国标]
GB /T 68 - 2000
开槽沉头螺钉
Slotted Countersunk Head Screws (Commen Head Style)
供应商(6)
3 开槽沉头不脱出螺钉 [国标]
GB 948 - 1988
开槽沉头不脱出螺钉
Slotted Countersunk Head Screws with Waisted Shank
4 米制开槽沉头机械螺钉  Table 2 [美标]
IFI 513 - 1982
米制开槽沉头机械螺钉 Table 2
Metric Slotted Flat Countersunk Head Machine Screws
5 开槽沉头螺钉 [德标]
DIN 963 - 1990
开槽沉头螺钉
Slotted Countersunk Head Screws
供应商(4)
6 钢结构用带六角螺母的开槽沉头螺栓 [德标]
DIN 7969 - 2017
钢结构用带六角螺母的开槽沉头螺栓
Slotted Countersunk Head Bolts with Hexagon Nut for Steel Structures
7 钢结构用带六角螺母的开槽沉头螺栓 [德标]
DIN 7969 - 1989
钢结构用带六角螺母的开槽沉头螺栓
Slotted Countersunk Head Screws for Structural Steel Bolting for Supply with or Without Nuts
8 开槽沉头(平头)螺钉 - 适用于精密机械;M0.4至M1.4 [德标]
DIN 8245 - 1972
开槽沉头(平头)螺钉 - 适用于精密机械;M0.4至M1.4
Slotted Countersunk (Flat) Head Screws for Fine Mechanics; M 0.4 to M 1.4
9 开槽沉头螺钉(通用头型) - 产品等级A级 [国际]
ISO 2009 - 2011
开槽沉头螺钉(通用头型) - 产品等级A级
Slotted Countersunk Flat Head Screws (Common Head Style) - Product Grade A
10 开槽沉头螺钉(通用头型) - 产品等级A级 [国际]
ISO 2009 - 1994
开槽沉头螺钉(通用头型) - 产品等级A级
Slotted Countersunk Flat Head Screws (common Head Style) - Product Grade A
11 精密机械用开槽沉头螺钉 [日标]
JIS B 1116 (T4) - 2009
精密机械用开槽沉头螺钉
Slotting Countersunk Head Screws for Fine Mechanics
供应商(1)
12 开槽沉头螺钉 表8 [日标]
JIS B 1101 (T8) - 2017
开槽沉头螺钉 表8
Slotted Countersunk Head Screws - Table 8
13 开槽沉头螺钉 附表JA.4 [日标]
JIS B 1101 (JA4) - 2017
开槽沉头螺钉 附表JA.4
Slotted Countersunk Head Screws - Table JA.4
14 开槽沉头螺钉 附表2 [Annex Attached Table 2] [日标]
JIS B 1101 (AAT2) - 1996
开槽沉头螺钉 附表2 [Annex Attached Table 2]
Slotted Countersunk Head Screws [Annex Attached Table 2]
15 开槽沉头螺钉 表3 [Attached Table 3] [日标]
JIS B 1101 (AT3) - 1996
开槽沉头螺钉 表3 [Attached Table 3]
Slotted Countersunk Head Screws [Attached Table 3]
16 开槽沉头螺栓 (精制) [Table 1-1] [日标]
JIS B 1179 (T1-1) - 1994
开槽沉头螺栓 (精制) [Table 1-1]
Slotted Flat Head Bolts, Fine Finished [Table 1-1]
17 开槽沉头螺栓  (粗制)[Table 1-2] [日标]
JIS B 1179 (T1-2) - 1994
开槽沉头螺栓 (粗制)[Table 1-2]
Slotted Flat Head Bolts, Rough Finished [Table 1-2]
18 80°开槽沉头螺钉Table1 [美标]
ASME/ANSI B 18.6.3 - 2010
80°开槽沉头螺钉Table1
80° Slotted Flat Countersunk Head Machine Screws
19 100°开槽沉头螺钉Table3 [美标]
ASME/ANSI B 18.6.3 - 2010
100°开槽沉头螺钉Table3
Slotted 100 Deg Flat Countersunk Head Screws (Machine screws only)
20 紧公差100°开槽沉头螺钉Table5 [美标]
ASME/ANSI B 18.6.3 - 2010
紧公差100°开槽沉头螺钉Table5
Close Tolerance 100 Degree Slotted Countersunk Head Screws
21 80°开槽沉头清根螺钉Table9 [美标]
ASME/ANSI B 18.6.3 - 2010
80°开槽沉头清根螺钉Table9
80° Slotted Undercut 82-deg Flat Countersunk Head Machine Screws
22 开槽沉头螺钉 [Table 1] (A307, SAE J429, F468, F593) [美标]
ASME/ANSI B 18.6.2 (T1) - 1998 (R2010)
开槽沉头螺钉 [Table 1] (A307, SAE J429, F468, F593)
Slotted Flat Countersunk Head Cap Screws [Table 1] (A307, SAE J429, F468, F593)
23 米制开槽沉头螺钉Table2 [美标]
ASME/ANSI B 18.6.7M - 1998
米制开槽沉头螺钉Table2
Metric Soltted Countersunk Screws
24 开槽100°沉头小螺钉 [Table 3] [美标]
ASME/ANSI B 18.11 - 1961 (R1983)
开槽100°沉头小螺钉 [Table 3]
Slotted 100° Flat Head Miniature Screws
25 开槽沉头螺钉 [意大利]
UNI 6109
开槽沉头螺钉
Slotted Countersunk Flat Head Screws
26 开槽沉头螺钉 [法国]
NF E 25-123 - 1994
开槽沉头螺钉
Slotted Countersunk Flat Head Screws - Product Grade A
27 铁路车辆 沉头侧切口机械螺钉 [法国]
NF F 03-004 (F) - 1983
铁路车辆 沉头侧切口机械螺钉
Railway Rolling Stock Grade A Countersunk Notched Head Machine
28 铁路车辆 开槽沉头螺钉/螺母 A级 符号FP [法国]
NF F 03-016 - 1983
铁路车辆 开槽沉头螺钉/螺母 A级 符号FP
Railway Rolling Stock Grade A Slotted Countersunk Head Screws Nuts Symbol FP
29 开槽沉头螺钉(短的)Table 6 [英标]
BS 1981 - 1991
开槽沉头螺钉(短的)Table 6
Slotted Truncated Countersunk Head Screws: Short Length
30 开槽沉头螺钉Table4 [英标]
BS 1981 - 1991
开槽沉头螺钉Table4
Slotted Countersunk Flat Head Screws
31 开槽沉头机械螺钉 [英标]
BS 4183 (T2) - 1967
开槽沉头机械螺钉
Slotted Countersunk Head Machine Screws. Metric Series
32 英制开槽沉头螺钉 - B.S.W. & B.S.F. 螺纹 [Table 2] [英标]
BS 450 - 1958
英制开槽沉头螺钉 - B.S.W. & B.S.F. 螺纹 [Table 2]
Slotted 90°Countersunk Head Screws with B.S.W. & B.S.F. Threads [Table 2]
33 米制开槽沉头螺钉 [Table 1] [澳标]
AS /NZS 1427 - 1996
米制开槽沉头螺钉 [Table 1]
ISO Metric Slotted Countersunk Head Screws [Table 1]
34 精密机械用开槽沉头螺钉 [台湾]
CNS 9678 - 1982
精密机械用开槽沉头螺钉
Slotted Countersunk Screws for Fine Mechanics
35 开槽沉头螺钉 [台湾]
CNS 4411 - 1981
开槽沉头螺钉
Slotted Countersunk Head Screws
36 电开关用开槽圆柱沉头螺钉 [台湾]
CNS 4413 - 1981
电开关用开槽圆柱沉头螺钉
Slotted Cheese Head Screws for Electric Switch
37 开槽沉头螺栓 [台湾]
CNS 4420 - 1981
开槽沉头螺栓
Countersunk Head Bolts with Forged Slot for Steel Structures
38 精密用开槽沉头螺钉 M0.4~M1.4 [台湾]
CNS 4363 - 1980
精密用开槽沉头螺钉 M0.4~M1.4
Slotted Countersunk Head Screws for Fine Mechanics
39 开槽沉头螺钉 A级和B级 [俄标]
GOST 17475 - 1980
开槽沉头螺钉 A级和B级
Countersunk Head Screws of Accuracy Classes A and B(Slotted)
40 开槽沉头螺钉 [Table 5] [韩标]
KS B 1021 (T5) - 2012 (R2022)
开槽沉头螺钉 [Table 5]
Slotted Countersunk Flat Head Screws [Table 5]
41 开槽沉头螺钉(通用头型) A级 [德标]
DIN EN ISO 2009 - 2011
开槽沉头螺钉(通用头型) A级
Slotted Countersunk Flat Head Screws(Common Head Style)-Product Grade A
供应商(4)
42 光杆公差带f9 100°沉头螺栓 [军标]
GJB 3371 (/61) - 1998
光杆公差带f9 100°沉头螺栓
100° Countersunk Head Bolts,Shank Tolerance f9
43 100°开槽沉头螺钉 [军标]
GJB 3372 (/36~/44) - 1998
100°开槽沉头螺钉
Slotted 100 Deg Flat Countersunk Head Screws
44 100°沉头不脱出螺钉 [军标]
GJB 3372 (/56) - 1998
100°沉头不脱出螺钉
Slotted 100 Deg Flat Countersunk Head Screws, Waisted Shank
45 开槽沉头螺钉(通用头型) - 产品等级A级 [印标]
IS 1365 - 2005
开槽沉头螺钉(通用头型) - 产品等级A级
Slotted Countersunk Flat Head Screws (Common Head Style) - Product Grade A
46 开槽100°沉头小螺钉 [Table 3] (A276, B16, B151) [美标]
ANSI B 18.11 - 1961 (R2017)
开槽100°沉头小螺钉 [Table 3] (A276, B16, B151)
Slotted 100°Flat Head Miniature Screws [Table 3] (A276, B16, B151)
47 82°开槽沉头机械螺钉 (ASTM F837/F468) [TABLE 2.2.1-1] [美标]
ASME B 18.6.3 (H1A) - 2024
82°开槽沉头机械螺钉 (ASTM F837/F468) [TABLE 2.2.1-1]
82° Slotted Flat Countersunk Head Machine Screws (ASTM F837/F468) [TABLE 2.2.1-1]
48 100°沉头开槽机械螺钉 (ASTM F837/F468) [TABLE 2.2.1-3] [美标]
ASME B 18.6.3 (H1C) - 2024
100°沉头开槽机械螺钉 (ASTM F837/F468) [TABLE 2.2.1-3]
Slotted 100-deg Flat Countersunk Head Screws (ASTM F837/F468) [TABLE 2.2.1-3]
49 精密100°沉头开槽机械螺钉 (ASTM F837/F468) [TABLE 2.2.1-5] [美标]
ASME B 18.6.3 (H1E) - 2024
精密100°沉头开槽机械螺钉 (ASTM F837/F468) [TABLE 2.2.1-5]
Slotted Close Tolerance 100-deg Flat Countersunk Head Screws (ASTM F837/F468) [TABLE 2.2.1-5]
50 开槽82°沉头清根机械螺钉 (ASTM F837/F468)  [TABLE 2.2.3-1] [美标]
ASME B 18.6.3 (H3A) - 2024
开槽82°沉头清根机械螺钉 (ASTM F837/F468) [TABLE 2.2.3-1]
Slotted Undercut 82-deg Flat Countersunk Head Machine Screws (ASTM F837/F468) [TABLE 2.2.3-1]
51 82°开槽沉头机械螺钉  [Table 1] (ASTM F837 / F468) [美标]
ASME B 18.6.3 (T1) - 2013
82°开槽沉头机械螺钉 [Table 1] (ASTM F837 / F468)
82° Slotted Flat Countersunk Head Machine Screws [Table 1] (ASTM F837 / F468)
52 100°沉头开槽机械螺钉 [Table 3] (ASTM F837 / F468) [美标]
ASME B 18.6.3 (T3) - 2013
100°沉头开槽机械螺钉 [Table 3] (ASTM F837 / F468)
Slotted 100-deg Flat Countersunk Head Screws [Table 3] (ASTM F837 / F468)
53 开槽精密100°沉头机械螺钉 [Table 5] (ASTM F837 / F468) [美标]
ASME B 18.6.3 (T5) - 2013
开槽精密100°沉头机械螺钉 [Table 5] (ASTM F837 / F468)
Slotted Close Tolerance 100-deg Flat Countersunk Head Screws (Machine Screws Only) (ASTM F837 / F468)
54 开槽82°沉头清根机械螺钉 [ Table 9 ] (ASTM F837 / F468) [美标]
ASME B 18.6.3 (T9) - 2013
开槽82°沉头清根机械螺钉 [ Table 9 ] (ASTM F837 / F468)
Slotted Undercut 82-deg Flat Countersunk Head Machine Screws (ASTM F837 / F468)
55 开槽沉头螺栓 [航天]
QJ 2370 - 1992
开槽沉头螺栓
Slotted Countersunk Head Screws
56 开槽沉头螺钉 [航天]
QJ 2373 - 1992
开槽沉头螺钉
Slotted Countersunk Head Screws
57 100°开槽沉头螺钉 [航空]
HB 7187~7195 - 1995
100°开槽沉头螺钉
100° Countersunk Head Bolts
58 100°开槽沉头螺钉 [航空]
HB 7208~7216 - 1995
100°开槽沉头螺钉
Slotted 100 Deg Flat Countersunk Head Screws
标准编号: GB 68 - 1985
中文名称: 开槽沉头螺钉
英文名称: Slotted Countersunk Head Screws
数据来源: 易紧通 (164580.com)
Standard Code: GB 68 - 1985Chinese Name: 开槽沉头螺钉English Name: Slotted Countersunk Head ScrewsSource: https://www.164580.com/info_360417.html
Data Source: YJT Fastener Database (164580.com)
Standard: GB 68 - 1985
URL: https://www.164580.com/info_360417.html
License: Commercial use requires authorization
© 易紧通 服务热线:4006-164580(免长途费)