index
logo

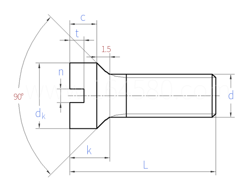
电开关用开槽圆柱沉头螺钉 CNS 4413 - 1981

选择规格尺寸 点击↓

M4

M5

M6


尺寸单位: mm
台湾CNS 4413 - 1981 CNS4413 4413CNS 电开关用开槽圆柱沉头螺钉
CNS  4413 - 1981 电开关用开槽圆柱沉头螺钉
扫一扫分享
千件重及价格计算 千件重 : kg x 元/kg = 元/千件
默认密度 g/cm3
公称长度L 注:选择后获得 相应重量
螺纹尺寸
d
M4 M5 M6
c
dk
k
n
t
2 3 4.5
7 8 9
3.5 4.5 6
1 1.2 1.6
2 2.5 3
千件黄铜制重≈kg
- - -
千件钢制重≈kg
- - -
注:技术数据仅供参考,请以官方原件为准!
类似标准及供货信息
1 开槽沉头螺钉 [国标]
GB /T 68 - 2016
开槽沉头螺钉
Slotted Countersunk Flat Head Screws
供应商(6)
2 开槽沉头螺钉 [国标]
GB /T 68 - 2000
开槽沉头螺钉
Slotted Countersunk Head Screws (Commen Head Style)
供应商(6)
3 开槽沉头螺钉 [国标]
GB 68 - 1985
开槽沉头螺钉
Slotted Countersunk Head Screws
供应商(6)
4 开槽沉头不脱出螺钉 [国标]
GB 948 - 1988
开槽沉头不脱出螺钉
Slotted Countersunk Head Screws with Waisted Shank
5 米制开槽沉头机械螺钉  Table 2 [美标]
IFI 513 - 1982
米制开槽沉头机械螺钉 Table 2
Metric Slotted Flat Countersunk Head Machine Screws
6 开槽沉头螺钉 [德标]
DIN 963 - 1990
开槽沉头螺钉
Slotted Countersunk Head Screws
供应商(4)
7 钢结构用带六角螺母的开槽沉头螺栓 [德标]
DIN 7969 - 2017
钢结构用带六角螺母的开槽沉头螺栓
Slotted Countersunk Head Bolts with Hexagon Nut for Steel Structures
8 钢结构用带六角螺母的开槽沉头螺栓 [德标]
DIN 7969 - 1989
钢结构用带六角螺母的开槽沉头螺栓
Slotted Countersunk Head Screws for Structural Steel Bolting for Supply with or Without Nuts
9 开槽沉头(平头)螺钉 - 适用于精密机械;M0.4至M1.4 [德标]
DIN 8245 - 1972
开槽沉头(平头)螺钉 - 适用于精密机械;M0.4至M1.4
Slotted Countersunk (Flat) Head Screws for Fine Mechanics; M 0.4 to M 1.4
10 开槽沉头螺钉(通用头型) - 产品等级A级 [国际]
ISO 2009 - 2011
开槽沉头螺钉(通用头型) - 产品等级A级
Slotted Countersunk Flat Head Screws (Common Head Style) - Product Grade A
11 开槽沉头螺钉(通用头型) - 产品等级A级 [国际]
ISO 2009 - 1994
开槽沉头螺钉(通用头型) - 产品等级A级
Slotted Countersunk Flat Head Screws (common Head Style) - Product Grade A
12 精密机械用开槽沉头螺钉 [日标]
JIS B 1116 (T4) - 2009
精密机械用开槽沉头螺钉
Slotting Countersunk Head Screws for Fine Mechanics
供应商(1)
13 开槽沉头螺钉 表8 [日标]
JIS B 1101 (T8) - 2017
开槽沉头螺钉 表8
Slotted Countersunk Head Screws - Table 8
14 开槽沉头螺钉 附表JA.4 [日标]
JIS B 1101 (JA4) - 2017
开槽沉头螺钉 附表JA.4
Slotted Countersunk Head Screws - Table JA.4
15 开槽沉头螺钉 附表2 [Annex Attached Table 2] [日标]
JIS B 1101 (AAT2) - 1996
开槽沉头螺钉 附表2 [Annex Attached Table 2]
Slotted Countersunk Head Screws [Annex Attached Table 2]
16 开槽沉头螺钉 表3 [Attached Table 3] [日标]
JIS B 1101 (AT3) - 1996
开槽沉头螺钉 表3 [Attached Table 3]
Slotted Countersunk Head Screws [Attached Table 3]
17 开槽沉头螺栓 (精制) [Table 1-1] [日标]
JIS B 1179 (T1-1) - 1994
开槽沉头螺栓 (精制) [Table 1-1]
Slotted Flat Head Bolts, Fine Finished [Table 1-1]
18 开槽沉头螺栓  (粗制)[Table 1-2] [日标]
JIS B 1179 (T1-2) - 1994
开槽沉头螺栓 (粗制)[Table 1-2]
Slotted Flat Head Bolts, Rough Finished [Table 1-2]
19 80°开槽沉头螺钉Table1 [美标]
ASME/ANSI B 18.6.3 - 2010
80°开槽沉头螺钉Table1
80° Slotted Flat Countersunk Head Machine Screws
20 100°开槽沉头螺钉Table3 [美标]
ASME/ANSI B 18.6.3 - 2010
100°开槽沉头螺钉Table3
Slotted 100 Deg Flat Countersunk Head Screws (Machine screws only)
21 紧公差100°开槽沉头螺钉Table5 [美标]
ASME/ANSI B 18.6.3 - 2010
紧公差100°开槽沉头螺钉Table5
Close Tolerance 100 Degree Slotted Countersunk Head Screws
22 80°开槽沉头清根螺钉Table9 [美标]
ASME/ANSI B 18.6.3 - 2010
80°开槽沉头清根螺钉Table9
80° Slotted Undercut 82-deg Flat Countersunk Head Machine Screws
23 开槽沉头螺钉 [Table 1] (A307, SAE J429, F468, F593) [美标]
ASME/ANSI B 18.6.2 (T1) - 1998 (R2010)
开槽沉头螺钉 [Table 1] (A307, SAE J429, F468, F593)
Slotted Flat Countersunk Head Cap Screws [Table 1] (A307, SAE J429, F468, F593)
24 米制开槽沉头螺钉Table2 [美标]
ASME/ANSI B 18.6.7M - 1998
米制开槽沉头螺钉Table2
Metric Soltted Countersunk Screws
25 开槽100°沉头小螺钉 [Table 3] [美标]
ASME/ANSI B 18.11 - 1961 (R1983)
开槽100°沉头小螺钉 [Table 3]
Slotted 100° Flat Head Miniature Screws
26 开槽沉头螺钉 [意大利]
UNI 6109
开槽沉头螺钉
Slotted Countersunk Flat Head Screws
27 开槽沉头螺钉 [法国]
NF E 25-123 - 1994
开槽沉头螺钉
Slotted Countersunk Flat Head Screws - Product Grade A
28 铁路车辆 沉头侧切口机械螺钉 [法国]
NF F 03-004 (F) - 1983
铁路车辆 沉头侧切口机械螺钉
Railway Rolling Stock Grade A Countersunk Notched Head Machine
29 铁路车辆 开槽沉头螺钉/螺母 A级 符号FP [法国]
NF F 03-016 - 1983
铁路车辆 开槽沉头螺钉/螺母 A级 符号FP
Railway Rolling Stock Grade A Slotted Countersunk Head Screws Nuts Symbol FP
30 开槽沉头螺钉(短的)Table 6 [英标]
BS 1981 - 1991
开槽沉头螺钉(短的)Table 6
Slotted Truncated Countersunk Head Screws: Short Length
31 开槽沉头螺钉Table4 [英标]
BS 1981 - 1991
开槽沉头螺钉Table4
Slotted Countersunk Flat Head Screws
32 开槽沉头机械螺钉 [英标]
BS 4183 (T2) - 1967
开槽沉头机械螺钉
Slotted Countersunk Head Machine Screws. Metric Series
33 英制开槽沉头螺钉 - B.S.W. & B.S.F. 螺纹 [Table 2] [英标]
BS 450 - 1958
英制开槽沉头螺钉 - B.S.W. & B.S.F. 螺纹 [Table 2]
Slotted 90°Countersunk Head Screws with B.S.W. & B.S.F. Threads [Table 2]
34 米制开槽沉头螺钉 [Table 1] [澳标]
AS /NZS 1427 - 1996
米制开槽沉头螺钉 [Table 1]
ISO Metric Slotted Countersunk Head Screws [Table 1]
35 精密机械用开槽沉头螺钉 [台湾]
CNS 9678 - 1982
精密机械用开槽沉头螺钉
Slotted Countersunk Screws for Fine Mechanics
36 开槽沉头螺钉 [台湾]
CNS 4411 - 1981
开槽沉头螺钉
Slotted Countersunk Head Screws
37 开槽沉头螺栓 [台湾]
CNS 4420 - 1981
开槽沉头螺栓
Countersunk Head Bolts with Forged Slot for Steel Structures
38 精密用开槽沉头螺钉 M0.4~M1.4 [台湾]
CNS 4363 - 1980
精密用开槽沉头螺钉 M0.4~M1.4
Slotted Countersunk Head Screws for Fine Mechanics
39 开槽沉头螺钉 A级和B级 [俄标]
GOST 17475 - 1980
开槽沉头螺钉 A级和B级
Countersunk Head Screws of Accuracy Classes A and B(Slotted)
40 开槽沉头螺钉 [Table 5] [韩标]
KS B 1021 (T5) - 2012 (R2022)
开槽沉头螺钉 [Table 5]
Slotted Countersunk Flat Head Screws [Table 5]
41 开槽沉头螺钉(通用头型) A级 [德标]
DIN EN ISO 2009 - 2011
开槽沉头螺钉(通用头型) A级
Slotted Countersunk Flat Head Screws(Common Head Style)-Product Grade A
供应商(4)
42 光杆公差带f9 100°沉头螺栓 [军标]
GJB 3371 (/61) - 1998
光杆公差带f9 100°沉头螺栓
100° Countersunk Head Bolts,Shank Tolerance f9
43 100°开槽沉头螺钉 [军标]
GJB 3372 (/36~/44) - 1998
100°开槽沉头螺钉
Slotted 100 Deg Flat Countersunk Head Screws
44 100°沉头不脱出螺钉 [军标]
GJB 3372 (/56) - 1998
100°沉头不脱出螺钉
Slotted 100 Deg Flat Countersunk Head Screws, Waisted Shank
45 开槽沉头螺钉(通用头型) - 产品等级A级 [印标]
IS 1365 - 2005
开槽沉头螺钉(通用头型) - 产品等级A级
Slotted Countersunk Flat Head Screws (Common Head Style) - Product Grade A
46 开槽100°沉头小螺钉 [Table 3] (A276, B16, B151) [美标]
ANSI B 18.11 - 1961 (R2017)
开槽100°沉头小螺钉 [Table 3] (A276, B16, B151)
Slotted 100°Flat Head Miniature Screws [Table 3] (A276, B16, B151)
47 82°开槽沉头机械螺钉 (ASTM F837/F468) [TABLE 2.2.1-1] [美标]
ASME B 18.6.3 (H1A) - 2024
82°开槽沉头机械螺钉 (ASTM F837/F468) [TABLE 2.2.1-1]
82° Slotted Flat Countersunk Head Machine Screws (ASTM F837/F468) [TABLE 2.2.1-1]
48 100°沉头开槽机械螺钉 (ASTM F837/F468) [TABLE 2.2.1-3] [美标]
ASME B 18.6.3 (H1C) - 2024
100°沉头开槽机械螺钉 (ASTM F837/F468) [TABLE 2.2.1-3]
Slotted 100-deg Flat Countersunk Head Screws (ASTM F837/F468) [TABLE 2.2.1-3]
49 精密100°沉头开槽机械螺钉 (ASTM F837/F468) [TABLE 2.2.1-5] [美标]
ASME B 18.6.3 (H1E) - 2024
精密100°沉头开槽机械螺钉 (ASTM F837/F468) [TABLE 2.2.1-5]
Slotted Close Tolerance 100-deg Flat Countersunk Head Screws (ASTM F837/F468) [TABLE 2.2.1-5]
50 开槽82°沉头清根机械螺钉 (ASTM F837/F468)  [TABLE 2.2.3-1] [美标]
ASME B 18.6.3 (H3A) - 2024
开槽82°沉头清根机械螺钉 (ASTM F837/F468) [TABLE 2.2.3-1]
Slotted Undercut 82-deg Flat Countersunk Head Machine Screws (ASTM F837/F468) [TABLE 2.2.3-1]
51 82°开槽沉头机械螺钉  [Table 1] (ASTM F837 / F468) [美标]
ASME B 18.6.3 (T1) - 2013
82°开槽沉头机械螺钉 [Table 1] (ASTM F837 / F468)
82° Slotted Flat Countersunk Head Machine Screws [Table 1] (ASTM F837 / F468)
52 100°沉头开槽机械螺钉 [Table 3] (ASTM F837 / F468) [美标]
ASME B 18.6.3 (T3) - 2013
100°沉头开槽机械螺钉 [Table 3] (ASTM F837 / F468)
Slotted 100-deg Flat Countersunk Head Screws [Table 3] (ASTM F837 / F468)
53 开槽精密100°沉头机械螺钉 [Table 5] (ASTM F837 / F468) [美标]
ASME B 18.6.3 (T5) - 2013
开槽精密100°沉头机械螺钉 [Table 5] (ASTM F837 / F468)
Slotted Close Tolerance 100-deg Flat Countersunk Head Screws (Machine Screws Only) (ASTM F837 / F468)
54 开槽82°沉头清根机械螺钉 [ Table 9 ] (ASTM F837 / F468) [美标]
ASME B 18.6.3 (T9) - 2013
开槽82°沉头清根机械螺钉 [ Table 9 ] (ASTM F837 / F468)
Slotted Undercut 82-deg Flat Countersunk Head Machine Screws (ASTM F837 / F468)
55 开槽沉头螺栓 [航天]
QJ 2370 - 1992
开槽沉头螺栓
Slotted Countersunk Head Screws
56 开槽沉头螺钉 [航天]
QJ 2373 - 1992
开槽沉头螺钉
Slotted Countersunk Head Screws
57 100°开槽沉头螺钉 [航空]
HB 7187~7195 - 1995
100°开槽沉头螺钉
100° Countersunk Head Bolts
58 100°开槽沉头螺钉 [航空]
HB 7208~7216 - 1995
100°开槽沉头螺钉
Slotted 100 Deg Flat Countersunk Head Screws
标准编号: CNS 4413 - 1981
中文名称: 电开关用开槽圆柱沉头螺钉
英文名称: Slotted Cheese Head Screws for Electric Switch
数据来源: 易紧通 (164580.com)
Standard Code: CNS 4413 - 1981Chinese Name: 电开关用开槽圆柱沉头螺钉English Name: Slotted Cheese Head Screws for Electric SwitchSource: https://www.164580.com/info_55573.html
Data Source: YJT Fastener Database (164580.com)
Standard: CNS 4413 - 1981
URL: https://www.164580.com/info_55573.html
License: Commercial use requires authorization
© 易紧通 服务热线:4006-164580(免长途费)