index
logo

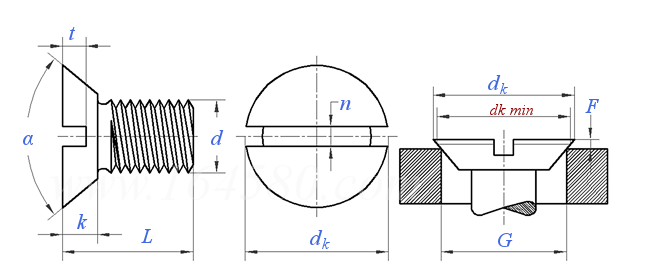
开槽82°沉头清根机械螺钉 (ASTM F837/F468) [TABLE 2.2.3-1] ASME B 18.6.3 (H3A) - 2024

选择规格尺寸 点击↓

0#

1#

2#

3#

4#

5#

6#

8#

10#

12#

1/4

5/16

3/8

7/16

1/2


尺寸单位: inch
美标ASME B18.6.3 (H3A) - 2024 ASME18.6.3 1 开槽82°沉头清根机械螺钉 (ASTM F837/F468)  [TABLE 2.2.3-1]
ASME B 18.6.3 (H3A) - 2024 开槽82°沉头清根机械螺钉 (ASTM F837/F468)  [TABLE 2.2.3-1]
扫一扫分享
螺纹尺寸
d
0# 1# 2# 3# 4# 5# 6# 8# 10# 12# 1/4 5/16 3/8 7/16 1/2
d 公称
PP
L 详见备注
dk 最大值
最小值
k 最大值
最小值
F 最大值
最小值
G
n 最大值
最小值
t 最大值
最小值
α 最大值
最小值
0.0600 0.0730 0.0860 0.0990 0.1120 0.1250 0.1380 0.1640 0.1900 0.2160 0.2500 0.3125 0.3750 0.4375 0.5000
/ 64 56 48 40 40 32 32 24 24 20 18 16 14 13
1/8 1/8 1/8 1/8 3/16 3/16 3/16 1/4 5/16 3/8 7/16 1/2 9/16 5/8 3/4
0.112 0.137 0.162 0.187 0.212 0.237 0.262 0.312 0.362 0.412 0.477 0.597 0.717 0.760 0.815
0.096 0.120 0.144 0.167 0.191 0.215 0.238 0.285 0.333 0.380 0.442 0.556 0.670 0.715 0.765
0.025 0.031 0.036 0.042 0.047 0.053 0.059 0.070 0.081 0.092 0.107 0.134 0.161 0.156 0.156
0.018 0.023 0.028 0.033 0.038 0.043 0.048 0.058 0.068 0.078 0.092 0.116 0.140 0.133 0.130
/ / 0.029 0.031 0.032 0.034 0.036 0.039 0.042 0.045 0.050 0.057 0.065 0.073 0.081
/ / 0.017 0.018 0.019 0.020 0.021 0.023 0.025 0.027 0.029 0.034 0.039 0.044 0.049
/ / 0.124 0.148 0.172 0.196 0.220 0.267 0.313 0.362 0.424 0.539 0.653 0.690 0.739
0.023 0.026 0.031 0.035 0.039 0.043 0.048 0.054 0.060 0.067 0.075 0.084 0.094 0.094 0.106
0.016 0.019 0.023 0.027 0.031 0.035 0.039 0.045 0.050 0.056 0.064 0.072 0.081 0.081 0.091
0.011 0.014 0.016 0.019 0.022 0.024 0.027 0.032 0.037 0.043 0.050 0.062 0.075 0.072 0.072
0.007 0.009 0.011 0.012 0.014 0.016 0.017 0.021 0.024 0.028 0.032 0.041 0.049 0.045 0.046
82° 82° 82° 82° 82° 82° 82° 82° 82° 82° 82° 82° 82° 82° 82°
80° 80° 80° 80° 80° 80° 80° 80° 80° 80° 80° 80° 80° 80° 80°
①,头部边缘为倒圆或平的。
②,小于等于表中长度的螺钉,为清根沉头型。
③,光杆直径应不小于2A级螺纹最小中径,并不大于公称(基本)螺纹大径。
④,机械螺钉的螺纹长度: 1)螺纹规格≤5#: 公称长度≤3倍公称直径的应为满扣产品,头下螺纹肩距≤1倍螺距。 公称长度>3倍公称直径到 1-1/8 in 的,允许头下肩距最大不超过2倍螺距。 若无其他规定,长螺钉的最小螺纹长度为1 in 。 2)螺纹规格≥6#: 公称长度≤3倍公称直径的应为满扣产品,头下螺纹肩距≤1倍螺距。 公称长度>3倍公称直径到 2 in 的,允许头下螺纹肩距最大不超过2倍螺距。 若无其他规定,长螺钉的最小螺纹长度为 1.5 in 。
替代列表

同版本产品组

长度公差

  Machine screws can be made to any length, but they are generally produced in fractional length increments of 1/16 in. for screws up to 5/8 in. long, 1/8 in. for screws over 5/8 in. through 1-1/2 in. long, and 1/4 in. for screws over 1-1/2 in. long.

标称螺钉尺寸的长度公差

标称螺钉长度

螺纹规格

0000~00

0~12

1/4~3/4

1/2

-0.01

-0.02

-0.03

1/2,1

-0.02

-0.03

-0.03

1,2

/

-0.06

-0.06

2

/

-0.09

-0.09

注:技术数据仅供参考,请以官方原件为准!
类似标准及供货信息
1 开槽沉头螺钉 [国标]
GB /T 68 - 2016
开槽沉头螺钉
Slotted Countersunk Flat Head Screws
供应商(6)
2 开槽沉头螺钉 [国标]
GB /T 68 - 2000
开槽沉头螺钉
Slotted Countersunk Head Screws (Commen Head Style)
供应商(6)
3 开槽沉头螺钉 [国标]
GB 68 - 1985
开槽沉头螺钉
Slotted Countersunk Head Screws
供应商(6)
4 开槽沉头不脱出螺钉 [国标]
GB 948 - 1988
开槽沉头不脱出螺钉
Slotted Countersunk Head Screws with Waisted Shank
5 米制开槽沉头机械螺钉  Table 2 [美标]
IFI 513 - 1982
米制开槽沉头机械螺钉 Table 2
Metric Slotted Flat Countersunk Head Machine Screws
6 开槽沉头螺钉 [德标]
DIN 963 - 1990
开槽沉头螺钉
Slotted Countersunk Head Screws
供应商(4)
7 钢结构用带六角螺母的开槽沉头螺栓 [德标]
DIN 7969 - 2017
钢结构用带六角螺母的开槽沉头螺栓
Slotted Countersunk Head Bolts with Hexagon Nut for Steel Structures
8 钢结构用带六角螺母的开槽沉头螺栓 [德标]
DIN 7969 - 1989
钢结构用带六角螺母的开槽沉头螺栓
Slotted Countersunk Head Screws for Structural Steel Bolting for Supply with or Without Nuts
9 开槽沉头(平头)螺钉 - 适用于精密机械;M0.4至M1.4 [德标]
DIN 8245 - 1972
开槽沉头(平头)螺钉 - 适用于精密机械;M0.4至M1.4
Slotted Countersunk (Flat) Head Screws for Fine Mechanics; M 0.4 to M 1.4
10 开槽沉头螺钉(通用头型) - 产品等级A级 [国际]
ISO 2009 - 2011
开槽沉头螺钉(通用头型) - 产品等级A级
Slotted Countersunk Flat Head Screws (Common Head Style) - Product Grade A
11 开槽沉头螺钉(通用头型) - 产品等级A级 [国际]
ISO 2009 - 1994
开槽沉头螺钉(通用头型) - 产品等级A级
Slotted Countersunk Flat Head Screws (common Head Style) - Product Grade A
12 精密机械用开槽沉头螺钉 [日标]
JIS B 1116 (T4) - 2009
精密机械用开槽沉头螺钉
Slotting Countersunk Head Screws for Fine Mechanics
供应商(1)
13 开槽沉头螺钉 表8 [日标]
JIS B 1101 (T8) - 2017
开槽沉头螺钉 表8
Slotted Countersunk Head Screws - Table 8
14 开槽沉头螺钉 附表JA.4 [日标]
JIS B 1101 (JA4) - 2017
开槽沉头螺钉 附表JA.4
Slotted Countersunk Head Screws - Table JA.4
15 开槽沉头螺钉 附表2 [Annex Attached Table 2] [日标]
JIS B 1101 (AAT2) - 1996
开槽沉头螺钉 附表2 [Annex Attached Table 2]
Slotted Countersunk Head Screws [Annex Attached Table 2]
16 开槽沉头螺钉 表3 [Attached Table 3] [日标]
JIS B 1101 (AT3) - 1996
开槽沉头螺钉 表3 [Attached Table 3]
Slotted Countersunk Head Screws [Attached Table 3]
17 开槽沉头螺栓 (精制) [Table 1-1] [日标]
JIS B 1179 (T1-1) - 1994
开槽沉头螺栓 (精制) [Table 1-1]
Slotted Flat Head Bolts, Fine Finished [Table 1-1]
18 开槽沉头螺栓  (粗制)[Table 1-2] [日标]
JIS B 1179 (T1-2) - 1994
开槽沉头螺栓 (粗制)[Table 1-2]
Slotted Flat Head Bolts, Rough Finished [Table 1-2]
19 80°开槽沉头螺钉Table1 [美标]
ASME/ANSI B 18.6.3 - 2010
80°开槽沉头螺钉Table1
80° Slotted Flat Countersunk Head Machine Screws
20 100°开槽沉头螺钉Table3 [美标]
ASME/ANSI B 18.6.3 - 2010
100°开槽沉头螺钉Table3
Slotted 100 Deg Flat Countersunk Head Screws (Machine screws only)
21 紧公差100°开槽沉头螺钉Table5 [美标]
ASME/ANSI B 18.6.3 - 2010
紧公差100°开槽沉头螺钉Table5
Close Tolerance 100 Degree Slotted Countersunk Head Screws
22 80°开槽沉头清根螺钉Table9 [美标]
ASME/ANSI B 18.6.3 - 2010
80°开槽沉头清根螺钉Table9
80° Slotted Undercut 82-deg Flat Countersunk Head Machine Screws
23 开槽沉头螺钉 [Table 1] (A307, SAE J429, F468, F593) [美标]
ASME/ANSI B 18.6.2 (T1) - 1998 (R2010)
开槽沉头螺钉 [Table 1] (A307, SAE J429, F468, F593)
Slotted Flat Countersunk Head Cap Screws [Table 1] (A307, SAE J429, F468, F593)
24 米制开槽沉头螺钉Table2 [美标]
ASME/ANSI B 18.6.7M - 1998
米制开槽沉头螺钉Table2
Metric Soltted Countersunk Screws
25 开槽100°沉头小螺钉 [Table 3] [美标]
ASME/ANSI B 18.11 - 1961 (R1983)
开槽100°沉头小螺钉 [Table 3]
Slotted 100° Flat Head Miniature Screws
26 开槽沉头螺钉 [意大利]
UNI 6109
开槽沉头螺钉
Slotted Countersunk Flat Head Screws
27 开槽沉头螺钉 [法国]
NF E 25-123 - 1994
开槽沉头螺钉
Slotted Countersunk Flat Head Screws - Product Grade A
28 铁路车辆 沉头侧切口机械螺钉 [法国]
NF F 03-004 (F) - 1983
铁路车辆 沉头侧切口机械螺钉
Railway Rolling Stock Grade A Countersunk Notched Head Machine
29 铁路车辆 开槽沉头螺钉/螺母 A级 符号FP [法国]
NF F 03-016 - 1983
铁路车辆 开槽沉头螺钉/螺母 A级 符号FP
Railway Rolling Stock Grade A Slotted Countersunk Head Screws Nuts Symbol FP
30 开槽沉头螺钉(短的)Table 6 [英标]
BS 1981 - 1991
开槽沉头螺钉(短的)Table 6
Slotted Truncated Countersunk Head Screws: Short Length
31 开槽沉头螺钉Table4 [英标]
BS 1981 - 1991
开槽沉头螺钉Table4
Slotted Countersunk Flat Head Screws
32 开槽沉头机械螺钉 [英标]
BS 4183 (T2) - 1967
开槽沉头机械螺钉
Slotted Countersunk Head Machine Screws. Metric Series
33 英制开槽沉头螺钉 - B.S.W. & B.S.F. 螺纹 [Table 2] [英标]
BS 450 - 1958
英制开槽沉头螺钉 - B.S.W. & B.S.F. 螺纹 [Table 2]
Slotted 90°Countersunk Head Screws with B.S.W. & B.S.F. Threads [Table 2]
34 米制开槽沉头螺钉 [Table 1] [澳标]
AS /NZS 1427 - 1996
米制开槽沉头螺钉 [Table 1]
ISO Metric Slotted Countersunk Head Screws [Table 1]
35 精密机械用开槽沉头螺钉 [台湾]
CNS 9678 - 1982
精密机械用开槽沉头螺钉
Slotted Countersunk Screws for Fine Mechanics
36 开槽沉头螺钉 [台湾]
CNS 4411 - 1981
开槽沉头螺钉
Slotted Countersunk Head Screws
37 电开关用开槽圆柱沉头螺钉 [台湾]
CNS 4413 - 1981
电开关用开槽圆柱沉头螺钉
Slotted Cheese Head Screws for Electric Switch
38 开槽沉头螺栓 [台湾]
CNS 4420 - 1981
开槽沉头螺栓
Countersunk Head Bolts with Forged Slot for Steel Structures
39 精密用开槽沉头螺钉 M0.4~M1.4 [台湾]
CNS 4363 - 1980
精密用开槽沉头螺钉 M0.4~M1.4
Slotted Countersunk Head Screws for Fine Mechanics
40 开槽沉头螺钉 A级和B级 [俄标]
GOST 17475 - 1980
开槽沉头螺钉 A级和B级
Countersunk Head Screws of Accuracy Classes A and B(Slotted)
41 开槽沉头螺钉 [Table 5] [韩标]
KS B 1021 (T5) - 2012 (R2022)
开槽沉头螺钉 [Table 5]
Slotted Countersunk Flat Head Screws [Table 5]
42 开槽沉头螺钉(通用头型) A级 [德标]
DIN EN ISO 2009 - 2011
开槽沉头螺钉(通用头型) A级
Slotted Countersunk Flat Head Screws(Common Head Style)-Product Grade A
供应商(4)
43 光杆公差带f9 100°沉头螺栓 [军标]
GJB 3371 (/61) - 1998
光杆公差带f9 100°沉头螺栓
100° Countersunk Head Bolts,Shank Tolerance f9
44 100°开槽沉头螺钉 [军标]
GJB 3372 (/36~/44) - 1998
100°开槽沉头螺钉
Slotted 100 Deg Flat Countersunk Head Screws
45 100°沉头不脱出螺钉 [军标]
GJB 3372 (/56) - 1998
100°沉头不脱出螺钉
Slotted 100 Deg Flat Countersunk Head Screws, Waisted Shank
46 开槽沉头螺钉(通用头型) - 产品等级A级 [印标]
IS 1365 - 2005
开槽沉头螺钉(通用头型) - 产品等级A级
Slotted Countersunk Flat Head Screws (Common Head Style) - Product Grade A
47 开槽100°沉头小螺钉 [Table 3] (A276, B16, B151) [美标]
ANSI B 18.11 - 1961 (R2017)
开槽100°沉头小螺钉 [Table 3] (A276, B16, B151)
Slotted 100°Flat Head Miniature Screws [Table 3] (A276, B16, B151)
48 82°开槽沉头机械螺钉 (ASTM F837/F468) [TABLE 2.2.1-1] [美标]
ASME B 18.6.3 (H1A) - 2024
82°开槽沉头机械螺钉 (ASTM F837/F468) [TABLE 2.2.1-1]
82° Slotted Flat Countersunk Head Machine Screws (ASTM F837/F468) [TABLE 2.2.1-1]
49 100°沉头开槽机械螺钉 (ASTM F837/F468) [TABLE 2.2.1-3] [美标]
ASME B 18.6.3 (H1C) - 2024
100°沉头开槽机械螺钉 (ASTM F837/F468) [TABLE 2.2.1-3]
Slotted 100-deg Flat Countersunk Head Screws (ASTM F837/F468) [TABLE 2.2.1-3]
50 精密100°沉头开槽机械螺钉 (ASTM F837/F468) [TABLE 2.2.1-5] [美标]
ASME B 18.6.3 (H1E) - 2024
精密100°沉头开槽机械螺钉 (ASTM F837/F468) [TABLE 2.2.1-5]
Slotted Close Tolerance 100-deg Flat Countersunk Head Screws (ASTM F837/F468) [TABLE 2.2.1-5]
51 82°开槽沉头机械螺钉  [Table 1] (ASTM F837 / F468) [美标]
ASME B 18.6.3 (T1) - 2013
82°开槽沉头机械螺钉 [Table 1] (ASTM F837 / F468)
82° Slotted Flat Countersunk Head Machine Screws [Table 1] (ASTM F837 / F468)
52 100°沉头开槽机械螺钉 [Table 3] (ASTM F837 / F468) [美标]
ASME B 18.6.3 (T3) - 2013
100°沉头开槽机械螺钉 [Table 3] (ASTM F837 / F468)
Slotted 100-deg Flat Countersunk Head Screws [Table 3] (ASTM F837 / F468)
53 开槽精密100°沉头机械螺钉 [Table 5] (ASTM F837 / F468) [美标]
ASME B 18.6.3 (T5) - 2013
开槽精密100°沉头机械螺钉 [Table 5] (ASTM F837 / F468)
Slotted Close Tolerance 100-deg Flat Countersunk Head Screws (Machine Screws Only) (ASTM F837 / F468)
54 开槽82°沉头清根机械螺钉 [ Table 9 ] (ASTM F837 / F468) [美标]
ASME B 18.6.3 (T9) - 2013
开槽82°沉头清根机械螺钉 [ Table 9 ] (ASTM F837 / F468)
Slotted Undercut 82-deg Flat Countersunk Head Machine Screws (ASTM F837 / F468)
55 开槽沉头螺栓 [航天]
QJ 2370 - 1992
开槽沉头螺栓
Slotted Countersunk Head Screws
56 开槽沉头螺钉 [航天]
QJ 2373 - 1992
开槽沉头螺钉
Slotted Countersunk Head Screws
57 100°开槽沉头螺钉 [航空]
HB 7187~7195 - 1995
100°开槽沉头螺钉
100° Countersunk Head Bolts
58 100°开槽沉头螺钉 [航空]
HB 7208~7216 - 1995
100°开槽沉头螺钉
Slotted 100 Deg Flat Countersunk Head Screws
标准编号: ASME B 18.6.3 (H3A) - 2024
中文名称: 开槽82°沉头清根机械螺钉 (ASTM F837/F468) [TABLE 2.2.3-1]
英文名称: Slotted Undercut 82-deg Flat Countersunk Head Machine Screws (ASTM F837/F468) [TABLE 2.2.3-1]
数据来源: 易紧通 (164580.com)
Standard Code: ASME B 18.6.3 (H3A) - 2024Chinese Name: 开槽82°沉头清根机械螺钉 (ASTM F837/F468) [TABLE 2.2.3-1]English Name: Slotted Undercut 82-deg Flat Countersunk Head Machine Screws (ASTM F837/F468) [TABLE 2.2.3-1]Source: https://www.164580.com/info_423623.html
Data Source: YJT Fastener Database (164580.com)
Standard: ASME B 18.6.3 (H3A) - 2024
URL: https://www.164580.com/info_423623.html
License: Commercial use requires authorization
© 易紧通 服务热线:4006-164580(免长途费)