index
logo

圆螺母 CNS 4465 - 1978

选择规格尺寸 点击↓

M6

M8

M10

M12

M14

M16

M18

M20

M22

M24

M26

M28

M30

M32

M35

M38

M40

M42

M45

M48

M50

M52

M55

M58

M60

M62

M65

M68

M70

M72

M75

M80

M85

M90

M95

M100

M105

M110

M115

M120

M125

M130

M140

M150

M160

M170

M180

M190

M200

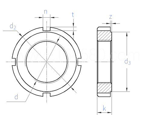
CNS  4465 - 1978 圆螺母

尺寸单位: mm
台湾CNS 4465 - 1978 CNS4465 4465CNS 圆螺母
CNS  4465 - 1978 圆螺母
扫一扫分享
千件重及价格计算 千件重 : kg x 元/kg = 元/千件
默认密度 g/cm3
螺纹尺寸
d
M6 M8 M10 M12 M14 M16 M18 M20 M22 M24 M26 M28 M30
P 螺距
d2 最大值=公称
最小值
d3
n
k 最大值=公称
最小值
t
z
槽数
百件重(钢制)≈kg
0.75 1 1 1.5 1.5 1.5 1.5 1.5 1.5 1.5 1.5 1.5 1.5
16 20 25 28 30 32 34 36 40 42 45 50 50
15.89 19.87 24.87 27.87 29.87 31.84 33.84 35.84 39.84 41.84 44.84 49.84 49.84
12 16 20 23 25 27 28 30 34 36 38 43 43
4 4 5 5 5 5 6 6 6 6 7 7 7
5 5 6 6 7 7 8 8 9 9 10 10 10
4.7 4.7 5.7 5.7 6.64 6.64 7.64 7.64 8.64 8.64 9.64 9.64 9.64
1.5 1.5 2 2 2 2 2.5 2.5 2.5 2.5 3 3 3
0.5 0.5 0.5 0.5 0.5 0.5 0.5 0.5 0.5 0.5 0.5 0.5 0.5
4 4 4 4 4 4 4 4 4 4 4 4 4
0.575 0.925 1.74 2.17 2.86 3.14 3.8 4.13 5.9 6.3 7.82 10.1 9.35
螺纹尺寸
d
M32 M35 M38 M40 M42 M45 M48 M50 M52 M55 M58 M60 M62
P 螺距
d2 最大值=公称
最小值
d3
n
k 最大值=公称
最小值
t
z
槽数
百件重(钢制)≈kg
1.5 1.5 1.5 1.5 1.5 1.5 1.5 1.5 1.5 1.5 1.5 1.5 1.5
52 55 58 62 62 68 75 75 80 80 90 90 95
51.81 54.81 57.81 61.81 61.81 67.81 74.81 74.81 79.81 79.81 89.78 89.78 94.78
45 48 50 54 54 60 67 67 70 70 80 80 85
7 7 8 8 8 8 8 8 10 10 10 10 10
11 11 11 12 12 12 13 13 13 13 13 13 14
10.57 10.57 10.57 11.57 11.57 11.57 12.57 12.57 12.57 12.57 12.57 12.57 13.57
3 3 3.5 3.5 3.5 3.5 3.5 3.5 4 4 4 4 4
0.5 0.5 0.5 0.5 0.5 0.5 0.5 0.5 0.5 0.5 0.5 0.5 0.5
4 4 4 4 4 6 6 6 6 6 6 6 6
10.8 11.7 12.3 15.9 14.7 18.1 25.3 23.8 27.5 25.1 36 34.1 42.6
螺纹尺寸
d
M65 M68 M70 M72 M75 M80 M85 M90 M95 M100 M105 M110 M115
P 螺距
d2 最大值=公称
最小值
d3
n
k 最大值=公称
最小值
t
z
槽数
百件重(钢制)≈kg
1.5 1.5 1.5 1.5 1.5 2 2 2 2 2 2 2 2
95 100 100 110 110 115 120 130 135 145 155 155 165
94.78 99.78 99.78 109.78 109.78 114.78 119.78 129.75 134.75 144.75 154.75 154.75 164.75
85 90 90 100 100 105 110 120 120 130 140 140 150
10 10 10 10 10 10 10 10 12 12 12 12 12
14 14 14 14 14 16 16 16 16 16 16 16 18
13.57 13.57 13.57 13.57 13.57 15.57 15.57 15.57 15.57 15.57 15.57 15.57 17.57
4 4 4 4 4 4 4 4 5 5 5 5 5
0.5 0.5 0.5 0.5 0.5 1 1 1 1 1 1 1 1
6 6 6 6 6 6 6 6 6 6 6 6 6
39.4 44.4 41.8 57.7 54 57.6 68 84.3 86 104 123 113 150
螺纹尺寸
d
M120 M125 M130 M140 M150 M160 M170 M180 M190 M200
P 螺距
d2 最大值=公称
最小值
d3
n
k 最大值=公称
最小值
t
z
槽数
百件重(钢制)≈kg
2 2 3 3 3 3 3 3 3 3
165 180 180 195 205 220 230 245 260 270
164.75 179.75 179.75 194.71 204.71 219.71 229.71 244.71 259.68 269.68
150 165 165 180 190 205 210 225 240 250
12 12 12 12 12 12 16 16 16 16
18 18 18 18 18 20 20 20 20 22
17.57 17.57 17.57 17.57 17.57 19.48 19.48 19.48 19.48 21.48
5 5 5 5 5 5 7 7 7 7
1 1 1 1 1 1 1 1 1 1
6 8 8 8 8 8 8 8 8 8
137 178 167 200 212 278 286 330 377 436
注:技术数据仅供参考,请以官方原件为准!
类似标准及供货信息
1 小圆螺母 [国标]
GB 810 - 1988
小圆螺母
Small Round Nuts
供应商(3)
2 圆螺母 [国标]
GB 812 - 1988
圆螺母
Round Nuts
供应商(11)
3 滚动轴承附件 - 锁紧螺母 KM系列 [国标]
GB /T 9160.2 (KM) - 2017
滚动轴承附件 - 锁紧螺母 KM系列
Rolling Bearing Accessories - Locknuts - KM Series
4 滚动轴承附件 - 锁紧螺母 KML系列 [国标]
GB /T 9160.2 (KML) - 2017
滚动轴承附件 - 锁紧螺母 KML系列
Rolling Bearing Accessories - Locknuts - KML Series
5 滚动轴承附件 - 锁紧螺母 HM系列 [国标]
GB /T 9160.2 (HM) - 2017
滚动轴承附件 - 锁紧螺母 HM系列
Rolling Bearing Accessories - Locknuts - HM Series
6 滚动轴承附件 - 锁紧螺母 HML系列 [国标]
GB /T 9160.2 (HML) - 2017
滚动轴承附件 - 锁紧螺母 HML系列
Rolling Bearing Accessories - Locknuts - HML Series
7 滚动轴承附件 - 锁紧螺母 KM系列 [国标]
GB /T 9160.2 (KM) - 2006
滚动轴承附件 - 锁紧螺母 KM系列
Rolling Bearing Accessories - Locknuts - KM Series
8 滚动轴承附件 - 锁紧螺母 KML系列 [国标]
GB /T 9160.2 (KML) - 2006
滚动轴承附件 - 锁紧螺母 KML系列
Rolling Bearing Accessories - Locknuts - KML Series
9 滚动轴承附件 - 锁紧螺母 HM系列  [国标]
GB /T 9160.2 (HM) - 2006
滚动轴承附件 - 锁紧螺母 HM系列 
en:Rolling Bearing Accessories - Locknuts - HM Series
10 滚动轴承附件 - 锁紧螺母 HML系列 [国标]
GB /T 9160.2 (HML) - 2006
滚动轴承附件 - 锁紧螺母 HML系列
Rolling Bearing Accessories - Locknuts - HML Series
11 端面带孔圆螺母 [国标]
GB 815 - 1988
端面带孔圆螺母
Round Nuts with Drilled Holes in One Face
12 侧面带孔圆螺母 [国标]
GB 816 - 1988
侧面带孔圆螺母
Round Nuts with Set Pin Holes In Side
13 带槽圆螺母 [国标]
GB 817 - 1988
带槽圆螺母
Slotted Round Nuts
14 滚动轴承附件 - 锁紧螺母 KM系列 [国标]
GB 9160.3 (KM) - 1988
滚动轴承附件 - 锁紧螺母 KM系列
Rolling Bearing Accessories - Locknuts - KM Series
15 滚动轴承附件 - 锁紧螺母 KML系列 [国标]
GB 9160.3 (KML) - 1988
滚动轴承附件 - 锁紧螺母 KML系列
Rolling Bearing Accessories - Locknuts - KML Series
16 滚动轴承附件 - 锁紧螺母 HM系列 [国标]
GB 9160.3 (HM) - 1988
滚动轴承附件 - 锁紧螺母 HM系列
Rolling Bearing Accessories - Locknuts - HM Series
17 滚动轴承附件 - 锁紧螺母 HML系列 [国标]
GB 9160.3 (HML) - 1988
滚动轴承附件 - 锁紧螺母 HML系列
Rolling Bearing Accessories - Locknuts - HML Series
18 用于MS...型防松圈的HM...型滚动轴承用锁紧螺母(圆螺母) [德标]
DIN 981 (HM) - 2009
用于MS...型防松圈的HM...型滚动轴承用锁紧螺母(圆螺母)
Locknut of Type HM .. . , for use with Type MS ... Locking Plate as in DIN 5406
供应商(2)
19 用于MB...型防松垫圈的KM...型/KML...型/HM...T型滚动轴承用锁紧螺母(圆螺母) [德标]
DIN 981 (KM) - 2009
用于MB...型防松垫圈的KM...型/KML...型/HM...T型滚动轴承用锁紧螺母(圆螺母)
Locknut of Type KM..., KML... or HM...T,for Use with Type MB... Lockwasher as in Din 5406
供应商(6)
20 用于MS...型防松圈的HM...型滚动轴承用锁紧螺母(圆螺母) [德标]
DIN 981 (HM) - 1993
用于MS...型防松圈的HM...型滚动轴承用锁紧螺母(圆螺母)
Locknut of Type HM .. . , for use with Type MS ... Locking Plate as in DIN 5406
供应商(2)
21 用于MB...型防松垫圈的KM...型/KML...型/HM...T型滚动轴承用锁紧螺母(圆螺母) [德标]
DIN 981 (KM) - 1993
用于MB...型防松垫圈的KM...型/KML...型/HM...T型滚动轴承用锁紧螺母(圆螺母)
Locknut of Type KM..., KML... or HM...T, for Use with Type MB... Lockwasher as in Din 5406
供应商(6)
22 滚动轴承锁紧螺母 [德标]
DIN 981 (KM) - 1983
滚动轴承锁紧螺母
Rolling Bearings - Locknuts
供应商(6)
23 开槽圆螺母 [德标]
DIN 546 - 2024
开槽圆螺母
Slotted Round Nuts
24 端面带孔圆螺母 [德标]
DIN 547 - 2024
端面带孔圆螺母
Round Nuts with Drilled Holes in One Face
25 侧面带孔圆螺母 [德标]
DIN 548 - 2024
侧面带孔圆螺母
Round Nuts with Set Pin Holes in Side
26 开槽圆螺母 [德标]
DIN 546 - 2010
开槽圆螺母
Slotted Round Nuts
27 货物起重装置.起重附件和配件—圆螺母 [德标]
DIN 82013 - 2010
货物起重装置.起重附件和配件—圆螺母
Cargo Lifting Gear - Accessories and Fittings for Lifting - Round Nuts
28 侧面带孔圆螺母 [德标]
DIN 548 - 2007
侧面带孔圆螺母
Round Nuts with Set Pin Holes in Side
29 端面带孔圆螺母 [德标]
DIN 547 - 2006
端面带孔圆螺母
Round Nuts with Drilled Holes in One Face
30 用锁紧片锁的开槽螺母(圆螺母) [德标]
DIN 70852 - 1989
用锁紧片锁的开槽螺母(圆螺母)
Groove Nuts
31 开槽圆螺母 [德标]
DIN 546 - 1986
开槽圆螺母
Slotted Round Nuts
32 端面带孔圆螺母 [德标]
DIN 547 - 1986
端面带孔圆螺母
Round Nuts with Drilled Holes in One Face
33 侧面带孔圆螺母 [德标]
DIN 548 - 1986
侧面带孔圆螺母
Round Nuts with Set Pin Holes in Side
34 钩形扳手用开槽圆螺母,米制细牙螺纹 [德标]
DIN 1804 - 1971
钩形扳手用开槽圆螺母,米制细牙螺纹
Slotted Round Nuts for Hook Spanner, ISO Metric Fine Thread
35 带定位销孔的圆螺母, 细牙螺纹 [德标]
DIN 1816 - 1971
带定位销孔的圆螺母, 细牙螺纹
Round Nut with Set Pin Holes Inside, ISO Metric Fine Thread
36 滚动轴承附件 - 4槽锁紧螺母 [国际]
ISO 2982-2 (4 Slot) - 2013
滚动轴承附件 - 4槽锁紧螺母
Rolling Bearings - Accessories - Locknut with 4 Slots
37 滚动轴承附件 - 8槽锁紧螺母 [国际]
ISO 2982-2 (8Slot) - 2013
滚动轴承附件 - 8槽锁紧螺母
Rolling Bearings - Accessories - Locknuts with 8 Slots
38 4槽锁紧螺母 [日标]
JIS B 1554 (AN HN/ANL HNL) - 2016
4槽锁紧螺母
Locknuts with 4 Slots
39 8槽锁紧螺母 [日标]
JIS B 1554 (AN/ANL) - 2016
8槽锁紧螺母
Locknuts with 8 Slots
40 眼镜框架用 - 开槽圆螺母 [日标]
JIS B 1119 (3SR) - 1986
眼镜框架用 - 开槽圆螺母
Spectacle Frames - Recessed Round Nuts
41 圆螺母 [汽标代号]
Q 391
圆螺母
Round Nuts
42 C型锁紧螺母 [机械行业]
JB /T 1700 (C) - 2008
C型锁紧螺母
Prevailing Torque Type Hexagon Nuts - Type C
43 液力螺母 YMZ型 [机械行业]
JB /T 7553 (YMZ) - 2007
液力螺母 YMZ型
Hydraulic Nut - Type YMZ
44 液力螺母 YMJ型 [机械行业]
JB /T 7553 (YMJ) - 2007
液力螺母 YMJ型
Hydraulic Nut - Type YMJ
45 液力螺母 YMQZ型 [机械行业]
JB /T 7553 (YMQZ) - 2007
液力螺母 YMQZ型
Hydraulic Nut - Type YMQZ
46 液力螺母 YMQJ型 [机械行业]
JB /T 7553 (YMQJ) - 2007
液力螺母 YMQJ型
Hydraulic Nut - Type YMQJ
47 圆螺母 [机械行业]
JB /ZQ 4328 - 2006
圆螺母
Round Nuts
48 4槽锁紧螺母 KM、HM型 [机械行业]
JB /T 7919.3 - 1999
4槽锁紧螺母 KM、HM型
Locknut with 4 Slots - Type KM、HM
49 4槽锁紧螺母 KML、HML型 [机械行业]
JB /T 7919.3 - 1999
4槽锁紧螺母 KML、HML型
Locknut with 4 Slots - Type KML、HML
50 8槽锁紧螺母 KM、HM型 [机械行业]
JB /T 7919.3 - 1999
8槽锁紧螺母 KM、HM型
Locknuts with 8 Slots - Type KM、HM
51 8槽锁紧螺母 KML、HML型 [机械行业]
JB /T 7919.3 - 1999
8槽锁紧螺母 KML、HML型
Locknuts with 8 Slots - Type KML、HML
52 锁紧螺母 [机械行业]
JB 1700.2 - 1991
锁紧螺母
Lock Nut
53 带锁紧槽圆螺母 [机械行业]
JB 24-59
带锁紧槽圆螺母

54 圆螺母 [法国]
NF E 22-111 - 1969
圆螺母
Locknuts - Heavy Series
55 开槽圆螺母 [法国]
NF E 27-413 - 1959
开槽圆螺母
Slotted Round Nuts
56 侧面带孔圆螺母 [台湾]
CNS 4433 - 1993
侧面带孔圆螺母
Round Nuts with Set Pin Holes In Side
57 端面带孔圆螺母 [台湾]
CNS 4434 - 1993
端面带孔圆螺母
Round Nuts with Drilled Holes In One Face
58 开槽圆螺母 A级 [俄标]
GOST 11871 - 1988
开槽圆螺母 A级
Slotted Round Nuts, Product Grade A
59 开槽圆螺母 [俄标]
GOST 10657 - 1980
开槽圆螺母
Round Nuts Slotted on Face
60 锁紧螺母 [标准]
YJT 3044
锁紧螺母

61 锁紧螺母 [标准]
YJT 3045
锁紧螺母

62 英制滚珠轴承和滚柱轴承配件 — 锁紧螺母 Table 4.1 [美标]
ANSI /ABMA 8.2 - 1999
英制滚珠轴承和滚柱轴承配件 — 锁紧螺母 Table 4.1
Locknut Dimensions Inch Design Series N-00, AN-00, TN and TAN
63 英制滚珠轴承和滚柱轴承配件 — 锁紧螺母 Table 4.2 [美标]
ANSI /ABMA 8.2 - 1999
英制滚珠轴承和滚柱轴承配件 — 锁紧螺母 Table 4.2
Locknut Dimensions Inch Design Series N-000
64 英制滚珠轴承和滚柱轴承配件 — 锁紧螺母 Table 4.3 [美标]
ANSI /ABMA 8.2 - 1999
英制滚珠轴承和滚柱轴承配件 — 锁紧螺母 Table 4.3
Removal Nut Dimensions Inch Design Series RN and ARN
65 开槽螺母 [航天]
QJ 2392 - 1992
开槽螺母
Slotted Round Nuts
66 带锁紧槽圆螺母 [航空]
HB 315 - 1987
带锁紧槽圆螺母

© 易紧通 服务热线:4006-164580(免长途费)