index
logo

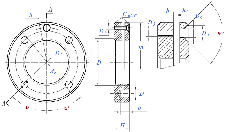
带锁紧槽圆螺母 HB 315 - 1987

选择规格尺寸 点击↓

M16 ×1.5

M18 ×1.5

M20 ×1.5

M22 ×1.5

M24 ×1.5

M27 ×1.5

M30 ×1.5

M33 ×1.5

M36 ×1.5

M39 ×1.5

M42 ×1.5

M45 ×1.5

M48 ×1.5

M52 ×1.5

M56 ×2

M60 ×2

M64 ×2

HB  315 - 1987 带锁紧槽圆螺母

尺寸单位: mm
航空HB 315 - 1987 HB315 315HB 带锁紧槽圆螺母
HB  315 - 1987 带锁紧槽圆螺母
扫一扫分享
螺纹规格
D
M16
×1.5
M18
×1.5
M20
×1.5
M22
×1.5
M24
×1.5
M27
×1.5
M30
×1.5
M33
×1.5
M36
×1.5
D1 最小值=公称
最大值
D2 最小值=公称
最大值
H 最大值=公称
最小值
D3
D4
D5
dk
R
h
h1
b
m
C
适用螺钉GB68-85
22 26 29 32 34 37 40 45 48
22.13 26.13 29.13 32.16 34.16 37.16 40.16 45.16 48.16
3 3.5 3.5 4 4 4 4.5 4.5 4.5
3.14 3.68 3.68 4.18 4.18 4.18 4.68 4.68 4.68
8 8 8 10 10 10 10 10 10
7.64 7.64 7.64 9.64 9.64 9.64 9.64 9.64 9.64
M3 M3 M3 M4 M4 M4 M4 M5 M5
3.5 3.5 3.5 4.5 4.5 4.5 4.5 5.5 5.5
7 7 7 10 10 10 10 11 11
32 34 38 42 45 48 51 58 61
12 13 14.5 16 17 18.5 20 22.5 24
4 4 4 5 5 5 6 6 6
1.8 1.8 1.8 2.2 2.2 2.2 3 3 3
1.6 1.6 1.6 2 2 2 2 2 2
20 20 20 25 25 30 30 35 35
0.5 0.5 0.5 0.5 1 1 1 1 1
M3×6 M3×6 M3×6 M4×8 M4×8 M4×8 M4×8 M5×8 M5×8
螺纹规格
D
M39
×1.5
M42
×1.5
M45
×1.5
M48
×1.5
M52
×1.5
M56
×2
M60
×2
M64
×2
D1 最小值=公称
最大值
D2 最小值=公称
最大值
H 最大值=公称
最小值
D3
D4
D5
dk
R
h
h1
b
m
C
适用螺钉GB68-85
51 54 57 62 66 70 75 80
51.19 54.19 57.19 62.19 66.19 70.19 75.19 80.19
4.5 5.5 5.5 5.5 5.5 6.5 6.5 7.5
4.68 5.68 5.68 5.68 5.68 6.72 6.72 7.72
10 10 10 12 12 12 12 12
9.64 9.64 9.64 11.57 11.57 11.57 11.57 11.57
M5 M5 M5 M6 M6 M6 M6 M6
5.5 5.5 5.5 7 7 7 7 7
11 11 11 13 13 13 13 13
64 67 70 77 81 85 90 95
25.5 27 28.5 31 33 35 37 40
6 7 7 7 7 7 7 8
3 3 3 4 4 4 4 4
2 2 2 3 3 3 3 3
40 40 45 45 50 50 55 55
1 1 1 1 1 1 1 1
M5×8 M5×8 M5×8 M6×10 M6×10 M6×10 M6×10 M6×10
①,材料:A6钢,按GB700-1979;热处理:HRC35~40;技术条件:按HB457-1987。
注:技术数据仅供参考,请以官方原件为准!
类似标准及供货信息
1 小圆螺母 [国标]
GB 810 - 1988
小圆螺母
Small Round Nuts
供应商(3)
2 圆螺母 [国标]
GB 812 - 1988
圆螺母
Round Nuts
供应商(11)
3 滚动轴承附件 - 锁紧螺母 KM系列 [国标]
GB /T 9160.2 (KM) - 2017
滚动轴承附件 - 锁紧螺母 KM系列
Rolling Bearing Accessories - Locknuts - KM Series
4 滚动轴承附件 - 锁紧螺母 KML系列 [国标]
GB /T 9160.2 (KML) - 2017
滚动轴承附件 - 锁紧螺母 KML系列
Rolling Bearing Accessories - Locknuts - KML Series
5 滚动轴承附件 - 锁紧螺母 HM系列 [国标]
GB /T 9160.2 (HM) - 2017
滚动轴承附件 - 锁紧螺母 HM系列
Rolling Bearing Accessories - Locknuts - HM Series
6 滚动轴承附件 - 锁紧螺母 HML系列 [国标]
GB /T 9160.2 (HML) - 2017
滚动轴承附件 - 锁紧螺母 HML系列
Rolling Bearing Accessories - Locknuts - HML Series
7 滚动轴承附件 - 锁紧螺母 KM系列 [国标]
GB /T 9160.2 (KM) - 2006
滚动轴承附件 - 锁紧螺母 KM系列
Rolling Bearing Accessories - Locknuts - KM Series
8 滚动轴承附件 - 锁紧螺母 KML系列 [国标]
GB /T 9160.2 (KML) - 2006
滚动轴承附件 - 锁紧螺母 KML系列
Rolling Bearing Accessories - Locknuts - KML Series
9 滚动轴承附件 - 锁紧螺母 HM系列  [国标]
GB /T 9160.2 (HM) - 2006
滚动轴承附件 - 锁紧螺母 HM系列 
en:Rolling Bearing Accessories - Locknuts - HM Series
10 滚动轴承附件 - 锁紧螺母 HML系列 [国标]
GB /T 9160.2 (HML) - 2006
滚动轴承附件 - 锁紧螺母 HML系列
Rolling Bearing Accessories - Locknuts - HML Series
11 端面带孔圆螺母 [国标]
GB 815 - 1988
端面带孔圆螺母
Round Nuts with Drilled Holes in One Face
12 侧面带孔圆螺母 [国标]
GB 816 - 1988
侧面带孔圆螺母
Round Nuts with Set Pin Holes In Side
13 带槽圆螺母 [国标]
GB 817 - 1988
带槽圆螺母
Slotted Round Nuts
14 滚动轴承附件 - 锁紧螺母 KM系列 [国标]
GB 9160.3 (KM) - 1988
滚动轴承附件 - 锁紧螺母 KM系列
Rolling Bearing Accessories - Locknuts - KM Series
15 滚动轴承附件 - 锁紧螺母 KML系列 [国标]
GB 9160.3 (KML) - 1988
滚动轴承附件 - 锁紧螺母 KML系列
Rolling Bearing Accessories - Locknuts - KML Series
16 滚动轴承附件 - 锁紧螺母 HM系列 [国标]
GB 9160.3 (HM) - 1988
滚动轴承附件 - 锁紧螺母 HM系列
Rolling Bearing Accessories - Locknuts - HM Series
17 滚动轴承附件 - 锁紧螺母 HML系列 [国标]
GB 9160.3 (HML) - 1988
滚动轴承附件 - 锁紧螺母 HML系列
Rolling Bearing Accessories - Locknuts - HML Series
18 用于MS...型防松圈的HM...型滚动轴承用锁紧螺母(圆螺母) [德标]
DIN 981 (HM) - 2009
用于MS...型防松圈的HM...型滚动轴承用锁紧螺母(圆螺母)
Locknut of Type HM .. . , for use with Type MS ... Locking Plate as in DIN 5406
供应商(2)
19 用于MB...型防松垫圈的KM...型/KML...型/HM...T型滚动轴承用锁紧螺母(圆螺母) [德标]
DIN 981 (KM) - 2009
用于MB...型防松垫圈的KM...型/KML...型/HM...T型滚动轴承用锁紧螺母(圆螺母)
Locknut of Type KM..., KML... or HM...T,for Use with Type MB... Lockwasher as in Din 5406
供应商(6)
20 用于MS...型防松圈的HM...型滚动轴承用锁紧螺母(圆螺母) [德标]
DIN 981 (HM) - 1993
用于MS...型防松圈的HM...型滚动轴承用锁紧螺母(圆螺母)
Locknut of Type HM .. . , for use with Type MS ... Locking Plate as in DIN 5406
供应商(2)
21 用于MB...型防松垫圈的KM...型/KML...型/HM...T型滚动轴承用锁紧螺母(圆螺母) [德标]
DIN 981 (KM) - 1993
用于MB...型防松垫圈的KM...型/KML...型/HM...T型滚动轴承用锁紧螺母(圆螺母)
Locknut of Type KM..., KML... or HM...T, for Use with Type MB... Lockwasher as in Din 5406
供应商(6)
22 滚动轴承锁紧螺母 [德标]
DIN 981 (KM) - 1983
滚动轴承锁紧螺母
Rolling Bearings - Locknuts
供应商(6)
23 开槽圆螺母 [德标]
DIN 546 - 2024
开槽圆螺母
Slotted Round Nuts
24 端面带孔圆螺母 [德标]
DIN 547 - 2024
端面带孔圆螺母
Round Nuts with Drilled Holes in One Face
25 侧面带孔圆螺母 [德标]
DIN 548 - 2024
侧面带孔圆螺母
Round Nuts with Set Pin Holes in Side
26 开槽圆螺母 [德标]
DIN 546 - 2010
开槽圆螺母
Slotted Round Nuts
27 货物起重装置.起重附件和配件—圆螺母 [德标]
DIN 82013 - 2010
货物起重装置.起重附件和配件—圆螺母
Cargo Lifting Gear - Accessories and Fittings for Lifting - Round Nuts
28 侧面带孔圆螺母 [德标]
DIN 548 - 2007
侧面带孔圆螺母
Round Nuts with Set Pin Holes in Side
29 端面带孔圆螺母 [德标]
DIN 547 - 2006
端面带孔圆螺母
Round Nuts with Drilled Holes in One Face
30 用锁紧片锁的开槽螺母(圆螺母) [德标]
DIN 70852 - 1989
用锁紧片锁的开槽螺母(圆螺母)
Groove Nuts
31 开槽圆螺母 [德标]
DIN 546 - 1986
开槽圆螺母
Slotted Round Nuts
32 端面带孔圆螺母 [德标]
DIN 547 - 1986
端面带孔圆螺母
Round Nuts with Drilled Holes in One Face
33 侧面带孔圆螺母 [德标]
DIN 548 - 1986
侧面带孔圆螺母
Round Nuts with Set Pin Holes in Side
34 钩形扳手用开槽圆螺母,米制细牙螺纹 [德标]
DIN 1804 - 1971
钩形扳手用开槽圆螺母,米制细牙螺纹
Slotted Round Nuts for Hook Spanner, ISO Metric Fine Thread
35 带定位销孔的圆螺母, 细牙螺纹 [德标]
DIN 1816 - 1971
带定位销孔的圆螺母, 细牙螺纹
Round Nut with Set Pin Holes Inside, ISO Metric Fine Thread
36 滚动轴承附件 - 4槽锁紧螺母 [国际]
ISO 2982-2 (4 Slot) - 2013
滚动轴承附件 - 4槽锁紧螺母
Rolling Bearings - Accessories - Locknut with 4 Slots
37 滚动轴承附件 - 8槽锁紧螺母 [国际]
ISO 2982-2 (8Slot) - 2013
滚动轴承附件 - 8槽锁紧螺母
Rolling Bearings - Accessories - Locknuts with 8 Slots
38 4槽锁紧螺母 [日标]
JIS B 1554 (AN HN/ANL HNL) - 2016
4槽锁紧螺母
Locknuts with 4 Slots
39 8槽锁紧螺母 [日标]
JIS B 1554 (AN/ANL) - 2016
8槽锁紧螺母
Locknuts with 8 Slots
40 眼镜框架用 - 开槽圆螺母 [日标]
JIS B 1119 (3SR) - 1986
眼镜框架用 - 开槽圆螺母
Spectacle Frames - Recessed Round Nuts
41 圆螺母 [汽标代号]
Q 391
圆螺母
Round Nuts
42 C型锁紧螺母 [机械行业]
JB /T 1700 (C) - 2008
C型锁紧螺母
Prevailing Torque Type Hexagon Nuts - Type C
43 液力螺母 YMZ型 [机械行业]
JB /T 7553 (YMZ) - 2007
液力螺母 YMZ型
Hydraulic Nut - Type YMZ
44 液力螺母 YMJ型 [机械行业]
JB /T 7553 (YMJ) - 2007
液力螺母 YMJ型
Hydraulic Nut - Type YMJ
45 液力螺母 YMQZ型 [机械行业]
JB /T 7553 (YMQZ) - 2007
液力螺母 YMQZ型
Hydraulic Nut - Type YMQZ
46 液力螺母 YMQJ型 [机械行业]
JB /T 7553 (YMQJ) - 2007
液力螺母 YMQJ型
Hydraulic Nut - Type YMQJ
47 圆螺母 [机械行业]
JB /ZQ 4328 - 2006
圆螺母
Round Nuts
48 4槽锁紧螺母 KM、HM型 [机械行业]
JB /T 7919.3 - 1999
4槽锁紧螺母 KM、HM型
Locknut with 4 Slots - Type KM、HM
49 4槽锁紧螺母 KML、HML型 [机械行业]
JB /T 7919.3 - 1999
4槽锁紧螺母 KML、HML型
Locknut with 4 Slots - Type KML、HML
50 8槽锁紧螺母 KM、HM型 [机械行业]
JB /T 7919.3 - 1999
8槽锁紧螺母 KM、HM型
Locknuts with 8 Slots - Type KM、HM
51 8槽锁紧螺母 KML、HML型 [机械行业]
JB /T 7919.3 - 1999
8槽锁紧螺母 KML、HML型
Locknuts with 8 Slots - Type KML、HML
52 锁紧螺母 [机械行业]
JB 1700.2 - 1991
锁紧螺母
Lock Nut
53 带锁紧槽圆螺母 [机械行业]
JB 24-59
带锁紧槽圆螺母

54 圆螺母 [法国]
NF E 22-111 - 1969
圆螺母
Locknuts - Heavy Series
55 开槽圆螺母 [法国]
NF E 27-413 - 1959
开槽圆螺母
Slotted Round Nuts
56 侧面带孔圆螺母 [台湾]
CNS 4433 - 1993
侧面带孔圆螺母
Round Nuts with Set Pin Holes In Side
57 端面带孔圆螺母 [台湾]
CNS 4434 - 1993
端面带孔圆螺母
Round Nuts with Drilled Holes In One Face
58 圆螺母 [台湾]
CNS 4465 - 1978
圆螺母
Round Nuts
59 开槽圆螺母 A级 [俄标]
GOST 11871 - 1988
开槽圆螺母 A级
Slotted Round Nuts, Product Grade A
60 开槽圆螺母 [俄标]
GOST 10657 - 1980
开槽圆螺母
Round Nuts Slotted on Face
61 锁紧螺母 [标准]
YJT 3044
锁紧螺母

62 锁紧螺母 [标准]
YJT 3045
锁紧螺母

63 英制滚珠轴承和滚柱轴承配件 — 锁紧螺母 Table 4.1 [美标]
ANSI /ABMA 8.2 - 1999
英制滚珠轴承和滚柱轴承配件 — 锁紧螺母 Table 4.1
Locknut Dimensions Inch Design Series N-00, AN-00, TN and TAN
64 英制滚珠轴承和滚柱轴承配件 — 锁紧螺母 Table 4.2 [美标]
ANSI /ABMA 8.2 - 1999
英制滚珠轴承和滚柱轴承配件 — 锁紧螺母 Table 4.2
Locknut Dimensions Inch Design Series N-000
65 英制滚珠轴承和滚柱轴承配件 — 锁紧螺母 Table 4.3 [美标]
ANSI /ABMA 8.2 - 1999
英制滚珠轴承和滚柱轴承配件 — 锁紧螺母 Table 4.3
Removal Nut Dimensions Inch Design Series RN and ARN
66 开槽螺母 [航天]
QJ 2392 - 1992
开槽螺母
Slotted Round Nuts
© 易紧通 服务热线:4006-164580(免长途费)