index
logo
pic

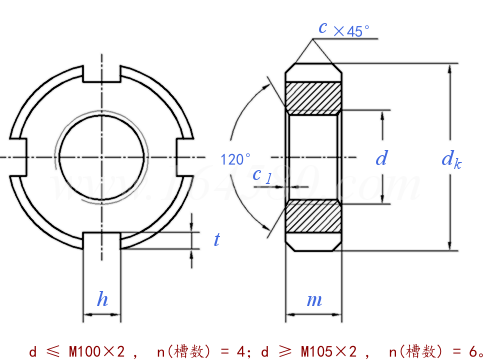
小圆螺母 GB 810 - 1988

查看供应商

选择规格尺寸 点击↓

M10 × 1

M12 × 1.25

M14 × 1.5

M16 × 1.5

M18 × 1.5

M20 × 1.5

M22 × 1.5

M24 × 1.5

M27 × 1.5

M30 × 1.5

M33 × 1.5

M36 × 1.5

M39 × 1.5

M42 × 1.5

M45 × 1.5

M48 × 1.5

M52 × 1.5

M56 × 2

M60 × 2

M64 × 2

M68 × 2

M72 × 2

M76 × 2

M80 × 2

M85 × 2

M90 × 2

M95 × 2

M100 × 2

M105 × 2

M110 × 2

M115 × 2

M120 × 2

M125 × 2

M130 × 2

M140 × 2

M150 × 2

M160 × 3

M170 × 3

M180 × 3

M190 × 3

M200 × 3

GB  810 - 1988 小圆螺母

尺寸单位: mm
国标GB 810 - 1988 GB810 810GB 小圆螺母
GB  810 - 1988 小圆螺母
扫一扫分享
千件重及价格计算 千件重 : kg x 元/kg = 元/千件
默认密度 g/cm3
螺纹尺寸
d
M10
× 1
M12
× 1.25
M14
× 1.5
M16
× 1.5
M18
× 1.5
M20
× 1.5
M22
× 1.5
M24
× 1.5
M27
× 1.5
M30
× 1.5
M33
× 1.5
M36
× 1.5
M39
× 1.5
M42
× 1.5
dk
m
h 最大值
最小值
t 最大值
最小值
c
c1
千件重(钢制)≈kg
20 22 25 28 30 32 35 38 42 45 48 52 55 58
6 6 6 6 6 6 8 8 8 8 8 8 8 8
4.3 4.3 4.3 4.3 5.3 5.3 5.3 5.3 5.3 5.3 5.3 6.3 6.3 6.3
4 4 4 4 5 5 5 5 5 5 5 6 6 6
2.6 2.6 2.6 2.6 3.1 3.1 3.1 3.1 3.1 3.1 3.1 3.6 3.6 3.6
2 2 2 2 2.5 2.5 2.5 2.5 2.5 2.5 2.5 3 3 3
0.5 0.5 0.5 0.5 0.5 0.5 0.5 0.5 1 1 1 1 1 1
0.5 0.5 0.5 0.5 0.5 0.5 0.5 0.5 0.5 0.5 0.5 0.5 0.5 0.5
9.53 11 14.27 17.91 18.83 20.6 33.2 39.42 47.6 52.01 56.43 64.51 69.22 73.92
螺纹尺寸
d
M45
× 1.5
M48
× 1.5
M52
× 1.5
M56
× 2
M60
× 2
M64
× 2
M68
× 2
M72
× 2
M76
× 2
M80
× 2
M85
× 2
M90
× 2
M95
× 2
M100
× 2
dk
m
h 最大值
最小值
t 最大值
最小值
c
c1
千件重(钢制)≈kg
62 68 72 78 80 85 90 95 100 105 110 115 120 125
8 10 10 10 10 10 10 12 12 12 12 12 12 12
6.3 6.3 8.36 8.36 8.36 8.36 8.36 8.36 10.36 10.36 10.36 10.36 10.36 12.43
6 6 8 8 8 8 8 8 10 10 10 10 10 12
3.6 3.6 4.25 4.25 4.25 4.25 4.25 4.25 4.75 4.75 4.75 4.75 4.75 5.75
3 3 3.5 3.5 3.5 3.5 3.5 3.5 4 4 4 4 4 5
1 1 1 1 1 1 1 1 1 1.5 1.5 1.5 1.5 1.5
0.5 0.5 0.5 1 1 1 1 1 1 1 1 1 1 1
84.65 136.5 143.2 171.9 162.8 183 204.2 271.9 295.5 325 343.4 361.8 380.2 391.1
螺纹尺寸
d
M105
× 2
M110
× 2
M115
× 2
M120
× 2
M125
× 2
M130
× 2
M140
× 2
M150
× 2
M160
× 3
M170
× 3
M180
× 3
M190
× 3
M200
× 3
dk
m
h 最大值
最小值
t 最大值
最小值
c
c1
千件重(钢制)≈kg
130 135 140 145 150 160 170 180 195 205 220 230 240
15 15 15 15 15 15 18 18 18 18 22 22 22
12.43 12.43 12.43 14.43 14.43 14.43 14.43 14.43 14.43 16.43 16.43 16.43 16.43
12 12 12 14 14 14 14 14 14 16 16 16 16
5.75 5.75 5.75 6.75 6.75 6.75 6.75 6.75 6.75 7.9 7.9 7.9 7.9
5 5 5 6 6 6 6 6 6 7 7 7 7
1.5 1.5 1.5 1.5 1.5 1.5 1.5 1.5 2 2 2 2 2
1 1 1 1 1 1 1 1 1.5 1.5 1.5 1.5 1.5
497.7 520.7 543.7 549.8 572.8 740.5 954.8 1021 1299 1353 2041 2149 2257
替代列表
GB /T 810 - 1988

技术条件和引用标准

材料
螺纹 公差
标准
垂直度 σ
标准
热处理及表面处理
验收及包装
45钢(GB 699)
6H
GB 196、GB 197
按表3中9级规定
GB 1184
①槽或全部热处理后HRC 35~45
②调质HRC 24~30
③氧化
GB 90
注:技术数据仅供参考,请以官方原件为准!
告诉我在“易紧通”看到,将给您优惠
联系人:戴克胜 点击这里给我发消息429444645   移动电话: 18969772569     电话:0577-65652569     微信号:18969772569
材质:碳钢、中碳钢、弹簧钢、不锈钢 规格范围:规格齐全(可按客户要求定做) 表面处理:本色、发黑、镀锌、达克罗、热镀锌,可按客户要求定做
联系人:赵克松 点击这里给我发消息10631443   移动电话: 13179366660、15189965745     电话:0523-83980296
材质:304、321、316L、317L、310S、347、410、420、430、431、416、904L、254SMO、1.4529、1.4539、1.4462、2205、2507 、S32750、S32760、630、631、625、925、718、A286、GB4169、GH2132 Monel K-400、 哈氏合金C-276。 等级:A2-70、A2-80 、A4-70 、 A4-80 、B8、 B8M、 B8T 规格范围:M10-M200
联系人:杨帆(销售经理) 点击这里给我发消息2850588398   移动电话: 13813085707     电话:025-52758402,52758403,52758406分机:8859/8858
材料:碳钢、合金钢、304、304L、310S、316、316L、317、321、347、双相钢2205、2507、2520、904L、410、420、430、431、440、631、蒙乃尔K500、1.4410、1.4501、1.4529、1.4539、1.4547、1.4980;等级:A2-70、A2-80、A3-70、A4-70、A4-80、A5-80、C1-70、C4-70、C1-110、C3-80、8.8级、10.9级\12.9级以上;表面处理:本色、发黑、磷化、钝化、镀锌、达克罗、锌镍合金、镀金、镀银等;规格范围:M3-M72,可按图定制
类似标准及供货信息
1 圆螺母 [国标]
GB 812 - 1988
圆螺母
Round Nuts
供应商(11)
2 滚动轴承附件 - 锁紧螺母 KM系列 [国标]
GB /T 9160.2 (KM) - 2017
滚动轴承附件 - 锁紧螺母 KM系列
Rolling Bearing Accessories - Locknuts - KM Series
3 滚动轴承附件 - 锁紧螺母 KML系列 [国标]
GB /T 9160.2 (KML) - 2017
滚动轴承附件 - 锁紧螺母 KML系列
Rolling Bearing Accessories - Locknuts - KML Series
4 滚动轴承附件 - 锁紧螺母 HM系列 [国标]
GB /T 9160.2 (HM) - 2017
滚动轴承附件 - 锁紧螺母 HM系列
Rolling Bearing Accessories - Locknuts - HM Series
5 滚动轴承附件 - 锁紧螺母 HML系列 [国标]
GB /T 9160.2 (HML) - 2017
滚动轴承附件 - 锁紧螺母 HML系列
Rolling Bearing Accessories - Locknuts - HML Series
6 滚动轴承附件 - 锁紧螺母 KM系列 [国标]
GB /T 9160.2 (KM) - 2006
滚动轴承附件 - 锁紧螺母 KM系列
Rolling Bearing Accessories - Locknuts - KM Series
7 滚动轴承附件 - 锁紧螺母 KML系列 [国标]
GB /T 9160.2 (KML) - 2006
滚动轴承附件 - 锁紧螺母 KML系列
Rolling Bearing Accessories - Locknuts - KML Series
8 滚动轴承附件 - 锁紧螺母 HM系列  [国标]
GB /T 9160.2 (HM) - 2006
滚动轴承附件 - 锁紧螺母 HM系列 
en:Rolling Bearing Accessories - Locknuts - HM Series
9 滚动轴承附件 - 锁紧螺母 HML系列 [国标]
GB /T 9160.2 (HML) - 2006
滚动轴承附件 - 锁紧螺母 HML系列
Rolling Bearing Accessories - Locknuts - HML Series
10 端面带孔圆螺母 [国标]
GB 815 - 1988
端面带孔圆螺母
Round Nuts with Drilled Holes in One Face
11 侧面带孔圆螺母 [国标]
GB 816 - 1988
侧面带孔圆螺母
Round Nuts with Set Pin Holes In Side
12 带槽圆螺母 [国标]
GB 817 - 1988
带槽圆螺母
Slotted Round Nuts
13 滚动轴承附件 - 锁紧螺母 KM系列 [国标]
GB 9160.3 (KM) - 1988
滚动轴承附件 - 锁紧螺母 KM系列
Rolling Bearing Accessories - Locknuts - KM Series
14 滚动轴承附件 - 锁紧螺母 KML系列 [国标]
GB 9160.3 (KML) - 1988
滚动轴承附件 - 锁紧螺母 KML系列
Rolling Bearing Accessories - Locknuts - KML Series
15 滚动轴承附件 - 锁紧螺母 HM系列 [国标]
GB 9160.3 (HM) - 1988
滚动轴承附件 - 锁紧螺母 HM系列
Rolling Bearing Accessories - Locknuts - HM Series
16 滚动轴承附件 - 锁紧螺母 HML系列 [国标]
GB 9160.3 (HML) - 1988
滚动轴承附件 - 锁紧螺母 HML系列
Rolling Bearing Accessories - Locknuts - HML Series
17 用于MS...型防松圈的HM...型滚动轴承用锁紧螺母(圆螺母) [德标]
DIN 981 (HM) - 2009
用于MS...型防松圈的HM...型滚动轴承用锁紧螺母(圆螺母)
Locknut of Type HM .. . , for use with Type MS ... Locking Plate as in DIN 5406
供应商(2)
18 用于MB...型防松垫圈的KM...型/KML...型/HM...T型滚动轴承用锁紧螺母(圆螺母) [德标]
DIN 981 (KM) - 2009
用于MB...型防松垫圈的KM...型/KML...型/HM...T型滚动轴承用锁紧螺母(圆螺母)
Locknut of Type KM..., KML... or HM...T,for Use with Type MB... Lockwasher as in Din 5406
供应商(6)
19 用于MS...型防松圈的HM...型滚动轴承用锁紧螺母(圆螺母) [德标]
DIN 981 (HM) - 1993
用于MS...型防松圈的HM...型滚动轴承用锁紧螺母(圆螺母)
Locknut of Type HM .. . , for use with Type MS ... Locking Plate as in DIN 5406
供应商(2)
20 用于MB...型防松垫圈的KM...型/KML...型/HM...T型滚动轴承用锁紧螺母(圆螺母) [德标]
DIN 981 (KM) - 1993
用于MB...型防松垫圈的KM...型/KML...型/HM...T型滚动轴承用锁紧螺母(圆螺母)
Locknut of Type KM..., KML... or HM...T, for Use with Type MB... Lockwasher as in Din 5406
供应商(6)
21 滚动轴承锁紧螺母 [德标]
DIN 981 (KM) - 1983
滚动轴承锁紧螺母
Rolling Bearings - Locknuts
供应商(6)
22 开槽圆螺母 [德标]
DIN 546 - 2024
开槽圆螺母
Slotted Round Nuts
23 端面带孔圆螺母 [德标]
DIN 547 - 2024
端面带孔圆螺母
Round Nuts with Drilled Holes in One Face
24 侧面带孔圆螺母 [德标]
DIN 548 - 2024
侧面带孔圆螺母
Round Nuts with Set Pin Holes in Side
25 开槽圆螺母 [德标]
DIN 546 - 2010
开槽圆螺母
Slotted Round Nuts
26 货物起重装置.起重附件和配件—圆螺母 [德标]
DIN 82013 - 2010
货物起重装置.起重附件和配件—圆螺母
Cargo Lifting Gear - Accessories and Fittings for Lifting - Round Nuts
27 侧面带孔圆螺母 [德标]
DIN 548 - 2007
侧面带孔圆螺母
Round Nuts with Set Pin Holes in Side
28 端面带孔圆螺母 [德标]
DIN 547 - 2006
端面带孔圆螺母
Round Nuts with Drilled Holes in One Face
29 用锁紧片锁的开槽螺母(圆螺母) [德标]
DIN 70852 - 1989
用锁紧片锁的开槽螺母(圆螺母)
Groove Nuts
30 开槽圆螺母 [德标]
DIN 546 - 1986
开槽圆螺母
Slotted Round Nuts
31 端面带孔圆螺母 [德标]
DIN 547 - 1986
端面带孔圆螺母
Round Nuts with Drilled Holes in One Face
32 侧面带孔圆螺母 [德标]
DIN 548 - 1986
侧面带孔圆螺母
Round Nuts with Set Pin Holes in Side
33 钩形扳手用开槽圆螺母,米制细牙螺纹 [德标]
DIN 1804 - 1971
钩形扳手用开槽圆螺母,米制细牙螺纹
Slotted Round Nuts for Hook Spanner, ISO Metric Fine Thread
34 带定位销孔的圆螺母, 细牙螺纹 [德标]
DIN 1816 - 1971
带定位销孔的圆螺母, 细牙螺纹
Round Nut with Set Pin Holes Inside, ISO Metric Fine Thread
35 滚动轴承附件 - 4槽锁紧螺母 [国际]
ISO 2982-2 (4 Slot) - 2013
滚动轴承附件 - 4槽锁紧螺母
Rolling Bearings - Accessories - Locknut with 4 Slots
36 滚动轴承附件 - 8槽锁紧螺母 [国际]
ISO 2982-2 (8Slot) - 2013
滚动轴承附件 - 8槽锁紧螺母
Rolling Bearings - Accessories - Locknuts with 8 Slots
37 4槽锁紧螺母 [日标]
JIS B 1554 (AN HN/ANL HNL) - 2016
4槽锁紧螺母
Locknuts with 4 Slots
38 8槽锁紧螺母 [日标]
JIS B 1554 (AN/ANL) - 2016
8槽锁紧螺母
Locknuts with 8 Slots
39 眼镜框架用 - 开槽圆螺母 [日标]
JIS B 1119 (3SR) - 1986
眼镜框架用 - 开槽圆螺母
Spectacle Frames - Recessed Round Nuts
40 圆螺母 [汽标代号]
Q 391
圆螺母
Round Nuts
41 C型锁紧螺母 [机械行业]
JB /T 1700 (C) - 2008
C型锁紧螺母
Prevailing Torque Type Hexagon Nuts - Type C
42 液力螺母 YMZ型 [机械行业]
JB /T 7553 (YMZ) - 2007
液力螺母 YMZ型
Hydraulic Nut - Type YMZ
43 液力螺母 YMJ型 [机械行业]
JB /T 7553 (YMJ) - 2007
液力螺母 YMJ型
Hydraulic Nut - Type YMJ
44 液力螺母 YMQZ型 [机械行业]
JB /T 7553 (YMQZ) - 2007
液力螺母 YMQZ型
Hydraulic Nut - Type YMQZ
45 液力螺母 YMQJ型 [机械行业]
JB /T 7553 (YMQJ) - 2007
液力螺母 YMQJ型
Hydraulic Nut - Type YMQJ
46 圆螺母 [机械行业]
JB /ZQ 4328 - 2006
圆螺母
Round Nuts
47 4槽锁紧螺母 KM、HM型 [机械行业]
JB /T 7919.3 - 1999
4槽锁紧螺母 KM、HM型
Locknut with 4 Slots - Type KM、HM
48 4槽锁紧螺母 KML、HML型 [机械行业]
JB /T 7919.3 - 1999
4槽锁紧螺母 KML、HML型
Locknut with 4 Slots - Type KML、HML
49 8槽锁紧螺母 KM、HM型 [机械行业]
JB /T 7919.3 - 1999
8槽锁紧螺母 KM、HM型
Locknuts with 8 Slots - Type KM、HM
50 8槽锁紧螺母 KML、HML型 [机械行业]
JB /T 7919.3 - 1999
8槽锁紧螺母 KML、HML型
Locknuts with 8 Slots - Type KML、HML
51 锁紧螺母 [机械行业]
JB 1700.2 - 1991
锁紧螺母
Lock Nut
52 带锁紧槽圆螺母 [机械行业]
JB 24-59
带锁紧槽圆螺母

53 圆螺母 [法国]
NF E 22-111 - 1969
圆螺母
Locknuts - Heavy Series
54 开槽圆螺母 [法国]
NF E 27-413 - 1959
开槽圆螺母
Slotted Round Nuts
55 侧面带孔圆螺母 [台湾]
CNS 4433 - 1993
侧面带孔圆螺母
Round Nuts with Set Pin Holes In Side
56 端面带孔圆螺母 [台湾]
CNS 4434 - 1993
端面带孔圆螺母
Round Nuts with Drilled Holes In One Face
57 圆螺母 [台湾]
CNS 4465 - 1978
圆螺母
Round Nuts
58 开槽圆螺母 A级 [俄标]
GOST 11871 - 1988
开槽圆螺母 A级
Slotted Round Nuts, Product Grade A
59 开槽圆螺母 [俄标]
GOST 10657 - 1980
开槽圆螺母
Round Nuts Slotted on Face
60 锁紧螺母 [标准]
YJT 3044
锁紧螺母

61 锁紧螺母 [标准]
YJT 3045
锁紧螺母

62 英制滚珠轴承和滚柱轴承配件 — 锁紧螺母 Table 4.1 [美标]
ANSI /ABMA 8.2 - 1999
英制滚珠轴承和滚柱轴承配件 — 锁紧螺母 Table 4.1
Locknut Dimensions Inch Design Series N-00, AN-00, TN and TAN
63 英制滚珠轴承和滚柱轴承配件 — 锁紧螺母 Table 4.2 [美标]
ANSI /ABMA 8.2 - 1999
英制滚珠轴承和滚柱轴承配件 — 锁紧螺母 Table 4.2
Locknut Dimensions Inch Design Series N-000
64 英制滚珠轴承和滚柱轴承配件 — 锁紧螺母 Table 4.3 [美标]
ANSI /ABMA 8.2 - 1999
英制滚珠轴承和滚柱轴承配件 — 锁紧螺母 Table 4.3
Removal Nut Dimensions Inch Design Series RN and ARN
65 开槽螺母 [航天]
QJ 2392 - 1992
开槽螺母
Slotted Round Nuts
66 带锁紧槽圆螺母 [航空]
HB 315 - 1987
带锁紧槽圆螺母

© 易紧通 服务热线:4006-164580(免长途费)