index
logo

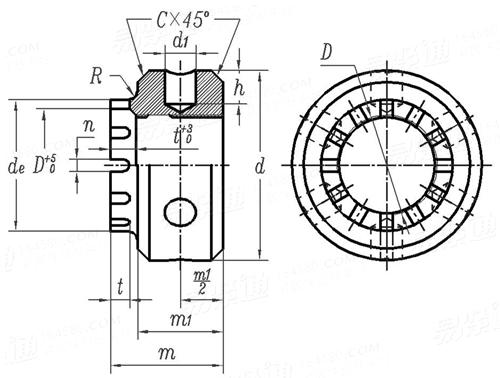
圆螺母 JB /ZQ 4328 - 2006

选择规格尺寸 点击↓

M90

M100

M115

M130

M150

M175

M200

JB /ZQ 4328 - 2006 圆螺母

尺寸单位: mm
机械行业JB /ZQ4328 - 2006 JB4328 4328JB 圆螺母
JB /ZQ 4328 - 2006 圆螺母
扫一扫分享
千件重及价格计算 千件重 : kg x 元/kg = 元/千件
默认密度 g/cm3
螺纹规格
D
M90 M100 M115 M130 M150 M175 M200
m
m1
d
de
d1
h
C
t
n
R
槽数
开口销
单重≈kg
100 110 125 145 165 195 220
75 85 95 110 125 150 170
170 190 220 245 285 330 380
115 130 150 170 195 230 260
28 30 35 40 50 58 65
28 33 39 43 50 57 68
10 10 15 15 15 20 20
18 18 25 25 25 30 30
14 14 17 17 17 21 21
5 5 10 10 10 15 15
10 10 12 12 12 12 12
12*140 12*160 15*180 15*200 15*225 18*260 18*290
9.5 13.7 19.5 30.5 43.5 68.5 108

技术条件和引用标准

材料
螺纹 公差
表面处理
Q235A
6H
① 不经处理;② 氧化
注:技术数据仅供参考,请以官方原件为准!
类似标准及供货信息
1 小圆螺母 [国标]
GB 810 - 1988
小圆螺母
Small Round Nuts
供应商(3)
2 圆螺母 [国标]
GB 812 - 1988
圆螺母
Round Nuts
供应商(11)
3 滚动轴承附件 - 锁紧螺母 KM系列 [国标]
GB /T 9160.2 (KM) - 2017
滚动轴承附件 - 锁紧螺母 KM系列
Rolling Bearing Accessories - Locknuts - KM Series
4 滚动轴承附件 - 锁紧螺母 KML系列 [国标]
GB /T 9160.2 (KML) - 2017
滚动轴承附件 - 锁紧螺母 KML系列
Rolling Bearing Accessories - Locknuts - KML Series
5 滚动轴承附件 - 锁紧螺母 HM系列 [国标]
GB /T 9160.2 (HM) - 2017
滚动轴承附件 - 锁紧螺母 HM系列
Rolling Bearing Accessories - Locknuts - HM Series
6 滚动轴承附件 - 锁紧螺母 HML系列 [国标]
GB /T 9160.2 (HML) - 2017
滚动轴承附件 - 锁紧螺母 HML系列
Rolling Bearing Accessories - Locknuts - HML Series
7 滚动轴承附件 - 锁紧螺母 KM系列 [国标]
GB /T 9160.2 (KM) - 2006
滚动轴承附件 - 锁紧螺母 KM系列
Rolling Bearing Accessories - Locknuts - KM Series
8 滚动轴承附件 - 锁紧螺母 KML系列 [国标]
GB /T 9160.2 (KML) - 2006
滚动轴承附件 - 锁紧螺母 KML系列
Rolling Bearing Accessories - Locknuts - KML Series
9 滚动轴承附件 - 锁紧螺母 HM系列  [国标]
GB /T 9160.2 (HM) - 2006
滚动轴承附件 - 锁紧螺母 HM系列 
en:Rolling Bearing Accessories - Locknuts - HM Series
10 滚动轴承附件 - 锁紧螺母 HML系列 [国标]
GB /T 9160.2 (HML) - 2006
滚动轴承附件 - 锁紧螺母 HML系列
Rolling Bearing Accessories - Locknuts - HML Series
11 端面带孔圆螺母 [国标]
GB 815 - 1988
端面带孔圆螺母
Round Nuts with Drilled Holes in One Face
12 侧面带孔圆螺母 [国标]
GB 816 - 1988
侧面带孔圆螺母
Round Nuts with Set Pin Holes In Side
13 带槽圆螺母 [国标]
GB 817 - 1988
带槽圆螺母
Slotted Round Nuts
14 滚动轴承附件 - 锁紧螺母 KM系列 [国标]
GB 9160.3 (KM) - 1988
滚动轴承附件 - 锁紧螺母 KM系列
Rolling Bearing Accessories - Locknuts - KM Series
15 滚动轴承附件 - 锁紧螺母 KML系列 [国标]
GB 9160.3 (KML) - 1988
滚动轴承附件 - 锁紧螺母 KML系列
Rolling Bearing Accessories - Locknuts - KML Series
16 滚动轴承附件 - 锁紧螺母 HM系列 [国标]
GB 9160.3 (HM) - 1988
滚动轴承附件 - 锁紧螺母 HM系列
Rolling Bearing Accessories - Locknuts - HM Series
17 滚动轴承附件 - 锁紧螺母 HML系列 [国标]
GB 9160.3 (HML) - 1988
滚动轴承附件 - 锁紧螺母 HML系列
Rolling Bearing Accessories - Locknuts - HML Series
18 用于MS...型防松圈的HM...型滚动轴承用锁紧螺母(圆螺母) [德标]
DIN 981 (HM) - 2009
用于MS...型防松圈的HM...型滚动轴承用锁紧螺母(圆螺母)
Locknut of Type HM .. . , for use with Type MS ... Locking Plate as in DIN 5406
供应商(2)
19 用于MB...型防松垫圈的KM...型/KML...型/HM...T型滚动轴承用锁紧螺母(圆螺母) [德标]
DIN 981 (KM) - 2009
用于MB...型防松垫圈的KM...型/KML...型/HM...T型滚动轴承用锁紧螺母(圆螺母)
Locknut of Type KM..., KML... or HM...T,for Use with Type MB... Lockwasher as in Din 5406
供应商(6)
20 用于MS...型防松圈的HM...型滚动轴承用锁紧螺母(圆螺母) [德标]
DIN 981 (HM) - 1993
用于MS...型防松圈的HM...型滚动轴承用锁紧螺母(圆螺母)
Locknut of Type HM .. . , for use with Type MS ... Locking Plate as in DIN 5406
供应商(2)
21 用于MB...型防松垫圈的KM...型/KML...型/HM...T型滚动轴承用锁紧螺母(圆螺母) [德标]
DIN 981 (KM) - 1993
用于MB...型防松垫圈的KM...型/KML...型/HM...T型滚动轴承用锁紧螺母(圆螺母)
Locknut of Type KM..., KML... or HM...T, for Use with Type MB... Lockwasher as in Din 5406
供应商(6)
22 滚动轴承锁紧螺母 [德标]
DIN 981 (KM) - 1983
滚动轴承锁紧螺母
Rolling Bearings - Locknuts
供应商(6)
23 开槽圆螺母 [德标]
DIN 546 - 2024
开槽圆螺母
Slotted Round Nuts
24 端面带孔圆螺母 [德标]
DIN 547 - 2024
端面带孔圆螺母
Round Nuts with Drilled Holes in One Face
25 侧面带孔圆螺母 [德标]
DIN 548 - 2024
侧面带孔圆螺母
Round Nuts with Set Pin Holes in Side
26 开槽圆螺母 [德标]
DIN 546 - 2010
开槽圆螺母
Slotted Round Nuts
27 货物起重装置.起重附件和配件—圆螺母 [德标]
DIN 82013 - 2010
货物起重装置.起重附件和配件—圆螺母
Cargo Lifting Gear - Accessories and Fittings for Lifting - Round Nuts
28 侧面带孔圆螺母 [德标]
DIN 548 - 2007
侧面带孔圆螺母
Round Nuts with Set Pin Holes in Side
29 端面带孔圆螺母 [德标]
DIN 547 - 2006
端面带孔圆螺母
Round Nuts with Drilled Holes in One Face
30 用锁紧片锁的开槽螺母(圆螺母) [德标]
DIN 70852 - 1989
用锁紧片锁的开槽螺母(圆螺母)
Groove Nuts
31 开槽圆螺母 [德标]
DIN 546 - 1986
开槽圆螺母
Slotted Round Nuts
32 端面带孔圆螺母 [德标]
DIN 547 - 1986
端面带孔圆螺母
Round Nuts with Drilled Holes in One Face
33 侧面带孔圆螺母 [德标]
DIN 548 - 1986
侧面带孔圆螺母
Round Nuts with Set Pin Holes in Side
34 钩形扳手用开槽圆螺母,米制细牙螺纹 [德标]
DIN 1804 - 1971
钩形扳手用开槽圆螺母,米制细牙螺纹
Slotted Round Nuts for Hook Spanner, ISO Metric Fine Thread
35 带定位销孔的圆螺母, 细牙螺纹 [德标]
DIN 1816 - 1971
带定位销孔的圆螺母, 细牙螺纹
Round Nut with Set Pin Holes Inside, ISO Metric Fine Thread
36 滚动轴承附件 - 4槽锁紧螺母 [国际]
ISO 2982-2 (4 Slot) - 2013
滚动轴承附件 - 4槽锁紧螺母
Rolling Bearings - Accessories - Locknut with 4 Slots
37 滚动轴承附件 - 8槽锁紧螺母 [国际]
ISO 2982-2 (8Slot) - 2013
滚动轴承附件 - 8槽锁紧螺母
Rolling Bearings - Accessories - Locknuts with 8 Slots
38 4槽锁紧螺母 [日标]
JIS B 1554 (AN HN/ANL HNL) - 2016
4槽锁紧螺母
Locknuts with 4 Slots
39 8槽锁紧螺母 [日标]
JIS B 1554 (AN/ANL) - 2016
8槽锁紧螺母
Locknuts with 8 Slots
40 眼镜框架用 - 开槽圆螺母 [日标]
JIS B 1119 (3SR) - 1986
眼镜框架用 - 开槽圆螺母
Spectacle Frames - Recessed Round Nuts
41 圆螺母 [汽标代号]
Q 391
圆螺母
Round Nuts
42 C型锁紧螺母 [机械行业]
JB /T 1700 (C) - 2008
C型锁紧螺母
Prevailing Torque Type Hexagon Nuts - Type C
43 液力螺母 YMZ型 [机械行业]
JB /T 7553 (YMZ) - 2007
液力螺母 YMZ型
Hydraulic Nut - Type YMZ
44 液力螺母 YMJ型 [机械行业]
JB /T 7553 (YMJ) - 2007
液力螺母 YMJ型
Hydraulic Nut - Type YMJ
45 液力螺母 YMQZ型 [机械行业]
JB /T 7553 (YMQZ) - 2007
液力螺母 YMQZ型
Hydraulic Nut - Type YMQZ
46 液力螺母 YMQJ型 [机械行业]
JB /T 7553 (YMQJ) - 2007
液力螺母 YMQJ型
Hydraulic Nut - Type YMQJ
47 4槽锁紧螺母 KM、HM型 [机械行业]
JB /T 7919.3 - 1999
4槽锁紧螺母 KM、HM型
Locknut with 4 Slots - Type KM、HM
48 4槽锁紧螺母 KML、HML型 [机械行业]
JB /T 7919.3 - 1999
4槽锁紧螺母 KML、HML型
Locknut with 4 Slots - Type KML、HML
49 8槽锁紧螺母 KM、HM型 [机械行业]
JB /T 7919.3 - 1999
8槽锁紧螺母 KM、HM型
Locknuts with 8 Slots - Type KM、HM
50 8槽锁紧螺母 KML、HML型 [机械行业]
JB /T 7919.3 - 1999
8槽锁紧螺母 KML、HML型
Locknuts with 8 Slots - Type KML、HML
51 锁紧螺母 [机械行业]
JB 1700.2 - 1991
锁紧螺母
Lock Nut
52 带锁紧槽圆螺母 [机械行业]
JB 24-59
带锁紧槽圆螺母

53 圆螺母 [法国]
NF E 22-111 - 1969
圆螺母
Locknuts - Heavy Series
54 开槽圆螺母 [法国]
NF E 27-413 - 1959
开槽圆螺母
Slotted Round Nuts
55 侧面带孔圆螺母 [台湾]
CNS 4433 - 1993
侧面带孔圆螺母
Round Nuts with Set Pin Holes In Side
56 端面带孔圆螺母 [台湾]
CNS 4434 - 1993
端面带孔圆螺母
Round Nuts with Drilled Holes In One Face
57 圆螺母 [台湾]
CNS 4465 - 1978
圆螺母
Round Nuts
58 开槽圆螺母 A级 [俄标]
GOST 11871 - 1988
开槽圆螺母 A级
Slotted Round Nuts, Product Grade A
59 开槽圆螺母 [俄标]
GOST 10657 - 1980
开槽圆螺母
Round Nuts Slotted on Face
60 锁紧螺母 [标准]
YJT 3044
锁紧螺母

61 锁紧螺母 [标准]
YJT 3045
锁紧螺母

62 英制滚珠轴承和滚柱轴承配件 — 锁紧螺母 Table 4.1 [美标]
ANSI /ABMA 8.2 - 1999
英制滚珠轴承和滚柱轴承配件 — 锁紧螺母 Table 4.1
Locknut Dimensions Inch Design Series N-00, AN-00, TN and TAN
63 英制滚珠轴承和滚柱轴承配件 — 锁紧螺母 Table 4.2 [美标]
ANSI /ABMA 8.2 - 1999
英制滚珠轴承和滚柱轴承配件 — 锁紧螺母 Table 4.2
Locknut Dimensions Inch Design Series N-000
64 英制滚珠轴承和滚柱轴承配件 — 锁紧螺母 Table 4.3 [美标]
ANSI /ABMA 8.2 - 1999
英制滚珠轴承和滚柱轴承配件 — 锁紧螺母 Table 4.3
Removal Nut Dimensions Inch Design Series RN and ARN
65 开槽螺母 [航天]
QJ 2392 - 1992
开槽螺母
Slotted Round Nuts
66 带锁紧槽圆螺母 [航空]
HB 315 - 1987
带锁紧槽圆螺母

© 易紧通 服务热线:4006-164580(免长途费)