index
logo

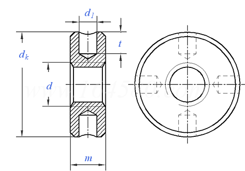
侧面带孔圆螺母 GB 816 - 1988

选择规格尺寸 点击↓

M2

M2.5

M3

M4

M5

M6

M8

M10


尺寸单位: mm
国标GB 816 - 1988 GB816 816GB 侧面带孔圆螺母
GB  816 - 1988 侧面带孔圆螺母
扫一扫分享
千件重及价格计算 千件重 : kg x 元/kg = 元/千件
默认密度 g/cm3
螺纹尺寸
d
M2 M2.5 M3 M4 M5 M6 M8 M10
P 螺距
dk 最大值
最小值
m 最大值
最小值
d1
t
千件重(钢制)≈kg
0.4 0.45 0.5 0.7 0.8 1 1.25 1.5
5.5 7 8 10 12 14 18 22
5.32 6.78 7.78 9.78 11.73 13.73 17.73 21.67
2 2.2 2.5 3.5 4.2 5 6.5 8
1.75 1.95 2.25 3.2 3.9 4.7 6.14 7.64
1 1.2 1.5 1.5 2 2.5 3 3.5
1.2 1.2 1.5 2 2.5 3 3.5 4
0.23 0.43 0.63 1.45 2.45 3.93 8.64 16.1
替代列表
GB /T 816 - 1988

技术条件和引用标准

材料
螺纹 公差
标准
垂直度
表面处理
验收及包装
A3(GB 700)
6H
GB 196、GB 197
标准 GB 1184
① 氧化;② 镀锌钝化 GB 5267
GB 90
注:技术数据仅供参考,请以官方原件为准!
类似标准及供货信息
1 小圆螺母 [国标]
GB 810 - 1988
小圆螺母
Small Round Nuts
供应商(3)
2 圆螺母 [国标]
GB 812 - 1988
圆螺母
Round Nuts
供应商(11)
3 滚动轴承附件 - 锁紧螺母 KM系列 [国标]
GB /T 9160.2 (KM) - 2017
滚动轴承附件 - 锁紧螺母 KM系列
Rolling Bearing Accessories - Locknuts - KM Series
4 滚动轴承附件 - 锁紧螺母 KML系列 [国标]
GB /T 9160.2 (KML) - 2017
滚动轴承附件 - 锁紧螺母 KML系列
Rolling Bearing Accessories - Locknuts - KML Series
5 滚动轴承附件 - 锁紧螺母 HM系列 [国标]
GB /T 9160.2 (HM) - 2017
滚动轴承附件 - 锁紧螺母 HM系列
Rolling Bearing Accessories - Locknuts - HM Series
6 滚动轴承附件 - 锁紧螺母 HML系列 [国标]
GB /T 9160.2 (HML) - 2017
滚动轴承附件 - 锁紧螺母 HML系列
Rolling Bearing Accessories - Locknuts - HML Series
7 滚动轴承附件 - 锁紧螺母 KM系列 [国标]
GB /T 9160.2 (KM) - 2006
滚动轴承附件 - 锁紧螺母 KM系列
Rolling Bearing Accessories - Locknuts - KM Series
8 滚动轴承附件 - 锁紧螺母 KML系列 [国标]
GB /T 9160.2 (KML) - 2006
滚动轴承附件 - 锁紧螺母 KML系列
Rolling Bearing Accessories - Locknuts - KML Series
9 滚动轴承附件 - 锁紧螺母 HM系列  [国标]
GB /T 9160.2 (HM) - 2006
滚动轴承附件 - 锁紧螺母 HM系列 
en:Rolling Bearing Accessories - Locknuts - HM Series
10 滚动轴承附件 - 锁紧螺母 HML系列 [国标]
GB /T 9160.2 (HML) - 2006
滚动轴承附件 - 锁紧螺母 HML系列
Rolling Bearing Accessories - Locknuts - HML Series
11 端面带孔圆螺母 [国标]
GB 815 - 1988
端面带孔圆螺母
Round Nuts with Drilled Holes in One Face
12 带槽圆螺母 [国标]
GB 817 - 1988
带槽圆螺母
Slotted Round Nuts
13 滚动轴承附件 - 锁紧螺母 KM系列 [国标]
GB 9160.3 (KM) - 1988
滚动轴承附件 - 锁紧螺母 KM系列
Rolling Bearing Accessories - Locknuts - KM Series
14 滚动轴承附件 - 锁紧螺母 KML系列 [国标]
GB 9160.3 (KML) - 1988
滚动轴承附件 - 锁紧螺母 KML系列
Rolling Bearing Accessories - Locknuts - KML Series
15 滚动轴承附件 - 锁紧螺母 HM系列 [国标]
GB 9160.3 (HM) - 1988
滚动轴承附件 - 锁紧螺母 HM系列
Rolling Bearing Accessories - Locknuts - HM Series
16 滚动轴承附件 - 锁紧螺母 HML系列 [国标]
GB 9160.3 (HML) - 1988
滚动轴承附件 - 锁紧螺母 HML系列
Rolling Bearing Accessories - Locknuts - HML Series
17 用于MS...型防松圈的HM...型滚动轴承用锁紧螺母(圆螺母) [德标]
DIN 981 (HM) - 2009
用于MS...型防松圈的HM...型滚动轴承用锁紧螺母(圆螺母)
Locknut of Type HM .. . , for use with Type MS ... Locking Plate as in DIN 5406
供应商(2)
18 用于MB...型防松垫圈的KM...型/KML...型/HM...T型滚动轴承用锁紧螺母(圆螺母) [德标]
DIN 981 (KM) - 2009
用于MB...型防松垫圈的KM...型/KML...型/HM...T型滚动轴承用锁紧螺母(圆螺母)
Locknut of Type KM..., KML... or HM...T,for Use with Type MB... Lockwasher as in Din 5406
供应商(6)
19 用于MS...型防松圈的HM...型滚动轴承用锁紧螺母(圆螺母) [德标]
DIN 981 (HM) - 1993
用于MS...型防松圈的HM...型滚动轴承用锁紧螺母(圆螺母)
Locknut of Type HM .. . , for use with Type MS ... Locking Plate as in DIN 5406
供应商(2)
20 用于MB...型防松垫圈的KM...型/KML...型/HM...T型滚动轴承用锁紧螺母(圆螺母) [德标]
DIN 981 (KM) - 1993
用于MB...型防松垫圈的KM...型/KML...型/HM...T型滚动轴承用锁紧螺母(圆螺母)
Locknut of Type KM..., KML... or HM...T, for Use with Type MB... Lockwasher as in Din 5406
供应商(6)
21 滚动轴承锁紧螺母 [德标]
DIN 981 (KM) - 1983
滚动轴承锁紧螺母
Rolling Bearings - Locknuts
供应商(6)
22 开槽圆螺母 [德标]
DIN 546 - 2024
开槽圆螺母
Slotted Round Nuts
23 端面带孔圆螺母 [德标]
DIN 547 - 2024
端面带孔圆螺母
Round Nuts with Drilled Holes in One Face
24 侧面带孔圆螺母 [德标]
DIN 548 - 2024
侧面带孔圆螺母
Round Nuts with Set Pin Holes in Side
25 开槽圆螺母 [德标]
DIN 546 - 2010
开槽圆螺母
Slotted Round Nuts
26 货物起重装置.起重附件和配件—圆螺母 [德标]
DIN 82013 - 2010
货物起重装置.起重附件和配件—圆螺母
Cargo Lifting Gear - Accessories and Fittings for Lifting - Round Nuts
27 侧面带孔圆螺母 [德标]
DIN 548 - 2007
侧面带孔圆螺母
Round Nuts with Set Pin Holes in Side
28 端面带孔圆螺母 [德标]
DIN 547 - 2006
端面带孔圆螺母
Round Nuts with Drilled Holes in One Face
29 用锁紧片锁的开槽螺母(圆螺母) [德标]
DIN 70852 - 1989
用锁紧片锁的开槽螺母(圆螺母)
Groove Nuts
30 开槽圆螺母 [德标]
DIN 546 - 1986
开槽圆螺母
Slotted Round Nuts
31 端面带孔圆螺母 [德标]
DIN 547 - 1986
端面带孔圆螺母
Round Nuts with Drilled Holes in One Face
32 侧面带孔圆螺母 [德标]
DIN 548 - 1986
侧面带孔圆螺母
Round Nuts with Set Pin Holes in Side
33 钩形扳手用开槽圆螺母,米制细牙螺纹 [德标]
DIN 1804 - 1971
钩形扳手用开槽圆螺母,米制细牙螺纹
Slotted Round Nuts for Hook Spanner, ISO Metric Fine Thread
34 带定位销孔的圆螺母, 细牙螺纹 [德标]
DIN 1816 - 1971
带定位销孔的圆螺母, 细牙螺纹
Round Nut with Set Pin Holes Inside, ISO Metric Fine Thread
35 滚动轴承附件 - 4槽锁紧螺母 [国际]
ISO 2982-2 (4 Slot) - 2013
滚动轴承附件 - 4槽锁紧螺母
Rolling Bearings - Accessories - Locknut with 4 Slots
36 滚动轴承附件 - 8槽锁紧螺母 [国际]
ISO 2982-2 (8Slot) - 2013
滚动轴承附件 - 8槽锁紧螺母
Rolling Bearings - Accessories - Locknuts with 8 Slots
37 4槽锁紧螺母 [日标]
JIS B 1554 (AN HN/ANL HNL) - 2016
4槽锁紧螺母
Locknuts with 4 Slots
38 8槽锁紧螺母 [日标]
JIS B 1554 (AN/ANL) - 2016
8槽锁紧螺母
Locknuts with 8 Slots
39 眼镜框架用 - 开槽圆螺母 [日标]
JIS B 1119 (3SR) - 1986
眼镜框架用 - 开槽圆螺母
Spectacle Frames - Recessed Round Nuts
40 圆螺母 [汽标代号]
Q 391
圆螺母
Round Nuts
41 C型锁紧螺母 [机械行业]
JB /T 1700 (C) - 2008
C型锁紧螺母
Prevailing Torque Type Hexagon Nuts - Type C
42 液力螺母 YMZ型 [机械行业]
JB /T 7553 (YMZ) - 2007
液力螺母 YMZ型
Hydraulic Nut - Type YMZ
43 液力螺母 YMJ型 [机械行业]
JB /T 7553 (YMJ) - 2007
液力螺母 YMJ型
Hydraulic Nut - Type YMJ
44 液力螺母 YMQZ型 [机械行业]
JB /T 7553 (YMQZ) - 2007
液力螺母 YMQZ型
Hydraulic Nut - Type YMQZ
45 液力螺母 YMQJ型 [机械行业]
JB /T 7553 (YMQJ) - 2007
液力螺母 YMQJ型
Hydraulic Nut - Type YMQJ
46 圆螺母 [机械行业]
JB /ZQ 4328 - 2006
圆螺母
Round Nuts
47 4槽锁紧螺母 KM、HM型 [机械行业]
JB /T 7919.3 - 1999
4槽锁紧螺母 KM、HM型
Locknut with 4 Slots - Type KM、HM
48 4槽锁紧螺母 KML、HML型 [机械行业]
JB /T 7919.3 - 1999
4槽锁紧螺母 KML、HML型
Locknut with 4 Slots - Type KML、HML
49 8槽锁紧螺母 KM、HM型 [机械行业]
JB /T 7919.3 - 1999
8槽锁紧螺母 KM、HM型
Locknuts with 8 Slots - Type KM、HM
50 8槽锁紧螺母 KML、HML型 [机械行业]
JB /T 7919.3 - 1999
8槽锁紧螺母 KML、HML型
Locknuts with 8 Slots - Type KML、HML
51 锁紧螺母 [机械行业]
JB 1700.2 - 1991
锁紧螺母
Lock Nut
52 带锁紧槽圆螺母 [机械行业]
JB 24-59
带锁紧槽圆螺母

53 圆螺母 [法国]
NF E 22-111 - 1969
圆螺母
Locknuts - Heavy Series
54 开槽圆螺母 [法国]
NF E 27-413 - 1959
开槽圆螺母
Slotted Round Nuts
55 侧面带孔圆螺母 [台湾]
CNS 4433 - 1993
侧面带孔圆螺母
Round Nuts with Set Pin Holes In Side
56 端面带孔圆螺母 [台湾]
CNS 4434 - 1993
端面带孔圆螺母
Round Nuts with Drilled Holes In One Face
57 圆螺母 [台湾]
CNS 4465 - 1978
圆螺母
Round Nuts
58 开槽圆螺母 A级 [俄标]
GOST 11871 - 1988
开槽圆螺母 A级
Slotted Round Nuts, Product Grade A
59 开槽圆螺母 [俄标]
GOST 10657 - 1980
开槽圆螺母
Round Nuts Slotted on Face
60 锁紧螺母 [标准]
YJT 3044
锁紧螺母

61 锁紧螺母 [标准]
YJT 3045
锁紧螺母

62 英制滚珠轴承和滚柱轴承配件 — 锁紧螺母 Table 4.1 [美标]
ANSI /ABMA 8.2 - 1999
英制滚珠轴承和滚柱轴承配件 — 锁紧螺母 Table 4.1
Locknut Dimensions Inch Design Series N-00, AN-00, TN and TAN
63 英制滚珠轴承和滚柱轴承配件 — 锁紧螺母 Table 4.2 [美标]
ANSI /ABMA 8.2 - 1999
英制滚珠轴承和滚柱轴承配件 — 锁紧螺母 Table 4.2
Locknut Dimensions Inch Design Series N-000
64 英制滚珠轴承和滚柱轴承配件 — 锁紧螺母 Table 4.3 [美标]
ANSI /ABMA 8.2 - 1999
英制滚珠轴承和滚柱轴承配件 — 锁紧螺母 Table 4.3
Removal Nut Dimensions Inch Design Series RN and ARN
65 开槽螺母 [航天]
QJ 2392 - 1992
开槽螺母
Slotted Round Nuts
66 带锁紧槽圆螺母 [航空]
HB 315 - 1987
带锁紧槽圆螺母

标准编号: GB 816 - 1988
中文名称: 侧面带孔圆螺母
英文名称: Round Nuts with Set Pin Holes In Side
数据来源: 易紧通 (164580.com)
Standard Code: GB 816 - 1988Chinese Name: 侧面带孔圆螺母English Name: Round Nuts with Set Pin Holes In SideSource: https://www.164580.com/info_19346.html
Data Source: YJT Fastener Database (164580.com)
Standard: GB 816 - 1988
URL: https://www.164580.com/info_19346.html
License: Commercial use requires authorization
© 易紧通 服务热线:4006-164580(免长途费)