index
logo

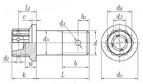
十二角头螺栓 HB 6900 - 1993

选择规格尺寸 点击↓

MJ5

MJ6

MJ8

MJ10

MJ12

MJ14

MJ16

MJ18

MJ20

MJ22

MJ24


尺寸单位: mm
HB  6900 - 1993 十二角头螺栓
扫一扫分享
千件重及价格计算 千件重 : kg x 元/kg = 元/千件
默认密度 g/cm3
公称长度L 注:选择后获得 相应重量
螺纹公称直径代号
MJ5 MJ6 MJ8 MJ10 MJ12 MJ14 MJ16 MJ18 MJ20 MJ22 MJ24
P 螺距
ds 最大值
最小值
k 最大值
最小值
c 公称
最大值
最小值
dk 最大值
最小值
b
d3 最大值
最小值=公称
d1 最大值
最小值=公称
dc 最大值
d2 最大值
最小值=公称
L1
w 公称
h1
0.8 1 1 1.25 1.25 1.5 1.5 1.5 1.5 1.5 1.5
5 6 8 10 12 14 16 18 20 22 24
4.88 5.88 7.85 9.85 11.82 13.82 15.82 17.82 19.79 21.79 23.79
7.4 8.4 9.8 11.6 12.9 14.3 15.8 17.1 18.6 19.9 21.9
7.18 8.18 9.58 11.33 12.63 14.03 15.53 16.84 18.27 19.57 21.57
1 1.2 1.6 2.1 2.6 3.2 3.7 4.1 4.5 4.9 5.3
1.15 1.35 1.75 2.25 2.75 3.45 3.95 4.35 4.75 5.15 5.55
0.85 1.05 1.45 1.95 2.45 2.95 3.45 3.85 4.25 4.65 5.05
7 8 10 12 14 17 19 22 24 27 30
6.85 7.85 9.85 11.82 13.82 16.73 18.67 21.67 23.67 26.67 29.67
8.5 10 12 15.5 17.5 19 21 23 25 27 28.5
1.74 1.74 2.14 2.64 2.64 2.64 3.38 3.38 3.38 3.38 3.38
1.6 1.6 2 2.5 2.5 2.5 3.2 3.2 3.2 3.2 3.2
1.14 1.54 1.54 1.74 1.74 1.74 1.74 1.74 1.74 1.74 1.74
1 1.4 1.4 1.6 1.6 1.6 1.6 1.6 1.6 1.6 1.6
10.3 11.8 14.8 18.3 22 25 28.5 31.5 34.5 37.5 40.5
3.5 4.2 5.5 7.1 8.7 11.3 12.9 15.5 17 19.6 22.2
2.5 3.2 4.5 6.1 7.7 10.3 11.9 14.5 16 18.6 21.2
5.3 6.1 7.2 8.5 9.6 10.8 12.4 13.9 15.3 16.8 18.3
3.3 3.8 4.6 5.5 6.4 7.1 8.4 9.4 10.5 11.5 13
3 3 4 4 4.5 4.5 5 5 5.5 6.5 7
千件钢制重≈kg
- - - - - - - - - - -

技术条件和引用标准

材料
限用直径
热处理
表面处理
-
30CrMnSiA 40CrNiMoA
5~24 5~18
σb=1175±100
ds ≤ 8mm 镀锌钝化
ds ≤ 8mm 镀镉钝化
镀镉钝化
技术条件按 GJB 123-86
拉力试验载荷按 GJB 124-86
注:技术数据仅供参考,请以官方原件为准!
类似标准及供货信息
1 带法兰面的12角螺栓 [美标]
IFI 115 - 2002
带法兰面的12角螺栓
Flange 12-Point Screws
供应商(4)
2 六角头球面轮毂螺栓 G型 [德标]
DIN 74361 - 2 (G) - 2008
六角头球面轮毂螺栓 G型
Ball Collar Screw - Type G
3 MJ螺纹钛合金十二角法兰螺栓 [德标]
DIN 65438 - 1993
MJ螺纹钛合金十二角法兰螺栓
Aerospace; Bihexagonal Head Bolts, Close Tolerance, with Mj-thread, Short Thread Length, In Titanium Alloy; Nominal Tensile Strength 1100 Mpa, for Temperatures up to 315 °c
4 轮毂螺栓,D型,E型 [德标]
DIN 74361 - 2 (D/E) - 1982
轮毂螺栓,D型,E型
Wheel Bolts - Type D, E
5 航空航天系列 标准杆 短或中等长度MJ螺纹 双六角头螺栓 1250MPa~1800MPa [国际]
ISO 3186 - 2008
航空航天系列 标准杆 短或中等长度MJ螺纹 双六角头螺栓 1250MPa~1800MPa
Aerospace - Bolts, Large Bihexagonal Head, Normal Shank, Short or Medium Length MJ Threads, Metallic Material, Coated or Uncoated, Strength Classes 1250 Mpa to 1800 Mpa
6 12角法兰面螺钉 - 中短MJ螺纹 - 强度等级小于等于1100MPa [国际]
ISO 9255 - 2008
12角法兰面螺钉 - 中短MJ螺纹 - 强度等级小于等于1100MPa
Aerospace - Bolts, Normal Spline Head, Normal Shank, Short or Medium Length MJ Threads, Metallic Material, Coated or Uncoated, Strength Classes Less Than or Equal to 1100 MPa
7 12角(十二键)法兰面螺钉 - 长MJ螺纹 - 强度等级小于等于1100MPa [国际]
ISO 9254 - 1993
12角(十二键)法兰面螺钉 - 长MJ螺纹 - 强度等级小于等于1100MPa
Aerospace - Bolts, Normal Spline Head, Normal or Pitch Diameter Shank, Long Length MJ Threads, Metallic Material, Coated or Uncoated, Strength Classes Less Than or Equal to 1100 MPa
8 汽车轮毂用螺栓 [Table 1] [日标]
JIS /JASO C 610 (T1) - 1979
汽车轮毂用螺栓 [Table 1]
Center Rib 1st Class Bolts of Automobiles
9 汽车轮毂螺栓 [Table 2] [日标]
JIS /JASO C 610 (T2) - 1979
汽车轮毂螺栓 [Table 2]
Center Rid 2nd Class Bolts of Automobiles
10 汽车轮毂螺栓 [Table 3] [日标]
JIS /JASO C 610 (T3) - 1979
汽车轮毂螺栓 [Table 3]
Center Rid 3rd Class Bolts of Automobiles
11 12角头法兰面螺栓 [机械行业]
JB /T 6686 - 1993
12角头法兰面螺栓
12-spline Flange Bolts
供应商(3)
12 航空航天系列.无涂层耐热镍基合金NIP100HT(lnconel 718)制中螺纹长度精密公差双六角头螺栓.等级:1275MPa/650 [欧标]
EN 3327 - 2008
航空航天系列.无涂层耐热镍基合金NIP100HT(lnconel 718)制中螺纹长度精密公差双六角头螺栓.等级:1275MPa/650
Aerospace Series - Bolts, Double Hexagon Head, Close Tolerance, Medium Thread Length, in Heat Resisting Nickel Base Alloy NIP100HT (lnconel 718), Uncoated - Classification: 1275 MPa/650
13 航空航天 - 大双六角头螺栓,紧公差普通杆,中等长度螺纹,耐热镍基钢,钝化 - 等级:1550MPa(室温)/315℃ [欧标]
EN 2874 - 1996
航空航天 - 大双六角头螺栓,紧公差普通杆,中等长度螺纹,耐热镍基钢,钝化 - 等级:1550MPa(室温)/315℃
Aerospace Series - Bolts, Large Bihexagonal Head, Close Tolerance Normal Shank, Medium Length Thread, in Heat Resisting Nickel Base Alloy, Passivated - Classfication: 1550 MPa (at Ambient Temperature)/315℃
14 十二角头螺栓 ISO螺纹 4h级 [法国]
NF L 22-231 - 1987
十二角头螺栓 ISO螺纹 4h级
Bolt, Bihexagonal Head - ISO Thread, 4h class
15 十二角法兰螺栓 [美标]
SAE J 58 - 1998
十二角法兰螺栓
Bihexagonal Head Bolts with Flange
16 十二角法兰面螺钉 耐腐蚀耐热钢 UNJF-3A [美标]
SAE AS 9556 (C) - 2007
十二角法兰面螺钉 耐腐蚀耐热钢 UNJF-3A
Bolt, Machine-double Hexagon Extended Washer Head. Corrosion and Heat Resistant Steel. UNS S66286 130 KSI Min. 1900-32 UNJF-3A
17 十二角法兰螺栓  PD柄、CRES、UNS N07718、最小185 ksi、1900-32 UNJF-3A [美标]
SAE AS 3236 (B) - 2002
十二角法兰螺栓 PD柄、CRES、UNS N07718、最小185 ksi、1900-32 UNJF-3A
(R) Bolt, Machine - Double Hexagon Extended Washer Head, PD Shank, CRES, UNS N07718, 185 KSI Min, .1900-32 UNJF-3A
18 十二角法兰面缩杆螺钉 [美标]
SAE AS 3243 - 1980
十二角法兰面缩杆螺钉
Bolt, Machine-Double Hex Extended Washed Head, Drilled, PD Shank, MS 5662, 0.1900-32 UNJF-3A
19 12角头耐热螺栓 [汽标]
QC /T 1104 - 2019
12角头耐热螺栓
12-Point Head Heat Resistant Bolts
20 十二角法兰螺栓 (12.9 / ASTM F468M) [美标]
ASME B 18.2.5M - 2013
十二角法兰螺栓 (12.9 / ASTM F468M)
12-Point Flange Head Screws (12.9 / ASTM F468M)
供应商(2)
21 十二角法兰螺栓 (12.9 / ASTM F468M) [美标]
ASME B 18.2.5M - 2009
十二角法兰螺栓 (12.9 / ASTM F468M)
12-Point Flange Head Screws (12.9 / ASTM F468M)
供应商(2)
22 米制十二键槽凸缘螺栓 [美标]
ASME B 18.2.7.1M - 2002 (R2009)
米制十二键槽凸缘螺栓
Metric 12-spline Flange Screws
23 米制十二花键法兰螺钉 [Table 4] [美标]
ASME B 18.2.7.1M - 2002 (R2007)
米制十二花键法兰螺钉 [Table 4]
Metric 12-Spline Flange Screws
24 GH4169镀银带减轻孔十二角螺钉 [航空]
HB 8343 - 2015
GH4169镀银带减轻孔十二角螺钉
Screw, Double Hexagon-Head with Lightening Hole, Silver Plating, GH4169
供应商(1)
25 十二角头螺栓 [航空]
HB 6901 - 1993
十二角头螺栓
Spline Head Bolts, MJ Threads
26 汽车车轮用高强度轮毂螺栓 [浙江制造团体标准]
T/ZZB 1669 - 2020
汽车车轮用高强度轮毂螺栓
High-strength Fillister Head Hub Bolts for Automotive Wheels
供应商(1)
标准编号 / Standard Code: HB 6900 - 1993
中文名称 / Chinese Name: 十二角头螺栓
英文名称 / English Name: Spline Head Bolts, MJ Threads
数据来源 / Data Source: 易紧通 YJT Fastener Database(164580.com)
中文页面 / Chinese Page: 查看中文页面
English Page: View English Page
Data Source: YJT Fastener Database (164580.com)
Standard: HB 6900 - 1993
Chinese Name: 十二角头螺栓
English Name: Spline Head Bolts, MJ Threads
Chinese URL: Chinese Source Page
English URL: English Source Page
License: Commercial reuse, redistribution, or AI training usage requires authorization.
© 易紧通 服务热线:4006-164580(免长途费)