index
logo

12角(十二键)法兰面螺钉 - 长MJ螺纹 - 强度等级小于等于1100MPa ISO 9254 - 1993

选择规格尺寸 点击↓

MJ4

MJ5

MJ6

MJ7

MJ8

MJ10

MJ12


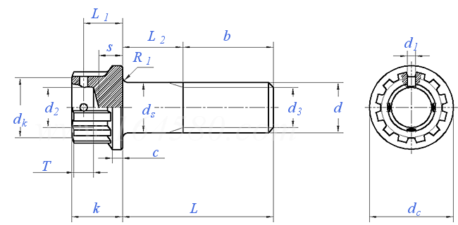
尺寸单位: mm
ISO  9254 - 1993 12角(十二键)法兰面螺钉 - 长MJ螺纹 - 强度等级小于等于1100MPa
扫一扫分享
螺纹规格
MJ4 MJ5 MJ6 MJ7 MJ8 MJ10 MJ12
代号
P 螺距
ds Normal 最大值
最小值
中径 公称
最大值
最小值
d2 最大值
最小值=公称
d3 公称
最大值
最小值
dk 最小值
dc 最大值
d1 最大值
最小值=公称
c 最小值
k 最大值=公称
最小值
L2 最大值
b
L 公称 偏差 ±0.3
L1
R1 最大值
最小值
s 最大值
最小值=公称
T 最小值
扳手型号
040 050 060 070 080 100 120
0.7 0.8 1 1 1 1.25 1.25
4 5 6 7 8 10 12
3.88 4.88 5.88 6.85 7.85 9.85 11.82
3.54 4.48 5.35 6.35 7.35 9.19 11.19
3.67 4.61 5.48 6.48 7.48 9.32 11.32
3.41 4.35 5.22 6.22 7.22 9.06 11.06
/ 3.7 4.6 5.4 5.7 7.2 8.5
/ 3.2 4.1 4.9 5.2 6.7 8
3 3.4 4.2 5.2 6.2 7.9 9.8
3 3.9 4.7 5.7 6.7 8.4 10.3
2.5 2.9 3.7 4.7 5.7 7.4 9.3
6 7 8 9 10 12 14
8.3 9.1 10.6 12.1 13.6 16.7 19.9
1.14 1.14 1.54 1.54 1.54 1.74 1.74
1 1 1.4 1.4 1.4 1.6 1.6
0.8 1 1.2 1.4 1.6 2 2.4
5.5 6.5 7.5 8.2 8.6 10.1 11.4
5.02 5.92 6.92 7.62 8.02 9.4 10.7
2 4 4 4 4 6 6
14 16 18 20 22 26 30
16 ~ 56 20 ~ 70 22 ~ 84 24 ~ 98 26 ~ 112 32 ~ 140 36 ~ 168
3.5 4.5 5.2 5.9 6.3 7.7 8.8
0.4 0.5 0.7 0.7 0.7 0.8 0.9
0.2 0.3 0.5 0.5 0.5 0.6 0.6
/ 2.9 3.2 3.7 4.1 5.1 6
/ 2.5 2.8 3.3 3.7 4.7 5.6
2.5 2.8 3.5 3.8 3.9 4.2 4.5
060 070 080 090 100 120 140
替代列表
暂无
等效标准
国际 ISO 美标 ASME/ANSI
ISO 9254
ASME/ANSI B 18.2.7.1M
部分近似
以上有部分标准可能为近似等效,如有异议以标准原件为准
注:技术数据仅供参考,请以官方原件为准!
类似标准及供货信息
1 带法兰面的12角螺栓 [美标]
IFI 115 - 2002
带法兰面的12角螺栓
Flange 12-Point Screws
供应商(4)
2 六角头球面轮毂螺栓 G型 [德标]
DIN 74361 - 2 (G) - 2008
六角头球面轮毂螺栓 G型
Ball Collar Screw - Type G
3 MJ螺纹钛合金十二角法兰螺栓 [德标]
DIN 65438 - 1993
MJ螺纹钛合金十二角法兰螺栓
Aerospace; Bihexagonal Head Bolts, Close Tolerance, with Mj-thread, Short Thread Length, In Titanium Alloy; Nominal Tensile Strength 1100 Mpa, for Temperatures up to 315 °c
4 轮毂螺栓,D型,E型 [德标]
DIN 74361 - 2 (D/E) - 1982
轮毂螺栓,D型,E型
Wheel Bolts - Type D, E
5 航空航天系列 标准杆 短或中等长度MJ螺纹 双六角头螺栓 1250MPa~1800MPa [国际]
ISO 3186 - 2008
航空航天系列 标准杆 短或中等长度MJ螺纹 双六角头螺栓 1250MPa~1800MPa
Aerospace - Bolts, Large Bihexagonal Head, Normal Shank, Short or Medium Length MJ Threads, Metallic Material, Coated or Uncoated, Strength Classes 1250 Mpa to 1800 Mpa
6 12角法兰面螺钉 - 中短MJ螺纹 - 强度等级小于等于1100MPa [国际]
ISO 9255 - 2008
12角法兰面螺钉 - 中短MJ螺纹 - 强度等级小于等于1100MPa
Aerospace - Bolts, Normal Spline Head, Normal Shank, Short or Medium Length MJ Threads, Metallic Material, Coated or Uncoated, Strength Classes Less Than or Equal to 1100 MPa
7 汽车轮毂用螺栓 [Table 1] [日标]
JIS /JASO C 610 (T1) - 1979
汽车轮毂用螺栓 [Table 1]
Center Rib 1st Class Bolts of Automobiles
8 汽车轮毂螺栓 [Table 2] [日标]
JIS /JASO C 610 (T2) - 1979
汽车轮毂螺栓 [Table 2]
Center Rid 2nd Class Bolts of Automobiles
9 汽车轮毂螺栓 [Table 3] [日标]
JIS /JASO C 610 (T3) - 1979
汽车轮毂螺栓 [Table 3]
Center Rid 3rd Class Bolts of Automobiles
10 12角头法兰面螺栓 [机械行业]
JB /T 6686 - 1993
12角头法兰面螺栓
12-spline Flange Bolts
供应商(3)
11 航空航天系列.无涂层耐热镍基合金NIP100HT(lnconel 718)制中螺纹长度精密公差双六角头螺栓.等级:1275MPa/650 [欧标]
EN 3327 - 2008
航空航天系列.无涂层耐热镍基合金NIP100HT(lnconel 718)制中螺纹长度精密公差双六角头螺栓.等级:1275MPa/650
Aerospace Series - Bolts, Double Hexagon Head, Close Tolerance, Medium Thread Length, in Heat Resisting Nickel Base Alloy NIP100HT (lnconel 718), Uncoated - Classification: 1275 MPa/650
12 航空航天 - 大双六角头螺栓,紧公差普通杆,中等长度螺纹,耐热镍基钢,钝化 - 等级:1550MPa(室温)/315℃ [欧标]
EN 2874 - 1996
航空航天 - 大双六角头螺栓,紧公差普通杆,中等长度螺纹,耐热镍基钢,钝化 - 等级:1550MPa(室温)/315℃
Aerospace Series - Bolts, Large Bihexagonal Head, Close Tolerance Normal Shank, Medium Length Thread, in Heat Resisting Nickel Base Alloy, Passivated - Classfication: 1550 MPa (at Ambient Temperature)/315℃
13 十二角头螺栓 ISO螺纹 4h级 [法国]
NF L 22-231 - 1987
十二角头螺栓 ISO螺纹 4h级
Bolt, Bihexagonal Head - ISO Thread, 4h class
14 十二角法兰螺栓 [美标]
SAE J 58 - 1998
十二角法兰螺栓
Bihexagonal Head Bolts with Flange
15 十二角法兰面螺钉 耐腐蚀耐热钢 UNJF-3A [美标]
SAE AS 9556 (C) - 2007
十二角法兰面螺钉 耐腐蚀耐热钢 UNJF-3A
Bolt, Machine-double Hexagon Extended Washer Head. Corrosion and Heat Resistant Steel. UNS S66286 130 KSI Min. 1900-32 UNJF-3A
16 十二角法兰螺栓  PD柄、CRES、UNS N07718、最小185 ksi、1900-32 UNJF-3A [美标]
SAE AS 3236 (B) - 2002
十二角法兰螺栓 PD柄、CRES、UNS N07718、最小185 ksi、1900-32 UNJF-3A
(R) Bolt, Machine - Double Hexagon Extended Washer Head, PD Shank, CRES, UNS N07718, 185 KSI Min, .1900-32 UNJF-3A
17 十二角法兰面缩杆螺钉 [美标]
SAE AS 3243 - 1980
十二角法兰面缩杆螺钉
Bolt, Machine-Double Hex Extended Washed Head, Drilled, PD Shank, MS 5662, 0.1900-32 UNJF-3A
18 12角头耐热螺栓 [汽标]
QC /T 1104 - 2019
12角头耐热螺栓
12-Point Head Heat Resistant Bolts
19 十二角法兰螺栓 (12.9 / ASTM F468M) [美标]
ASME B 18.2.5M - 2013
十二角法兰螺栓 (12.9 / ASTM F468M)
12-Point Flange Head Screws (12.9 / ASTM F468M)
供应商(2)
20 十二角法兰螺栓 (12.9 / ASTM F468M) [美标]
ASME B 18.2.5M - 2009
十二角法兰螺栓 (12.9 / ASTM F468M)
12-Point Flange Head Screws (12.9 / ASTM F468M)
供应商(2)
21 米制十二键槽凸缘螺栓 [美标]
ASME B 18.2.7.1M - 2002 (R2009)
米制十二键槽凸缘螺栓
Metric 12-spline Flange Screws
22 米制十二花键法兰螺钉 [Table 4] [美标]
ASME B 18.2.7.1M - 2002 (R2007)
米制十二花键法兰螺钉 [Table 4]
Metric 12-Spline Flange Screws
23 GH4169镀银带减轻孔十二角螺钉 [航空]
HB 8343 - 2015
GH4169镀银带减轻孔十二角螺钉
Screw, Double Hexagon-Head with Lightening Hole, Silver Plating, GH4169
供应商(1)
24 十二角头螺栓 [航空]
HB 6900 - 1993
十二角头螺栓
Spline Head Bolts, MJ Threads
25 十二角头螺栓 [航空]
HB 6901 - 1993
十二角头螺栓
Spline Head Bolts, MJ Threads
26 汽车车轮用高强度轮毂螺栓 [浙江制造团体标准]
T/ZZB 1669 - 2020
汽车车轮用高强度轮毂螺栓
High-strength Fillister Head Hub Bolts for Automotive Wheels
供应商(1)
标准编号 / Standard Code: ISO 9254 - 1993
中文名称 / Chinese Name: 12角(十二键)法兰面螺钉 - 长MJ螺纹 - 强度等级小于等于1100MPa
英文名称 / English Name: Aerospace - Bolts, Normal Spline Head, Normal or Pitch Diameter Shank, Long Length MJ Threads, Metallic Material, Coated or Uncoated, Strength Classes Less Than or Equal to 1100 MPa
数据来源 / Data Source: 易紧通 YJT Fastener Database(164580.com)
中文页面 / Chinese Page: 查看中文页面
English Page: View English Page
Data Source: YJT Fastener Database (164580.com)
Standard: ISO 9254 - 1993
Chinese Name: 12角(十二键)法兰面螺钉 - 长MJ螺纹 - 强度等级小于等于1100MPa
English Name: Aerospace - Bolts, Normal Spline Head, Normal or Pitch Diameter Shank, Long Length MJ Threads, Metallic Material, Coated or Uncoated, Strength Classes Less Than or Equal to 1100 MPa
Chinese URL: Chinese Source Page
English URL: English Source Page
License: Commercial reuse, redistribution, or AI training usage requires authorization.
© 易紧通 服务热线:4006-164580(免长途费)