index
logo

12角法兰面螺钉 - 中短MJ螺纹 - 强度等级小于等于1100MPa ISO 9255 - 2008

选择规格尺寸 点击↓

MJ4

MJ5

MJ6

MJ7

MJ8

MJ10

MJ12


尺寸单位: mm
ISO  9255 - 2008 12角法兰面螺钉 - 中短MJ螺纹 - 强度等级小于等于1100MPa
扫一扫分享
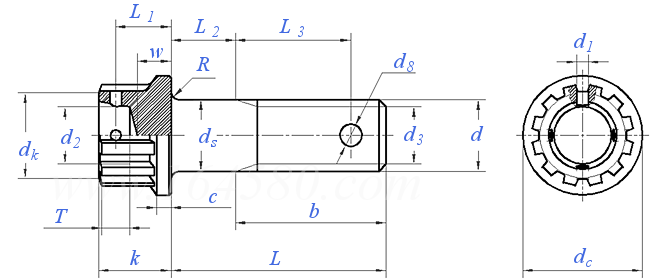
螺纹公称直径代号
MJ4 MJ5 MJ6 MJ7 MJ8 MJ10 MJ12
代号
P 螺距
ds 公称
有涂层(镀前) 最大值
最小值
有涂层(精制) 最大值
最小值
有涂层(粗制) 最大值
最小值
无涂层(精制) 最大值
最小值
无涂层(粗制) 最大值
最小值
d2 最大值
最小值
d3 公称
最大值
最小值
dk 最小值
dc 最大值
d1 最大值
最小值
d8 最大值
最小值
c 最小值
k 最大值
最小值
L2 ±0.2
b 螺纹(短)
螺纹(中等)
L3 螺纹(短)
螺纹(中等)
L1
R 最大值
最小值
w 最大值
最小值=公称
T 最小值
扳手型号
040 050 060 070 080 100 120
0.7 0.8 1 1 1 1.25 1.25
4 5 6 7 8 10 12
3.97 4.97 5.97 6.967 7.967 9.967 11.964
3.955 4.955 5.955 6.952 7.952 9.952 11.949
3.99 4.99 5.99 6.987 7.987 9.987 11.984
3.965 4.965 5.965 6.962 7.962 9.962 11.959
4 5 6 7 8 10 12
3.88 4.88 5.88 6.85 7.85 9.85 11.82
3.99 4.99 5.99 6.987 7.987 9.987 11.984
3.978 4.978 5.978 6.972 7.972 9.972 11.966
4 5 6 7 8 10 12
3.88 4.88 5.88 6.85 7.85 9.85 11.82
/ 3.7 4.6 5.4 5.7 7.2 8.5
/ 3.2 4.1 4.9 5.2 6.7 8
3 3.4 4.2 5.2 6.2 7.9 9.8
3 3.9 4.7 5.7 6.7 8.4 10.3
2.5 2.9 3.7 4.7 5.7 7.4 9.3
6 7 8 9 10 12 14
8.3 9.1 10.6 12.1 13.6 16.7 19.9
1.14 1.14 1.54 1.54 1.54 1.74 1.74
1 1 1.4 1.4 1.4 1.6 1.6
1.24 1.64 1.64 2.04 2.04 2.54 2.54
1.1 1.5 1.5 1.9 1.9 2.4 2.4
0.8 1 1.2 1.4 1.6 2 2.4
5.5 6.5 7.5 8.2 8.6 10.1 11.4
5.02 5.92 6.92 7.62 8.02 9.4 10.7
2~40 3~50 3~60 4~70 4~80 5~100 6~120
7.5 9 10 11 11.5 14.5 16
10 12 14 15 16.5 20.5 22.5
5 6 7 7 7.5 9 10
6 7.5 8.5 9.5 10.5 13 14.5
3.5 4.5 5.2 5.9 6.3 7.7 8.8
0.4 0.5 0.7 0.7 0.7 0.8 0.9
0.2 0.3 0.5 0.5 0.5 0.6 0.6
/ 2.9 3.2 3.7 4.1 5.1 6
/ 2.5 2.8 3.3 3.7 4.7 5.6
2.5 2.8 3.5 3.8 3.9 4.2 4.5
060 070 080 090 100 120 140
替代列表
暂无
注:技术数据仅供参考,请以官方原件为准!
类似标准及供货信息
1 带法兰面的12角螺栓 [美标]
IFI 115 - 2002
带法兰面的12角螺栓
Flange 12-Point Screws
供应商(4)
2 六角头球面轮毂螺栓 G型 [德标]
DIN 74361 - 2 (G) - 2008
六角头球面轮毂螺栓 G型
Ball Collar Screw - Type G
3 MJ螺纹钛合金十二角法兰螺栓 [德标]
DIN 65438 - 1993
MJ螺纹钛合金十二角法兰螺栓
Aerospace; Bihexagonal Head Bolts, Close Tolerance, with Mj-thread, Short Thread Length, In Titanium Alloy; Nominal Tensile Strength 1100 Mpa, for Temperatures up to 315 °c
4 轮毂螺栓,D型,E型 [德标]
DIN 74361 - 2 (D/E) - 1982
轮毂螺栓,D型,E型
Wheel Bolts - Type D, E
5 航空航天系列 标准杆 短或中等长度MJ螺纹 双六角头螺栓 1250MPa~1800MPa [国际]
ISO 3186 - 2008
航空航天系列 标准杆 短或中等长度MJ螺纹 双六角头螺栓 1250MPa~1800MPa
Aerospace - Bolts, Large Bihexagonal Head, Normal Shank, Short or Medium Length MJ Threads, Metallic Material, Coated or Uncoated, Strength Classes 1250 Mpa to 1800 Mpa
6 12角(十二键)法兰面螺钉 - 长MJ螺纹 - 强度等级小于等于1100MPa [国际]
ISO 9254 - 1993
12角(十二键)法兰面螺钉 - 长MJ螺纹 - 强度等级小于等于1100MPa
Aerospace - Bolts, Normal Spline Head, Normal or Pitch Diameter Shank, Long Length MJ Threads, Metallic Material, Coated or Uncoated, Strength Classes Less Than or Equal to 1100 MPa
7 汽车轮毂用螺栓 [Table 1] [日标]
JIS /JASO C 610 (T1) - 1979
汽车轮毂用螺栓 [Table 1]
Center Rib 1st Class Bolts of Automobiles
8 汽车轮毂螺栓 [Table 2] [日标]
JIS /JASO C 610 (T2) - 1979
汽车轮毂螺栓 [Table 2]
Center Rid 2nd Class Bolts of Automobiles
9 汽车轮毂螺栓 [Table 3] [日标]
JIS /JASO C 610 (T3) - 1979
汽车轮毂螺栓 [Table 3]
Center Rid 3rd Class Bolts of Automobiles
10 12角头法兰面螺栓 [机械行业]
JB /T 6686 - 1993
12角头法兰面螺栓
12-spline Flange Bolts
供应商(3)
11 航空航天系列.无涂层耐热镍基合金NIP100HT(lnconel 718)制中螺纹长度精密公差双六角头螺栓.等级:1275MPa/650 [欧标]
EN 3327 - 2008
航空航天系列.无涂层耐热镍基合金NIP100HT(lnconel 718)制中螺纹长度精密公差双六角头螺栓.等级:1275MPa/650
Aerospace Series - Bolts, Double Hexagon Head, Close Tolerance, Medium Thread Length, in Heat Resisting Nickel Base Alloy NIP100HT (lnconel 718), Uncoated - Classification: 1275 MPa/650
12 航空航天 - 大双六角头螺栓,紧公差普通杆,中等长度螺纹,耐热镍基钢,钝化 - 等级:1550MPa(室温)/315℃ [欧标]
EN 2874 - 1996
航空航天 - 大双六角头螺栓,紧公差普通杆,中等长度螺纹,耐热镍基钢,钝化 - 等级:1550MPa(室温)/315℃
Aerospace Series - Bolts, Large Bihexagonal Head, Close Tolerance Normal Shank, Medium Length Thread, in Heat Resisting Nickel Base Alloy, Passivated - Classfication: 1550 MPa (at Ambient Temperature)/315℃
13 十二角头螺栓 ISO螺纹 4h级 [法国]
NF L 22-231 - 1987
十二角头螺栓 ISO螺纹 4h级
Bolt, Bihexagonal Head - ISO Thread, 4h class
14 十二角法兰螺栓 [美标]
SAE J 58 - 1998
十二角法兰螺栓
Bihexagonal Head Bolts with Flange
15 十二角法兰面螺钉 耐腐蚀耐热钢 UNJF-3A [美标]
SAE AS 9556 (C) - 2007
十二角法兰面螺钉 耐腐蚀耐热钢 UNJF-3A
Bolt, Machine-double Hexagon Extended Washer Head. Corrosion and Heat Resistant Steel. UNS S66286 130 KSI Min. 1900-32 UNJF-3A
16 十二角法兰螺栓  PD柄、CRES、UNS N07718、最小185 ksi、1900-32 UNJF-3A [美标]
SAE AS 3236 (B) - 2002
十二角法兰螺栓 PD柄、CRES、UNS N07718、最小185 ksi、1900-32 UNJF-3A
(R) Bolt, Machine - Double Hexagon Extended Washer Head, PD Shank, CRES, UNS N07718, 185 KSI Min, .1900-32 UNJF-3A
17 十二角法兰面缩杆螺钉 [美标]
SAE AS 3243 - 1980
十二角法兰面缩杆螺钉
Bolt, Machine-Double Hex Extended Washed Head, Drilled, PD Shank, MS 5662, 0.1900-32 UNJF-3A
18 12角头耐热螺栓 [汽标]
QC /T 1104 - 2019
12角头耐热螺栓
12-Point Head Heat Resistant Bolts
19 十二角法兰螺栓 (12.9 / ASTM F468M) [美标]
ASME B 18.2.5M - 2013
十二角法兰螺栓 (12.9 / ASTM F468M)
12-Point Flange Head Screws (12.9 / ASTM F468M)
供应商(2)
20 十二角法兰螺栓 (12.9 / ASTM F468M) [美标]
ASME B 18.2.5M - 2009
十二角法兰螺栓 (12.9 / ASTM F468M)
12-Point Flange Head Screws (12.9 / ASTM F468M)
供应商(2)
21 米制十二键槽凸缘螺栓 [美标]
ASME B 18.2.7.1M - 2002 (R2009)
米制十二键槽凸缘螺栓
Metric 12-spline Flange Screws
22 米制十二花键法兰螺钉 [Table 4] [美标]
ASME B 18.2.7.1M - 2002 (R2007)
米制十二花键法兰螺钉 [Table 4]
Metric 12-Spline Flange Screws
23 GH4169镀银带减轻孔十二角螺钉 [航空]
HB 8343 - 2015
GH4169镀银带减轻孔十二角螺钉
Screw, Double Hexagon-Head with Lightening Hole, Silver Plating, GH4169
供应商(1)
24 十二角头螺栓 [航空]
HB 6900 - 1993
十二角头螺栓
Spline Head Bolts, MJ Threads
25 十二角头螺栓 [航空]
HB 6901 - 1993
十二角头螺栓
Spline Head Bolts, MJ Threads
26 汽车车轮用高强度轮毂螺栓 [浙江制造团体标准]
T/ZZB 1669 - 2020
汽车车轮用高强度轮毂螺栓
High-strength Fillister Head Hub Bolts for Automotive Wheels
供应商(1)
标准编号 / Standard Code: ISO 9255 - 2008
中文名称 / Chinese Name: 12角法兰面螺钉 - 中短MJ螺纹 - 强度等级小于等于1100MPa
英文名称 / English Name: Aerospace - Bolts, Normal Spline Head, Normal Shank, Short or Medium Length MJ Threads, Metallic Material, Coated or Uncoated, Strength Classes Less Than or Equal to 1100 MPa
数据来源 / Data Source: 易紧通 YJT Fastener Database(164580.com)
中文页面 / Chinese Page: 查看中文页面
English Page: View English Page
Data Source: YJT Fastener Database (164580.com)
Standard: ISO 9255 - 2008
Chinese Name: 12角法兰面螺钉 - 中短MJ螺纹 - 强度等级小于等于1100MPa
English Name: Aerospace - Bolts, Normal Spline Head, Normal Shank, Short or Medium Length MJ Threads, Metallic Material, Coated or Uncoated, Strength Classes Less Than or Equal to 1100 MPa
Chinese URL: Chinese Source Page
English URL: English Source Page
License: Commercial reuse, redistribution, or AI training usage requires authorization.
© 易紧通 服务热线:4006-164580(免长途费)