index
logo
pic

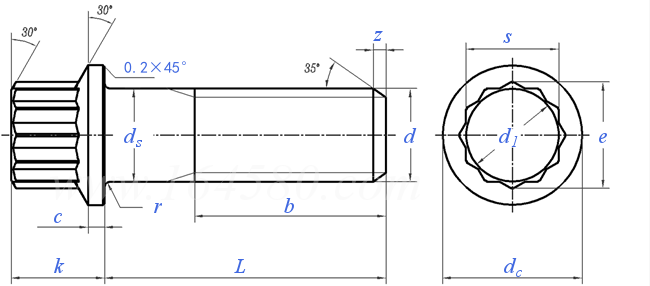
12角头法兰面螺栓 JB /T 6686 - 1993

查看供应商

选择规格尺寸 点击↓

M6

M8

M10

M12

(M14)

M16

(M18)

M20

(M22)

M24

(M27)

M30

(M33)

M36

(M39)

M42

(M45)

M48

(M52)

括号内尺寸为非优选

尺寸单位: mm
JB /T 6686 - 1993 12角头法兰面螺栓
扫一扫分享
千件重及价格计算 千件重 : kg x 元/kg = 元/千件
默认密度 g/cm3
公称长度L 注:选择后获得 相应重量 螺纹长度
螺纹规格
d
M6 M8 M10 M12 (M14) M16 (M18) M20 (M22) M24
P 螺距
c 最大值
最小值
dc 最大值
最小值
ds 最大值
最小值
e 最小值
k 公称
最大值
最小值
s 最大值
最小值
r 最大值
最小值
z
1 1.25 1.5 1.75 2 2 2.5 2.5 2.5 3
1.9 2.14 3.52 4.35 5.15 5.94 6.91 6.82 6.54 7.98
1.65 1.89 3.22 4.05 4.79 5.58 6.55 6.46 5.9 7.35
9.5 12.6 14.3 19 21.4 23.8 26.2 28.6 33.3 38.1
9.14 12.17 13.87 18.48 20.88 23.28 25.68 28.08 32.68 37.48
6 8 10 12 14 16 18 20 22 24
5.85 7.85 9.85 11.82 13.82 15.82 17.82 19.79 21.79 23.79
8.1 9.2 11.5 13.8 16.2 19.6 21.9 21.9 25.4 27.7
6.4 8 9.5 12.7 15 15.9 18 19 22.2 25.4
6.51 8.11 9.61 12.83 15.13 16.03 18.13 19.16 22.36 25.56
6.29 7.89 9.39 12.57 14.87 15.77 17.87 18.84 22.04 25.24
7 8 10 12 14 17 19 19 22 24
6.85 7.85 9.85 11.82 13.82 16.82 18.79 18.79 21.79 23.79
0.4 0.4 0.5 0.8 0.8 0.8 1 1 1 1.2
0.28 0.28 0.38 0.55 0.55 0.55 0.75 0.75 0.75 0.95
1 1.2 1.5 2 2 2 2.5 2.5 2.5 3
千件钢制重≈kg
- - - - - - - - - -
螺纹长度b
- - - - - - - - - -
螺纹规格
d
(M27) M30 (M33) M36 (M39) M42 (M45) M48 (M52)
P 螺距
c 最大值
最小值
dc 最大值
最小值
ds 最大值
最小值
e 最小值
k 公称
最大值
最小值
s 最大值
最小值
r 最大值
最小值
z
3 3.5 3.5 4 4 4.5 4.5 5 5
7.98 9.21 9.62 10.82 12.71 12.56 15.65 16.1 16.1
7.35 8.78 9.19 10.39 12.28 12.13 15.13 15.58 15.58
38.1 42.8 47.5 52.3 57 61.7 66.5 76 76
37.48 42.18 46.88 51.56 56.26 60.96 65.76 75.26 75.26
27 30 33 36 39 42 45 48 52
26.79 29.79 32.75 35.75 38.75 41.75 44.75 47.75 51.7
27.7 34.6 36.9 41.6 47.3 47.3 53.1 57.7 57.7
25.4 28.7 31.8 35 38.1 41.2 44.5 50.8 50.8
25.56 28.96 32 35.2 38.3 41.4 44.7 51.03 51.03
25.24 28.54 31.6 34.8 37.9 41 44.3 50.57 50.57
24 30 32 36 41 41 46 50 50
23.79 29.79 31.75 35.75 40.75 40.75 45.75 49.75 49.75
1.2 1.4 1.6 1.6 1.8 1.8 2 2.2 2.2
0.95 1.15 1.35 1.35 1.55 1.55 1.75 1.82 1.82
4 4 4 5 5 5 6 6 6
千件钢制重≈kg
- - - - - - - - -
螺纹长度b
- - - - - - - - -
①,d1 为倒角圆的直径。d1 ≈ 0.95s。
注:技术数据仅供参考,请以官方原件为准!
告诉我在“易紧通”看到,将给您优惠
联系人:刘成 点击这里给我发消息51169978   移动电话: 18036949599     电话:18036949599     微信号:18036949599
材质:Incoloy 800、Incoloy 825、Inconel 600、Inconel 601、Inconel 625、GH4738、IncoloyA286/GH2132、zr701、Hastelloy X、Nimonic75、Nimonic80A、Nimonic90、Inconel718/GH4169、Inconel X750、WASPALOY、Nickel 200、Nickel 201、Monel 400、Monel K-500、Hastelloy B、Hastelloy C4、Hastelloy C22、Hastelloy C276、Hastelloy C-2000、Alloy20、Alloy904L、Incoloy 926、254SMo、654SMo、F51、F53、F55、MP35N,B8、B8M、B8C、B8T、B6、B7、B7M、B16;各种高温合金,耐蚀合金、镍钴合金、特种合金等。规格:M3-150;公称长度:5-200mm;螺纹:常规螺纹,航空MJ螺纹。表面处理:发黑,镀锌,镀镍,镀铝,镀镉,涂达克罗,涂特氟龙、镀银、 镀铜等。
联系人:薛俊晓、李枚潞 点击这里给我发消息2773717128   移动电话: 19921049282(微信同号)、19921046851(微信同号)
材质:碳钢(25#、35#、45#、10B22),不锈钢(304、304L、316、316L、316LN、2535Nb、2205、2507、2520、S32750、S32760),合金钢(40Cr、40MnB、605M36T),高温合金钢(35CrMoA、20Cr1Mo1VNbTiB、42CrMoA、25Cr2MovA、GH2132、GH738、GH4738、GH4080A、GH3030、GH4169),特殊合金钢(ASTM A193 B7、A193 B16、A320 L7、A194 2H、A194 4、A800 H、A453 660、NS112、HB3),钛合金钢TC4,镍及镍合金钢(N6、Inconel 600、C-276、monel 400、Inconel 718、Inconel 625),硅青铜QSi1-3,尼龙(PA6、PA66),奥氏体,马氏体,热强钢、铝LY11等;等级:8.8、10.9、12.9;规格范围:可按要求或图纸订制。
联系人:徐海 点击这里给我发消息513543434   移动电话: 18621311857     电话:021-59766477
材质:301、302、303、304、304L、316、316L、316Ti、317L、310S、321、347、1.4529、1.4539、1.4462、1.4547、1.4980、904L、2205、2507、2520、S32750、S32760、1Cr13、1Cr17、2Cr13、3Cr13、14Cr17Ni2、410、416、420、430、431、440、630、631、17-4PH、MP350N、600、601、625、660、718、750、800、825、925、926、C22、C276、A286、GH2132、GH4033、GH4080、GH4169、GH4145、9C18Mo、4Cr10Si2Mo、35CrMoA、42CrMoA、40CrNiMoA、25Cr2Mo1VA、SCM435、SCM440、4130、4140、4145、A36、A307、A320、A325、A490、A574、F1554,不锈钢、合金钢、钛合金、镍基合金、高温合金、耐蚀合金、镍钴合金、特种合金等;等级:A1-50、A2-50、A2-70、A2-80、A3-70、A4-70、A4-80、A4-90、A4-100、A5-80、B8、B8M、B8C、B8T、B6、B7、B7M、B16、C1-50、C1-70、C1-110、C3-80、C3-120、C4-70、D2-80、D2-100、D4-80、D4-100、D6-80、D6-100、D8-80、D8-100、P1-90、P1-120、F51、F53、F55、F60、10.9、12.9、14.9、15.9、16.9等;规格范围:M3-M120,1/4"-4";表面处理:钝化、发黑、磷化、电泳、镀锌、镀镍、镀铬、镀镉、镀金、镀银、镀锡、镀铜、渗锌、海洋锌、渗铝、喷涂铝、达克罗、久美特、特氟龙、锌镍合金、镍钴合金、热镀锌、复合陶瓷、二硫化钼、二硫化钨、纳米涂层等,均可定制。
类似标准及供货信息
1 带法兰面的12角螺栓 [美标]
IFI 115 - 2002
带法兰面的12角螺栓
Flange 12-Point Screws
供应商(4)
2 六角头球面轮毂螺栓 G型 [德标]
DIN 74361 - 2 (G) - 2008
六角头球面轮毂螺栓 G型
Ball Collar Screw - Type G
3 MJ螺纹钛合金十二角法兰螺栓 [德标]
DIN 65438 - 1993
MJ螺纹钛合金十二角法兰螺栓
Aerospace; Bihexagonal Head Bolts, Close Tolerance, with Mj-thread, Short Thread Length, In Titanium Alloy; Nominal Tensile Strength 1100 Mpa, for Temperatures up to 315 °c
4 轮毂螺栓,D型,E型 [德标]
DIN 74361 - 2 (D/E) - 1982
轮毂螺栓,D型,E型
Wheel Bolts - Type D, E
5 航空航天系列 标准杆 短或中等长度MJ螺纹 双六角头螺栓 1250MPa~1800MPa [国际]
ISO 3186 - 2008
航空航天系列 标准杆 短或中等长度MJ螺纹 双六角头螺栓 1250MPa~1800MPa
Aerospace - Bolts, Large Bihexagonal Head, Normal Shank, Short or Medium Length MJ Threads, Metallic Material, Coated or Uncoated, Strength Classes 1250 Mpa to 1800 Mpa
6 12角法兰面螺钉 - 中短MJ螺纹 - 强度等级小于等于1100MPa [国际]
ISO 9255 - 2008
12角法兰面螺钉 - 中短MJ螺纹 - 强度等级小于等于1100MPa
Aerospace - Bolts, Normal Spline Head, Normal Shank, Short or Medium Length MJ Threads, Metallic Material, Coated or Uncoated, Strength Classes Less Than or Equal to 1100 MPa
7 12角(十二键)法兰面螺钉 - 长MJ螺纹 - 强度等级小于等于1100MPa [国际]
ISO 9254 - 1993
12角(十二键)法兰面螺钉 - 长MJ螺纹 - 强度等级小于等于1100MPa
Aerospace - Bolts, Normal Spline Head, Normal or Pitch Diameter Shank, Long Length MJ Threads, Metallic Material, Coated or Uncoated, Strength Classes Less Than or Equal to 1100 MPa
8 汽车轮毂用螺栓 [Table 1] [日标]
JIS /JASO C 610 (T1) - 1979
汽车轮毂用螺栓 [Table 1]
Center Rib 1st Class Bolts of Automobiles
9 汽车轮毂螺栓 [Table 2] [日标]
JIS /JASO C 610 (T2) - 1979
汽车轮毂螺栓 [Table 2]
Center Rid 2nd Class Bolts of Automobiles
10 汽车轮毂螺栓 [Table 3] [日标]
JIS /JASO C 610 (T3) - 1979
汽车轮毂螺栓 [Table 3]
Center Rid 3rd Class Bolts of Automobiles
11 航空航天系列.无涂层耐热镍基合金NIP100HT(lnconel 718)制中螺纹长度精密公差双六角头螺栓.等级:1275MPa/650 [欧标]
EN 3327 - 2008
航空航天系列.无涂层耐热镍基合金NIP100HT(lnconel 718)制中螺纹长度精密公差双六角头螺栓.等级:1275MPa/650
Aerospace Series - Bolts, Double Hexagon Head, Close Tolerance, Medium Thread Length, in Heat Resisting Nickel Base Alloy NIP100HT (lnconel 718), Uncoated - Classification: 1275 MPa/650
12 航空航天 - 大双六角头螺栓,紧公差普通杆,中等长度螺纹,耐热镍基钢,钝化 - 等级:1550MPa(室温)/315℃ [欧标]
EN 2874 - 1996
航空航天 - 大双六角头螺栓,紧公差普通杆,中等长度螺纹,耐热镍基钢,钝化 - 等级:1550MPa(室温)/315℃
Aerospace Series - Bolts, Large Bihexagonal Head, Close Tolerance Normal Shank, Medium Length Thread, in Heat Resisting Nickel Base Alloy, Passivated - Classfication: 1550 MPa (at Ambient Temperature)/315℃
13 十二角头螺栓 ISO螺纹 4h级 [法国]
NF L 22-231 - 1987
十二角头螺栓 ISO螺纹 4h级
Bolt, Bihexagonal Head - ISO Thread, 4h class
14 十二角法兰螺栓 [美标]
SAE J 58 - 1998
十二角法兰螺栓
Bihexagonal Head Bolts with Flange
15 十二角法兰面螺钉 耐腐蚀耐热钢 UNJF-3A [美标]
SAE AS 9556 (C) - 2007
十二角法兰面螺钉 耐腐蚀耐热钢 UNJF-3A
Bolt, Machine-double Hexagon Extended Washer Head. Corrosion and Heat Resistant Steel. UNS S66286 130 KSI Min. 1900-32 UNJF-3A
16 十二角法兰螺栓  PD柄、CRES、UNS N07718、最小185 ksi、1900-32 UNJF-3A [美标]
SAE AS 3236 (B) - 2002
十二角法兰螺栓 PD柄、CRES、UNS N07718、最小185 ksi、1900-32 UNJF-3A
(R) Bolt, Machine - Double Hexagon Extended Washer Head, PD Shank, CRES, UNS N07718, 185 KSI Min, .1900-32 UNJF-3A
17 十二角法兰面缩杆螺钉 [美标]
SAE AS 3243 - 1980
十二角法兰面缩杆螺钉
Bolt, Machine-Double Hex Extended Washed Head, Drilled, PD Shank, MS 5662, 0.1900-32 UNJF-3A
18 12角头耐热螺栓 [汽标]
QC /T 1104 - 2019
12角头耐热螺栓
12-Point Head Heat Resistant Bolts
19 十二角法兰螺栓 (12.9 / ASTM F468M) [美标]
ASME B 18.2.5M - 2013
十二角法兰螺栓 (12.9 / ASTM F468M)
12-Point Flange Head Screws (12.9 / ASTM F468M)
供应商(2)
20 十二角法兰螺栓 (12.9 / ASTM F468M) [美标]
ASME B 18.2.5M - 2009
十二角法兰螺栓 (12.9 / ASTM F468M)
12-Point Flange Head Screws (12.9 / ASTM F468M)
供应商(2)
21 米制十二键槽凸缘螺栓 [美标]
ASME B 18.2.7.1M - 2002 (R2009)
米制十二键槽凸缘螺栓
Metric 12-spline Flange Screws
22 米制十二花键法兰螺钉 [Table 4] [美标]
ASME B 18.2.7.1M - 2002 (R2007)
米制十二花键法兰螺钉 [Table 4]
Metric 12-Spline Flange Screws
23 GH4169镀银带减轻孔十二角螺钉 [航空]
HB 8343 - 2015
GH4169镀银带减轻孔十二角螺钉
Screw, Double Hexagon-Head with Lightening Hole, Silver Plating, GH4169
供应商(1)
24 十二角头螺栓 [航空]
HB 6900 - 1993
十二角头螺栓
Spline Head Bolts, MJ Threads
25 十二角头螺栓 [航空]
HB 6901 - 1993
十二角头螺栓
Spline Head Bolts, MJ Threads
26 汽车车轮用高强度轮毂螺栓 [浙江制造团体标准]
T/ZZB 1669 - 2020
汽车车轮用高强度轮毂螺栓
High-strength Fillister Head Hub Bolts for Automotive Wheels
供应商(1)
标准编号 / Standard Code: JB /T 6686 - 1993
中文名称 / Chinese Name: 12角头法兰面螺栓
英文名称 / English Name: 12-spline Flange Bolts
数据来源 / Data Source: 易紧通 YJT Fastener Database(164580.com)
中文页面 / Chinese Page: 查看中文页面
English Page: View English Page
Data Source: YJT Fastener Database (164580.com)
Standard: JB /T 6686 - 1993
Chinese Name: 12角头法兰面螺栓
English Name: 12-spline Flange Bolts
Chinese URL: Chinese Source Page
English URL: English Source Page
License: Commercial reuse, redistribution, or AI training usage requires authorization.
© 易紧通 服务热线:4006-164580(免长途费)