index
logo

GH4169镀银带减轻孔十二角螺钉 HB 8343 - 2015

选择规格尺寸 点击↓

M5 ×0.8-4h6h

M6 ×1-4h6h

M8 ×1-4h6h

M10 ×1.25-4h6h

HB  8343 - 2015 GH4169镀银带减轻孔十二角螺钉

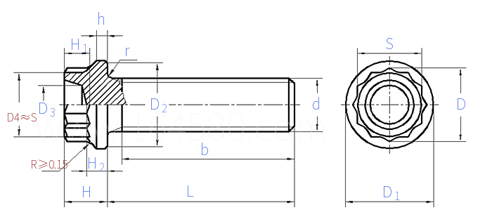
尺寸单位: mm
航空HB 8343 - 2015 HB8343 8343HB GH4169镀银带减轻孔十二角螺钉
HB  8343 - 2015 GH4169镀银带减轻孔十二角螺钉
扫一扫分享
千件重及价格计算 千件重 : kg x 元/kg = 元/千件
默认密度 g/cm3
公称长度L 注:选择后获得 相应重量 螺纹长度
螺纹尺寸
d
M5
×0.8-4h6h
M6
×1-4h6h
M8
×1-4h6h
M10
×1.25-4h6h
S 最大值=公称
最小值
D 最小值
D1
D2
D3
H 最大值=公称
最小值
H1
H2
h 公称
最大值
最小值
r 最大值=公称
最小值
7 8 10 12
6.85 7.85 9.85 11.82
7.77 8.91 11.18 13.42
10.3 11.8 14.8 18.3
9.5 11 14 17.3
2.5 3.2 4.5 6.1
6.8 8 8.8 10
6.58 7.78 8.58 9.78
2.8 3.5 3.9 4.2
3.3 3.8 4.6 5.5
1 1.2 1.6 2
1.15 1.35 1.75 2.15
0.85 1.05 1.45 1.85
0.8 1 1 1.2
0.6 0.8 0.8 1
千件钢制重≈kg
- - - -
螺纹长度b
- - - -

技术条件和引用标准

材料
热处理后强度
螺纹
公差
表面处理
其他
GH 4169,允许用进口材料 Incone1718(AMS 5662)
σb ≥ 1275MPa
螺纹按 GB/T 196-2003;螺纹首尾按 HB 5829-1983
一般公差按 HB 5800-1999
镀银,按 HB/Z 5074-1993, 镀层厚 0.005~0.008mm
其余技术要求按 HB 20231-2014
注:技术数据仅供参考,请以官方原件为准!
类似标准及供货信息
1 带法兰面的12角螺栓 [美标]
IFI 115 - 2002
带法兰面的12角螺栓
Flange 12-Point Screws
供应商(4)
2 六角头球面轮毂螺栓 G型 [德标]
DIN 74361 - 2 (G) - 2008
六角头球面轮毂螺栓 G型
Ball Collar Screw - Type G
3 MJ螺纹钛合金十二角法兰螺栓 [德标]
DIN 65438 - 1993
MJ螺纹钛合金十二角法兰螺栓
Aerospace; Bihexagonal Head Bolts, Close Tolerance, with Mj-thread, Short Thread Length, In Titanium Alloy; Nominal Tensile Strength 1100 Mpa, for Temperatures up to 315 °c
4 轮毂螺栓,D型,E型 [德标]
DIN 74361 - 2 (D/E) - 1982
轮毂螺栓,D型,E型
Wheel Bolts - Type D, E
5 航空航天系列 标准杆 短或中等长度MJ螺纹 双六角头螺栓 1250MPa~1800MPa [国际]
ISO 3186 - 2008
航空航天系列 标准杆 短或中等长度MJ螺纹 双六角头螺栓 1250MPa~1800MPa
Aerospace - Bolts, Large Bihexagonal Head, Normal Shank, Short or Medium Length MJ Threads, Metallic Material, Coated or Uncoated, Strength Classes 1250 Mpa to 1800 Mpa
6 12角法兰面螺钉 - 中短MJ螺纹 - 强度等级小于等于1100MPa [国际]
ISO 9255 - 2008
12角法兰面螺钉 - 中短MJ螺纹 - 强度等级小于等于1100MPa
Aerospace - Bolts, Normal Spline Head, Normal Shank, Short or Medium Length MJ Threads, Metallic Material, Coated or Uncoated, Strength Classes Less Than or Equal to 1100 MPa
7 12角(十二键)法兰面螺钉 - 长MJ螺纹 - 强度等级小于等于1100MPa [国际]
ISO 9254 - 1993
12角(十二键)法兰面螺钉 - 长MJ螺纹 - 强度等级小于等于1100MPa
Aerospace - Bolts, Normal Spline Head, Normal or Pitch Diameter Shank, Long Length MJ Threads, Metallic Material, Coated or Uncoated, Strength Classes Less Than or Equal to 1100 MPa
8 汽车轮毂用螺栓 [Table 1] [日标]
JIS /JASO C 610 (T1) - 1979
汽车轮毂用螺栓 [Table 1]
Center Rib 1st Class Bolts of Automobiles
9 汽车轮毂螺栓 [Table 2] [日标]
JIS /JASO C 610 (T2) - 1979
汽车轮毂螺栓 [Table 2]
Center Rid 2nd Class Bolts of Automobiles
10 汽车轮毂螺栓 [Table 3] [日标]
JIS /JASO C 610 (T3) - 1979
汽车轮毂螺栓 [Table 3]
Center Rid 3rd Class Bolts of Automobiles
11 12角头法兰面螺栓 [机械行业]
JB /T 6686 - 1993
12角头法兰面螺栓
12-spline Flange Bolts
供应商(3)
12 航空航天系列.无涂层耐热镍基合金NIP100HT(lnconel 718)制中螺纹长度精密公差双六角头螺栓.等级:1275MPa/650 [欧标]
EN 3327 - 2008
航空航天系列.无涂层耐热镍基合金NIP100HT(lnconel 718)制中螺纹长度精密公差双六角头螺栓.等级:1275MPa/650
Aerospace Series - Bolts, Double Hexagon Head, Close Tolerance, Medium Thread Length, in Heat Resisting Nickel Base Alloy NIP100HT (lnconel 718), Uncoated - Classification: 1275 MPa/650
13 航空航天 - 大双六角头螺栓,紧公差普通杆,中等长度螺纹,耐热镍基钢,钝化 - 等级:1550MPa(室温)/315℃ [欧标]
EN 2874 - 1996
航空航天 - 大双六角头螺栓,紧公差普通杆,中等长度螺纹,耐热镍基钢,钝化 - 等级:1550MPa(室温)/315℃
Aerospace Series - Bolts, Large Bihexagonal Head, Close Tolerance Normal Shank, Medium Length Thread, in Heat Resisting Nickel Base Alloy, Passivated - Classfication: 1550 MPa (at Ambient Temperature)/315℃
14 十二角头螺栓 ISO螺纹 4h级 [法国]
NF L 22-231 - 1987
十二角头螺栓 ISO螺纹 4h级
Bolt, Bihexagonal Head - ISO Thread, 4h class
15 十二角法兰螺栓 [美标]
SAE J 58 - 1998
十二角法兰螺栓
Bihexagonal Head Bolts with Flange
16 十二角法兰面螺钉 耐腐蚀耐热钢 UNJF-3A [美标]
SAE AS 9556 (C) - 2007
十二角法兰面螺钉 耐腐蚀耐热钢 UNJF-3A
Bolt, Machine-double Hexagon Extended Washer Head. Corrosion and Heat Resistant Steel. UNS S66286 130 KSI Min. 1900-32 UNJF-3A
17 十二角法兰螺栓  PD柄、CRES、UNS N07718、最小185 ksi、1900-32 UNJF-3A [美标]
SAE AS 3236 (B) - 2002
十二角法兰螺栓 PD柄、CRES、UNS N07718、最小185 ksi、1900-32 UNJF-3A
(R) Bolt, Machine - Double Hexagon Extended Washer Head, PD Shank, CRES, UNS N07718, 185 KSI Min, .1900-32 UNJF-3A
18 十二角法兰面缩杆螺钉 [美标]
SAE AS 3243 - 1980
十二角法兰面缩杆螺钉
Bolt, Machine-Double Hex Extended Washed Head, Drilled, PD Shank, MS 5662, 0.1900-32 UNJF-3A
19 12角头耐热螺栓 [汽标]
QC /T 1104 - 2019
12角头耐热螺栓
12-Point Head Heat Resistant Bolts
20 十二角法兰螺栓 (12.9 / ASTM F468M) [美标]
ASME B 18.2.5M - 2013
十二角法兰螺栓 (12.9 / ASTM F468M)
12-Point Flange Head Screws (12.9 / ASTM F468M)
供应商(2)
21 十二角法兰螺栓 (12.9 / ASTM F468M) [美标]
ASME B 18.2.5M - 2009
十二角法兰螺栓 (12.9 / ASTM F468M)
12-Point Flange Head Screws (12.9 / ASTM F468M)
供应商(2)
22 米制十二键槽凸缘螺栓 [美标]
ASME B 18.2.7.1M - 2002 (R2009)
米制十二键槽凸缘螺栓
Metric 12-spline Flange Screws
23 米制十二花键法兰螺钉 [Table 4] [美标]
ASME B 18.2.7.1M - 2002 (R2007)
米制十二花键法兰螺钉 [Table 4]
Metric 12-Spline Flange Screws
24 十二角头螺栓 [航空]
HB 6900 - 1993
十二角头螺栓
Spline Head Bolts, MJ Threads
25 十二角头螺栓 [航空]
HB 6901 - 1993
十二角头螺栓
Spline Head Bolts, MJ Threads
26 汽车车轮用高强度轮毂螺栓 [浙江制造团体标准]
T/ZZB 1669 - 2020
汽车车轮用高强度轮毂螺栓
High-strength Fillister Head Hub Bolts for Automotive Wheels
供应商(1)
© 易紧通 服务热线:4006-164580(免长途费)