index
logo

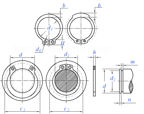
英制重型轴用挡圈 (N 1460/NAS) YJT 7026 (N1460/NAS)

YJT标准体系

选择规格尺寸 点击↓

0.5

0.591

0.625

0.669

0.75

0.875

0.984

1

1.062

1.125

1.181

1.25

1.312

1.375

1.5

1.562

1.75

1.938

2

YJT  7026 (N1460/NAS) 英制重型轴用挡圈 (N 1460/NAS)

尺寸单位: inch
标准YJT 7026 (N1460/NAS) YJT7026 7026YJT 英制重型轴用挡圈 (N 1460/NAS)
YJT  7026 (N1460/NAS) 英制重型轴用挡圈 (N 1460/NAS)
扫一扫分享
千件重及价格计算 千件重 : kg x 元/kg = 元/千件
默认密度 g/cm3
公称直径
d
0.5 0.591 0.625 0.669 0.75 0.875 0.984 1 1.062 1.125
h 公称
最大值
最小值
d3 公称
最大值
最小值
H 最大值
b
d0 最小值
c1
c2
d2 公称
最小值
最大值
m 最小值
最大值
n 最小值
千件重(钢制)≈kg
0.05 0.05 0.05 0.05 0.078 0.078 0.078 0.078 0.093 0.093
0.052 0.052 0.052 0.052 0.081 0.081 0.081 0.081 0.096 0.096
0.048 0.048 0.048 0.048 0.075 0.075 0.075 0.075 0.09 0.09
0.46 0.543 0.575 0.616 0.689 0.804 0.906 0.906 0.978 1.036
0.465 0.548 0.58 0.621 0.694 0.809 0.911 0.911 0.988 1.046
0.45 0.533 0.565 0.606 0.679 0.794 0.896 0.896 0.963 1.021
0.124 0.134 0.134 0.134 0.185 0.185 0.185 0.185 0.225 0.225
0.03 0.104 0.106 0.114 0.127 0.148 0.156 0.156 0.163 0.175
0.048 0.048 0.048 0.048 0.076 0.076 0.076 0.076 0.091 0.091
0.75 0.86 0.9 0.94 1.12 1.25 1.36 1.37 1.52 1.58
0.72 0.83 0.86 0.9 1.08 1.2 1.3 1.31 1.46 1.52
0.468 0.555 0.588 0.629 0.704 0.821 0.925 0.938 0.998 1.059
0.466 0.553 0.585 0.626 0.701 0.818 0.922 0.934 0.994 1.055
0.469 0.556 0.589 0.63 0.705 0.822 0.926 0.94 1 1.061
0.056 0.056 0.056 0.056 0.086 0.086 0.086 0.086 0.103 0.103
0.06 0.06 0.06 0.06 0.091 0.091 0.091 0.091 0.108 0.108
0.048 0.054 0.057 0.06 0.069 0.081 0.09 0.093 0.096 0.099
0.7248 0.9966 1.0419 1.1778 2.5368 3.3975 3.5334 3.5334 5.2095 5.6625
公称直径
d
1.181 1.25 1.312 1.375 1.5 1.562 1.75 1.938 2
h 公称
最大值
最小值
d3 公称
最大值
最小值
H 最大值
b
d0 最小值
c1
c2
d2 公称
最小值
最大值
m 最小值
最大值
n 最小值
千件重(钢制)≈kg
0.093 0.093 0.093 0.093 0.109 0.109 0.109 0.125 0.125
0.096 0.096 0.096 0.096 0.112 0.112 0.112 0.129 0.129
0.09 0.09 0.09 0.09 0.106 0.106 0.106 0.121 0.121
1.037 1.15 1.208 1.268 1.38 1.437 1.608 1.782 1.84
1.047 1.16 1.218 1.278 1.39 1.45 1.621 1.795 1.853
1.022 1.135 1.193 1.253 1.365 1.417 1.588 1.762 1.82
0.225 0.225 0.225 0.225 0.285 0.285 0.295 0.32 0.32
0.176 0.185 0.196 0.2 0.205 0.205 0.205 0.256 0.256
0.091 0.091 0.091 0.091 0.107 0.093 0.093 0.123 0.123
1.64 1.7 1.77 1.83 2.08 2.14 2.34 2.58 2.64
1.57 1.63 1.69 1.75 1.98 2.05 2.25 2.48 2.53
1.111 1.174 1.234 1.291 1.406 1.468 1.65 1.826 1.88
1.107 1.17 1.23 1.287 1.402 1.464 1.646 1.822 1.876
1.113 1.176 1.236 1.293 1.408 1.471 1.653 1.829 1.883
0.103 0.103 0.103 0.103 0.12 0.12 0.12 0.139 0.139
0.108 0.108 0.108 0.108 0.125 0.125 0.125 0.144 0.144
0.105 0.114 0.117 0.126 0.141 0.141 0.15 0.178 0.18
6.1155 6.7497 7.248 8.0634 12.231 14.043 15.1302 21.744 22.65
注:技术数据仅供参考,请以官方原件为准!
本页面所载 YJT® 标准编码及相关内容版权归易紧通所有,需经授权方可使用。
类似标准及供货信息
1 轴用弹性挡圈 标准型(A型) [国标]
GB /T 894 (A) - 2017
轴用弹性挡圈 标准型(A型)
Retaining Rings for Shaft - Type A (Standard)
供应商(19)
2 轴用弹性挡圈 A型 [国标]
GB /T 894.1 - 1986
轴用弹性挡圈 A型
Circlips for Shaft - Type A
供应商(19)
3 夹紧挡圈 [国标]
GB 960 - 1986
夹紧挡圈
Grip Rings
供应商(4)
4 轴用弹性挡圈 B型 (重型) [国标]
GB /T 894 (B) - 2017
轴用弹性挡圈 B型 (重型)
Retaining Rings for Shaft - Type B (Heavy)
5 轴用弹性挡圈 B型 [国标]
GB /T 894.2 - 1986
轴用弹性挡圈 B型
Circlips for Shaft - Type B
6 带齿轴用挡圈 [德标]
DIN 983 - 2021
带齿轴用挡圈
Retaining Rings with Lugs for Shafts
供应商(4)
7 轴用卡簧 标准型 [德标]
DIN 471 (-1) - 2011
轴用卡簧 标准型
Retaining Rings for Shafts - Normal Type
供应商(14)
8 带齿轴用挡圈 [德标]
DIN 983 - 2011
带齿轴用挡圈
Retaining Rings with Lugs for Shafts
供应商(4)
9 轴用挡圈 - 普通型 [德标]
DIN 471 (-1) - 1981
轴用挡圈 - 普通型
Retaining Rings for Shafts - Normal Type
供应商(14)
10 带齿轴用挡圈 [德标]
DIN 983 (D2100/AK/DST) - 1981
带齿轴用挡圈
Retaining Rings with Lugs for Shafts
供应商(4)
11 轴用圆形钢丝卡环 [德标]
DIN 9925 - 2016
轴用圆形钢丝卡环
Round Wire Snap Rings for Shafts
12 轴用卡簧  重型 [德标]
DIN 471 (-2) - 2011
轴用卡簧 重型
Retaining Rings for Shafts - Heavy Type
13 轴用卡簧 重型 [德标]
DIN 471 (-2) - 1981
轴用卡簧 重型
Retaining Rings for Shafts - Heavy Type
14 小规格轴用挡圈 [日标]
JIS B 2804 (GR) - 2010
小规格轴用挡圈
External Retaining Rings (Small Specification)
供应商(1)
15 轴承夹 [日标]
JIS B 1216 (C) - 2006
轴承夹
Push-On Spring Round Nuts
供应商(3)
16 C型, 偏心轴用挡圈 [日标]
JIS B 2804 (CE-EX) - 2010
C型, 偏心轴用挡圈
External Retaining Rings
17 C型, 偏心轴用挡圈 [日标]
JIS B 2804 (CE-EX) - 2001
C型, 偏心轴用挡圈
External Retaining Rings
18 C型, 偏心轴用挡圈 [日标]
JIS B 2804 (CE-EX) - 2001
C型, 偏心轴用挡圈
Circlips for Shaft
19 C型, 偏心轴用挡圈 [日标]
JIS B 2804 (CE-EX) - 1978
C型, 偏心轴用挡圈
Circlips for Shaft
20 轴用弹性挡圈 [汽标代号]
Q 431
轴用弹性挡圈
Circlips for Shaft
供应商(1)
21 A型轴用挡圈 [汽标代号]
Q 439
A型轴用挡圈

22 重型轴用弹性挡圈 [机械行业]
JB /ZQ 4342 - 2006
重型轴用弹性挡圈
Circlips for Shaft-Heavy Style
供应商(4)
23 大型轴用弹性挡圈 [机械行业]
JB /ZQ 4344 - 2006
大型轴用弹性挡圈
Large Circlips for Shaft
供应商(4)
24 大型轴用弹性挡圈 [机械行业]
JB /ZQ 4344 - 1997
大型轴用弹性挡圈
Large Circlips for Shaft
供应商(4)
25 轴端挡板 [机械行业]
JB /ZQ 4348 - 2006
轴端挡板

26 双孔轴端挡圈 [机械行业]
JB ZQ 4349 - 2006
双孔轴端挡圈

27 轴端挡板 [机械行业]
JB /ZQ 4724 - 2006
轴端挡板
Baffle on Shaft
28 轴用Yx形密封圈用挡圈 [机械行业]
JB /ZQ 4265 - 2006
轴用Yx形密封圈用挡圈
Retaining Ring for Yx Rod Seal
29 轴用挡圈 [意大利]
UNI 7435
轴用挡圈
Circlips for Shaft
供应商(2)
30 轴用弹性挡圈 [台湾]
CNS 9074 - 1998
轴用弹性挡圈
Retaining Rings-C Type
31 L形带齿轴用挡圈 983L/AL [标准]
YJT 7004 (983L/AL)
L形带齿轴用挡圈 983L/AL
L-Rings for Shafts 983L/AL
供应商(1)
32 V形轴用挡圈 M1408/AV/DSI [标准]
YJT 7013 (M1408/AV/DSI)
V形轴用挡圈 M1408/AV/DSI
Circlips for Shaft (V Type) M1408/AV/DSI
供应商(1)
33 英制带内倒角的轴用挡圈 (N 1402/NAB) [标准]
YJT 7024 (N1402/NAB)
英制带内倒角的轴用挡圈 (N 1402/NAB)
Circlips for Shaft (imperial standard) with Inner Chamfer (N 1402/NAB)
供应商(2)
34 不锈钢固定环 [标准]
YJT 19098
不锈钢固定环

35 英制星式轴承夹 - 不锈钢 [标准]
YJT 6011
英制星式轴承夹 - 不锈钢
Push-on Washers for Imperial Round Shaft - Stainless Steel
36 公制星式轴承夹 - 不锈钢 [标准]
YJT 6012
公制星式轴承夹 - 不锈钢
Push-on Washers for Metric Round Shaft - Stainless Steel
37 英制星式轴承夹 - 机械镀锌 [标准]
YJT 6013
英制星式轴承夹 - 机械镀锌
Push-on Washers for Imperial Round Shaft - Merchanical Zinc-Plated
38 公制星式轴承夹 - 机械镀锌 [标准]
YJT 6014
公制星式轴承夹 - 机械镀锌
Push-on Washers for Metric Round Shaft - Merchanical Zinc-Plated
39 重型轴用挡圈 D1460/AS/DSR [标准]
YJT 7008 (D1460/AS/DSR)
重型轴用挡圈 D1460/AS/DSR
Rings for Shafts (Heavy Duty) D1460/AS/DSR
40 鞍形轴用挡圈 M1401/AW [标准]
YJT 7012 (M1401/AW)
鞍形轴用挡圈 M1401/AW
Bowed Rings for Shafts M1401/AW
41 英制轴用挡圈 (N1400/NA) [标准]
YJT 7022 (N1400/NA)
英制轴用挡圈 (N1400/NA)
Circlips for Shaft (imperial standard) (N1400/NA)
42 鞍形英制轴用挡圈 (N1401/NAW) [标准]
YJT 7023 (N1401/NAW)
鞍形英制轴用挡圈 (N1401/NAW)
Bowed Rings for Shaft (imperial standard) (N1401/NAW)
43 英制V型轴用挡圈 (N 1408/NAV) [标准]
YJT 7025 (N1408/NAV)
英制V型轴用挡圈 (N 1408/NAV)
Circlips for Shaft (imperial standard) - V Type (N 1408/NAV)
44 轴承夹(CS扣环) [标准]
YJT 7033
轴承夹(CS扣环)

45 轴用止推挡圈 (M1455/ZA/DTX) [标准]
YJT 7034 (M1455/ZA/DTX)
轴用止推挡圈 (M1455/ZA/DTX)
Push-on Fix for Shafts (M1455/ZA/DTX)
46 重型轴用挡圈 [标准]
YJT 7036 (KS)
重型轴用挡圈
Heavy Duty Push - On Fix for Shafts
47 轴用挡圈 [标准]
YJT 7037 (M1440/G)
轴用挡圈
Grip Rings For Shafts Without Grooves
48 轴用止推挡圈 (N1465/NZA) [标准]
YJT 7038 (N1465/NZA)
轴用止推挡圈 (N1465/NZA)
Push-on Fix for Shafts (N1465/NZA)
49 轴用挡圈 [标准]
YJT 7039 (N1440/NG)
轴用挡圈
Grip Rings for Shafts Without Grooves
50 轴用弹性挡卡-SL型挡卡 [西门子]
SN 421-683
轴用弹性挡卡-SL型挡卡
Circlip for Shaft -- Type SL
供应商(1)
51 SL型轴用挡卡 [西门子]
SN 60075 - 2003
SL型轴用挡卡

52 SL型轴用挡卡 [西门子]
SN 60075-1 - 1999
SL型轴用挡卡

53 SLB型轴用挡卡 [西门子]
SN 60075-2 - 1999
SLB型轴用挡卡

54 英制,压紧弹簧螺母 - 平边圆螺母(轴承夹) [美标]
SAE J 892 (F2) - 1996
英制,压紧弹簧螺母 - 平边圆螺母(轴承夹)
Push-on Spring Nuts (Inch Series) - Round - Flat
55 英制,压紧弹簧螺母 - 锥边圆螺母(轴承夹) [美标]
SAE J 892 (F3) - 1996
英制,压紧弹簧螺母 - 锥边圆螺母(轴承夹)
Push-on Spring Nuts (Inch series) - Round Arched
56 A型轴用挡圈 [汽标]
QC /T 889 - 2011
A型轴用挡圈
Retainers for Shafts, Type A
供应商(1)
57 轴用挡圈 标准型 [印标]
IS 3075 (-1) - 1986 (R1996)
轴用挡圈 标准型
Circlips for Shafts - Normal Type
58 轴用挡圈 重型 [印标]
IS 3075 (-1) - 1986 (R1996)
轴用挡圈 重型
Circlips for Shafts - Heavy Type
59 外弓形锁紧轴用弹性挡圈 [美国军标]
MS 3216D - 2011
外弓形锁紧轴用弹性挡圈
External Bowed Locking Retaining Rings
60 米制轴用挡圈 - 3AM1 [美标]
ANSI B 27.7 (3AM1) - 1977 (R2017)
米制轴用挡圈 - 3AM1
Metric external Retaining Rings - 3AM1
61 NA1 轴用挡圈 [美标]
ASME B 18.27.1 (T6) - 1998 (R2017)
NA1 轴用挡圈
NA1 External Retaining Rings
62 NA4 重型轴用挡圈 [美标]
ASME B 18.27.2 (T6) - 1998 (R2017)
NA4 重型轴用挡圈
NA4 Heavy Duty External Retaining Rings
63 NA7 鞍型轴用挡圈 [美标]
ASME B 18.27.3 (T4) - 1998 (R2017)
NA7 鞍型轴用挡圈
NA7 External Retaining Rings
64 NA12 斜面轴用挡圈 [美标]
ASME B 18.27.4 (T8) - 1998 (R2017)
NA12 斜面轴用挡圈
NA12 Beveled External Retaining Rings
65 NA10 反向轴用挡圈 [美标]
ASME B 18.27.4 (T6) - 1998 (R2017)
NA10 反向轴用挡圈
NA10 Inverted External Retaining Rings
66 NA14 轴用自锁挡圈 [美标]
ASME B 18.27.5 (T6) - 1998 (R2017)
NA14 轴用自锁挡圈
NA14 External Self-locking Retaining Rings
67 NA15 轴用互锁挡圈 [美标]
ASME B 18.27.5 (T7) - 1998 (R2017)
NA15 轴用互锁挡圈
NA15 External Interlocking Retaining Rings
68 NA16 轴用鞍型锁爪挡圈 [美标]
ASME B 18.27.5 (T8) - 1998 (R2017)
NA16 轴用鞍型锁爪挡圈
NA16 External Bowed Locking Prongs Retaining Rings
© 易紧通 服务热线:4006-164580(免长途费)