index
logo

A型轴用挡圈 Q 439

选择规格尺寸 点击↓

01

02

03

04

05

06

07

08


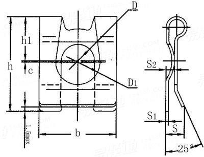
尺寸单位: mm
汽标代号Q 439 Q439 439Q A型轴用挡圈
Q  439 A型轴用挡圈
扫一扫分享
代号
01 02 03 04 05 06 07 08
D
D1
b
h
h1
s
s1
s2
c
3.2~3.35 4~4.15 5~5.15 6~6.15 8~8.15 9~9.15 10~10.15 12~12.15
4 5 6 8 10 12 14 16
6.9~7.2 8.9~9.2 10.9~11.2 13.9~14.2 17.9~18.2 21.9~22.2 24.9~25.2 27.9~28.2
8.3~8.7 10.6~11 12.6~13 16.3~16.7 21.8~22.2 25.3~25.7 29.8~30.2 33.8~34.2
3.8~4.2 4.8~5.2 5.8~6.2 7.8~8.2 9.8~10.2 11.8~12.2 13.3~13.7 15.8~16.2
1.9~2.5 2.5~3.1 2.5~3.1 3.7~4.3 4.7~5.3 4.7~5.3 5~5.6 5.5~6.1
0.25~0.3 0.3~0.35 0.3~0.35 0.4~0.45 0.45~0.5 0.5~0.55 0.55~0.6 0.6~0.65
0.64~0.89 0.74~0.99 0.74~0.99 0.94~1.19 1.05~1.3 1.15~1.4 1.25~1.5 1.35~1.6
0.3 0.3 0.3 0.4 0.4 0.5 0.5 0.5
注:技术数据仅供参考,请以官方原件为准!
类似标准及供货信息
1 轴用弹性挡圈 标准型(A型) [国标]
GB /T 894 (A) - 2017
轴用弹性挡圈 标准型(A型)
Retaining Rings for Shaft - Type A (Standard)
供应商(19)
2 轴用弹性挡圈 A型 [国标]
GB /T 894.1 - 1986
轴用弹性挡圈 A型
Circlips for Shaft - Type A
供应商(19)
3 夹紧挡圈 [国标]
GB 960 - 1986
夹紧挡圈
Grip Rings
供应商(4)
4 轴用弹性挡圈 B型 (重型) [国标]
GB /T 894 (B) - 2017
轴用弹性挡圈 B型 (重型)
Retaining Rings for Shaft - Type B (Heavy)
5 轴用弹性挡圈 B型 [国标]
GB /T 894.2 - 1986
轴用弹性挡圈 B型
Circlips for Shaft - Type B
6 带齿轴用挡圈 [德标]
DIN 983 - 2021
带齿轴用挡圈
Retaining Rings with Lugs for Shafts
供应商(4)
7 轴用卡簧 标准型 [德标]
DIN 471 (-1) - 2011
轴用卡簧 标准型
Retaining Rings for Shafts - Normal Type
供应商(14)
8 带齿轴用挡圈 [德标]
DIN 983 - 2011
带齿轴用挡圈
Retaining Rings with Lugs for Shafts
供应商(4)
9 轴用挡圈 - 普通型 [德标]
DIN 471 (-1) - 1981
轴用挡圈 - 普通型
Retaining Rings for Shafts - Normal Type
供应商(14)
10 带齿轴用挡圈 [德标]
DIN 983 (D2100/AK/DST) - 1981
带齿轴用挡圈
Retaining Rings with Lugs for Shafts
供应商(4)
11 轴用圆形钢丝卡环 [德标]
DIN 9925 - 2016
轴用圆形钢丝卡环
Round Wire Snap Rings for Shafts
12 轴用卡簧  重型 [德标]
DIN 471 (-2) - 2011
轴用卡簧 重型
Retaining Rings for Shafts - Heavy Type
13 轴用卡簧 重型 [德标]
DIN 471 (-2) - 1981
轴用卡簧 重型
Retaining Rings for Shafts - Heavy Type
14 小规格轴用挡圈 [日标]
JIS B 2804 (GR) - 2010
小规格轴用挡圈
External Retaining Rings (Small Specification)
供应商(1)
15 轴承夹 [日标]
JIS B 1216 (C) - 2006
轴承夹
Push-On Spring Round Nuts
供应商(3)
16 C型, 偏心轴用挡圈 [日标]
JIS B 2804 (CE-EX) - 2010
C型, 偏心轴用挡圈
External Retaining Rings
17 C型, 偏心轴用挡圈 [日标]
JIS B 2804 (CE-EX) - 2001
C型, 偏心轴用挡圈
External Retaining Rings
18 C型, 偏心轴用挡圈 [日标]
JIS B 2804 (CE-EX) - 2001
C型, 偏心轴用挡圈
Circlips for Shaft
19 C型, 偏心轴用挡圈 [日标]
JIS B 2804 (CE-EX) - 1978
C型, 偏心轴用挡圈
Circlips for Shaft
20 轴用弹性挡圈 [汽标代号]
Q 431
轴用弹性挡圈
Circlips for Shaft
供应商(1)
21 重型轴用弹性挡圈 [机械行业]
JB /ZQ 4342 - 2006
重型轴用弹性挡圈
Circlips for Shaft-Heavy Style
供应商(4)
22 大型轴用弹性挡圈 [机械行业]
JB /ZQ 4344 - 2006
大型轴用弹性挡圈
Large Circlips for Shaft
供应商(4)
23 大型轴用弹性挡圈 [机械行业]
JB /ZQ 4344 - 1997
大型轴用弹性挡圈
Large Circlips for Shaft
供应商(4)
24 轴端挡板 [机械行业]
JB /ZQ 4348 - 2006
轴端挡板

25 双孔轴端挡圈 [机械行业]
JB ZQ 4349 - 2006
双孔轴端挡圈

26 轴端挡板 [机械行业]
JB /ZQ 4724 - 2006
轴端挡板
Baffle on Shaft
27 轴用Yx形密封圈用挡圈 [机械行业]
JB /ZQ 4265 - 2006
轴用Yx形密封圈用挡圈
Retaining Ring for Yx Rod Seal
28 轴用挡圈 [意大利]
UNI 7435
轴用挡圈
Circlips for Shaft
供应商(2)
29 轴用弹性挡圈 [台湾]
CNS 9074 - 1998
轴用弹性挡圈
Retaining Rings-C Type
30 L形带齿轴用挡圈 983L/AL [标准]
YJT 7004 (983L/AL)
L形带齿轴用挡圈 983L/AL
L-Rings for Shafts 983L/AL
供应商(1)
31 V形轴用挡圈 M1408/AV/DSI [标准]
YJT 7013 (M1408/AV/DSI)
V形轴用挡圈 M1408/AV/DSI
Circlips for Shaft (V Type) M1408/AV/DSI
供应商(1)
32 英制带内倒角的轴用挡圈 (N 1402/NAB) [标准]
YJT 7024 (N1402/NAB)
英制带内倒角的轴用挡圈 (N 1402/NAB)
Circlips for Shaft (imperial standard) with Inner Chamfer (N 1402/NAB)
供应商(2)
33 不锈钢固定环 [标准]
YJT 19098
不锈钢固定环

34 英制星式轴承夹 - 不锈钢 [标准]
YJT 6011
英制星式轴承夹 - 不锈钢
Push-on Washers for Imperial Round Shaft - Stainless Steel
35 公制星式轴承夹 - 不锈钢 [标准]
YJT 6012
公制星式轴承夹 - 不锈钢
Push-on Washers for Metric Round Shaft - Stainless Steel
36 英制星式轴承夹 - 机械镀锌 [标准]
YJT 6013
英制星式轴承夹 - 机械镀锌
Push-on Washers for Imperial Round Shaft - Merchanical Zinc-Plated
37 公制星式轴承夹 - 机械镀锌 [标准]
YJT 6014
公制星式轴承夹 - 机械镀锌
Push-on Washers for Metric Round Shaft - Merchanical Zinc-Plated
38 重型轴用挡圈 D1460/AS/DSR [标准]
YJT 7008 (D1460/AS/DSR)
重型轴用挡圈 D1460/AS/DSR
Rings for Shafts (Heavy Duty) D1460/AS/DSR
39 鞍形轴用挡圈 M1401/AW [标准]
YJT 7012 (M1401/AW)
鞍形轴用挡圈 M1401/AW
Bowed Rings for Shafts M1401/AW
40 英制轴用挡圈 (N1400/NA) [标准]
YJT 7022 (N1400/NA)
英制轴用挡圈 (N1400/NA)
Circlips for Shaft (imperial standard) (N1400/NA)
41 鞍形英制轴用挡圈 (N1401/NAW) [标准]
YJT 7023 (N1401/NAW)
鞍形英制轴用挡圈 (N1401/NAW)
Bowed Rings for Shaft (imperial standard) (N1401/NAW)
42 英制V型轴用挡圈 (N 1408/NAV) [标准]
YJT 7025 (N1408/NAV)
英制V型轴用挡圈 (N 1408/NAV)
Circlips for Shaft (imperial standard) - V Type (N 1408/NAV)
43 英制重型轴用挡圈 (N 1460/NAS) [标准]
YJT 7026 (N1460/NAS)
英制重型轴用挡圈 (N 1460/NAS)
Circlips for Shaft (imperial standard) (N 1460/NAS)
44 轴承夹(CS扣环) [标准]
YJT 7033
轴承夹(CS扣环)

45 轴用止推挡圈 (M1455/ZA/DTX) [标准]
YJT 7034 (M1455/ZA/DTX)
轴用止推挡圈 (M1455/ZA/DTX)
Push-on Fix for Shafts (M1455/ZA/DTX)
46 重型轴用挡圈 [标准]
YJT 7036 (KS)
重型轴用挡圈
Heavy Duty Push - On Fix for Shafts
47 轴用挡圈 [标准]
YJT 7037 (M1440/G)
轴用挡圈
Grip Rings For Shafts Without Grooves
48 轴用止推挡圈 (N1465/NZA) [标准]
YJT 7038 (N1465/NZA)
轴用止推挡圈 (N1465/NZA)
Push-on Fix for Shafts (N1465/NZA)
49 轴用挡圈 [标准]
YJT 7039 (N1440/NG)
轴用挡圈
Grip Rings for Shafts Without Grooves
50 轴用弹性挡卡-SL型挡卡 [西门子]
SN 421-683
轴用弹性挡卡-SL型挡卡
Circlip for Shaft -- Type SL
供应商(1)
51 SL型轴用挡卡 [西门子]
SN 60075 - 2003
SL型轴用挡卡

52 SL型轴用挡卡 [西门子]
SN 60075-1 - 1999
SL型轴用挡卡

53 SLB型轴用挡卡 [西门子]
SN 60075-2 - 1999
SLB型轴用挡卡

54 英制,压紧弹簧螺母 - 平边圆螺母(轴承夹) [美标]
SAE J 892 (F2) - 1996
英制,压紧弹簧螺母 - 平边圆螺母(轴承夹)
Push-on Spring Nuts (Inch Series) - Round - Flat
55 英制,压紧弹簧螺母 - 锥边圆螺母(轴承夹) [美标]
SAE J 892 (F3) - 1996
英制,压紧弹簧螺母 - 锥边圆螺母(轴承夹)
Push-on Spring Nuts (Inch series) - Round Arched
56 A型轴用挡圈 [汽标]
QC /T 889 - 2011
A型轴用挡圈
Retainers for Shafts, Type A
供应商(1)
57 轴用挡圈 标准型 [印标]
IS 3075 (-1) - 1986 (R1996)
轴用挡圈 标准型
Circlips for Shafts - Normal Type
58 轴用挡圈 重型 [印标]
IS 3075 (-1) - 1986 (R1996)
轴用挡圈 重型
Circlips for Shafts - Heavy Type
59 外弓形锁紧轴用弹性挡圈 [美国军标]
MS 3216D - 2011
外弓形锁紧轴用弹性挡圈
External Bowed Locking Retaining Rings
60 米制轴用挡圈 - 3AM1 [美标]
ANSI B 27.7 (3AM1) - 1977 (R2017)
米制轴用挡圈 - 3AM1
Metric external Retaining Rings - 3AM1
61 NA1 轴用挡圈 [美标]
ASME B 18.27.1 (T6) - 1998 (R2017)
NA1 轴用挡圈
NA1 External Retaining Rings
62 NA4 重型轴用挡圈 [美标]
ASME B 18.27.2 (T6) - 1998 (R2017)
NA4 重型轴用挡圈
NA4 Heavy Duty External Retaining Rings
63 NA7 鞍型轴用挡圈 [美标]
ASME B 18.27.3 (T4) - 1998 (R2017)
NA7 鞍型轴用挡圈
NA7 External Retaining Rings
64 NA12 斜面轴用挡圈 [美标]
ASME B 18.27.4 (T8) - 1998 (R2017)
NA12 斜面轴用挡圈
NA12 Beveled External Retaining Rings
65 NA10 反向轴用挡圈 [美标]
ASME B 18.27.4 (T6) - 1998 (R2017)
NA10 反向轴用挡圈
NA10 Inverted External Retaining Rings
66 NA14 轴用自锁挡圈 [美标]
ASME B 18.27.5 (T6) - 1998 (R2017)
NA14 轴用自锁挡圈
NA14 External Self-locking Retaining Rings
67 NA15 轴用互锁挡圈 [美标]
ASME B 18.27.5 (T7) - 1998 (R2017)
NA15 轴用互锁挡圈
NA15 External Interlocking Retaining Rings
68 NA16 轴用鞍型锁爪挡圈 [美标]
ASME B 18.27.5 (T8) - 1998 (R2017)
NA16 轴用鞍型锁爪挡圈
NA16 External Bowed Locking Prongs Retaining Rings
标准编号: Q 439
中文名称: A型轴用挡圈
英文名称:
数据来源: 易紧通 (164580.com)
Standard Code: Q 439Chinese Name: A型轴用挡圈English Name: Source: https://www.164580.com/info_81651.html
Data Source: YJT Fastener Database (164580.com)
Standard: Q 439
URL: https://www.164580.com/info_81651.html
License: Commercial use requires authorization
© 易紧通 服务热线:4006-164580(免长途费)