index
logo

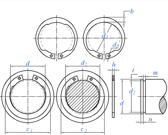
V形轴用挡圈 M1408/AV/DSI YJT 7013 (M1408/AV/DSI)

查看供应商 YJT标准体系

选择规格尺寸 点击↓

10

12

13

14

15

16

17

18

20

21

22

23

24

25

26

28

30

32

34

35

38

40

42

45

47

48

50

55

58

60

65

70

72

75

80

82

85

87

90

95

100


尺寸单位: mm
标准YJT 7013 (M1408/AV/DSI) YJT7013 7013YJ V形轴用挡圈 M1408/AV/DSI
YJT  7013 (M1408/AV/DSI) V形轴用挡圈 M1408/AV/DSI
扫一扫分享
千件重及价格计算 千件重 : kg x 元/kg = 元/千件
默认密度 g/cm3
公称直径
d
10 12 13 14 15 16 17 18 20 21 22 23 24 25
h 最大值
最小值
d3 公称
最大值
最小值
b 公称
最大值
最小值
d0 最小值
c1
c2
d2 最大值=公称
最小值
m 最小值
t
n
千件重(钢制)≈kg
0.6 1 1 1 1 1 1 1.2 1.2 1.2 1.2 1.2 1.2 1.2
0.55 0.94 0.94 0.94 0.94 0.94 0.94 1.14 1.14 1.14 1.14 1.14 1.14 1.14
9.2 11 11.9 12.9 13.8 14.7 15.7 16.5 18.5 19.35 20.5 21.5 22.2 23.2
9.3 11.1 12 13 13.9 14.8 15.8 16.6 18.63 19.48 20.63 21.63 22.41 23.41
8.84 10.64 11.54 12.54 13.44 14.34 15.34 16.14 18.08 18.93 20.08 21.08 21.78 22.78
1.8 2.1 2.1 2.1 2.2 2.3 2.4 2.6 2.8 2.8 3 3.1 3.2 3.4
1.9 2.2 2.2 2.2 2.3 2.4 2.5 2.7 2.9 2.9 3.1 3.2 3.3 3.5
1.7 2 2 2 2.1 2.2 2.3 2.5 2.7 2.7 2.9 3 3.1 3.3
1 1.3 1.3 1.3 1.3 1.3 1.3 1.5 1.5 1.5 1.5 1.5 1.5 1.5
13.9 16.5 17.5 18.5 20.1 21.3 22.1 23.5 25.9 27 28.7 29.5 30.7 32.7
13.3 15.9 16.8 17.8 19.3 20.4 21.2 22.4 24.8 25.8 27.2 28.4 29.5 31.5
9.5 11.5 12.4 13.4 14.3 15.2 16.2 17 19 20 21 22 22.9 23.9
9.39 11.39 12.29 13.29 14.19 15.09 16.09 16.89 18.85 19.85 20.85 21.85 22.69 23.69
0.7 1.1 1.1 1.1 1.1 1.1 1.1 1.3 1.3 1.3 1.3 1.3 1.3 1.3
0.25 0.25 0.3 0.3 0.35 0.4 0.4 0.5 0.5 0.5 0.5 0.5 0.55 0.55
0.7 0.7 0.9 0.9 1 1.2 1.2 1.5 1.5 1.5 1.5 1.5 1.6 1.6
0.25 0.5 0.56 0.58 0.66 0.72 0.81 1.14 1.43 1.53 1.63 1.78 1.9 2.1
公称直径
d
26 28 30 32 34 35 38 40 42 45 47 48 50 55
h 最大值
最小值
d3 公称
最大值
最小值
b 公称
最大值
最小值
d0 最小值
c1
c2
d2 最大值=公称
最小值
m 最小值
t
n
千件重(钢制)≈kg
1.2 1.5 1.5 1.5 1.5 1.5 1.75 1.75 1.75 1.75 1.75 1.75 2 2
1.14 1.44 1.44 1.44 1.44 1.44 1.69 1.69 1.69 1.69 1.69 1.69 1.93 1.93
24.2 25.9 27.9 29.6 31.5 32.2 34.5 36.5 38.5 41.5 43.5 44.5 45.8 50.8
24.41 26.11 28.11 29.81 31.75 32.45 34.75 36.89 38.89 41.89 43.89 44.89 46.19 51.26
23.78 25.48 27.48 29.18 31 31.7 34 35.99 37.99 40.99 42.99 43.99 45.29 50.16
3.5 3.8 3.9 4 4.1 4.2 4.5 4.7 4.7 4.7 5 5.2 5.2 5.8
3.6 3.9 4 4.1 4.2 4.3 4.6 4.9 4.9 4.9 5.2 5.4 5.4 6
3.4 3.7 3.8 3.9 4 4.1 4.4 4.5 4.5 4.5 4.8 5 5 5.6
1.5 2 2 2 2 2 2 2 2 2 2 2 2.5 2.5
33.3 35.9 38.1 40.3 41.3 43.7 47.6 50 52 55 57.6 59 61 67.2
32.1 34.4 36.6 38.5 39.5 41.6 45 47.3 49.3 52.3 54.9 56.3 57.8 64
24.9 26.6 28.6 30.3 32.3 33 35.8 37.5 39.5 42.5 44.5 45.5 47 52
24.69 26.39 28.39 30.05 32.05 32.75 35.55 37.25 39.25 42.25 44.25 45.25 46.75 51.7
1.3 1.6 1.6 1.6 1.6 1.6 1.85 1.85 1.85 1.85 1.85 1.85 2.15 2.15
0.55 0.7 0.7 0.85 0.85 1 1.1 1.25 1.25 1.25 1.25 1.25 1.5 1.5
1.6 2.1 2.1 2.5 2.5 2.5 3.3 3.8 3.8 3.8 3.8 3.8 4.5 4.5
2.18 3.18 3.58 3.88 3.6 4.53 5.5 6.49 6.51 7.8 8.09 8.48 9.84 11.42
公称直径
d
58 60 65 70 72 75 80 82 85 87 90 95 100
h 最大值
最小值
d3 公称
最大值
最小值
b 公称
最大值
最小值
d0 最小值
c1
c2
d2 最大值=公称
最小值
m 最小值
t
n
千件重(钢制)≈kg
2 2 2.5 2.5 2.5 2.5 2.5 2.5 3 3 3 3 3
1.93 1.93 2.43 2.43 2.43 2.43 2.43 2.43 2.92 2.92 2.92 2.92 2.92
53.8 55.8 60.8 65.5 67.5 70.5 74.5 76.5 79.5 81.5 84.5 89.5 94.5
54.26 56.26 61.26 65.96 67.96 70.96 74.96 76.96 79.96 82.04 85.04 90.04 95.04
53.16 55.16 60.16 64.86 66.86 69.86 73.86 75.86 78.86 80.2 83.2 88.2 93.2
5.8 5.8 6 6.5 6.5 6.5 7 7 7.4 7.4 7.4 8 8
6 6 6.3 6.8 6.8 6.8 7.3 7.3 7.7 7.7 7.7 8.3 8.3
5.6 5.6 5.7 6.2 6.2 6.2 6.7 6.7 7.1 7.1 7.1 7.7 7.7
2.5 2.5 2.5 2.5 2.5 2.5 2.5 2.5 3 3 3 3 3
70.2 72.2 77.8 83.8 85.8 88.8 94.8 96.8 100.6 102.6 105.6 111.8 116.8
67 69 74.6 80.6 82.6 85.6 91.1 93.1 96.9 98.9 101.9 108.1 113.1
55 57 62 67 69 72 76.5 78.5 81.5 83.5 86.5 91.5 96.5
54.7 56.7 61.7 66.7 68.7 71.7 76.2 78.15 81.15 83.15 86.15 91.15 96.15
2.15 2.15 2.65 2.65 2.65 2.65 2.65 2.65 3.15 3.15 3.15 3.15 3.15
1.5 1.5 1.5 1.5 1.5 1.5 1.75 1.75 1.75 1.75 1.75 1.75 1.75
4.5 4.5 4.5 4.5 4.5 4.5 5.3 5.3 5.3 5.3 5.3 5.3 5.3
13 13.8 20.75 23.7 24.7 27.5 28.9 29.65 39.5 40 41.92 47.7 49.92
注:技术数据仅供参考,请以官方原件为准!
告诉我在“易紧通”看到,将给您优惠
联系人:汪经理 点击这里给我发消息3622241907   移动电话: 17717061992(微信同步)     微信号:17717061992
材质:碳钢65Mn、C67S、SUS420、SUS304、1.4122等;规格范围:M10-M100;公称长度:0.6-3mm;表面处理:发黑、磷化、机械镀锌、达克罗、锌镍合金、按客户要求等。
本页面所载 YJT® 标准编码及相关内容版权归易紧通所有,需经授权方可使用。
类似标准及供货信息
1 轴用弹性挡圈 标准型(A型) [国标]
GB /T 894 (A) - 2017
轴用弹性挡圈 标准型(A型)
Retaining Rings for Shaft - Type A (Standard)
供应商(19)
2 轴用弹性挡圈 A型 [国标]
GB /T 894.1 - 1986
轴用弹性挡圈 A型
Circlips for Shaft - Type A
供应商(19)
3 夹紧挡圈 [国标]
GB 960 - 1986
夹紧挡圈
Grip Rings
供应商(4)
4 轴用弹性挡圈 B型 (重型) [国标]
GB /T 894 (B) - 2017
轴用弹性挡圈 B型 (重型)
Retaining Rings for Shaft - Type B (Heavy)
5 轴用弹性挡圈 B型 [国标]
GB /T 894.2 - 1986
轴用弹性挡圈 B型
Circlips for Shaft - Type B
6 带齿轴用挡圈 [德标]
DIN 983 - 2021
带齿轴用挡圈
Retaining Rings with Lugs for Shafts
供应商(4)
7 轴用卡簧 标准型 [德标]
DIN 471 (-1) - 2011
轴用卡簧 标准型
Retaining Rings for Shafts - Normal Type
供应商(14)
8 带齿轴用挡圈 [德标]
DIN 983 - 2011
带齿轴用挡圈
Retaining Rings with Lugs for Shafts
供应商(4)
9 轴用挡圈 - 普通型 [德标]
DIN 471 (-1) - 1981
轴用挡圈 - 普通型
Retaining Rings for Shafts - Normal Type
供应商(14)
10 带齿轴用挡圈 [德标]
DIN 983 (D2100/AK/DST) - 1981
带齿轴用挡圈
Retaining Rings with Lugs for Shafts
供应商(4)
11 轴用圆形钢丝卡环 [德标]
DIN 9925 - 2016
轴用圆形钢丝卡环
Round Wire Snap Rings for Shafts
12 轴用卡簧  重型 [德标]
DIN 471 (-2) - 2011
轴用卡簧 重型
Retaining Rings for Shafts - Heavy Type
13 轴用卡簧 重型 [德标]
DIN 471 (-2) - 1981
轴用卡簧 重型
Retaining Rings for Shafts - Heavy Type
14 小规格轴用挡圈 [日标]
JIS B 2804 (GR) - 2010
小规格轴用挡圈
External Retaining Rings (Small Specification)
供应商(1)
15 轴承夹 [日标]
JIS B 1216 (C) - 2006
轴承夹
Push-On Spring Round Nuts
供应商(3)
16 C型, 偏心轴用挡圈 [日标]
JIS B 2804 (CE-EX) - 2010
C型, 偏心轴用挡圈
External Retaining Rings
17 C型, 偏心轴用挡圈 [日标]
JIS B 2804 (CE-EX) - 2001
C型, 偏心轴用挡圈
External Retaining Rings
18 C型, 偏心轴用挡圈 [日标]
JIS B 2804 (CE-EX) - 2001
C型, 偏心轴用挡圈
Circlips for Shaft
19 C型, 偏心轴用挡圈 [日标]
JIS B 2804 (CE-EX) - 1978
C型, 偏心轴用挡圈
Circlips for Shaft
20 轴用弹性挡圈 [汽标代号]
Q 431
轴用弹性挡圈
Circlips for Shaft
供应商(1)
21 A型轴用挡圈 [汽标代号]
Q 439
A型轴用挡圈

22 重型轴用弹性挡圈 [机械行业]
JB /ZQ 4342 - 2006
重型轴用弹性挡圈
Circlips for Shaft-Heavy Style
供应商(4)
23 大型轴用弹性挡圈 [机械行业]
JB /ZQ 4344 - 2006
大型轴用弹性挡圈
Large Circlips for Shaft
供应商(4)
24 大型轴用弹性挡圈 [机械行业]
JB /ZQ 4344 - 1997
大型轴用弹性挡圈
Large Circlips for Shaft
供应商(4)
25 轴端挡板 [机械行业]
JB /ZQ 4348 - 2006
轴端挡板

26 双孔轴端挡圈 [机械行业]
JB ZQ 4349 - 2006
双孔轴端挡圈

27 轴端挡板 [机械行业]
JB /ZQ 4724 - 2006
轴端挡板
Baffle on Shaft
28 轴用Yx形密封圈用挡圈 [机械行业]
JB /ZQ 4265 - 2006
轴用Yx形密封圈用挡圈
Retaining Ring for Yx Rod Seal
29 轴用挡圈 [意大利]
UNI 7435
轴用挡圈
Circlips for Shaft
供应商(2)
30 轴用弹性挡圈 [台湾]
CNS 9074 - 1998
轴用弹性挡圈
Retaining Rings-C Type
31 L形带齿轴用挡圈 983L/AL [标准]
YJT 7004 (983L/AL)
L形带齿轴用挡圈 983L/AL
L-Rings for Shafts 983L/AL
供应商(1)
32 英制带内倒角的轴用挡圈 (N 1402/NAB) [标准]
YJT 7024 (N1402/NAB)
英制带内倒角的轴用挡圈 (N 1402/NAB)
Circlips for Shaft (imperial standard) with Inner Chamfer (N 1402/NAB)
供应商(2)
33 不锈钢固定环 [标准]
YJT 19098
不锈钢固定环

34 英制星式轴承夹 - 不锈钢 [标准]
YJT 6011
英制星式轴承夹 - 不锈钢
Push-on Washers for Imperial Round Shaft - Stainless Steel
35 公制星式轴承夹 - 不锈钢 [标准]
YJT 6012
公制星式轴承夹 - 不锈钢
Push-on Washers for Metric Round Shaft - Stainless Steel
36 英制星式轴承夹 - 机械镀锌 [标准]
YJT 6013
英制星式轴承夹 - 机械镀锌
Push-on Washers for Imperial Round Shaft - Merchanical Zinc-Plated
37 公制星式轴承夹 - 机械镀锌 [标准]
YJT 6014
公制星式轴承夹 - 机械镀锌
Push-on Washers for Metric Round Shaft - Merchanical Zinc-Plated
38 重型轴用挡圈 D1460/AS/DSR [标准]
YJT 7008 (D1460/AS/DSR)
重型轴用挡圈 D1460/AS/DSR
Rings for Shafts (Heavy Duty) D1460/AS/DSR
39 鞍形轴用挡圈 M1401/AW [标准]
YJT 7012 (M1401/AW)
鞍形轴用挡圈 M1401/AW
Bowed Rings for Shafts M1401/AW
40 英制轴用挡圈 (N1400/NA) [标准]
YJT 7022 (N1400/NA)
英制轴用挡圈 (N1400/NA)
Circlips for Shaft (imperial standard) (N1400/NA)
41 鞍形英制轴用挡圈 (N1401/NAW) [标准]
YJT 7023 (N1401/NAW)
鞍形英制轴用挡圈 (N1401/NAW)
Bowed Rings for Shaft (imperial standard) (N1401/NAW)
42 英制V型轴用挡圈 (N 1408/NAV) [标准]
YJT 7025 (N1408/NAV)
英制V型轴用挡圈 (N 1408/NAV)
Circlips for Shaft (imperial standard) - V Type (N 1408/NAV)
43 英制重型轴用挡圈 (N 1460/NAS) [标准]
YJT 7026 (N1460/NAS)
英制重型轴用挡圈 (N 1460/NAS)
Circlips for Shaft (imperial standard) (N 1460/NAS)
44 轴承夹(CS扣环) [标准]
YJT 7033
轴承夹(CS扣环)

45 轴用止推挡圈 (M1455/ZA/DTX) [标准]
YJT 7034 (M1455/ZA/DTX)
轴用止推挡圈 (M1455/ZA/DTX)
Push-on Fix for Shafts (M1455/ZA/DTX)
46 重型轴用挡圈 [标准]
YJT 7036 (KS)
重型轴用挡圈
Heavy Duty Push - On Fix for Shafts
47 轴用挡圈 [标准]
YJT 7037 (M1440/G)
轴用挡圈
Grip Rings For Shafts Without Grooves
48 轴用止推挡圈 (N1465/NZA) [标准]
YJT 7038 (N1465/NZA)
轴用止推挡圈 (N1465/NZA)
Push-on Fix for Shafts (N1465/NZA)
49 轴用挡圈 [标准]
YJT 7039 (N1440/NG)
轴用挡圈
Grip Rings for Shafts Without Grooves
50 轴用弹性挡卡-SL型挡卡 [西门子]
SN 421-683
轴用弹性挡卡-SL型挡卡
Circlip for Shaft -- Type SL
供应商(1)
51 SL型轴用挡卡 [西门子]
SN 60075 - 2003
SL型轴用挡卡

52 SL型轴用挡卡 [西门子]
SN 60075-1 - 1999
SL型轴用挡卡

53 SLB型轴用挡卡 [西门子]
SN 60075-2 - 1999
SLB型轴用挡卡

54 英制,压紧弹簧螺母 - 平边圆螺母(轴承夹) [美标]
SAE J 892 (F2) - 1996
英制,压紧弹簧螺母 - 平边圆螺母(轴承夹)
Push-on Spring Nuts (Inch Series) - Round - Flat
55 英制,压紧弹簧螺母 - 锥边圆螺母(轴承夹) [美标]
SAE J 892 (F3) - 1996
英制,压紧弹簧螺母 - 锥边圆螺母(轴承夹)
Push-on Spring Nuts (Inch series) - Round Arched
56 A型轴用挡圈 [汽标]
QC /T 889 - 2011
A型轴用挡圈
Retainers for Shafts, Type A
供应商(1)
57 轴用挡圈 标准型 [印标]
IS 3075 (-1) - 1986 (R1996)
轴用挡圈 标准型
Circlips for Shafts - Normal Type
58 轴用挡圈 重型 [印标]
IS 3075 (-1) - 1986 (R1996)
轴用挡圈 重型
Circlips for Shafts - Heavy Type
59 外弓形锁紧轴用弹性挡圈 [美国军标]
MS 3216D - 2011
外弓形锁紧轴用弹性挡圈
External Bowed Locking Retaining Rings
60 米制轴用挡圈 - 3AM1 [美标]
ANSI B 27.7 (3AM1) - 1977 (R2017)
米制轴用挡圈 - 3AM1
Metric external Retaining Rings - 3AM1
61 NA1 轴用挡圈 [美标]
ASME B 18.27.1 (T6) - 1998 (R2017)
NA1 轴用挡圈
NA1 External Retaining Rings
62 NA4 重型轴用挡圈 [美标]
ASME B 18.27.2 (T6) - 1998 (R2017)
NA4 重型轴用挡圈
NA4 Heavy Duty External Retaining Rings
63 NA7 鞍型轴用挡圈 [美标]
ASME B 18.27.3 (T4) - 1998 (R2017)
NA7 鞍型轴用挡圈
NA7 External Retaining Rings
64 NA12 斜面轴用挡圈 [美标]
ASME B 18.27.4 (T8) - 1998 (R2017)
NA12 斜面轴用挡圈
NA12 Beveled External Retaining Rings
65 NA10 反向轴用挡圈 [美标]
ASME B 18.27.4 (T6) - 1998 (R2017)
NA10 反向轴用挡圈
NA10 Inverted External Retaining Rings
66 NA14 轴用自锁挡圈 [美标]
ASME B 18.27.5 (T6) - 1998 (R2017)
NA14 轴用自锁挡圈
NA14 External Self-locking Retaining Rings
67 NA15 轴用互锁挡圈 [美标]
ASME B 18.27.5 (T7) - 1998 (R2017)
NA15 轴用互锁挡圈
NA15 External Interlocking Retaining Rings
68 NA16 轴用鞍型锁爪挡圈 [美标]
ASME B 18.27.5 (T8) - 1998 (R2017)
NA16 轴用鞍型锁爪挡圈
NA16 External Bowed Locking Prongs Retaining Rings
标准编号: YJT 7013 (M1408/AV/DSI)
中文名称: V形轴用挡圈 M1408/AV/DSI
英文名称: Circlips for Shaft (V Type) M1408/AV/DSI
数据来源: 易紧通 (164580.com)
Standard Code: YJT 7013 (M1408/AV/DSI)Chinese Name: V形轴用挡圈 M1408/AV/DSIEnglish Name: Circlips for Shaft (V Type) M1408/AV/DSISource: https://www.164580.com/info_68901.html
Data Source: YJT Fastener Database (164580.com)
Standard: YJT 7013 (M1408/AV/DSI)
URL: https://www.164580.com/info_68901.html
License: Commercial use requires authorization
© 易紧通 服务热线:4006-164580(免长途费)