index
logo

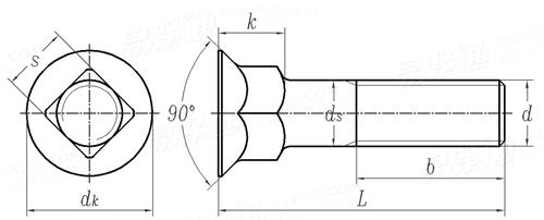
米制90°沉头方颈螺栓 BS 4933 - 1973

选择规格尺寸 点击↓

M5

M6

M8

M10

M12

M16

M20

M24


尺寸单位: 毫米(mm)
英标BS 4933 - 1973 BS4933 4933BS 米制90°沉头方颈螺栓
BS  4933 - 1973 米制90°沉头方颈螺栓
扫一扫分享
螺纹规格
d
M5 M6 M8 M10 M12 M16 M20 M24
P 螺距
ds 最大值
最小值
dk 最大值
最小值
k 最大值
最小值
s 最大值
最小值
0.8 1 1.25 1.5 1.75 2 2.5 3
5.48 6.48 8.58 10.58 12.7 16.7 20.84 24.84
4.52 5.52 7.42 9.42 11.3 15.3 19.16 23.16
10 12 16 20 24 32 40 48
8.5 10.2 13.6 17 20.4 27.2 34 40.8
4.75 5.75 7.9 9.4 10.9 14.1 18.1 21.3
4 5 7 8.5 10 13 17 20
5.48 6.48 8.58 10.58 12.7 16.7 20.84 24.84
4.52 5.52 7.42 9.42 11.3 15.3 19.16 23.16
①,L≤125mm时,b=2d+6;
125<L≤200mm时,b=2d+12;
L>200mm时,b=2d+25;
②,本标准中并未规定公称长度L,但可能在新版本中有所包含。
注:技术数据仅供参考,请以官方原件为准!
类似标准及供货信息
1 沉头方颈螺栓 [国标]
GB /T 10 - 2013
沉头方颈螺栓
Countersunk Head Square Neck Bolts
供应商(4)
2 沉头方颈螺栓 [国标]
GB /T 10 - 1988
沉头方颈螺栓
Flat Countersunk Square Neck Bolts
供应商(4)
3 沉头方颈螺栓 [国标]
GB 10 - 1976
沉头方颈螺栓
Countersunk Head Square Neck Bolts
供应商(4)
4 土方机械沉头方颈螺栓 [国标]
GB /T 21934 - 2008
土方机械沉头方颈螺栓
Earth-Moving Machinery - Plough Bolt
5 短方颈沉头螺栓 [德标]
DIN 608 - 2010
短方颈沉头螺栓
Flat Countersunk Head Square Neck Bolts with Short Square
供应商(1)
6 沉头方颈螺栓 [德标]
DIN 608 - 1981
沉头方颈螺栓
Flat Countersunk Square Neck Bolts with Short Square
供应商(1)
7 120°沉头高方颈螺栓 [德标]
DIN 605 - 2010
120°沉头高方颈螺栓
Flat Countersunk Head Square Neck Bolts with Long Square
8 120°沉头高方颈螺栓 [德标]
DIN 605 - 1981
120°沉头高方颈螺栓
Flat Countersunk Head Square Neck Bolts with Long Square
9 沉头方颈螺栓 [美标]
ASME/ANSI B 18.9 - 2007
沉头方颈螺栓
Plow Bolts (Round, Countersunk, Square Neck)
供应商(1)
10 大沉头方颈螺栓 [Table 9] [美标]
ASME/ANSI B 18.5 (T9) - 2012
大沉头方颈螺栓 [Table 9]
Large Countersunk Square Neck Bolts [Table9]
11 英制114°沉头方颈螺栓 [Table 8] (A307, SAE J429, F468, F593) [美标]
ASME/ANSI B 18.5 (T8) - 2012
英制114°沉头方颈螺栓 [Table 8] (A307, SAE J429, F468, F593)
114-deg Countersunk Square Neck Bolts,(Inch Series) [Table 8] (A307, SAE J429, F468, F593)
12 大沉头方颈螺栓 [Table9] [美标]
ASME/ANSI B 18.5 (T9) - 2008
大沉头方颈螺栓 [Table9]
Large Countersunk Square Neck Bolts [Table9]
13 沉头方颈螺栓 [美标]
ASME/ANSI B 18.5 - 2008
沉头方颈螺栓
114° Countersunk Square Neck Bolts
14 大沉头方颈螺栓(皮带螺栓) [美标]
ASME/ANSI B 18.5 - 2008
大沉头方颈螺栓(皮带螺栓)
Flat Countersunk Head Elevator Bolts
15 C级90°沉头方颈螺栓 [意大利]
UNI 6104 - 1975
C级90°沉头方颈螺栓
Flat Countersunk Square Neck Bolts - Grade C
16 米制120°沉头方颈螺栓 [英标]
BS 4933 - 1973
米制120°沉头方颈螺栓
Metric 120°Countersunk Head Square Neck Bolts
17 粗制沉头方颈螺栓Table5 [英标]
BS 325 - 1947
粗制沉头方颈螺栓Table5
Black Countersunk Square Neck Bolts for Iron
18 110°沉头方颈螺栓Table6 [英标]
BS 325 - 1947
110°沉头方颈螺栓Table6
Black Counersunk Square Neck Bolts for Woodwork
19 沉头方颈螺栓 [台湾]
CNS 4418 - 1981
沉头方颈螺栓
Countersunk Square Bolts with Long Square
20 120°沉头矮方颈螺栓 [台湾]
CNS 4419 - 1981
120°沉头矮方颈螺栓
Countersunk Square Bolts with Square Short Square
21 3号沉头方颈螺栓(标准头)[Table 1]  (A307, F468, F593, SAE J 429) [美标]
ASME B 18.9 - 2012
3号沉头方颈螺栓(标准头)[Table 1] (A307, F468, F593, SAE J 429)
No.3 Regular Head Plow Bolts (Round, Countersunk, Square Neck) (A307, F468, F593, SAE J 429)
供应商(1)
22 英制114°沉头方颈螺栓 [Table 8] (A307, SAE J429, F468, F593) [美标]
ASME B 18.5 (T8) - 2012 (2017)
英制114°沉头方颈螺栓 [Table 8] (A307, SAE J429, F468, F593)
114-deg Countersunk Square Neck Bolts,(Inch Series) [Table 8] (A307, SAE J429, F468, F593)
23 大沉头方颈螺栓 [Table 9] [美标]
ASME B 18.5 (T9) - 2012 (2017)
大沉头方颈螺栓 [Table 9]
Flat Countersunk Head Elevator Bolts [Table9]
24 3号沉头方颈螺栓(修正头)[Table 1] (A307, F468, F593, SAE J 429) [美标]
ASME B 18.9 - 2012
3号沉头方颈螺栓(修正头)[Table 1] (A307, F468, F593, SAE J 429)
No.3 Repair Head Plow Bolts (Round, Countersunk, Square Neck) (A307, F468, F593, SAE J 429)
标准编号: BS 4933 - 1973
中文名称: 米制90°沉头方颈螺栓
英文名称: Metric 90°Countersunk Square Bolts
数据来源: 易紧通 (164580.com)
Standard Code: BS 4933 - 1973Chinese Name: 米制90°沉头方颈螺栓English Name: Metric 90°Countersunk Square BoltsSource: https://www.164580.com/info_48824.html
Data Source: YJT Fastener Database (164580.com)
Standard: BS 4933 - 1973
URL: https://www.164580.com/info_48824.html
License: Commercial use requires authorization
© 易紧通 服务热线:4006-164580(免长途费)