index
logo

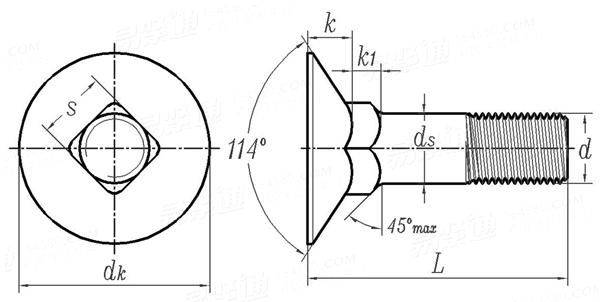
英制114°沉头方颈螺栓 [Table 8] (A307, SAE J429, F468, F593) ASME/ANSI B 18.5 (T8) - 2012

选择规格尺寸 点击↓

10#

1/4

5/16

3/8

7/16

1/2

5/8

3/4


尺寸单位: inch
美标ASME/ANSI B18.5 (T8) - 2012 ASME/ANSI1 英制114°沉头方颈螺栓 [Table 8] (A307, SAE J429, F468, F593)
ASME/ANSI B 18.5 (T8) - 2012 英制114°沉头方颈螺栓 [Table 8] (A307, SAE J429, F468, F593)
扫一扫分享
螺纹规格
d
10# 1/4 5/16 3/8 7/16 1/2 5/8 3/4
d
PP UNC
ds 最大值
最小值
dk 最大值
最小值
k 最大值
最小值
s 最大值
最小值
k1 最大值
最小值
0.1900 0.2500 0.3125 0.3750 0.4375 0.5000 0.6250 0.7500
24 20 18 16 14 13 11 10
0.199 0.260 0.324 0.388 0.452 0.515 0.642 0.768
0.182 0.237 0.298 0.360 0.421 0.483 0.605 0.729
0.548 0.682 0.821 0.960 1.093 1.233 1.495 1.754
0.500 0.625 0.750 0.875 1.000 1.125 1.375 1.625
0.131 0.154 0.184 0.212 0.235 0.265 0.316 0.368
0.112 0.135 0.159 0.183 0.205 0.229 0.272 0.314
0.199 0.260 0.324 0.388 0.452 0.515 0.642 0.768
0.185 0.245 0.307 0.368 0.431 0.492 0.616 0.741
0.125 0.156 0.219 0.250 0.281 0.312 0.406 0.500
0.094 0.125 0.188 0.219 0.250 0.281 0.375 0.469
①,最小螺纹长度:
螺纹的最小长度应等于螺栓基本直径的两倍加上0.25英寸(对于6英寸或更短的螺栓标称长度),以及两倍基本螺栓直径加上0.50英寸(对于较长的标称长度)。
标称长度太短而无法容纳最小螺纹长度的螺栓应为全螺纹螺栓。从头部或颈部到第一个完整(完整)螺纹的长度不得超过2-1/2螺纹(尺寸小于等于1英寸)和3-1/2螺纹(尺寸大于1英寸)。
替代列表
注:技术数据仅供参考,请以官方原件为准!
类似标准及供货信息
1 沉头方颈螺栓 [国标]
GB /T 10 - 2013
沉头方颈螺栓
Countersunk Head Square Neck Bolts
供应商(4)
2 沉头方颈螺栓 [国标]
GB /T 10 - 1988
沉头方颈螺栓
Flat Countersunk Square Neck Bolts
供应商(4)
3 沉头方颈螺栓 [国标]
GB 10 - 1976
沉头方颈螺栓
Countersunk Head Square Neck Bolts
供应商(4)
4 土方机械沉头方颈螺栓 [国标]
GB /T 21934 - 2008
土方机械沉头方颈螺栓
Earth-Moving Machinery - Plough Bolt
5 短方颈沉头螺栓 [德标]
DIN 608 - 2010
短方颈沉头螺栓
Flat Countersunk Head Square Neck Bolts with Short Square
供应商(1)
6 沉头方颈螺栓 [德标]
DIN 608 - 1981
沉头方颈螺栓
Flat Countersunk Square Neck Bolts with Short Square
供应商(1)
7 120°沉头高方颈螺栓 [德标]
DIN 605 - 2010
120°沉头高方颈螺栓
Flat Countersunk Head Square Neck Bolts with Long Square
8 120°沉头高方颈螺栓 [德标]
DIN 605 - 1981
120°沉头高方颈螺栓
Flat Countersunk Head Square Neck Bolts with Long Square
9 沉头方颈螺栓 [美标]
ASME/ANSI B 18.9 - 2007
沉头方颈螺栓
Plow Bolts (Round, Countersunk, Square Neck)
供应商(1)
10 大沉头方颈螺栓 [Table 9] [美标]
ASME/ANSI B 18.5 (T9) - 2012
大沉头方颈螺栓 [Table 9]
Large Countersunk Square Neck Bolts [Table9]
11 大沉头方颈螺栓 [Table9] [美标]
ASME/ANSI B 18.5 (T9) - 2008
大沉头方颈螺栓 [Table9]
Large Countersunk Square Neck Bolts [Table9]
12 沉头方颈螺栓 [美标]
ASME/ANSI B 18.5 - 2008
沉头方颈螺栓
114° Countersunk Square Neck Bolts
13 大沉头方颈螺栓(皮带螺栓) [美标]
ASME/ANSI B 18.5 - 2008
大沉头方颈螺栓(皮带螺栓)
Flat Countersunk Head Elevator Bolts
14 C级90°沉头方颈螺栓 [意大利]
UNI 6104 - 1975
C级90°沉头方颈螺栓
Flat Countersunk Square Neck Bolts - Grade C
15 米制120°沉头方颈螺栓 [英标]
BS 4933 - 1973
米制120°沉头方颈螺栓
Metric 120°Countersunk Head Square Neck Bolts
16 米制90°沉头方颈螺栓 [英标]
BS 4933 - 1973
米制90°沉头方颈螺栓
Metric 90°Countersunk Square Bolts
17 粗制沉头方颈螺栓Table5 [英标]
BS 325 - 1947
粗制沉头方颈螺栓Table5
Black Countersunk Square Neck Bolts for Iron
18 110°沉头方颈螺栓Table6 [英标]
BS 325 - 1947
110°沉头方颈螺栓Table6
Black Counersunk Square Neck Bolts for Woodwork
19 沉头方颈螺栓 [台湾]
CNS 4418 - 1981
沉头方颈螺栓
Countersunk Square Bolts with Long Square
20 120°沉头矮方颈螺栓 [台湾]
CNS 4419 - 1981
120°沉头矮方颈螺栓
Countersunk Square Bolts with Square Short Square
21 3号沉头方颈螺栓(标准头)[Table 1]  (A307, F468, F593, SAE J 429) [美标]
ASME B 18.9 - 2012
3号沉头方颈螺栓(标准头)[Table 1] (A307, F468, F593, SAE J 429)
No.3 Regular Head Plow Bolts (Round, Countersunk, Square Neck) (A307, F468, F593, SAE J 429)
供应商(1)
22 英制114°沉头方颈螺栓 [Table 8] (A307, SAE J429, F468, F593) [美标]
ASME B 18.5 (T8) - 2012 (2017)
英制114°沉头方颈螺栓 [Table 8] (A307, SAE J429, F468, F593)
114-deg Countersunk Square Neck Bolts,(Inch Series) [Table 8] (A307, SAE J429, F468, F593)
23 大沉头方颈螺栓 [Table 9] [美标]
ASME B 18.5 (T9) - 2012 (2017)
大沉头方颈螺栓 [Table 9]
Flat Countersunk Head Elevator Bolts [Table9]
24 3号沉头方颈螺栓(修正头)[Table 1] (A307, F468, F593, SAE J 429) [美标]
ASME B 18.9 - 2012
3号沉头方颈螺栓(修正头)[Table 1] (A307, F468, F593, SAE J 429)
No.3 Repair Head Plow Bolts (Round, Countersunk, Square Neck) (A307, F468, F593, SAE J 429)
标准编号: ASME/ANSI B 18.5 (T8) - 2012
中文名称: 英制114°沉头方颈螺栓 [Table 8] (A307, SAE J429, F468, F593)
英文名称: 114-deg Countersunk Square Neck Bolts,(Inch Series) [Table 8] (A307, SAE J429, F468, F593)
数据来源: 易紧通 (164580.com)
Standard Code: ASME/ANSI B 18.5 (T8) - 2012Chinese Name: 英制114°沉头方颈螺栓 [Table 8] (A307, SAE J429, F468, F593)English Name: 114-deg Countersunk Square Neck Bolts,(Inch Series) [Table 8] (A307, SAE J429, F468, F593)Source: https://www.164580.com/info_86037.html
Data Source: YJT Fastener Database (164580.com)
Standard: ASME/ANSI B 18.5 (T8) - 2012
URL: https://www.164580.com/info_86037.html
License: Commercial use requires authorization
© 易紧通 服务热线:4006-164580(免长途费)