index
logo

沉头方颈螺栓 GB 10 - 1976

查看供应商

选择规格尺寸 点击↓

M6

M8

M10

M12

M16

M20


尺寸单位: mm
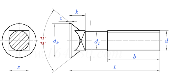
国标GB 10 - 1976 GB10 10GB 沉头方颈螺栓
GB  10 - 1976 沉头方颈螺栓
扫一扫分享
千件重及价格计算 千件重 : kg x 元/kg = 元/千件
默认密度 g/cm3
公称长度L 注:选择后获得 相应重量 螺纹长度
螺纹尺寸
d
M6 M8 M10 M12 M16 M20
P 螺距
dk 公称
最大值
最小值
s 公称
最大值
最小值
k 公称
最大值
最小值
c 最大值
1.00 1.25 1.50 1.75 2.00 2.50
10.5 14 17 21 28 36
11.05 14.55 17.55 21.65 28.65 36.8
9.95 13.45 16.45 20.35 27.35 35.2
6 8 10 12 16 20
6.3 8.36 10.36 12.43 16.43 20.52
5.84 7.8 9.8 11.76 15.76 19.72
5.7 6.8 8 10.5 12.5 14.5
6.1 7.25 8.45 11.05 13.05 15.05
5.3 6.35 7.55 9.95 11.95 13.95
0.7 0.8 1 1.5 1.5 1.5
千件钢制重≈kg
- - - - - -
螺纹长度b
- - - - - -
①,技术条件按 GB 38-76。
替代列表
注:技术数据仅供参考,请以官方原件为准!
告诉我在“易紧通”看到,将给您优惠
联系人:刘经理 点击这里给我发消息1218439005   移动电话: 13587697302     电话:13587697302
材质:中碳、40Cr、A3、35Crmo;规格范围:M6-M24;表面处理:本色、电镀、发黑
联系人:柴经理   移动电话: 15100058107/13171771670     电话:0310-6899116     微信号:15100058107/13171771670
材质:碳钢、不锈钢;规格:M6-M24;公称长度:10mm-200mm;表面处理按照客户要求,非标来图定制。
联系人:谈晓瑜   移动电话: 13776858230     电话:0519-83205618     微信号:helen_txy
材料:碳钢;等级:4.8、8.8、10.9级;公称直径:M6~M24,公称长度:16~160mm;表面处理:镀白锌
联系人:刘永山 点击这里给我发消息121511646   移动电话: 13362313997     电话:0573-86028352     微信号:13362313997
材质:碳钢、不锈钢;规格范围:M4-M20;公称长度:5-200mm;表面处理:镀锌、热镀锌、锌镍合金、久美特、达克罗、洗光等,支持非标定制。
告诉我在“易紧通”看到,将给您优惠
类似标准及供货信息
1 沉头方颈螺栓 [国标]
GB /T 10 - 2013
沉头方颈螺栓
Countersunk Head Square Neck Bolts
供应商(4)
2 沉头方颈螺栓 [国标]
GB /T 10 - 1988
沉头方颈螺栓
Flat Countersunk Square Neck Bolts
供应商(4)
3 土方机械沉头方颈螺栓 [国标]
GB /T 21934 - 2008
土方机械沉头方颈螺栓
Earth-Moving Machinery - Plough Bolt
4 短方颈沉头螺栓 [德标]
DIN 608 - 2010
短方颈沉头螺栓
Flat Countersunk Head Square Neck Bolts with Short Square
供应商(1)
5 沉头方颈螺栓 [德标]
DIN 608 - 1981
沉头方颈螺栓
Flat Countersunk Square Neck Bolts with Short Square
供应商(1)
6 120°沉头高方颈螺栓 [德标]
DIN 605 - 2010
120°沉头高方颈螺栓
Flat Countersunk Head Square Neck Bolts with Long Square
7 120°沉头高方颈螺栓 [德标]
DIN 605 - 1981
120°沉头高方颈螺栓
Flat Countersunk Head Square Neck Bolts with Long Square
8 沉头方颈螺栓 [美标]
ASME/ANSI B 18.9 - 2007
沉头方颈螺栓
Plow Bolts (Round, Countersunk, Square Neck)
供应商(1)
9 大沉头方颈螺栓 [Table 9] [美标]
ASME/ANSI B 18.5 (T9) - 2012
大沉头方颈螺栓 [Table 9]
Large Countersunk Square Neck Bolts [Table9]
10 英制114°沉头方颈螺栓 [Table 8] (A307, SAE J429, F468, F593) [美标]
ASME/ANSI B 18.5 (T8) - 2012
英制114°沉头方颈螺栓 [Table 8] (A307, SAE J429, F468, F593)
114-deg Countersunk Square Neck Bolts,(Inch Series) [Table 8] (A307, SAE J429, F468, F593)
11 大沉头方颈螺栓 [Table9] [美标]
ASME/ANSI B 18.5 (T9) - 2008
大沉头方颈螺栓 [Table9]
Large Countersunk Square Neck Bolts [Table9]
12 沉头方颈螺栓 [美标]
ASME/ANSI B 18.5 - 2008
沉头方颈螺栓
114° Countersunk Square Neck Bolts
13 大沉头方颈螺栓(皮带螺栓) [美标]
ASME/ANSI B 18.5 - 2008
大沉头方颈螺栓(皮带螺栓)
Flat Countersunk Head Elevator Bolts
14 C级90°沉头方颈螺栓 [意大利]
UNI 6104 - 1975
C级90°沉头方颈螺栓
Flat Countersunk Square Neck Bolts - Grade C
15 米制120°沉头方颈螺栓 [英标]
BS 4933 - 1973
米制120°沉头方颈螺栓
Metric 120°Countersunk Head Square Neck Bolts
16 米制90°沉头方颈螺栓 [英标]
BS 4933 - 1973
米制90°沉头方颈螺栓
Metric 90°Countersunk Square Bolts
17 粗制沉头方颈螺栓Table5 [英标]
BS 325 - 1947
粗制沉头方颈螺栓Table5
Black Countersunk Square Neck Bolts for Iron
18 110°沉头方颈螺栓Table6 [英标]
BS 325 - 1947
110°沉头方颈螺栓Table6
Black Counersunk Square Neck Bolts for Woodwork
19 沉头方颈螺栓 [台湾]
CNS 4418 - 1981
沉头方颈螺栓
Countersunk Square Bolts with Long Square
20 120°沉头矮方颈螺栓 [台湾]
CNS 4419 - 1981
120°沉头矮方颈螺栓
Countersunk Square Bolts with Square Short Square
21 3号沉头方颈螺栓(标准头)[Table 1]  (A307, F468, F593, SAE J 429) [美标]
ASME B 18.9 - 2012
3号沉头方颈螺栓(标准头)[Table 1] (A307, F468, F593, SAE J 429)
No.3 Regular Head Plow Bolts (Round, Countersunk, Square Neck) (A307, F468, F593, SAE J 429)
供应商(1)
22 英制114°沉头方颈螺栓 [Table 8] (A307, SAE J429, F468, F593) [美标]
ASME B 18.5 (T8) - 2012 (2017)
英制114°沉头方颈螺栓 [Table 8] (A307, SAE J429, F468, F593)
114-deg Countersunk Square Neck Bolts,(Inch Series) [Table 8] (A307, SAE J429, F468, F593)
23 大沉头方颈螺栓 [Table 9] [美标]
ASME B 18.5 (T9) - 2012 (2017)
大沉头方颈螺栓 [Table 9]
Flat Countersunk Head Elevator Bolts [Table9]
24 3号沉头方颈螺栓(修正头)[Table 1] (A307, F468, F593, SAE J 429) [美标]
ASME B 18.9 - 2012
3号沉头方颈螺栓(修正头)[Table 1] (A307, F468, F593, SAE J 429)
No.3 Repair Head Plow Bolts (Round, Countersunk, Square Neck) (A307, F468, F593, SAE J 429)
标准编号: GB 10 - 1976
中文名称: 沉头方颈螺栓
英文名称: Countersunk Head Square Neck Bolts
数据来源: 易紧通 (164580.com)
Standard Code: GB 10 - 1976Chinese Name: 沉头方颈螺栓English Name: Countersunk Head Square Neck BoltsSource: https://www.164580.com/info_20111.html
Data Source: YJT Fastener Database (164580.com)
Standard: GB 10 - 1976
URL: https://www.164580.com/info_20111.html
License: Commercial use requires authorization
© 易紧通 服务热线:4006-164580(免长途费)