index
logo

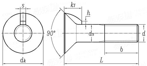
米制90°沉头带榫螺栓 BS 4933 - 1973

选择规格尺寸 点击↓

M5

M6

M8

M10

M12

M16

M20

M24

BS  4933 - 1973 米制90°沉头带榫螺栓

尺寸单位: mm
英标BS 4933 - 1973 BS4933 4933BS 米制90°沉头带榫螺栓
BS  4933 - 1973 米制90°沉头带榫螺栓
扫一扫分享
螺纹尺寸
d
M5 M6 M8 M10 M12 M16 M20 M24
P 螺距
ds 最大值
最小值
dk 最大值(理论值)
最小值
k1
s
h
0.8 1 1.25 1.5 1.75 2 2.5 3
5.48 6.48 8.58 10.58 12.7 16.7 20.84 24.84
4.52 5.52 7.42 9.42 11.3 15.3 19.16 23.16
10 12 16 20 24 32 40 48
8.5 10.2 13.6 17 20.4 27.2 34 40.8
3.2 3.8 5 6.3 7.5 10 12.5 15
1.3 1.5 2 2.5 3 4 5 6
0.6 0.8 1.0 1.3 1.5 2.0 2.5 3.0
①,L≤125mm时,b=2d+6;
125<L≤200mm时,b=2d+12;
L>200mm时,b=2d+25;
②,本标准中并未规定公称长度L,但可能在新版本中有所包含。
注:技术数据仅供参考,请以官方原件为准!
类似标准及供货信息
1 沉头带榫螺栓 [国标]
GB /T 11 - 2013
沉头带榫螺栓
Countersunk Head Nib Bolts
供应商(2)
2 沉头带榫螺栓 [国标]
GB /T 11 - 1988
沉头带榫螺栓
Flat Countersunk Nib Bolts
供应商(2)
3 沉头带榫螺栓 [国标]
GB 11 - 1976
沉头带榫螺栓
Countersunk Head Nib Bolts
供应商(2)
4 沉头双榫螺栓 [国标]
GB /T 800 - 2020
沉头双榫螺栓
Countersunk Head Double Nib Bolts
5 沉头双榫螺栓 [国标]
GB /T 800 - 1988
沉头双榫螺栓
Countersunk Head Bolts with Double Nibs
6 沉头带榫螺栓 [德标]
DIN 604 - 2017
沉头带榫螺栓
Flat Countersunk Head Nib Bolts
供应商(1)
7 沉头带榫螺栓 [德标]
DIN 604 - 2010
沉头带榫螺栓
Flat Countersunk Head Nib Bolts
供应商(1)
8 沉头带榫螺栓 [德标]
DIN 604 - 1981
沉头带榫螺栓
Flat Countersunk Nib Bolts
供应商(1)
9 铁路车辆用沉头双榫螺栓 [德标]
DIN 25195 - 2003
铁路车辆用沉头双榫螺栓
Railway Vehicles - Countersunk Bolts with Double Nip with Metric ISO Thread - Class C
10 圆柱沉头带榫螺栓 [德标]
DIN 792 - 1976
圆柱沉头带榫螺栓
Cylindrical Counter Sunk Screws
11 农业机械用,米制螺纹、精制沉头双榫螺栓 [德标]
DIN 11014 - 1968
农业机械用,米制螺纹、精制沉头双榫螺栓
Agricultural Equipment; Countersunk Double-nip Bolts, Sinkings, Metric Thread, Finish
12 沉头带榫螺栓 [Table 2] [日标]
JIS B 1179 (T2) - 1994
沉头带榫螺栓 [Table 2]
Flat Countersunk Nib Bolts [Table 2]
13 沉头带尖榫螺栓4 [美标]
ASME/ANSI B 18.9 - 2007
沉头带尖榫螺栓4
Flat Countersunk Head Nib Bolts
14 沉头带尖榫螺栓6 [美标]
ASME/ANSI B 18.9 - 2007
沉头带尖榫螺栓6
Flat Countersunk Head Nib Bolts
15 沉头带榫螺栓 [美标]
ASME/ANSI B 18.9 - 2007
沉头带榫螺栓
Flat Countersunk Head Nib Bolts
16 C级沉头带榫螺栓 [意大利]
UNI 6105 - 1967
C级沉头带榫螺栓
Flat Countersunk Head Nib Bolts - Grade C
17 粗制沉头带榫螺栓Table4 [英标]
BS 325 - 1947
粗制沉头带榫螺栓Table4
Black Countersunk Nibbed Bolts
18 沉头双尖榫螺栓 [台湾]
CNS 4697 - 1982
沉头双尖榫螺栓
Countersunk Bolts with Double Nips
19 沉头双榫螺栓 [台湾]
CNS 4698 - 1982
沉头双榫螺栓
Countersunk Double-Rib Bolts
20 沉头带榫螺栓 [台湾]
CNS 4417 - 1981
沉头带榫螺栓
Countersunk Head Nip Bolts
21 7号沉头带榫螺栓 [Table 2] (A307, F468, F593, SAE J 429) [美标]
ASME B 18.9 - 2012
7号沉头带榫螺栓 [Table 2] (A307, F468, F593, SAE J 429)
No.7 Head Plow Bolts (Round, Countersunk, Reverse Key) [Table 2] (A307, F468, F593, SAE J 429)
22 6号沉头带尖榫螺栓(修正头) [Table 4]  (A307, F468, F593, SAE J 429) [美标]
ASME B 18.9 - 2012
6号沉头带尖榫螺栓(修正头) [Table 4] (A307, F468, F593, SAE J 429)
No.6 Repair Head Plow Bolts (Countersunk, Heavy Key) [Table 4] (A307, F468, F593, SAE J 429)
© 易紧通 服务热线:4006-164580(免长途费)