index
logo

船用平肩润滑油嘴 ISO 7824 - 1986

选择规格尺寸 点击↓

M10 ×1

ISO  7824 - 1986 船用平肩润滑油嘴

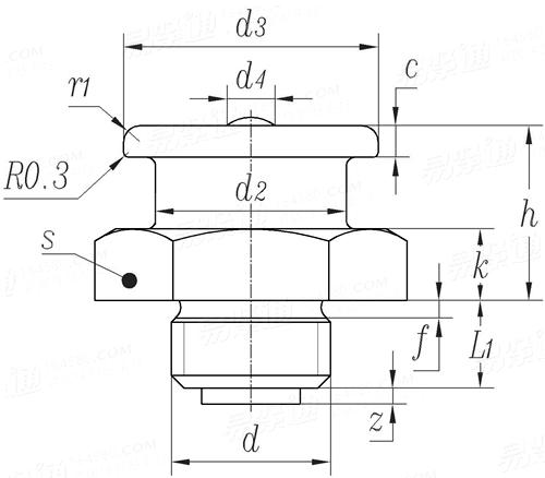
尺寸单位: mm
国际ISO 7824 - 1986 ISO7824 7824ISO 船用平肩润滑油嘴
ISO  7824 - 1986 船用平肩润滑油嘴
扫一扫分享
公称直径
d
M10
×1
类型
f
c 公差(0,-0.1)
d2 最大值
最小值
d3 最大值
最小值
d4
h 最大值
k 公差 j16
L1 公差(0,-0.5)
r1
s 最大值
最小值
z 最大值
4
1.1
2
12
11.82
16
15.82
2.9
11
4.5
5.5
1
17
16.73
1
①,螺纹应符合ISO 261的规定。
注:技术数据仅供参考,请以官方原件为准!
类似标准及供货信息
1 管接头用六角薄螺母 [国标]
GB /T 3763 - 2008
管接头用六角薄螺母
24° Cone Connectors and Flared Couplings - Hexagon Thin Nut
2 卡套式管接头用螺母 [国标]
GB 3759 - 1983
卡套式管接头用螺母
Bite Type Tube Fittings Nuts
3 卡套式管接头用六角薄螺母 [国标]
GB 3763 - 1983
卡套式管接头用六角薄螺母
Bite Type Tube Fittings - Hexagon Thin Nuts
4 六角管螺母、八角管螺母 [德标]
DIN 431 - 2013
六角管螺母、八角管螺母
Pipe Nuts with Thread in Accordance with DIN ISO 228 Part 1
5 非钎焊和钎焊管螺纹接头 - 锁紧螺母LL系列 [德标]
DIN 3870 - 2001
非钎焊和钎焊管螺纹接头 - 锁紧螺母LL系列
Non-Soldering and Soldering Compression Fittings - Union Nuts Series L1 ( Pipe Nuts )
6 非钎焊和钎焊管螺纹接头.锁紧螺钉 [套管接头] [德标]
DIN 3871 - 1995
非钎焊和钎焊管螺纹接头.锁紧螺钉 [套管接头]
Non-soldering and Soldering Compression Couplings - Socket Unions
7 扩口式管接头用螺母 [德标]
DIN 8912 (NS4) - 1990
扩口式管接头用螺母
Coupling Nuts
8 锥形润滑剂注油嘴 [德标]
DIN 71412 - 1987
锥形润滑剂注油嘴
Lubricating Nipples; Cone Type
9 液压及通用金属管连接件-第2部分:美制JIC 37°扩口 [管螺母] [国际]
ISO 8434-2 - 2007
液压及通用金属管连接件-第2部分:美制JIC 37°扩口 [管螺母]
Metallic Tube Connections for Fluid Power and General Use - Part 2: 37° Flared Fittings [Tube Nuts]
10 船用锥形润滑油嘴 [国际]
ISO 7824 - 1986
船用锥形润滑油嘴
Shipbuilding and Marine Structures - Lubrication Nipples - Cone Types
11 扩口式管接头用螺母 Class 1 [Table 6] [日标]
JIS B 8607 (Class 1) - 2020
扩口式管接头用螺母 Class 1 [Table 6]
Flare Nut, Class 1
12 扩口式管接头用螺母 Class 2 [Table 6] [日标]
JIS B 8607 (Class 2) - 2020
扩口式管接头用螺母 Class 2 [Table 6]
Flare Nut, Class 2
13 卡套 [汽标代号]
Q 800
卡套
Cone Connectors
14 卡套式管接头用螺母 [汽标代号]
Q 801
卡套式管接头用螺母
Bite Type Tube Fittings - Nuts
15 卡套式管接头用连接螺母 [汽标代号]
Q 801B
卡套式管接头用连接螺母
Bite Type Tube Fittings - Nuts
16 卡套式管接头用六角薄螺母 [汽标代号]
Q 802
卡套式管接头用六角薄螺母
Bite Type Tube Fittings - Hexagon Thin Nuts
17 卡套式管接头用六角薄螺母 [汽标代号]
Q 802B
卡套式管接头用六角薄螺母
Bite Type Tube Fittings - Hexagon Thin Nuts
18 柴油机 低压金属油管组件 技术条件 - 铰接螺栓 [机械行业]
JB /T 6013 - 2011
柴油机 低压金属油管组件 技术条件 - 铰接螺栓
Diesel Engines - Requirements for Low Pressure Hydraulic Pipe Assemblies - Hinged Bolt
供应商(1)
19 高压水用螺塞 [机械行业]
JB /ZQ 4453 - 2006
高压水用螺塞
High-pressure Plug
20 管接头用小六角扁螺母 [机械行业]
JB 994 - 1977
管接头用小六角扁螺母
Small Flat Hexagonal Nut for Coupling
21 焊接式分管管接头体 [机械行业]
JB /T 997 - 1977
焊接式分管管接头体

22 焊接式铰接管接头体 [机械行业]
JB 998 - 1977
焊接式铰接管接头体
Welded Type Hinged Pipe Connection Body
23 管接头用铰接螺栓 [机械行业]
JB 999 - 1977
管接头用铰接螺栓
Hinged Bolts for Pipe Connection
24 HI型大直径螺母 [化工]
HG /T 21573.3 (HI) - 1995
HI型大直径螺母
Large Diameter Nut-HI Style
供应商(1)
25 HR型大直径螺母 [化工]
HG /T 21573.3 (HR) - 1995
HR型大直径螺母
Large Diameter Nut-HR Style
26 H型大直径螺母 [化工]
HG /T 21573.3 (H) - 1995
H型大直径螺母
Large Diameter Nut-H Style
27 R型大直径螺母 [化工]
HG /T 21573.3 (R) - 1995
R型大直径螺母
Large Diameter Nuts - Style R
28 油嘴 2型 [俄标]
GOST 19853 (Type 2) - 1974
油嘴 2型
Lubricating Plugs - Type 2
29 油嘴 3型 [俄标]
GOST 19853 (Type 3) - 1974
油嘴 3型
Lubricating Plugs - Type 3
30 船用锥形润滑油嘴 [船舶]
CB /T 3762 - 1996
船用锥形润滑油嘴

31 船用平肩润滑油嘴 [船舶]
CB /T 3762 - 1996
船用平肩润滑油嘴

32 钢制螺纹管件 表20 - 管帽/封头 [英标]
BS EN 10241 (T20) - 2000
钢制螺纹管件 表20 - 管帽/封头
Steel Threaded Pipe Fittings, Table 20 - Cap
© 易紧通 服务热线:4006-164580(免长途费)