index
logo

HR型大直径螺母 HG /T 21573.3 (HR) - 1995

选择规格尺寸 点击↓

M48

M52

M56

M64

M72

M80

M85

M90

M100

M105

M110

M115

M120

M125

M130

M140

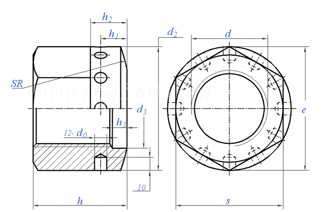
HG /T 21573.3 (HR) - 1995 HR型大直径螺母

尺寸单位: mm
化工HG /T21573.3 (HR) - 1995 HG21573.3 215 HR型大直径螺母
HG /T 21573.3 (HR) - 1995 HR型大直径螺母
扫一扫分享
千件重及价格计算 千件重 : kg x 元/kg = 元/千件
默认密度 g/cm3
螺纹尺寸
d
M48 M52 M56 M64 M72 M80 M85 M90
P 螺距
d
d2
d3
e
h1
h2
h3
h
SR
s
d0
单重≈kg
4 4 4 4 4 4 4 4
48 52 56 64 72 80 85 90
78 84 91 103 117 130 138 146
50 54 58 66 74 82 87 92
78 84 91 103 117 130 138 146
18 18 20 20 22 24 26 28
25 25 27 28 32 34 36 38
10 10 10 10 10 10 10 10
60 64 68 76 86 94 100 105
115 125 130 150 170 190 200 210
68 73 79 90 102 113 120 127
10 10 10 10 12 12 12 12
1.154 1.414 1.791 2.545 3.749 5.046 6.061 7.116
螺纹尺寸
d
M100 M105 M110 M115 M120 M125 M130 M140
P 螺距
d
d2
d3
e
h1
h2
h3
h
SR
s
d0
单重≈kg
4 4 4 4 4 4 4 4
100 105 110 115 120 125 130 140
163 172 180 188 196 204 212 228
102 107 112 117 122 127 132 142
163 172 180 188 196 204 212 228
34 36 38 40 42 44 46 48
42 44 46 48 50 52 54 56
12 12 12 12 12 12 12 12
116 122 127 133 138 144 150 160
235 250 260 270 280 300 310 330
142 149 156 163 170 177 184 198
12 12 12 12 12 12 12 12
9.879 11.58 13.195 15.054 16.966 19.162 21.529 26.298
①,注:M48~M56 螺母小孔深度为 8mm
②,HR 型螺母为六角圆形组合式螺母,此种型式螺母既可用于手工上紧,又可用于液压上紧,采用液压上紧时与AH 、BH 型液压拉伸器相配用。

技术条件和引用标准

钢号
材料标准
螺母规格
热处理制度
抗拉强度
屈服点
延长率
冲击功
硬度
尺寸与公差
表面缺陷
表面处理
25 40Mn 30CrMoA
GB 699 GB 699 GB 3077
M48 M48~M140 M48~>M140
正火 调质
≥450 ≥590 ≥765
≥275 ≥355 ≥635
≥23 ≥17 ≥12
≥71 ≥59 ≥71
≤170 187~229 187~229
螺纹的基本尺寸按GB 196 规定,公差按GB 197 规定的6H,螺纹牙底为圆形。螺母的其他尺寸公差按GB 3103.1 中的A 级。
螺纹表面不允许有裂纹、碰伤和毛刺。螺母与法兰接触面、球面不得有槽痕、划伤等缺陷。
螺母表面须经磷化处理。
注:技术数据仅供参考,请以官方原件为准!
类似标准及供货信息
1 管接头用六角薄螺母 [国标]
GB /T 3763 - 2008
管接头用六角薄螺母
24° Cone Connectors and Flared Couplings - Hexagon Thin Nut
2 卡套式管接头用螺母 [国标]
GB 3759 - 1983
卡套式管接头用螺母
Bite Type Tube Fittings Nuts
3 卡套式管接头用六角薄螺母 [国标]
GB 3763 - 1983
卡套式管接头用六角薄螺母
Bite Type Tube Fittings - Hexagon Thin Nuts
4 六角管螺母、八角管螺母 [德标]
DIN 431 - 2013
六角管螺母、八角管螺母
Pipe Nuts with Thread in Accordance with DIN ISO 228 Part 1
5 非钎焊和钎焊管螺纹接头 - 锁紧螺母LL系列 [德标]
DIN 3870 - 2001
非钎焊和钎焊管螺纹接头 - 锁紧螺母LL系列
Non-Soldering and Soldering Compression Fittings - Union Nuts Series L1 ( Pipe Nuts )
6 非钎焊和钎焊管螺纹接头.锁紧螺钉 [套管接头] [德标]
DIN 3871 - 1995
非钎焊和钎焊管螺纹接头.锁紧螺钉 [套管接头]
Non-soldering and Soldering Compression Couplings - Socket Unions
7 扩口式管接头用螺母 [德标]
DIN 8912 (NS4) - 1990
扩口式管接头用螺母
Coupling Nuts
8 锥形润滑剂注油嘴 [德标]
DIN 71412 - 1987
锥形润滑剂注油嘴
Lubricating Nipples; Cone Type
9 液压及通用金属管连接件-第2部分:美制JIC 37°扩口 [管螺母] [国际]
ISO 8434-2 - 2007
液压及通用金属管连接件-第2部分:美制JIC 37°扩口 [管螺母]
Metallic Tube Connections for Fluid Power and General Use - Part 2: 37° Flared Fittings [Tube Nuts]
10 船用锥形润滑油嘴 [国际]
ISO 7824 - 1986
船用锥形润滑油嘴
Shipbuilding and Marine Structures - Lubrication Nipples - Cone Types
11 船用平肩润滑油嘴 [国际]
ISO 7824 - 1986
船用平肩润滑油嘴
Shipbuilding and Marine Structures - Lubrication Nipples - Flat Types
12 扩口式管接头用螺母 Class 1 [Table 6] [日标]
JIS B 8607 (Class 1) - 2020
扩口式管接头用螺母 Class 1 [Table 6]
Flare Nut, Class 1
13 扩口式管接头用螺母 Class 2 [Table 6] [日标]
JIS B 8607 (Class 2) - 2020
扩口式管接头用螺母 Class 2 [Table 6]
Flare Nut, Class 2
14 卡套 [汽标代号]
Q 800
卡套
Cone Connectors
15 卡套式管接头用螺母 [汽标代号]
Q 801
卡套式管接头用螺母
Bite Type Tube Fittings - Nuts
16 卡套式管接头用连接螺母 [汽标代号]
Q 801B
卡套式管接头用连接螺母
Bite Type Tube Fittings - Nuts
17 卡套式管接头用六角薄螺母 [汽标代号]
Q 802
卡套式管接头用六角薄螺母
Bite Type Tube Fittings - Hexagon Thin Nuts
18 卡套式管接头用六角薄螺母 [汽标代号]
Q 802B
卡套式管接头用六角薄螺母
Bite Type Tube Fittings - Hexagon Thin Nuts
19 柴油机 低压金属油管组件 技术条件 - 铰接螺栓 [机械行业]
JB /T 6013 - 2011
柴油机 低压金属油管组件 技术条件 - 铰接螺栓
Diesel Engines - Requirements for Low Pressure Hydraulic Pipe Assemblies - Hinged Bolt
供应商(1)
20 高压水用螺塞 [机械行业]
JB /ZQ 4453 - 2006
高压水用螺塞
High-pressure Plug
21 管接头用小六角扁螺母 [机械行业]
JB 994 - 1977
管接头用小六角扁螺母
Small Flat Hexagonal Nut for Coupling
22 焊接式分管管接头体 [机械行业]
JB /T 997 - 1977
焊接式分管管接头体

23 焊接式铰接管接头体 [机械行业]
JB 998 - 1977
焊接式铰接管接头体
Welded Type Hinged Pipe Connection Body
24 管接头用铰接螺栓 [机械行业]
JB 999 - 1977
管接头用铰接螺栓
Hinged Bolts for Pipe Connection
25 HI型大直径螺母 [化工]
HG /T 21573.3 (HI) - 1995
HI型大直径螺母
Large Diameter Nut-HI Style
供应商(1)
26 H型大直径螺母 [化工]
HG /T 21573.3 (H) - 1995
H型大直径螺母
Large Diameter Nut-H Style
27 R型大直径螺母 [化工]
HG /T 21573.3 (R) - 1995
R型大直径螺母
Large Diameter Nuts - Style R
28 油嘴 2型 [俄标]
GOST 19853 (Type 2) - 1974
油嘴 2型
Lubricating Plugs - Type 2
29 油嘴 3型 [俄标]
GOST 19853 (Type 3) - 1974
油嘴 3型
Lubricating Plugs - Type 3
30 船用锥形润滑油嘴 [船舶]
CB /T 3762 - 1996
船用锥形润滑油嘴

31 船用平肩润滑油嘴 [船舶]
CB /T 3762 - 1996
船用平肩润滑油嘴

32 钢制螺纹管件 表20 - 管帽/封头 [英标]
BS EN 10241 (T20) - 2000
钢制螺纹管件 表20 - 管帽/封头
Steel Threaded Pipe Fittings, Table 20 - Cap
© 易紧通 服务热线:4006-164580(免长途费)