index
logo

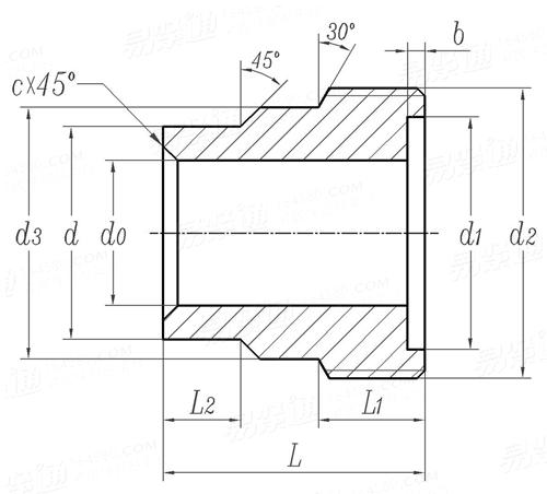
焊接式分管管接头体 JB /T 997 - 1977

选择规格尺寸 点击↓

6

10

14

18

22

28

34

42

50

JB /T 997 - 1977 焊接式分管管接头体

尺寸单位: mm
机械行业JB /T997 - 1977 JB997 997JB 焊接式分管管接头体
JB /T 997 - 1977 焊接式分管管接头体
扫一扫分享
管外径
6 10 14 18 22 28 34 42 50
d0
d1 最大值
最小值
d2
d3
d 最大值
最小值
L
L1
L2
c
b
3 6 10 12 15 20 25 32 36
8 11 16 20 24 30 35 40 45
7.8 10.8 15.8 19.8 23.8 29.66 34.66 39.66 44.66
M12*1.25 M16*1.5 M22*1.5 M27*1.5 M30*1.5 M36*2 M42*2 M52*2 M60*2
10 14 19 23 26 32 38 48 56
7 11 16 19 22 28 34 42 50
6.8 10.76 15.76 18.72 21.72 27.72 33.66 41.66 49.66
17 18 23 25 27 30 35 39 44
8 8 10 10 11 13 16 18 20
3 4 5 7 8 9 10 12 15
1 1.5 1.5 1.5 1.5 2.5 3 3 5
1.4 1.4 1.8 1.8 1.8 2.4 2.4 2.4 2.4
①,技术条件按 JB 1003-77 的规定。
注:技术数据仅供参考,请以官方原件为准!
类似标准及供货信息
1 管接头用六角薄螺母 [国标]
GB /T 3763 - 2008
管接头用六角薄螺母
24° Cone Connectors and Flared Couplings - Hexagon Thin Nut
2 卡套式管接头用螺母 [国标]
GB 3759 - 1983
卡套式管接头用螺母
Bite Type Tube Fittings Nuts
3 卡套式管接头用六角薄螺母 [国标]
GB 3763 - 1983
卡套式管接头用六角薄螺母
Bite Type Tube Fittings - Hexagon Thin Nuts
4 六角管螺母、八角管螺母 [德标]
DIN 431 - 2013
六角管螺母、八角管螺母
Pipe Nuts with Thread in Accordance with DIN ISO 228 Part 1
5 非钎焊和钎焊管螺纹接头 - 锁紧螺母LL系列 [德标]
DIN 3870 - 2001
非钎焊和钎焊管螺纹接头 - 锁紧螺母LL系列
Non-Soldering and Soldering Compression Fittings - Union Nuts Series L1 ( Pipe Nuts )
6 非钎焊和钎焊管螺纹接头.锁紧螺钉 [套管接头] [德标]
DIN 3871 - 1995
非钎焊和钎焊管螺纹接头.锁紧螺钉 [套管接头]
Non-soldering and Soldering Compression Couplings - Socket Unions
7 扩口式管接头用螺母 [德标]
DIN 8912 (NS4) - 1990
扩口式管接头用螺母
Coupling Nuts
8 锥形润滑剂注油嘴 [德标]
DIN 71412 - 1987
锥形润滑剂注油嘴
Lubricating Nipples; Cone Type
9 液压及通用金属管连接件-第2部分:美制JIC 37°扩口 [管螺母] [国际]
ISO 8434-2 - 2007
液压及通用金属管连接件-第2部分:美制JIC 37°扩口 [管螺母]
Metallic Tube Connections for Fluid Power and General Use - Part 2: 37° Flared Fittings [Tube Nuts]
10 船用锥形润滑油嘴 [国际]
ISO 7824 - 1986
船用锥形润滑油嘴
Shipbuilding and Marine Structures - Lubrication Nipples - Cone Types
11 船用平肩润滑油嘴 [国际]
ISO 7824 - 1986
船用平肩润滑油嘴
Shipbuilding and Marine Structures - Lubrication Nipples - Flat Types
12 扩口式管接头用螺母 Class 1 [Table 6] [日标]
JIS B 8607 (Class 1) - 2020
扩口式管接头用螺母 Class 1 [Table 6]
Flare Nut, Class 1
13 扩口式管接头用螺母 Class 2 [Table 6] [日标]
JIS B 8607 (Class 2) - 2020
扩口式管接头用螺母 Class 2 [Table 6]
Flare Nut, Class 2
14 卡套 [汽标代号]
Q 800
卡套
Cone Connectors
15 卡套式管接头用螺母 [汽标代号]
Q 801
卡套式管接头用螺母
Bite Type Tube Fittings - Nuts
16 卡套式管接头用连接螺母 [汽标代号]
Q 801B
卡套式管接头用连接螺母
Bite Type Tube Fittings - Nuts
17 卡套式管接头用六角薄螺母 [汽标代号]
Q 802
卡套式管接头用六角薄螺母
Bite Type Tube Fittings - Hexagon Thin Nuts
18 卡套式管接头用六角薄螺母 [汽标代号]
Q 802B
卡套式管接头用六角薄螺母
Bite Type Tube Fittings - Hexagon Thin Nuts
19 柴油机 低压金属油管组件 技术条件 - 铰接螺栓 [机械行业]
JB /T 6013 - 2011
柴油机 低压金属油管组件 技术条件 - 铰接螺栓
Diesel Engines - Requirements for Low Pressure Hydraulic Pipe Assemblies - Hinged Bolt
供应商(1)
20 高压水用螺塞 [机械行业]
JB /ZQ 4453 - 2006
高压水用螺塞
High-pressure Plug
21 管接头用小六角扁螺母 [机械行业]
JB 994 - 1977
管接头用小六角扁螺母
Small Flat Hexagonal Nut for Coupling
22 焊接式铰接管接头体 [机械行业]
JB 998 - 1977
焊接式铰接管接头体
Welded Type Hinged Pipe Connection Body
23 管接头用铰接螺栓 [机械行业]
JB 999 - 1977
管接头用铰接螺栓
Hinged Bolts for Pipe Connection
24 HI型大直径螺母 [化工]
HG /T 21573.3 (HI) - 1995
HI型大直径螺母
Large Diameter Nut-HI Style
供应商(1)
25 HR型大直径螺母 [化工]
HG /T 21573.3 (HR) - 1995
HR型大直径螺母
Large Diameter Nut-HR Style
26 H型大直径螺母 [化工]
HG /T 21573.3 (H) - 1995
H型大直径螺母
Large Diameter Nut-H Style
27 R型大直径螺母 [化工]
HG /T 21573.3 (R) - 1995
R型大直径螺母
Large Diameter Nuts - Style R
28 油嘴 2型 [俄标]
GOST 19853 (Type 2) - 1974
油嘴 2型
Lubricating Plugs - Type 2
29 油嘴 3型 [俄标]
GOST 19853 (Type 3) - 1974
油嘴 3型
Lubricating Plugs - Type 3
30 船用锥形润滑油嘴 [船舶]
CB /T 3762 - 1996
船用锥形润滑油嘴

31 船用平肩润滑油嘴 [船舶]
CB /T 3762 - 1996
船用平肩润滑油嘴

32 钢制螺纹管件 表20 - 管帽/封头 [英标]
BS EN 10241 (T20) - 2000
钢制螺纹管件 表20 - 管帽/封头
Steel Threaded Pipe Fittings, Table 20 - Cap
© 易紧通 服务热线:4006-164580(免长途费)