index
logo

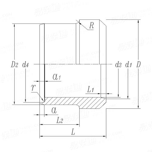
卡套 Q 800

选择规格尺寸 点击↓

5

5

6

8

10

12

14

16

18

20

22

25

28

32

同规格,其他部分尺寸不同

尺寸单位: mm
汽标代号Q 800 Q800 800Q 卡套
Q  800 卡套
扫一扫分享
使用在
5 5 6 8 10 12 14 16 18 20 22 25 28 32
d3 公称
最小值
最大值
d4 最大值=公称
最小值
D2 最大值=公称
最小值
d1
D 最小值=公称
最大值
a
a1
r
R
L1
L2
L
4 5 6 8 10 12 14 16 18 20 22 25 28 32
4.21 5.21 6.21 8.21 10.21 12.30 14.30 16.30 18.30 20.30 22.30 25.30 28.30 32.30
4.28 5.28 6.28 8.28 10.28 12.40 14.40 16.40 18.40 20.40 22.40 25.40 28.40 32.40
5.4 6.4 7.4 9.4 11.5 13.5 15.5 17.5 19.5 21.7 23.7 26.7 29.7 33.9
5.3 6.3 7.3 9.3 11.4 13.4 15.4 17.4 19.4 21.6 23.6 26.6 29.6 33.8
6 7 8 10 12.2 14.2 16.2 18.2 20.2 22.5 24.5 27.5 30.5 34.8
5.9 6.9 7.9 9.9 12.1 14.1 16.1 18.1 20.1 22.4 24.4 27.4 30.4 34.7
5 6 7 9 11 13 15 17 19 21.2 23.2 26.2 29.2 33.2
7 8 9 11 13.4 15.4 17.4 19.4 21.4 24 26 29 32 37
7.2 8.2 9.2 11.2 13.6 15.6 17.6 19.6 21.6 24.2 26.2 29.2 32.2 37.2
0.6 0.6 0.6 0.6 0.7 0.7 0.7 0.7 0.7 0.8 0.8 0.8 0.8 0.9
0.7 0.7 0.7 0.7 0.8 0.8 0.8 0.8 0.8 0.9 0.9 0.9 0.9 1
0.1 0.1 0.1 0.1 0.1 0.1 0.1 0.1 0.1 0.2 0.2 0.2 0.2 0.2
0.4 0.4 0.4 0.4 0.5 0.5 0.5 0.5 0.5 0.6 0.6 0.6 0.6 0.9
0.6 0.6 0.8 0.8 0.8 0.8 0.8 0.8 0.8 1 1 1 1 1
5 5 5.5 5.8 6 6 6 6 6 7 7 7 7 7.5
8 8 8.5 9 10 10 10 10 10 11.5 11.5 11.5 11.5 13
注:技术数据仅供参考,请以官方原件为准!
类似标准及供货信息
1 管接头用六角薄螺母 [国标]
GB /T 3763 - 2008
管接头用六角薄螺母
24° Cone Connectors and Flared Couplings - Hexagon Thin Nut
2 卡套式管接头用螺母 [国标]
GB 3759 - 1983
卡套式管接头用螺母
Bite Type Tube Fittings Nuts
3 卡套式管接头用六角薄螺母 [国标]
GB 3763 - 1983
卡套式管接头用六角薄螺母
Bite Type Tube Fittings - Hexagon Thin Nuts
4 六角管螺母、八角管螺母 [德标]
DIN 431 - 2013
六角管螺母、八角管螺母
Pipe Nuts with Thread in Accordance with DIN ISO 228 Part 1
5 非钎焊和钎焊管螺纹接头 - 锁紧螺母LL系列 [德标]
DIN 3870 - 2001
非钎焊和钎焊管螺纹接头 - 锁紧螺母LL系列
Non-Soldering and Soldering Compression Fittings - Union Nuts Series L1 ( Pipe Nuts )
6 非钎焊和钎焊管螺纹接头.锁紧螺钉 [套管接头] [德标]
DIN 3871 - 1995
非钎焊和钎焊管螺纹接头.锁紧螺钉 [套管接头]
Non-soldering and Soldering Compression Couplings - Socket Unions
7 扩口式管接头用螺母 [德标]
DIN 8912 (NS4) - 1990
扩口式管接头用螺母
Coupling Nuts
8 锥形润滑剂注油嘴 [德标]
DIN 71412 - 1987
锥形润滑剂注油嘴
Lubricating Nipples; Cone Type
9 液压及通用金属管连接件-第2部分:美制JIC 37°扩口 [管螺母] [国际]
ISO 8434-2 - 2007
液压及通用金属管连接件-第2部分:美制JIC 37°扩口 [管螺母]
Metallic Tube Connections for Fluid Power and General Use - Part 2: 37° Flared Fittings [Tube Nuts]
10 船用锥形润滑油嘴 [国际]
ISO 7824 - 1986
船用锥形润滑油嘴
Shipbuilding and Marine Structures - Lubrication Nipples - Cone Types
11 船用平肩润滑油嘴 [国际]
ISO 7824 - 1986
船用平肩润滑油嘴
Shipbuilding and Marine Structures - Lubrication Nipples - Flat Types
12 扩口式管接头用螺母 Class 1 [Table 6] [日标]
JIS B 8607 (Class 1) - 2020
扩口式管接头用螺母 Class 1 [Table 6]
Flare Nut, Class 1
13 扩口式管接头用螺母 Class 2 [Table 6] [日标]
JIS B 8607 (Class 2) - 2020
扩口式管接头用螺母 Class 2 [Table 6]
Flare Nut, Class 2
14 卡套式管接头用螺母 [汽标代号]
Q 801
卡套式管接头用螺母
Bite Type Tube Fittings - Nuts
15 卡套式管接头用连接螺母 [汽标代号]
Q 801B
卡套式管接头用连接螺母
Bite Type Tube Fittings - Nuts
16 卡套式管接头用六角薄螺母 [汽标代号]
Q 802
卡套式管接头用六角薄螺母
Bite Type Tube Fittings - Hexagon Thin Nuts
17 卡套式管接头用六角薄螺母 [汽标代号]
Q 802B
卡套式管接头用六角薄螺母
Bite Type Tube Fittings - Hexagon Thin Nuts
18 柴油机 低压金属油管组件 技术条件 - 铰接螺栓 [机械行业]
JB /T 6013 - 2011
柴油机 低压金属油管组件 技术条件 - 铰接螺栓
Diesel Engines - Requirements for Low Pressure Hydraulic Pipe Assemblies - Hinged Bolt
供应商(1)
19 高压水用螺塞 [机械行业]
JB /ZQ 4453 - 2006
高压水用螺塞
High-pressure Plug
20 管接头用小六角扁螺母 [机械行业]
JB 994 - 1977
管接头用小六角扁螺母
Small Flat Hexagonal Nut for Coupling
21 焊接式分管管接头体 [机械行业]
JB /T 997 - 1977
焊接式分管管接头体

22 焊接式铰接管接头体 [机械行业]
JB 998 - 1977
焊接式铰接管接头体
Welded Type Hinged Pipe Connection Body
23 管接头用铰接螺栓 [机械行业]
JB 999 - 1977
管接头用铰接螺栓
Hinged Bolts for Pipe Connection
24 HI型大直径螺母 [化工]
HG /T 21573.3 (HI) - 1995
HI型大直径螺母
Large Diameter Nut-HI Style
供应商(1)
25 HR型大直径螺母 [化工]
HG /T 21573.3 (HR) - 1995
HR型大直径螺母
Large Diameter Nut-HR Style
26 H型大直径螺母 [化工]
HG /T 21573.3 (H) - 1995
H型大直径螺母
Large Diameter Nut-H Style
27 R型大直径螺母 [化工]
HG /T 21573.3 (R) - 1995
R型大直径螺母
Large Diameter Nuts - Style R
28 油嘴 2型 [俄标]
GOST 19853 (Type 2) - 1974
油嘴 2型
Lubricating Plugs - Type 2
29 油嘴 3型 [俄标]
GOST 19853 (Type 3) - 1974
油嘴 3型
Lubricating Plugs - Type 3
30 船用锥形润滑油嘴 [船舶]
CB /T 3762 - 1996
船用锥形润滑油嘴

31 船用平肩润滑油嘴 [船舶]
CB /T 3762 - 1996
船用平肩润滑油嘴

32 钢制螺纹管件 表20 - 管帽/封头 [英标]
BS EN 10241 (T20) - 2000
钢制螺纹管件 表20 - 管帽/封头
Steel Threaded Pipe Fittings, Table 20 - Cap
标准编号: Q 800
中文名称: 卡套
英文名称: Cone Connectors
数据来源: 易紧通 (164580.com)
Standard Code: Q 800Chinese Name: 卡套English Name: Cone ConnectorsSource: https://www.164580.com/info_85612.html
Data Source: YJT Fastener Database (164580.com)
Standard: Q 800
URL: https://www.164580.com/info_85612.html
License: Commercial use requires authorization
© 易紧通 服务热线:4006-164580(免长途费)