index
logo

鞍形弹簧垫圈 GB 7245 - 1987

查看供应商

选择规格尺寸 点击↓

3

4

5

6

8

10

12

(14)

16

(18)

20

(22)

24

(27)

30

括号内尺寸为非优选

尺寸单位: mm
国标GB 7245 - 1987 GB7245 7245GB 鞍形弹簧垫圈
GB  7245 - 1987 鞍形弹簧垫圈
扫一扫分享
千件重及价格计算 千件重 : kg x 元/kg = 元/千件
默认密度 g/cm3
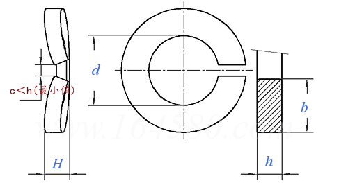
规格
3 4 5 6 8 10 12 (14) 16 (18) 20 (22) 24 (27) 30
d 最小值
最大值
H 最小值
最大值
h 公称
最小值
最大值
b 公称
最小值
最大值
千件重(钢制)≈kg
3.1 4.1 5.1 6.1 8.1 10.2 12.2 14.2 16.2 18.2 20.2 22.5 24.5 27.5 30.5
3.4 4.4 5.4 6.68 8.68 10.9 12.9 14.9 16.9 19.04 21.04 23.34 25.5 28.5 31.5
1.1 1.2 1.5 2 2.45 2.85 3.35 3.9 4.5 4.5 5.1 5.1 6.5 6.5 9.5
1.3 1.4 1.7 2.2 2.75 3.15 3.65 4.3 5.1 5.1 5.9 5.9 7.5 7.5 10.5
0.6 0.8 1.1 1.3 1.6 2 2.5 3 3.2 3.6 4 4.5 5 5.5 6
0.52 0.7 1 1.2 1.5 1.9 2.35 2.85 3 3.4 3.8 4.3 4.8 5.3 5.8
0.68 0.9 1.2 1.4 1.7 2.1 2.65 3.15 3.4 3.8 4.2 4.7 5.2 5.7 6.2
1 1.2 1.5 2 2.5 3 3.5 4 4.5 5 5.5 6 7 8 9
0.9 1.1 1.4 1.9 2.35 2.85 3.3 3.8 4.3 4.8 5.3 5.8 6.7 7.7 8.7
1.1 1.3 1.6 2.1 2.65 3.15 3.7 4.2 4.7 5.2 5.7 6.2 7.3 8.3 9.3
0.058 0.12 0.256 0.495 1 1.86 3.23 5.12 7.01 9.82 13.29 18.07 25.87 36.69 50.14
①,技术条件按 GB 94.1-87 的规定。
注:技术数据仅供参考,请以官方原件为准!
告诉我在“易紧通”看到,将给您优惠
联系人:王国峰   移动电话: 13819132166/15824108406     电话:0571-82587965
材质:C1070、65MN、弹簧钢、磷青铜;表面处理:发黑、磷铜、镀锌、达克罗、镀镍、镀铬等按客户要求;公称直径:M2-M48 ;规格:齐全;现货充足
联系人:孙经理 点击这里给我发消息2392096921   移动电话: 13788982145,13701728162     电话:021-57317386     微信号:13788982145
材料:弹簧钢、不锈钢;规格齐全;表面处理:按客户要求
联系人:钱先生 点击这里给我发消息2825023799   移动电话: 13758777818     电话:0577-65227777,65291777
材质:70#钢、60#钢、45#钢、65MN,304、316不锈钢,磷铜;规格:按客户要求;
类似标准及供货信息
1 鞍形弹性垫圈 [国标]
GB 860 - 1987
鞍形弹性垫圈
Curved Spring Washers
供应商(11)
2 鞍形弹簧垫圈 [德标]
DIN 128 (A) - 1994
鞍形弹簧垫圈
Curved Spring Lock Washers
供应商(4)
3 螺钉和垫圈组合件用 鞍形弹簧垫圈 [德标]
DIN 6905 - 1990
螺钉和垫圈组合件用 鞍形弹簧垫圈
Spring Lock Washers for Screw and Washer Assemblies
供应商(2)
4 鞍形弹簧垫圈 [德标]
DIN 128 (A) - 1987
鞍形弹簧垫圈
Curved Spring Lock Washers
供应商(4)
5 鞍形弹性垫圈 [德标]
DIN 137 (A) - 1987
鞍形弹性垫圈
Curved Spring Washers
供应商(8)
6 鞍形弹性垫圈 [汽标代号]
Q 417
鞍形弹性垫圈
Curved Spring Washers
供应商(2)
7 鞍形弹性垫圈 [台湾]
CNS 4406 - 1979
鞍形弹性垫圈
Saddle-Shaped Spring Washers
供应商(1)
8 组合螺钉用鞍形弹簧垫圈 [台湾]
CNS 5053 - 1979
组合螺钉用鞍形弹簧垫圈
Curved Spring Washers for Screw Assemblies
9 窄边弧形弹簧垫圈 [西门子]
SN 60727 (VSKZ)
窄边弧形弹簧垫圈
Spring Lock Washers - VSKZ
供应商(2)
10 弧形弹簧垫圈 [西门子]
SN 60727-2 (VSKD)
弧形弹簧垫圈
Spring Lock Washers - VSKD
供应商(2)
11 不锈钢弹性垫圈和锁紧垫圈 - 第1部分:鞍形弹性垫圈 [航天]
QJ 3247.1 - 2005
不锈钢弹性垫圈和锁紧垫圈 - 第1部分:鞍形弹性垫圈
Spring and Lock Washers in Stainless Steel - Part 1: Curved Spring Washers
12 不锈钢鞍形(A型)弹性垫圈 [浙江制造团体标准]
T/ZZB 1178 (A) - 2019
不锈钢鞍形(A型)弹性垫圈
Stainless Steel Curved Spring Washers - Type A
标准编号: GB 7245 - 1987
中文名称: 鞍形弹簧垫圈
英文名称: Curved Single Coil Spring Lock Washers
数据来源: 易紧通 (164580.com)
Standard Code: GB 7245 - 1987Chinese Name: 鞍形弹簧垫圈English Name: Curved Single Coil Spring Lock WashersSource: https://www.164580.com/info_2516.html
Data Source: YJT Fastener Database (164580.com)
Standard: GB 7245 - 1987
URL: https://www.164580.com/info_2516.html
License: Commercial use requires authorization
© 易紧通 服务热线:4006-164580(免长途费)