index
logo

螺钉和垫圈组合件用 鞍形弹簧垫圈 DIN 6905 - 1990

查看供应商

选择规格尺寸 点击↓

M2.5

M3

M3.5

M4

M5

M6

(M7)

M8

M10

M12

括号内尺寸为非优选

尺寸单位: mm
德标DIN 6905 - 1990 DIN6905 6905DIN 螺钉和垫圈组合件用 鞍形弹簧垫圈
DIN  6905 - 1990 螺钉和垫圈组合件用 鞍形弹簧垫圈
扫一扫分享
千件重及价格计算 千件重 : kg x 元/kg = 元/千件
默认密度 g/cm3
使用在
M2.5 M3 M3.5 M4 M5 M6 (M7) M8 M10 M12
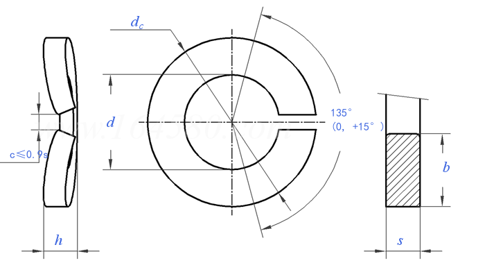
d 最小值=公称
最大值
b 公称
最大值
最小值
s 公称
最大值
最小值
h 最大值
最小值
dc 最大值
千件重(钢制)≈kg
2.25 2.7 3.2 3.6 4.55 5.5 6.5 7.4 9.3 11
2.35 2.8 3.3 3.75 4.75 5.7 6.7 7.65 9.55 11.3
1 1.3 1.3 1.5 1.8 2.5 2.5 3 3.5 4
1.1 1.4 1.4 1.6 1.9 2.65 2.65 3.15 3.7 4.2
0.9 1.2 1.2 1.4 1.7 2.35 2.35 2.85 3.3 3.8
0.6 0.7 0.7 0.8 1 1.3 1.3 1.6 1.8 2.1
0.7 0.8 0.8 0.9 1.1 1.4 1.4 1.7 1.9 2.25
0.5 0.6 0.6 0.7 0.9 1.2 1.2 1.5 1.7 1.95
1.1 1.3 1.3 1.4 1.7 2.2 2.2 2.75 3.15 3.65
0.9 1.1 1.1 1.2 1.5 2 2 2.45 2.85 3.35
4.55 5.6 6.1 6.95 8.55 11 12 13.95 16.95 19.7
0.06 0.09 0.1 0.15 0.3 0.64 0.72 1.23 2 3.1
①,对于这种尺寸,DIN 267第26部分中没有规定残余弹簧力。
②,符合DIN 267第26部分的规定。
③,用于更换和维护
④,技术要求:
垫圈应采用弹簧钢制造(FSt),并符合DIN 267-26规定的技术交付条件。
替代列表
暂无
注:技术数据仅供参考,请以官方原件为准!
告诉我在“易紧通”看到,将给您优惠
联系人:孙经理 点击这里给我发消息2392096921   移动电话: 13788982145,13701728162     电话:021-57317386     微信号:13788982145
材料:弹簧钢、不锈钢;规格齐全;表面处理:按客户要求
联系人:钱先生 点击这里给我发消息2825023799   移动电话: 13758777818     电话:0577-65227777,65291777
材质:70#钢、60#钢、45#钢、65MN,304、316不锈钢,磷铜;规格:按客户要求;
类似标准及供货信息
1 鞍形弹簧垫圈 [国标]
GB 7245 - 1987
鞍形弹簧垫圈
Curved Single Coil Spring Lock Washers
供应商(3)
2 鞍形弹性垫圈 [国标]
GB 860 - 1987
鞍形弹性垫圈
Curved Spring Washers
供应商(11)
3 鞍形弹簧垫圈 [德标]
DIN 128 (A) - 1994
鞍形弹簧垫圈
Curved Spring Lock Washers
供应商(4)
4 鞍形弹簧垫圈 [德标]
DIN 128 (A) - 1987
鞍形弹簧垫圈
Curved Spring Lock Washers
供应商(4)
5 鞍形弹性垫圈 [德标]
DIN 137 (A) - 1987
鞍形弹性垫圈
Curved Spring Washers
供应商(8)
6 鞍形弹性垫圈 [汽标代号]
Q 417
鞍形弹性垫圈
Curved Spring Washers
供应商(2)
7 鞍形弹性垫圈 [台湾]
CNS 4406 - 1979
鞍形弹性垫圈
Saddle-Shaped Spring Washers
供应商(1)
8 组合螺钉用鞍形弹簧垫圈 [台湾]
CNS 5053 - 1979
组合螺钉用鞍形弹簧垫圈
Curved Spring Washers for Screw Assemblies
9 窄边弧形弹簧垫圈 [西门子]
SN 60727 (VSKZ)
窄边弧形弹簧垫圈
Spring Lock Washers - VSKZ
供应商(2)
10 弧形弹簧垫圈 [西门子]
SN 60727-2 (VSKD)
弧形弹簧垫圈
Spring Lock Washers - VSKD
供应商(2)
11 不锈钢弹性垫圈和锁紧垫圈 - 第1部分:鞍形弹性垫圈 [航天]
QJ 3247.1 - 2005
不锈钢弹性垫圈和锁紧垫圈 - 第1部分:鞍形弹性垫圈
Spring and Lock Washers in Stainless Steel - Part 1: Curved Spring Washers
12 不锈钢鞍形(A型)弹性垫圈 [浙江制造团体标准]
T/ZZB 1178 (A) - 2019
不锈钢鞍形(A型)弹性垫圈
Stainless Steel Curved Spring Washers - Type A
标准编号: DIN 6905 - 1990
中文名称: 螺钉和垫圈组合件用 鞍形弹簧垫圈
英文名称: Spring Lock Washers for Screw and Washer Assemblies
数据来源: 易紧通 (164580.com)
Standard Code: DIN 6905 - 1990Chinese Name: 螺钉和垫圈组合件用 鞍形弹簧垫圈English Name: Spring Lock Washers for Screw and Washer AssembliesSource: https://www.164580.com/info_10982.html
Data Source: YJT Fastener Database (164580.com)
Standard: DIN 6905 - 1990
URL: https://www.164580.com/info_10982.html
License: Commercial use requires authorization
© 易紧通 服务热线:4006-164580(免长途费)