index
logo

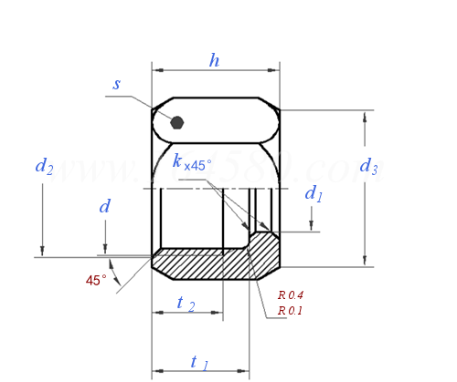
液压及通用金属管连接件——第2部分:美制JIC 37°扩口 [管螺母] ISO 8434-2 - 1994

选择规格尺寸 点击↓

6

8

10

12

16

20

25

32

38

50

ISO  8434-2 - 1994 液压及通用金属管连接件——第2部分:美制JIC 37°扩口 [管螺母]

尺寸单位: mm/inch
国际ISO 8434-2 - 1994 ISO8434-2 8434-2ISO 液压及通用金属管连接件——第2部分:美制JIC 37°扩口 [管螺母]
ISO  8434-2 - 1994 液压及通用金属管连接件——第2部分:美制JIC 37°扩口 [管螺母]
扫一扫分享
使用在
6 8 10 12 16 20 25 32 38 50
管外径
d ISO 263 thread
小径/最小值
小径/最大值
PP
d1 最小值=公称
最大值
d2 公称直径
最小值
最大值
d3 公称直径
最小值
最大值
h 公称
最小值
最大值
k 公称
最小值
最大值
s
t1 公称
最小值
最大值
t2 最小值
6 8 10 12 16 20 25 32 38 50
7/16' 1/2' 9/16' 3/4' 7/8' 1 1/16' 1 5/16' 1 5/8' 1 7/8' 2 1/2'
9.86 11.46 12.9 17.48 20.42 24.87 31.22 39.14 45.49 61.37
9.99 11.59 13.03 17.61 20.55 25 31.35 39.27 45.62 61.5
20 UNF 20 UNF 18 UNF 16 UNF 14 UNF 12 UN 12 UN 12 UN 12 UN 12 UN
7.72 9.47 11.15 14.43 17.68 21.13 27.61 34.14 41 54.97
7.82 9.57 11.25 14.56 17.81 21.26 27.74 34.29 41.15 55.12
11.5 13 14.6 19.4 22.6 27.3 33.7 41.6 48 63.8
11.3 12.8 14.4 19.2 22.4 27.1 33.5 41.4 47.8 63.6
11.7 13.2 14.8 19.6 22.8 27.5 33.9 41.8 48.2 64
13.5 16.5 18.5 21.5 26.5 31.5 40.5 49.5 59.5 74.5
13.2 16.2 18.2 21.2 26.2 31.2 40.2 49.2 59.2 74.2
13.8 16.8 18.8 21.8 26.8 31.8 40.8 49.8 59.8 74.8
15.5 17 18.3 21.3 24.6 25.9 28.4 31 35.8 44.2
15.2 16.7 18 21 24.3 25.6 28.1 30.7 35.5 43.9
15.8 17.3 18.6 21.6 24.9 26.2 28.7 31.3 36.1 44.5
0.15 0.15 0.25 0.25 0.25 0.25 0.25 0.25 0.25 0.4
0.05 0.05 0.15 0.15 0.15 0.15 0.15 0.15 0.15 0.3
0.25 0.25 0.35 0.35 0.35 0.35 0.35 0.35 0.35 0.5
14 17 19 22 27 32 41 50 60 75
13.5 14.7 15.3 18.4 20.8 22 24.4 25.8 29.7 37.1
13.2 14.4 15 18.1 20.5 21.7 24.1 25.5 29.4 36.8
13.8 15 15.6 18.7 21.1 22.3 24.7 26.1 30 37.4
7.5 8.3 8.3 9.4 11.6 11.8 14.2 14.2 16.7 21.3
替代列表
注:技术数据仅供参考,请以官方原件为准!
类似标准及供货信息
1 管法兰连接用1型六角螺母 [国标]
GB /T 9125.1 - 2020
管法兰连接用1型六角螺母
Hexagon Nuts for Pipe Flange Connection, Type 1
2 管法兰连接用2型六角螺母 [国标]
GB /T 9125.1 - 2020
管法兰连接用2型六角螺母
Hexagon Nuts for Pipe Flange Connection, Type 2
3 管法兰连接用1型六角螺母 [国标]
GB /T 9125.2 - 2020
管法兰连接用1型六角螺母
Hexagon Nuts for Pipe Flange Connection, Type 1
4 管法兰连接用2型六角螺母 [国标]
GB /T 9125.2 - 2020
管法兰连接用2型六角螺母
Hexagon Nuts for Pipe Flange Connection, Type 2
5 管法兰连接用1型六角螺母(配合六角头螺栓使用) [国标]
GB /T 9125 - 2010
管法兰连接用1型六角螺母(配合六角头螺栓使用)
Hexagon Nuts for Pipe Flange Connection, Type 1
6 扩口式管接头用A型螺母 [国标]
GB /T 5647 - 2008
扩口式管接头用A型螺母
Flared Couplings - Style A Nut
7 管接头用锁紧螺母 [国标]
GB /T 5649 - 2008
管接头用锁紧螺母
Flared Couplings - Lock Nut
8 管法兰连接用1型六角螺母(配合六角头螺栓使用) [国标]
GB /T 9125 - 2003
管法兰连接用1型六角螺母(配合六角头螺栓使用)
Hexagon Nuts for Pipe Flange Connection, Type 1
9 非焊接管连接六角螺母 [德标]
DIN 74305-2 - 1994
非焊接管连接六角螺母
Non-Welded Tube Connection Hex Nut
10 扩口式管接头用螺母组合件 [德标]
DIN 8912 (US4) - 1990
扩口式管接头用螺母组合件
Coupling Nut Assemblies
11 六角管螺母、八角管螺母 [德标]
DIN 431 - 1982
六角管螺母、八角管螺母
Pipe Nuts with Thread in Accordance with DIN ISO 228 Part 1
12 液压及通用金属管连接件——第1部分:24°锥形接头 [管螺母] [国际]
ISO 8434-1 - 2007
液压及通用金属管连接件——第1部分:24°锥形接头 [管螺母]
Metallic Tube Connections for Fluid Power and General use - Part 1: 24° Cone Connectors [Tube Nut]
供应商(1)
13 液压及通用金属管连接件——第3部分:O形圈密封管件 [管螺母] [国际]
ISO 8434-3 - 2005
液压及通用金属管连接件——第3部分:O形圈密封管件 [管螺母]
Metallic Tube Connections for Fluid Power and General use — Part 3: O-ring Face Seal Connectors [Tube nuts]
14 PN 250 MPa 外螺母 - DN3 [机械行业]
JB /T 1308.10 (1) - 2011
PN 250 MPa 外螺母 - DN3
PN 2500 Ultrahigh Pressure Valves and Fittings - Outer Nuts - DN3
15 PN 250 MPa 外螺母 - DN6 、DN10 、DN15 [机械行业]
JB /T 1308.10 (2) - 2011
PN 250 MPa 外螺母 - DN6 、DN10 、DN15
PN 2500 Ultrahigh Pressure Valves and Fittings - Outer Nuts - DN6 、DN10 、DN15
16 PN2500 超高压阀门和管件: 螺母 [机械行业]
JB /T 1308.16 - 2011
PN2500 超高压阀门和管件: 螺母
PN2500 Ultrahigh Pressure Valves and Fittings,Nuts
17 柴油机 低压金属油管组件 技术条件 - 外套螺母 [机械行业]
JB /T 6013 - 2011
柴油机 低压金属油管组件 技术条件 - 外套螺母
Diesel Engines - Requirements for Low Pressure Hydraulic Pipe Assemblies - Cap Nuts
18 压套螺母 [机械行业]
JB /T 1700 (N) - 2008
压套螺母

19 PN 250 MPa 外螺母-DN3 [机械行业]
JB /T 1308.10 (1) - 1999
PN 250 MPa 外螺母-DN3
Outer Nut - DN3
20 PN 250 MPa 外螺母-DN6 、DN 10 、DN 15 [机械行业]
JB /T 1308.10 (2) - 1999
PN 250 MPa 外螺母-DN6 、DN 10 、DN 15
Outer Nut - DN6 、DN 10 、DN 15
21 PN 250 Mpa 螺母 [机械行业]
JB /T 1308.16 - 1999
PN 250 Mpa 螺母
PN 250 MPa Nuts
22 接头螺母 [机械行业]
JB /T 2770 - 1992
接头螺母
Female Connector Fittings
23 PN16~32MPa六角螺母 [机械行业]
JB /T 2775 - 1992
PN16~32MPa六角螺母
Hexagon Nuts for PN16~32MPa
24 压套螺母 [机械行业]
JB 1706 - 1991
压套螺母
Gland nut
25 六角接头螺母 [机械行业]
JB /T 1755 - 1991
六角接头螺母
Hexagon Tube Fittings Nuts
26 焊接管接头用螺母 [机械行业]
JB 981 - 1977
焊接管接头用螺母
Nuts for Weld Coupling
27 管法兰专用六角螺母(d ≥ M39) [化工]
HG /T 20613 - 2009
管法兰专用六角螺母(d ≥ M39)
Hex Nuts for Pipe Flange(d ≥ M39)
供应商(1)
28 1型六角螺母 [化工]
HG /T 20614 - 2009
1型六角螺母
Hexagon Nuts, Style 1
供应商(1)
29 高压用紧固件 - 管用六角螺母 [化工]
HG /T 20256 - 2016
高压用紧固件 - 管用六角螺母
Hexagon Nuts
30 锁紧螺母 [铁道部]
TB /T 826 - 1991
锁紧螺母

31 高压管用螺母 (H17) [原化工部]
H 17 - 1967
高压管用螺母 (H17)
Nut for High Pressure Pipe (H17)
32 高压管用螺母 (H17) [浙工大]
ZH 300 (H17) - 2009
高压管用螺母 (H17)
Nut for High Pressure Pipe (H17)
33 压力容器法兰用六角螺母 [压力容器]
NB /T 47027 - 2012
压力容器法兰用六角螺母
Hexagon Nut for Pressure Vessel Flange
供应商(5)
34 扩口式外套螺母 [航空]
HB 4-45 - 2002
扩口式外套螺母
Nut, Sleeve Coupling, for FlareTube Connection
35 钛合金扩口式外套螺母 [航空]
HB 8122 - 2002
钛合金扩口式外套螺母
Nut, Sleeve Coupling, Titianium Alloy, for Flared Tube
36 扩口式收紧螺母 第2尺寸系列 [航空]
HB 8221 ~ 8222 - 2002
扩口式收紧螺母 第2尺寸系列
Nut, Swivel, Flared Tube - Dimension Series 2
37 外套螺母 [航空]
HB 6977 - 1994
外套螺母
Sleeve Nut
38 外套螺母 [航空]
HB 4-126 - 1983
外套螺母
Sleeve Nut
39 钢制螺纹管件 表19 - 六角螺母 [英标]
BS EN 10241 (T19) - 2000
钢制螺纹管件 表19 - 六角螺母
Steel Threaded Pipe Fittings, Table 19 - Hexagon Backnut
© 易紧通 服务热线:4006-164580(免长途费)