index
logo

通用和液压传动用连接件 带弹性体密封或金属对金属密封的ISO 228-1标准螺纹的孔口和螺柱端 第1部分:带螺纹的孔口 ISO 1179-1 - 2013

适用范围

  This part of ISO 1179 specifies dimensions for ports with ISO 228-1 threads for use with non-adjustable stud ends described in ISO 1179-2, ISO 1179-3 and ISO 1179-4 and with adjustable stud ends described in ISO 1179-3.

  Ports in accordance with this part of ISO 1179 are applicable for use with

  — ISO 1179-2 heavy-duty (S series) stud ends with type E sealing at working pressures up to 63 MPa (630 bar) and light-duty (L series) stud ends at working pressures up to 25 MPa (250 bar),

  — ISO 1179-3 light-duty (L series) stud ends with type G sealing at working pressures up to 31,5 MPa (315 bar) and ISO 1179-3 light-duty (L series) adjustable stud ends with type H sealing at working pressures up to 20 MPa (200 bar), and

  — ISO 1179-4 stud ends with type B sealing at working pressures up to 40 MPa (400 bar) for the S series, up to 25 MPa (250 bar) for the L series, and up to 10 MPa (100 bar) for the LL series,

  except for the G2 size port, which in hydraulic fluid power systems is used mainly with accumulators and for which ISO 1179-3 and ISO 1179-4 do not specify stud ends. The permissible working pressure depends upon size, materials, design, working conditions, application, etc.

  Users of this part of ISO 1179 should ensure that there is sufficient material around the port to maintain the pressure.

  NOTE The introduction of this part of ISO 1179 gives recommendations for ports and stud ends to be used for new designs in hydraulic and pneumatic fluid power applications.

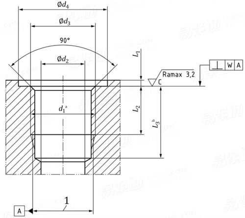
端口尺寸

螺纹

d1

d2

参考

d3

d4

min

L1

max

L2

min

L3

min

W

公称

max

Type N

()

Type W

(宽)

G 1/8

4.5

9.8

10

15

17.2

1

8.5

10.5

0.1

G 1/4

7.5

13.2

13.4

20

20.7

1.5

12.5

15.5

0.1

G 3/8

9

16.7

16.9

23

24.5

2

12.5

15.5

0.1

G 1/2

14

21

21.2

28

29.6

2.5

15

19

0.1

G 3/4

18

26.5

26.7

33

36.9

2.5

16.5

20.5

0.2

G 1

23

33.3

33.6

41

46.1

2.5

19

24

0.2

G 1-1/4

30

42

42.3

51

54

2.5

21.5

26.5

0.2

G 1-1/2

36

47.9

48.2

56

60.5

2.5

22.5

27.5

0.2

G 2

47

59.7

60

76

/

3

26

31

0.2

 ①Size and dimensions in accordance with ISO 228-1.

 ②Type N corresponds to the spot face to be used with male stud end types B  and E in ISO 1179-2 and ISO 1179-4. Type W corresponds to the spot face to be used with male stud end types G and H in accordance with ISO 1179-3.

 ③Given tap drill depths require the use of a bottoming tap to produce the specified full thread lengths. Where standard taps are used, increase tap drill depths accordingly.

 ④The G2 size port is used in hydraulic fluid power systems mainly in accumulators. ISO 1179-3 and ISO 1179-4 do not specify stud ends for the G2 size port.

替代历史

  2013年 ISO 1179-1:2013 通用和液压传动用连接件.带弹性体密封或金属对金属密封的 ISO 228-1标准螺纹的孔口和螺柱端.第1部分:带螺纹的孔口

  2007年 ISO 1179-1:2007 通用和液压传动用连接件.带弹性体密封件或金属对金属密封件的 ISO 228-1螺纹开口和螺柱端头.第1部分:螺纹开口

注:技术数据仅供参考,请以官方原件为准!
标准编号: ISO 1179-1 - 2013
中文名称: 通用和液压传动用连接件 带弹性体密封或金属对金属密封的ISO 228-1标准螺纹的孔口和螺柱端 第1部分:带螺纹的孔口
英文名称: Connections for general use and fluid power - Ports and stud ends with ISO 228-1 threads with elastomeric or metal-to-metal sealing - Part 1: Threaded ports
数据来源: 易紧通 (164580.com)
Standard Code: ISO 1179-1 - 2013Chinese Name: 通用和液压传动用连接件 带弹性体密封或金属对金属密封的ISO 228-1标准螺纹的孔口和螺柱端 第1部分:带螺纹的孔口English Name: Connections for general use and fluid power - Ports and stud ends with ISO 228-1 threads with elastomeric or metal-to-metal sealing - Part 1: Threaded portsSource: https://www.164580.com/info_420240.html
Data Source: YJT Fastener Database (164580.com)
Standard: ISO 1179-1 - 2013
URL: https://www.164580.com/info_420240.html
License: Commercial use requires authorization
© 易紧通 服务热线:4006-164580(免长途费)