index
logo

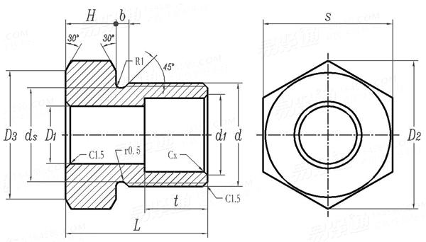
PN 250 MPa 外螺母 - DN3 JB /T 1308.10 (1) - 2011

选择规格尺寸 点击↓

3

JB /T 1308.10 (1) - 2011 PN 250 MPa 外螺母 - DN3

尺寸单位: mm
机械行业JB /T1308.10 (1) - 2011 JB1308.10 13 PN 250 MPa 外螺母 - DN3
JB /T 1308.10 (1) - 2011 PN 250 MPa 外螺母 - DN3
扫一扫分享
千件重及价格计算 千件重 : kg x 元/kg = 元/千件
默认密度 g/cm3
公称直径
DN
3
d 螺纹代号
d1 最小值=公称
最大值
ds
D1
L
H
b
t
x
D2
D3
s
单重≈kg
M24*2-6g
16
16.035
21
12
32
10
4
12
0.7
31.2
25.5
27
0.08
替代列表

技术条件和引用标准

-
① 外螺母材料35CrMoA, 技术要求按GB/T 3077 的规定。
② 热处理后的硬度 248HBW~302HBW。
③ 螺纹基本尺寸按GB/T 196 的规定,公差按GB/T 197-2003 规定的 6g 级精度。
④ 螺纹表面不应有裂纹、凹陷等影响强度的缺陷,并清除第一圈不完整的螺纹。
⑤ 未注明的机械加工尺寸公差按GB/T 1804 的规定。
⑥ 螺纹部分应采取措施,以防咬伤。
⑦ 其它技术要求按JB/T 1308.2 的规定。
注:技术数据仅供参考,请以官方原件为准!
类似标准及供货信息
1 管法兰连接用1型六角螺母 [国标]
GB /T 9125.1 - 2020
管法兰连接用1型六角螺母
Hexagon Nuts for Pipe Flange Connection, Type 1
2 管法兰连接用2型六角螺母 [国标]
GB /T 9125.1 - 2020
管法兰连接用2型六角螺母
Hexagon Nuts for Pipe Flange Connection, Type 2
3 管法兰连接用1型六角螺母 [国标]
GB /T 9125.2 - 2020
管法兰连接用1型六角螺母
Hexagon Nuts for Pipe Flange Connection, Type 1
4 管法兰连接用2型六角螺母 [国标]
GB /T 9125.2 - 2020
管法兰连接用2型六角螺母
Hexagon Nuts for Pipe Flange Connection, Type 2
5 管法兰连接用1型六角螺母(配合六角头螺栓使用) [国标]
GB /T 9125 - 2010
管法兰连接用1型六角螺母(配合六角头螺栓使用)
Hexagon Nuts for Pipe Flange Connection, Type 1
6 扩口式管接头用A型螺母 [国标]
GB /T 5647 - 2008
扩口式管接头用A型螺母
Flared Couplings - Style A Nut
7 管接头用锁紧螺母 [国标]
GB /T 5649 - 2008
管接头用锁紧螺母
Flared Couplings - Lock Nut
8 管法兰连接用1型六角螺母(配合六角头螺栓使用) [国标]
GB /T 9125 - 2003
管法兰连接用1型六角螺母(配合六角头螺栓使用)
Hexagon Nuts for Pipe Flange Connection, Type 1
9 非焊接管连接六角螺母 [德标]
DIN 74305-2 - 1994
非焊接管连接六角螺母
Non-Welded Tube Connection Hex Nut
10 扩口式管接头用螺母组合件 [德标]
DIN 8912 (US4) - 1990
扩口式管接头用螺母组合件
Coupling Nut Assemblies
11 六角管螺母、八角管螺母 [德标]
DIN 431 - 1982
六角管螺母、八角管螺母
Pipe Nuts with Thread in Accordance with DIN ISO 228 Part 1
12 液压及通用金属管连接件——第1部分:24°锥形接头 [管螺母] [国际]
ISO 8434-1 - 2007
液压及通用金属管连接件——第1部分:24°锥形接头 [管螺母]
Metallic Tube Connections for Fluid Power and General use - Part 1: 24° Cone Connectors [Tube Nut]
供应商(1)
13 液压及通用金属管连接件——第3部分:O形圈密封管件 [管螺母] [国际]
ISO 8434-3 - 2005
液压及通用金属管连接件——第3部分:O形圈密封管件 [管螺母]
Metallic Tube Connections for Fluid Power and General use — Part 3: O-ring Face Seal Connectors [Tube nuts]
14 液压及通用金属管连接件——第2部分:美制JIC 37°扩口 [管螺母] [国际]
ISO 8434-2 - 1994
液压及通用金属管连接件——第2部分:美制JIC 37°扩口 [管螺母]
Metallic Tube Connections for Fluid Power and General use - Part 2: 37° Flared Fittings [Tube Nuts]
15 PN 250 MPa 外螺母 - DN6 、DN10 、DN15 [机械行业]
JB /T 1308.10 (2) - 2011
PN 250 MPa 外螺母 - DN6 、DN10 、DN15
PN 2500 Ultrahigh Pressure Valves and Fittings - Outer Nuts - DN6 、DN10 、DN15
16 PN2500 超高压阀门和管件: 螺母 [机械行业]
JB /T 1308.16 - 2011
PN2500 超高压阀门和管件: 螺母
PN2500 Ultrahigh Pressure Valves and Fittings,Nuts
17 柴油机 低压金属油管组件 技术条件 - 外套螺母 [机械行业]
JB /T 6013 - 2011
柴油机 低压金属油管组件 技术条件 - 外套螺母
Diesel Engines - Requirements for Low Pressure Hydraulic Pipe Assemblies - Cap Nuts
18 压套螺母 [机械行业]
JB /T 1700 (N) - 2008
压套螺母

19 PN 250 MPa 外螺母-DN3 [机械行业]
JB /T 1308.10 (1) - 1999
PN 250 MPa 外螺母-DN3
Outer Nut - DN3
20 PN 250 MPa 外螺母-DN6 、DN 10 、DN 15 [机械行业]
JB /T 1308.10 (2) - 1999
PN 250 MPa 外螺母-DN6 、DN 10 、DN 15
Outer Nut - DN6 、DN 10 、DN 15
21 PN 250 Mpa 螺母 [机械行业]
JB /T 1308.16 - 1999
PN 250 Mpa 螺母
PN 250 MPa Nuts
22 接头螺母 [机械行业]
JB /T 2770 - 1992
接头螺母
Female Connector Fittings
23 PN16~32MPa六角螺母 [机械行业]
JB /T 2775 - 1992
PN16~32MPa六角螺母
Hexagon Nuts for PN16~32MPa
24 压套螺母 [机械行业]
JB 1706 - 1991
压套螺母
Gland nut
25 六角接头螺母 [机械行业]
JB /T 1755 - 1991
六角接头螺母
Hexagon Tube Fittings Nuts
26 焊接管接头用螺母 [机械行业]
JB 981 - 1977
焊接管接头用螺母
Nuts for Weld Coupling
27 管法兰专用六角螺母(d ≥ M39) [化工]
HG /T 20613 - 2009
管法兰专用六角螺母(d ≥ M39)
Hex Nuts for Pipe Flange(d ≥ M39)
供应商(1)
28 1型六角螺母 [化工]
HG /T 20614 - 2009
1型六角螺母
Hexagon Nuts, Style 1
供应商(1)
29 高压用紧固件 - 管用六角螺母 [化工]
HG /T 20256 - 2016
高压用紧固件 - 管用六角螺母
Hexagon Nuts
30 锁紧螺母 [铁道部]
TB /T 826 - 1991
锁紧螺母

31 高压管用螺母 (H17) [原化工部]
H 17 - 1967
高压管用螺母 (H17)
Nut for High Pressure Pipe (H17)
32 高压管用螺母 (H17) [浙工大]
ZH 300 (H17) - 2009
高压管用螺母 (H17)
Nut for High Pressure Pipe (H17)
33 压力容器法兰用六角螺母 [压力容器]
NB /T 47027 - 2012
压力容器法兰用六角螺母
Hexagon Nut for Pressure Vessel Flange
供应商(5)
34 扩口式外套螺母 [航空]
HB 4-45 - 2002
扩口式外套螺母
Nut, Sleeve Coupling, for FlareTube Connection
35 钛合金扩口式外套螺母 [航空]
HB 8122 - 2002
钛合金扩口式外套螺母
Nut, Sleeve Coupling, Titianium Alloy, for Flared Tube
36 扩口式收紧螺母 第2尺寸系列 [航空]
HB 8221 ~ 8222 - 2002
扩口式收紧螺母 第2尺寸系列
Nut, Swivel, Flared Tube - Dimension Series 2
37 外套螺母 [航空]
HB 6977 - 1994
外套螺母
Sleeve Nut
38 外套螺母 [航空]
HB 4-126 - 1983
外套螺母
Sleeve Nut
39 钢制螺纹管件 表19 - 六角螺母 [英标]
BS EN 10241 (T19) - 2000
钢制螺纹管件 表19 - 六角螺母
Steel Threaded Pipe Fittings, Table 19 - Hexagon Backnut
© 易紧通 服务热线:4006-164580(免长途费)