index
logo

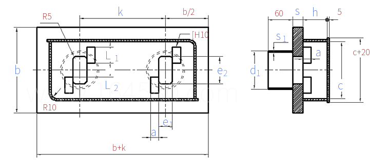
T形头地脚螺栓用双联锚板 JB /ZQ 4721 - 2006

选择规格尺寸 点击↓

24

24

24

30

30

30

36

36

36

42

42

42

48

48

48

48

56

56

56

56

64

64

64

64

72

72

72

72

80

80

80

80

90

90

90

90

100

100

100

100

110

110

110

110

125

125

125

125

140

140

140

140

160

160

160

160

同规格,其他部分尺寸不同

尺寸单位: mm
JB /ZQ 4721 - 2006 T形头地脚螺栓用双联锚板
扫一扫分享
千件重及价格计算 千件重 : kg x 元/kg = 元/千件
默认密度 g/cm3
型号
24 24 24 30 30 30 36 36 36 42 42 42 48 48
k
a
b
c
e1 最小值=公称
最大值
e2 最小值=公称
最大值
h
L1
L2
s
d1
s1
单重≈kg
T形头地脚螺栓
基础孔护管外径×壁厚
100 125 160 130 160 200 150 170 220 160 210 240 170 210
20 20 20 20 20 20 20 20 20 30 30 30 30 30
180 180 180 210 210 210 240 240 240 270 270 270 300 300
130 130 130 140 140 140 160 160 160 180 180 180 200 200
27 27 27 34 34 34 40 40 40 47 47 47 53 53
29 29 29 36 36 36 42 42 42 49 49 49 55 55
54 54 54 68 68 68 82 82 82 94 94 94 102 102
56 56 56 70 70 70 84 84 84 96 96 96 104 104
50 50 50 60 60 60 75 75 75 85 85 85 100 100
40 40 40 40 40 40 40 40 40 50 50 50 50 50
28 28 28 34 34 34 40 40 40 46 46 46 52 52
20 20 20 25 25 25 30 30 30 30 30 30 35 35
83 83 83 95 95 95 121 121 121 121 121 121 140 140
3.5 3.5 3.5 3.5 3.5 3.5 4 4 4 4 4 4 4.5 4.5
12 13 14 19 20 22 28 29 33 35 39 41 47 51
M24 M24 M24 M30 M30 M30 M36 M36 M36 M42 M42 M42 M48 M48
Φ114×4 Φ114×4 Φ114×4 Φ114×4 Φ114×4 Φ114×4 Φ140×4.5 Φ140×4.5 Φ140×4.5 Φ140×4.5 Φ140×4.5 Φ140×4.5 Φ180×5 Φ180×5
型号
48 48 56 56 56 56 64 64 64 64 72 72 72 72
k
a
b
c
e1 最小值=公称
最大值
e2 最小值=公称
最大值
h
L1
L2
s
d1
s1
单重≈kg
T形头地脚螺栓
基础孔护管外径×壁厚
250 290 180 220 260 300 200 250 300 350 220 270 320 400
30 30 30 30 30 30 30 30 30 30 40 40 40 40
300 300 330 330 330 330 370 370 370 370 410 410 410 410
200 200 220 220 220 220 240 240 240 240 280 280 280 280
53 53 62 62 62 62 70 70 70 70 78 78 78 78
55 55 64 64 64 64 72 72 72 72 80 80 80 80
102 102 116 116 116 116 128 128 128 128 142 142 142 142
104 104 118 118 118 118 130 130 130 130 144 144 144 144
100 100 110 110 110 110 130 130 130 130 145 145 145 145
50 50 50 50 50 50 50 50 50 50 80 80 80 80
52 52 60 60 60 60 68 68 68 68 76 76 76 76
35 35 35 35 35 35 40 40 40 40 40 40 40 40
140 140 140 140 140 140 168 168 168 168 194 194 194 194
4.5 4.5 4.5 4.5 4.5 4.5 4 4 4 4 5 5 5 5
55 59 55 59 64 68 76 83 90 97 96 104 112 124
M48 M48 M56 M56 M56 M56 M64 M64 M64 M64 M72×6 M72×6 M72×6 M72×6
Φ180×5 Φ180×5 Φ180×5 Φ180×5 Φ180×5 Φ180×5 Φ194×5 Φ194×5 Φ194×5 Φ194×5 Φ219×6 Φ219×6 Φ219×6 Φ219×6
型号
80 80 80 80 90 90 90 90 100 100 100 100 110 110
k
a
b
c
e1 最小值=公称
最大值
e2 最小值=公称
最大值
h
L1
L2
s
d1
s1
单重≈kg
T形头地脚螺栓
基础孔护管外径×壁厚
250 300 360 450 290 340 410 480 320 390 460 540 360 430
40 40 40 40 40 40 40 40 40 40 40 40 50 50
450 450 450 450 500 500 500 500 550 550 550 550 600 600
300 300 300 300 320 320 320 320 320 320 320 320 380 380
87 87 87 87 97 97 97 97 107 107 107 107 118 118
89 89 89 89 99 99 99 99 109 109 109 109 120 120
154 154 154 154 170 170 170 170 185 185 185 185 205 205
156 156 156 156 172 172 172 172 187 187 187 187 207 207
160 160 160 160 180 180 180 180 200 200 200 200 220 220
80 80 80 80 80 80 80 80 80 80 80 80 100 100
84 84 84 84 94 94 94 94 104 104 104 104 114 114
40 40 40 40 50 50 50 50 50 50 50 50 60 60
194 194 194 194 219 219 219 219 245 245 245 245 273 273
5 5 5 5 6 6 6 6 6.5 6.5 6.5 6.5 6.5 6.5
116 124 134 149 171 182 198 214 204 222 239 258 292 314
M80×6 M80×6 M80×6 M80×6 M90×6 M90×6 M90×6 M90×6 M100×6 M100×6 M100×6 M100×6 M110×6 M110×6
Φ219×6 Φ219×6 Φ219×6 Φ219×6 Φ245×6.5 Φ245×6.5 Φ245×6.5 Φ245×6.5 Φ273×6.5 Φ273×6.5 Φ273×6.5 Φ273×6.5 Φ299×7.5 Φ299×7.5
型号
110 110 125 125 125 125 140 140 140 140 160 160 160 160
k
a
b
c
e1 最小值=公称
最大值
e2 最小值=公称
最大值
h
L1
L2
s
d1
s1
单重≈kg
T形头地脚螺栓
基础孔护管外径×壁厚
520 600 400 470 570 660 460 560 670 780 500 600 720 840
50 50 50 50 50 50 60 60 60 60 60 60 60 60
600 600 660 660 660 660 750 750 750 750 850 850 850 850
380 380 400 400 400 400 460 460 460 460 500 500 500 500
118 118 133 133 133 133 148 148 148 148 168 168 168 168
120 120 135 135 135 135 150 150 150 150 170 170 170 170
205 205 230 230 230 230 255 255 255 255 290 290 290 290
207 207 232 232 232 232 257 257 257 257 292 292 292 292
220 220 250 250 250 250 270 270 270 270 280 280 280 280
100 100 100 100 100 100 120 120 120 120 120 120 120 120
114 114 129 129 129 129 144 144 144 144 164 164 164 164
60 60 60 60 60 60 80 80 80 80 80 80 80 80
273 273 299 299 299 299 325 325 325 325 377 377 377 377
6.5 6.5 7.5 7.5 7.5 7.5 7.5 7.5 7.5 7.5 9 9 9 9
342 368 350 374 409 441 589 640 696 753 733 791 860 929
M110×6 M110×6 M125×6 M125×6 M125×6 M125×6 M140×6 M140×6 M140×6 M140×6 M160×6 M160×6 M160×6 M160×6
Φ299×7.5 Φ299×7.5 Φ325×7.5 Φ325×7.5 Φ325×7.5 Φ325×7.5 Φ351×8 Φ351×8 Φ351×8 Φ351×8 Φ402×9 Φ402×9 Φ402×9 Φ402×9
①,锚板围管:d1×s1。
②,锚板材质一般采用Q235A。锚板围管及基础孔护管按GB/T 8162选用,材料一般采用10或20号钢,也可用钢板弯制。
注:技术数据仅供参考,请以官方原件为准!
类似标准及供货信息
1 地脚螺栓 A型 [国标]
GB /T 799 (A) - 2020
地脚螺栓 A型
Foundation Bolts - Type A
供应商(6)
2 地脚螺栓 B型 [国标]
GB /T 799 (B) - 2020
地脚螺栓 B型
Foundation Bolts - Type B
供应商(1)
3 地脚螺栓 C型 [国标]
GB /T 799 (C) - 2020
地脚螺栓 C型
Foundation Bolts - Type C
供应商(1)
4 地脚螺栓 [国标]
GB 799 - 1988
地脚螺栓
Eyelet Bolts
供应商(6)
5 钢结构用高强度锚固螺柱 [国标]
GB /T 33943 - 2017
钢结构用高强度锚固螺柱
Steel Structure with High Strength Anchor Studs
6 地脚螺栓 A型 [德标]
DIN 529 (A) - 2010
地脚螺栓 A型
Foundation Bolts - Type A
供应商(2)
7 地脚螺栓 A型 [德标]
DIN 529 (A) - 1986
地脚螺栓 A型
Foundation Bolts - Type A
供应商(2)
8 地脚螺栓 - 杆部型式 [德标]
DIN 529 - 2010
地脚螺栓 - 杆部型式
Masonry and Foundation Bolts - Shapes of Shank
9 地脚螺栓 B型 [德标]
DIN 529 (B) - 2010
地脚螺栓 B型
Foundation Bolts - Type B
10 地脚螺栓 C型 [德标]
DIN 529 (C) - 2010
地脚螺栓 C型
Foundation Bolts - Type C
11 地脚螺栓 E型 [德标]
DIN 529 (E) - 2010
地脚螺栓 E型
Foundation Bolts - Type E
12 地脚螺栓 F型 [德标]
DIN 529 (F) - 2010
地脚螺栓 F型
Foundation Bolts - Type F
13 地脚螺栓 - 杆部型式 [德标]
DIN 529 - 1986
地脚螺栓 - 杆部型式
Masonry and Foundation Bolts - Shapes of Shank
14 地脚螺栓 B型 [德标]
DIN 529 (B) - 1986
地脚螺栓 B型
Foundation Bolts - Type B
15 地脚螺栓 C型 [德标]
DIN 529 (C) - 1986
地脚螺栓 C型
Foundation Bolts - Type C
16 地脚螺栓 D型 [德标]
DIN 529 (D) - 1986
地脚螺栓 D型
Foundation Bolts - Type D
17 地脚螺栓 E型 [德标]
DIN 529 (E) - 1986
地脚螺栓 E型
Foundation Bolts - Type E
18 地脚螺栓 F型 [德标]
DIN 529 (F) - 1986
地脚螺栓 F型
Foundation Bolts - Type F
19 地脚螺栓 G型 [德标]
DIN 529 (G) - 1986
地脚螺栓 G型
Foundation Bolts - Type G
20 折弯型粗杆螺栓(夹紧螺栓) [德标]
DIN 6378 - 1974
折弯型粗杆螺栓(夹紧螺栓)
Clip Bolts
21 地脚螺栓 JA型 [日标]
JIS B 1178 (JA) - 2009
地脚螺栓 JA型
Anchor Bolt - Type JA
22 地脚螺栓 J型 [日标]
JIS B 1178 (J) - 2009
地脚螺栓 J型
Anchor Bolt - Type J
23 地脚螺栓 LA型 [日标]
JIS B 1178 (LA) - 2009
地脚螺栓 LA型
Anchor Bolt - Type LA
24 地脚螺栓 L型 [日标]
JIS B 1178 (L) - 2009
地脚螺栓 L型
Anchor Bolt - Type L
25 地脚螺栓 L型 [日标]
JIS B 1178 (L) - 1994
地脚螺栓 L型
Anchor Bolt - Type L
26 地脚螺栓 J型 [日标]
JIS B 1178 (J) - 1994
地脚螺栓 J型
Anchor Bolt - Type J
27 地脚螺栓 LA型 [日标]
JIS B 1178 (LA) - 1994
地脚螺栓 LA型
Anchor Bolt - Type LA
28 地脚螺栓 JA型 [日标]
JIS B 1178 (JA) - 1994
地脚螺栓 JA型
Anchor Bolt - Type JA
29 T形头地脚螺栓 [机械行业]
JB /ZQ 4362 - 1997
T形头地脚螺栓
T-head Anchor Bolt
供应商(1)
30 T形头地脚螺栓用单孔锚板 [机械行业]
JB ZQ 4172 - 2006
T形头地脚螺栓用单孔锚板

31 地脚螺栓 [机械行业]
JB /ZQ 4363 - 2006
地脚螺栓
Masonry and Foundation Bolts
32 直角地脚螺栓 [机械行业]
JB /ZQ 4364 - 2006
直角地脚螺栓
Right-angle Anchor Bolt
33 地脚螺柱 [机械行业]
JB /ZQ 4756 - 2006
地脚螺柱
Anchor Studs
34 地脚螺栓密封套管 [机械行业]
JB /ZQ 4764 - 2006
地脚螺栓密封套管

35 地脚螺栓 [机械行业]
JB /ZQ 4363 - 1997
地脚螺栓
Masonry and Foundation Bolts
36 直角地脚螺栓 [机械行业]
JB /ZQ 4364 - 1997
直角地脚螺栓
Right-Angle Anchor Bolt
37 地脚螺栓 [法国]
NF E 27-811 - 1970
地脚螺栓
Rag Bolts
38 带加劲锚板锚栓 [化工]
HG /T 21545 (IIIc) - 2006
带加劲锚板锚栓
Stiffening Anchor Plate Anchor
供应商(1)
39 T型头锚栓 [化工]
HG /T 21545 (VI) - 2006
T型头锚栓
T-Shaped Head Bolts
40 槽钢锚架T型头锚栓 [化工]
HG /T 21545 (VII) - 2006
槽钢锚架T型头锚栓
T-Head Anchor for Slot Section
41 棘锚栓 [化工]
HG /T 21545 (I) - 2006
棘锚栓
Hacked Bolt
42 J型地脚螺栓 [化工]
HG /T 21545 (IIa) - 2006
J型地脚螺栓
J Type Anchor Bolt
43 L形地脚螺栓 [化工]
HG /T 21545 (IIb) - 2006
L形地脚螺栓
L Type Anchor Bolt
44 方头方颈地脚螺栓 [英标]
BS 7419 - 1991
方头方颈地脚螺栓
Metric Square Head Square Neck Anchor Bolts
45 六角头地脚螺栓 [英标]
BS 7419 - 1991
六角头地脚螺栓
Metric Hexagon Head Anchor Bolt
46 地脚用双头栓 [台湾]
CNS 4427 - 1981
地脚用双头栓
Foundation Studs
47 地脚螺栓 [台湾]
CNS 4426 - 1979
地脚螺栓
Foundation Bolts
48 化学定型锚栓 [标准]
YJT 1023
化学定型锚栓
Conical Stud
49 J型地脚螺栓 [电力]
DL /T 1236 (J) - 2013
J型地脚螺栓

供应商(1)
50 T型地脚螺栓 [电力]
DL /T 1236 (T) - 2013
T型地脚螺栓

供应商(1)
51 双头型地脚螺栓 [电力]
DL /T 1236 (I) - 2013
双头型地脚螺栓

供应商(1)
52 L型地脚螺栓 [电力]
DL /T 1236 (L) - 2013
L型地脚螺栓

供应商(1)
53 棘爪型地脚螺栓 [电力]
DL /T 1236 (W) - 2013
棘爪型地脚螺栓

54 L型地脚螺栓 (F468, F593, F1554, A307, A193/A193M, A320/A320M, SAE J429) [美标]
ASME B 18.31.5 (HRA) - 2011
L型地脚螺栓 (F468, F593, F1554, A307, A193/A193M, A320/A320M, SAE J429)
Hook Bolts, Right Angle Bend (F468, F593, F1554, A307, A193/A193M, A320/A320M, SAE J429)
55 吊钩螺栓,锐角弯头 (F468, F593, F1554, A307, A193/A193M, A320/A320M, SAE J429) [美标]
ASME B 18.31.5 (HAA) - 2011
吊钩螺栓,锐角弯头 (F468, F593, F1554, A307, A193/A193M, A320/A320M, SAE J429)
Hook Bolts, Acute Angle Bend (F468, F593, F1554, A307, A193/A193M, A320/A320M, SAE J429)
56 J型地脚螺栓 (F468, F593, F1554, A307, A193/A193M, A320/A320M, SAE J429) [美标]
ASME B 18.31.5 (HR) - 2011
J型地脚螺栓 (F468, F593, F1554, A307, A193/A193M, A320/A320M, SAE J429)
Round Bend Hook Bolts (F468, F593, F1554, A307, A193/A193M, A320/A320M, SAE J429)
标准编号 / Standard Code: JB /ZQ 4721 - 2006
中文名称 / Chinese Name: T形头地脚螺栓用双联锚板
英文名称 / English Name: Double Anchor Plate for T-shaped Anchor Bolts
数据来源 / Data Source: 易紧通 YJT Fastener Database(164580.com)
中文页面 / Chinese Page: 查看中文页面
English Page: View English Page
Data Source: YJT Fastener Database (164580.com)
Standard: JB /ZQ 4721 - 2006
Chinese Name: T形头地脚螺栓用双联锚板
English Name: Double Anchor Plate for T-shaped Anchor Bolts
Chinese URL: Chinese Source Page
English URL: English Source Page
License: Commercial reuse, redistribution, or AI training usage requires authorization.
© 易紧通 服务热线:4006-164580(免长途费)