index
logo

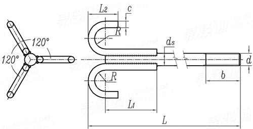
棘爪型地脚螺栓 DL /T 1236 (W) - 2013

选择规格尺寸 点击↓

M27

M30

M36

M42

M48

M56

M64

M72


尺寸单位: mm
电力DL /T1236 (W) - 2013 DL1236 1236DL 棘爪型地脚螺栓
DL /T 1236 (W) - 2013 棘爪型地脚螺栓
扫一扫分享
螺纹规格
d
M27 M30 M36 M42 M48 M56 M64 M72
P 螺距
ds 公称
最大值
最小值
L1 最小值
L2 最小值
c 最小值
b 最小值
最大值
R 最小值
L 1
2
3
4
3 3.5 4 4.5 5 5.5 6 6
27 30 36 42 48 56 64 72
27.84 30.84 37 43 49 57.2 65.2 73.2
26.16 29.16 35 41 47 54.8 62.8 70.8
80 90 110 130 150 170 200 220
60 65 80 95 110 130 150 170
14 15 18 20 24 28 32 36
81 90 108 126 144 168 192 216
108 120 144 168 192 224 25 288
30 35 40 45 50 60 70 80
681 890 1008 1226 1444 1768 2192 2716
881 990 1208 1426 1644 1968 2392 2916
981 1090 1408 1626 1844 2168 2592 3116
1081 1190 1608 1826 2044 2368 2792 3316
①,ds允许设计采用比dsmax值更大的尺寸,但螺纹下方3倍的螺纹公称直径长度内的杆部ds不应大于dsmax
注:技术数据仅供参考,请以官方原件为准!
类似标准及供货信息
1 地脚螺栓 A型 [国标]
GB /T 799 (A) - 2020
地脚螺栓 A型
Foundation Bolts - Type A
供应商(6)
2 地脚螺栓 B型 [国标]
GB /T 799 (B) - 2020
地脚螺栓 B型
Foundation Bolts - Type B
供应商(1)
3 地脚螺栓 C型 [国标]
GB /T 799 (C) - 2020
地脚螺栓 C型
Foundation Bolts - Type C
供应商(1)
4 地脚螺栓 [国标]
GB 799 - 1988
地脚螺栓
Eyelet Bolts
供应商(6)
5 钢结构用高强度锚固螺柱 [国标]
GB /T 33943 - 2017
钢结构用高强度锚固螺柱
Steel Structure with High Strength Anchor Studs
6 地脚螺栓 A型 [德标]
DIN 529 (A) - 2010
地脚螺栓 A型
Foundation Bolts - Type A
供应商(2)
7 地脚螺栓 A型 [德标]
DIN 529 (A) - 1986
地脚螺栓 A型
Foundation Bolts - Type A
供应商(2)
8 地脚螺栓 - 杆部型式 [德标]
DIN 529 - 2010
地脚螺栓 - 杆部型式
Masonry and Foundation Bolts - Shapes of Shank
9 地脚螺栓 B型 [德标]
DIN 529 (B) - 2010
地脚螺栓 B型
Foundation Bolts - Type B
10 地脚螺栓 C型 [德标]
DIN 529 (C) - 2010
地脚螺栓 C型
Foundation Bolts - Type C
11 地脚螺栓 E型 [德标]
DIN 529 (E) - 2010
地脚螺栓 E型
Foundation Bolts - Type E
12 地脚螺栓 F型 [德标]
DIN 529 (F) - 2010
地脚螺栓 F型
Foundation Bolts - Type F
13 地脚螺栓 - 杆部型式 [德标]
DIN 529 - 1986
地脚螺栓 - 杆部型式
Masonry and Foundation Bolts - Shapes of Shank
14 地脚螺栓 B型 [德标]
DIN 529 (B) - 1986
地脚螺栓 B型
Foundation Bolts - Type B
15 地脚螺栓 C型 [德标]
DIN 529 (C) - 1986
地脚螺栓 C型
Foundation Bolts - Type C
16 地脚螺栓 D型 [德标]
DIN 529 (D) - 1986
地脚螺栓 D型
Foundation Bolts - Type D
17 地脚螺栓 E型 [德标]
DIN 529 (E) - 1986
地脚螺栓 E型
Foundation Bolts - Type E
18 地脚螺栓 F型 [德标]
DIN 529 (F) - 1986
地脚螺栓 F型
Foundation Bolts - Type F
19 地脚螺栓 G型 [德标]
DIN 529 (G) - 1986
地脚螺栓 G型
Foundation Bolts - Type G
20 折弯型粗杆螺栓(夹紧螺栓) [德标]
DIN 6378 - 1974
折弯型粗杆螺栓(夹紧螺栓)
Clip Bolts
21 地脚螺栓 JA型 [日标]
JIS B 1178 (JA) - 2009
地脚螺栓 JA型
Anchor Bolt - Type JA
22 地脚螺栓 J型 [日标]
JIS B 1178 (J) - 2009
地脚螺栓 J型
Anchor Bolt - Type J
23 地脚螺栓 LA型 [日标]
JIS B 1178 (LA) - 2009
地脚螺栓 LA型
Anchor Bolt - Type LA
24 地脚螺栓 L型 [日标]
JIS B 1178 (L) - 2009
地脚螺栓 L型
Anchor Bolt - Type L
25 地脚螺栓 L型 [日标]
JIS B 1178 (L) - 1994
地脚螺栓 L型
Anchor Bolt - Type L
26 地脚螺栓 J型 [日标]
JIS B 1178 (J) - 1994
地脚螺栓 J型
Anchor Bolt - Type J
27 地脚螺栓 LA型 [日标]
JIS B 1178 (LA) - 1994
地脚螺栓 LA型
Anchor Bolt - Type LA
28 地脚螺栓 JA型 [日标]
JIS B 1178 (JA) - 1994
地脚螺栓 JA型
Anchor Bolt - Type JA
29 T形头地脚螺栓 [机械行业]
JB /ZQ 4362 - 1997
T形头地脚螺栓
T-head Anchor Bolt
供应商(1)
30 T形头地脚螺栓用单孔锚板 [机械行业]
JB ZQ 4172 - 2006
T形头地脚螺栓用单孔锚板

31 地脚螺栓 [机械行业]
JB /ZQ 4363 - 2006
地脚螺栓
Masonry and Foundation Bolts
32 直角地脚螺栓 [机械行业]
JB /ZQ 4364 - 2006
直角地脚螺栓
Right-angle Anchor Bolt
33 T形头地脚螺栓用双联锚板 [机械行业]
JB /ZQ 4721 - 2006
T形头地脚螺栓用双联锚板
Double Anchor Plate for T-shaped Anchor Bolts
34 地脚螺柱 [机械行业]
JB /ZQ 4756 - 2006
地脚螺柱
Anchor Studs
35 地脚螺栓密封套管 [机械行业]
JB /ZQ 4764 - 2006
地脚螺栓密封套管

36 地脚螺栓 [机械行业]
JB /ZQ 4363 - 1997
地脚螺栓
Masonry and Foundation Bolts
37 直角地脚螺栓 [机械行业]
JB /ZQ 4364 - 1997
直角地脚螺栓
Right-Angle Anchor Bolt
38 地脚螺栓 [法国]
NF E 27-811 - 1970
地脚螺栓
Rag Bolts
39 带加劲锚板锚栓 [化工]
HG /T 21545 (IIIc) - 2006
带加劲锚板锚栓
Stiffening Anchor Plate Anchor
供应商(1)
40 T型头锚栓 [化工]
HG /T 21545 (VI) - 2006
T型头锚栓
T-Shaped Head Bolts
41 槽钢锚架T型头锚栓 [化工]
HG /T 21545 (VII) - 2006
槽钢锚架T型头锚栓
T-Head Anchor for Slot Section
42 棘锚栓 [化工]
HG /T 21545 (I) - 2006
棘锚栓
Hacked Bolt
43 J型地脚螺栓 [化工]
HG /T 21545 (IIa) - 2006
J型地脚螺栓
J Type Anchor Bolt
44 L形地脚螺栓 [化工]
HG /T 21545 (IIb) - 2006
L形地脚螺栓
L Type Anchor Bolt
45 方头方颈地脚螺栓 [英标]
BS 7419 - 1991
方头方颈地脚螺栓
Metric Square Head Square Neck Anchor Bolts
46 六角头地脚螺栓 [英标]
BS 7419 - 1991
六角头地脚螺栓
Metric Hexagon Head Anchor Bolt
47 地脚用双头栓 [台湾]
CNS 4427 - 1981
地脚用双头栓
Foundation Studs
48 地脚螺栓 [台湾]
CNS 4426 - 1979
地脚螺栓
Foundation Bolts
49 化学定型锚栓 [标准]
YJT 1023
化学定型锚栓
Conical Stud
50 J型地脚螺栓 [电力]
DL /T 1236 (J) - 2013
J型地脚螺栓

供应商(1)
51 T型地脚螺栓 [电力]
DL /T 1236 (T) - 2013
T型地脚螺栓

供应商(1)
52 双头型地脚螺栓 [电力]
DL /T 1236 (I) - 2013
双头型地脚螺栓

供应商(1)
53 L型地脚螺栓 [电力]
DL /T 1236 (L) - 2013
L型地脚螺栓

供应商(1)
54 L型地脚螺栓 (F468, F593, F1554, A307, A193/A193M, A320/A320M, SAE J429) [美标]
ASME B 18.31.5 (HRA) - 2011
L型地脚螺栓 (F468, F593, F1554, A307, A193/A193M, A320/A320M, SAE J429)
Hook Bolts, Right Angle Bend (F468, F593, F1554, A307, A193/A193M, A320/A320M, SAE J429)
55 吊钩螺栓,锐角弯头 (F468, F593, F1554, A307, A193/A193M, A320/A320M, SAE J429) [美标]
ASME B 18.31.5 (HAA) - 2011
吊钩螺栓,锐角弯头 (F468, F593, F1554, A307, A193/A193M, A320/A320M, SAE J429)
Hook Bolts, Acute Angle Bend (F468, F593, F1554, A307, A193/A193M, A320/A320M, SAE J429)
56 J型地脚螺栓 (F468, F593, F1554, A307, A193/A193M, A320/A320M, SAE J429) [美标]
ASME B 18.31.5 (HR) - 2011
J型地脚螺栓 (F468, F593, F1554, A307, A193/A193M, A320/A320M, SAE J429)
Round Bend Hook Bolts (F468, F593, F1554, A307, A193/A193M, A320/A320M, SAE J429)
标准编号: DL /T 1236 (W) - 2013
中文名称: 棘爪型地脚螺栓
英文名称:
数据来源: 易紧通 (164580.com)
Standard Code: DL /T 1236 (W) - 2013Chinese Name: 棘爪型地脚螺栓English Name: Source: https://www.164580.com/info_69632.html
Data Source: YJT Fastener Database (164580.com)
Standard: DL /T 1236 (W) - 2013
URL: https://www.164580.com/info_69632.html
License: Commercial use requires authorization
© 易紧通 服务热线:4006-164580(免长途费)