index
logo

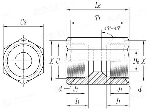
制冷剂管接头 - Internal Flare Union SAE J 513 (010107-U4) - 2019

选择规格尺寸 点击↓

3/16

1/4

5/16

3/8

1/2

5/8

3/4


尺寸单位: inch
美标SAE J513 (010107-U4) - 2019 SAE513 513 制冷剂管接头 - Internal Flare Union
SAE J 513 (010107-U4) - 2019 制冷剂管接头 - Internal Flare Union
扫一扫分享
管外径
3/16 1/4 5/16 3/8 1/2 5/8 3/4
d (UN)
C3
D5 毫米
英寸
I1 毫米
英寸
J1 毫米 最小值
英寸 最小值
L6 毫米 公称
最大值
最小值
英寸 公称
最大值
最小值
T1 毫米 最小值
英寸 最小值
U 毫米 最大值
最小值
英寸 最大值
最小值
X 毫米 最大值
最小值
英寸 最大值
最小值
3/8 -24 7/16 -20 1/2 -20 5/8 -18 3/4 -16 7/8 -14 1-1/16 -14
1/2 5/8 11/16 13/16 15/16 1-1/16 1-5/16
4.78 6.35 7.92 9.52 12.7 15.88 19.05
0.188 0.25 0.312 0.375 0.5 0.625 0.75
7.1 8.6 9.7 11.2 13.5 16.8 19.8
0.28 0.34 0.38 U 0.53 0.66 0.78
5.3 6.6 7.6 8.6 5.4 13.7 16.8
0.21 0.26 0.3 0.34 0.43 0.54 0.66
22.4 25.4 26.9 31.8 36.6 42.9 50.8
23.2 26.2 27.7 32.6 37.4 43.7 51.6
21.6 24.6 26.1 31 35.8 42.1 50
0.88 1 1.06 1.25 1.44 1.69 2
0.91 1.03 1.09 1.28 1.47 1.72 2.03
0.85 0.97 1.03 1.22 1.41 1.66 1.97
5.3 6.1 6.1 7.6 9.4 10.9 12.4
0.21 0.24 0.24 0.3 0.37 0.43 0.49
10.4 11.9 13.5 17 20.3 23.6 28.2
9.9 11.4 13 16.3 19.6 22.9 27.4
0.41 0.47 0.53 0.67 0.8 0.93 1.11
0.39 0.45 0.51 0.64 0.77 0.9 1.08
12.7 15.7 17.5 20.6 23.9 26.9 33.3
12.2 15.2 17 20.1 23.4 26.4 32.8
0.5 0.62 0.69 0.81 0.94 1.06 1.31
0.48 0.6 0.67 0.79 0.92 1.04 1.29

同版本产品组

注:技术数据仅供参考,请以官方原件为准!
类似标准及供货信息
1 同心双螺口管箍 [国标]
GB /T 14383 (THD-FCC) - 2021
同心双螺口管箍

2 锻制承插焊活接头 [国标]
GB /T 32294 (SUN) - 2015
锻制承插焊活接头
Forged Unions, Socket-Welding
3 锻制螺纹活接头 [国标]
GB /T 32294 (TUN) - 2015
锻制螺纹活接头
Forged Unions, Threaded
4 可锻铸铁管路连接件  通丝外接头 [国标]
GB 3289.29 - 1982
可锻铸铁管路连接件 通丝外接头
Malleable Cast Iron Pipe Fittings - Type Size - Through Thread Male Joint (Sockets)
5 螺纹套管 [德标]
DIN 2986 - 1977
螺纹套管
Threaded Steel Pipe Fittings - Sockets
6 通气管接头 [汽标代号]
Q 905.1
通气管接头

7 快速接头 - 两端开放式 A型 [机械行业]
JB /ZQ 4079 (A) - 1997
快速接头 - 两端开放式 A型

8 快速接头 - 两端开放式 B型 [机械行业]
JB /ZQ 4079 (B) - 1997
快速接头 - 两端开放式 B型

9 制冷剂管接头 - Connector (half Union) [美标]
SAE J 513 (010102-U1) - 2019
制冷剂管接头 - Connector (half Union)
Refrigeration Tube Fittings - Connector (Half Union)
10 制冷剂管接头 - Fusible Connector (half Union) [美标]
SAE J 513 (010163-FU) - 2019
制冷剂管接头 - Fusible Connector (half Union)
Refrigeration Tube Fittings - Fusible Connector (Half Union)
11 制冷剂管接头 - Union [美标]
SAE J 513 (010101-U2) - 2019
制冷剂管接头 - Union
Refrigeration Tube Fittings - Union
12 制冷剂管接头  - Internal Pipe Thread Connector (Half Union) [美标]
SAE J 513 (010103-U3) - 2019
制冷剂管接头 - Internal Pipe Thread Connector (Half Union)
Refrigeration Tube Fittings - Internal Pipe Thread Connector (Half Union)
13 制冷剂管接头 - Solder Connector (Half Union) [美标]
SAE J 513 (010104-US3) - 2019
制冷剂管接头 - Solder Connector (Half Union)
Refrigeration Tube Fittings - Solder Connector (Half Union)
14 制冷剂管接头 - Internal Flare To External Flare Adapter [美标]
SAE J 513 (010105-UR3) - 2019
制冷剂管接头 - Internal Flare To External Flare Adapter
Refrigeration Tube Fittings - Internal Flare to External Flare Adapter
15 制冷剂管接头 - Internal Flare To External Pipe Adapter [美标]
SAE J 513 (010106-U5) - 2019
制冷剂管接头 - Internal Flare To External Pipe Adapter
Refrigeration Tube Fittings - Internal Flare to External Pipe Adapter
16 制冷剂管接头 - Internal Flare Swivel Union [美标]
SAE J 513 (010108-US4) - 2019
制冷剂管接头 - Internal Flare Swivel Union
Refrigeration Tube Fittings - Internal Flare Swivel Union
17 制冷剂管接头 - 90度接头E1 [美标]
SAE J 513 (010202-E1) - 2019
制冷剂管接头 - 90度接头E1
Refrigeration Tube Fittings - 90 Degree Elbow
18 制冷剂管接头 - 90度接头E2 [美标]
SAE J 513 (010201-E2) - 2019
制冷剂管接头 - 90度接头E2
Refrigeration Tube Fittings - 90 Degree Elbow Union
19 制冷剂管接头 - 45度接头E5 [美标]
SAE J 513 (010302-E5) - 2019
制冷剂管接头 - 45度接头E5
Refrigeration Tube Fittings - 45 Degree Elbow
20 制冷剂管接头 - 90度接头 E3 [美标]
SAE J 513 (010203-E3) - 2019
制冷剂管接头 - 90度接头 E3
Refrigeration Tube Fittings - 90 Degree Internal Pipe Thread Elbow
21 制冷剂管接头 - 90度接头 E4 [美标]
SAE J 513 (010205-E4) - 2019
制冷剂管接头 - 90度接头 E4
Refrigeration Tube Fittings - Internal Flare To External Flare 90 Degree Elbow
22 制冷剂管接头 - 90度接头 ES [美标]
SAE J 513 (010204-ES) - 2019
制冷剂管接头 - 90度接头 ES
Refrigeration Tube Fittings - Degree Solder Elbow
23 制冷剂管接头 - 三通管 T2 [美标]
SAE J 513 (0101401-T2) - 2019
制冷剂管接头 - 三通管 T2
Refrigeration Tube Fittings - Three Way Tee
24 制冷剂管接头 - Right Angle Two-Way Tee [美标]
SAE J 513 (010424-T3) - 2019
制冷剂管接头 - Right Angle Two-Way Tee
Refrigeration Tube Fittings - Right Angle Two-Way Tee
25 制冷剂管接头 - 四通 [美标]
SAE J 513 (010501-C1) - 2019
制冷剂管接头 - 四通
Refrigeration Tube Fittings - Cross
26 制冷剂管接头 - 异径接头 [美标]
SAE J 513 (010101-UR2) - 2019
制冷剂管接头 - 异径接头
Refrigeration Tube Fittings - Reducing Union
27 制冷剂管接头 - Internal Flare To External Flare Reducing Adaptor [美标]
SAE J 513 (1010105-RO3) - 2019
制冷剂管接头 - Internal Flare To External Flare Reducing Adaptor
Refrigeration Tube Fittings - Internal Flare to External Flare Reducing Adaptor
28 制冷剂管接头 - 90度异径接头 [美标]
SAE J 513 (010201-ER2) - 2019
制冷剂管接头 - 90度异径接头
Refrigeration Tube Fittings - 90 Degree Reducing Elbow Union
29 制冷剂管接头 - 异径接头 Reducing Connector (Half Union) [美标]
SAE J 513 (010102-U1) - 2019
制冷剂管接头 - 异径接头 Reducing Connector (Half Union)
Refrigeration Tube Fittings - Reducing Connector (Half Union)
30 制冷剂管接头 - Fusible Reducing Connector (Half Union) [美标]
SAE J 513 (101063-FU) - 2019
制冷剂管接头 - Fusible Reducing Connector (Half Union)
Refrigeration Tube Fittings - Fusible Reducing Connector (Half Union)
31 制冷剂管接头 - Internal Thread Reducing Connector (Half Union) [美标]
SAE J 513 (010103-U3) - 2019
制冷剂管接头 - Internal Thread Reducing Connector (Half Union)
Refrigeration Tube Fittings - Internal Thread Reducing Connector (Half Union)
32 制冷剂管接头 - Internal Flare To External Pipe Reducing Adapter [美标]
SAE J 513 (010106-U5) - 2019
制冷剂管接头 - Internal Flare To External Pipe Reducing Adapter
Refrigeration Tube Fittings - Internal Flare to External Pipe Reducing Adapter
33 制冷剂管接头 - 90度异径接头 E1 [美标]
SAE J 513 (010202-E1) - 2019
制冷剂管接头 - 90度异径接头 E1
Refrigeration Tube Fittings - 90 Degree Reducing Elbow
34 制冷剂管接头 - 45度异径接头 E5 [美标]
SAE J 513 (010302-E5) - 2019
制冷剂管接头 - 45度异径接头 E5
Refrigeration Tube Fittings - 45 Degree Reducing Elbow
35 制冷剂管接头 - 90 Degree Internal Pipe Thread Reducing Elbow [美标]
SAE J 513 (010203-E3) - 2019
制冷剂管接头 - 90 Degree Internal Pipe Thread Reducing Elbow
Refrigeration Tube Fittings - 90 Degree Internal Pipe Thread Reducing Elbow
36 通气管接头 [汽标]
QC /T 887 (-1) - 2011
通气管接头

标准编号: SAE J 513 (010107-U4) - 2019
中文名称: 制冷剂管接头 - Internal Flare Union
英文名称: Refrigeration Tube Fittings - Internal Flare Union
数据来源: 易紧通 (164580.com)
Standard Code: SAE J 513 (010107-U4) - 2019Chinese Name: 制冷剂管接头 - Internal Flare UnionEnglish Name: Refrigeration Tube Fittings - Internal Flare UnionSource: https://www.164580.com/info_397324.html
Data Source: YJT Fastener Database (164580.com)
Standard: SAE J 513 (010107-U4) - 2019
URL: https://www.164580.com/info_397324.html
License: Commercial use requires authorization
© 易紧通 服务热线:4006-164580(免长途费)