index
logo

制冷剂管接头 - Solder Connector (Half Union) SAE J 513 (010104-US3) - 2019

选择规格尺寸 点击↓

3/16

1/4

5/16

3/8

1/2

5/8

3/4


尺寸单位: inch
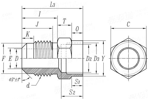
美标SAE J513 (010104-US3) - 2019 SAE513 51 制冷剂管接头 - Solder Connector (Half Union)
SAE J 513 (010104-US3) - 2019 制冷剂管接头 - Solder Connector (Half Union)
扫一扫分享
管外径
3/16 1/4 5/16 3/8 1/2 5/8 3/4
d (UN)
C
D 毫米
英寸
D2 毫米
英寸
D3 毫米 公称
最大值
最小值
英寸 公称
最大值
最小值
E 毫米
英寸
F 毫米
英寸
I 毫米
英寸
J 毫米 最小值
英寸 最小值
k 毫米
英寸
L3 毫米 公称
最大值
最小值
英寸 公称
最大值
最小值
O 毫米
英寸
s1 毫米
英寸
s2 毫米 最大值
英寸 最大值
T 毫米 参考
英寸 参考
Y 毫米 最小值
英寸 最小值
3/8 -24 7/16 -20 1/2 -20 5/8 -18 3/4 -16 7/8 -14 1-1/16 -14
7/16 7/16 1/2 5/8 3/4 7/8 1-1/16
3.18 4.78 5.56 7.14 10.31 12.7 15.88
0.125 0.188 0.219 0.281 0.406 0.5 0.625
3.96 4.78 6.35 7.92 11.13 13.89 17.48
0.156 0.188 0.25 0.312 0.438 0.547 0.688
4.864 6.452 8.039 9.627 12.802 15.977 19.152
4.889 6.477 8.064 9.652 12.827 16.002 19.177
4.839 6.427 8.014 9.602 12.777 15.952 19.127
0.1915 0.254 0.3165 0.379 0.504 0.629 0.754
0.1925 0.255 0.3175 0.38 0.505 0.63 0.755
0.1905 0.253 0.3155 0.378 0.503 0.628 0.753
3.96 5.56 6.35 7.92 11.13 13.49 18.26
0.156 0.219 0.25 0.312 0.438 0.531 0.719
7.54 8.74 10.31 13.49 16.28 19.05 23.83
0.297 0.344 0.406 0.531 0.641 0.75 0.938
11.2 12.7 14.2 15.7 19 22.4 25.4
0.44 0.5 0.56 0.62 0.75 0.88 1
9.4 10.4 11.9 13.5 16.5 19.3 23.4
0.37 0.41 0.47 0.53 0.65 0.76 0.88
3 4.1 4.8 5.6 6.4 7.1 7.1
0.12 0.16 0.19 0.22 0.25 0.28 0.28
23.9 25.4 27.7 30.2 36.6 44.4 52.3
24.7 26.2 28.5 31 37.4 45.2 53.1
23.1 24.6 26.9 29.4 35.8 43.6 51.5
0.94 1 1.09 1.19 1.44 1.75 2.06
0.97 1.03 1.12 1.22 1.47 1.78 2.09
0.91 0.97 1.06 1.16 1.41 1.72 2.03
7.9 7.9 7.9 7.9 9.7 12.7 15.7
0.31 0.31 0.31 0.31 0.38 0.5 0.62
7.9 7.9 7.9 7.9 9.7 12.7 15.7
0.31 0.31 0.31 0.31 0.38 0.5 0.62
10.4 / 10.7 11.2 13.7 17.5 21.3
0.41 / 0.42 0.44 0.54 0.69 0.84
4.6 4.6 5.3 6.1 7.6 9.4 10.9
0.18 0.18 0.21 0.24 0.3 0.37 0.43
7.1 8.6 10.2 12.2 15.2 18.8 21.8
0.28 0.34 0.4 0.48 0.6 0.74 0.86

同版本产品组

注:技术数据仅供参考,请以官方原件为准!
类似标准及供货信息
1 同心双螺口管箍 [国标]
GB /T 14383 (THD-FCC) - 2021
同心双螺口管箍

2 锻制承插焊活接头 [国标]
GB /T 32294 (SUN) - 2015
锻制承插焊活接头
Forged Unions, Socket-Welding
3 锻制螺纹活接头 [国标]
GB /T 32294 (TUN) - 2015
锻制螺纹活接头
Forged Unions, Threaded
4 可锻铸铁管路连接件  通丝外接头 [国标]
GB 3289.29 - 1982
可锻铸铁管路连接件 通丝外接头
Malleable Cast Iron Pipe Fittings - Type Size - Through Thread Male Joint (Sockets)
5 螺纹套管 [德标]
DIN 2986 - 1977
螺纹套管
Threaded Steel Pipe Fittings - Sockets
6 通气管接头 [汽标代号]
Q 905.1
通气管接头

7 快速接头 - 两端开放式 A型 [机械行业]
JB /ZQ 4079 (A) - 1997
快速接头 - 两端开放式 A型

8 快速接头 - 两端开放式 B型 [机械行业]
JB /ZQ 4079 (B) - 1997
快速接头 - 两端开放式 B型

9 制冷剂管接头 - Connector (half Union) [美标]
SAE J 513 (010102-U1) - 2019
制冷剂管接头 - Connector (half Union)
Refrigeration Tube Fittings - Connector (Half Union)
10 制冷剂管接头 - Fusible Connector (half Union) [美标]
SAE J 513 (010163-FU) - 2019
制冷剂管接头 - Fusible Connector (half Union)
Refrigeration Tube Fittings - Fusible Connector (Half Union)
11 制冷剂管接头 - Union [美标]
SAE J 513 (010101-U2) - 2019
制冷剂管接头 - Union
Refrigeration Tube Fittings - Union
12 制冷剂管接头  - Internal Pipe Thread Connector (Half Union) [美标]
SAE J 513 (010103-U3) - 2019
制冷剂管接头 - Internal Pipe Thread Connector (Half Union)
Refrigeration Tube Fittings - Internal Pipe Thread Connector (Half Union)
13 制冷剂管接头 - Internal Flare To External Flare Adapter [美标]
SAE J 513 (010105-UR3) - 2019
制冷剂管接头 - Internal Flare To External Flare Adapter
Refrigeration Tube Fittings - Internal Flare to External Flare Adapter
14 制冷剂管接头 - Internal Flare To External Pipe Adapter [美标]
SAE J 513 (010106-U5) - 2019
制冷剂管接头 - Internal Flare To External Pipe Adapter
Refrigeration Tube Fittings - Internal Flare to External Pipe Adapter
15 制冷剂管接头 - Internal Flare Union [美标]
SAE J 513 (010107-U4) - 2019
制冷剂管接头 - Internal Flare Union
Refrigeration Tube Fittings - Internal Flare Union
16 制冷剂管接头 - Internal Flare Swivel Union [美标]
SAE J 513 (010108-US4) - 2019
制冷剂管接头 - Internal Flare Swivel Union
Refrigeration Tube Fittings - Internal Flare Swivel Union
17 制冷剂管接头 - 90度接头E1 [美标]
SAE J 513 (010202-E1) - 2019
制冷剂管接头 - 90度接头E1
Refrigeration Tube Fittings - 90 Degree Elbow
18 制冷剂管接头 - 90度接头E2 [美标]
SAE J 513 (010201-E2) - 2019
制冷剂管接头 - 90度接头E2
Refrigeration Tube Fittings - 90 Degree Elbow Union
19 制冷剂管接头 - 45度接头E5 [美标]
SAE J 513 (010302-E5) - 2019
制冷剂管接头 - 45度接头E5
Refrigeration Tube Fittings - 45 Degree Elbow
20 制冷剂管接头 - 90度接头 E3 [美标]
SAE J 513 (010203-E3) - 2019
制冷剂管接头 - 90度接头 E3
Refrigeration Tube Fittings - 90 Degree Internal Pipe Thread Elbow
21 制冷剂管接头 - 90度接头 E4 [美标]
SAE J 513 (010205-E4) - 2019
制冷剂管接头 - 90度接头 E4
Refrigeration Tube Fittings - Internal Flare To External Flare 90 Degree Elbow
22 制冷剂管接头 - 90度接头 ES [美标]
SAE J 513 (010204-ES) - 2019
制冷剂管接头 - 90度接头 ES
Refrigeration Tube Fittings - Degree Solder Elbow
23 制冷剂管接头 - 三通管 T2 [美标]
SAE J 513 (0101401-T2) - 2019
制冷剂管接头 - 三通管 T2
Refrigeration Tube Fittings - Three Way Tee
24 制冷剂管接头 - Right Angle Two-Way Tee [美标]
SAE J 513 (010424-T3) - 2019
制冷剂管接头 - Right Angle Two-Way Tee
Refrigeration Tube Fittings - Right Angle Two-Way Tee
25 制冷剂管接头 - 四通 [美标]
SAE J 513 (010501-C1) - 2019
制冷剂管接头 - 四通
Refrigeration Tube Fittings - Cross
26 制冷剂管接头 - 异径接头 [美标]
SAE J 513 (010101-UR2) - 2019
制冷剂管接头 - 异径接头
Refrigeration Tube Fittings - Reducing Union
27 制冷剂管接头 - Internal Flare To External Flare Reducing Adaptor [美标]
SAE J 513 (1010105-RO3) - 2019
制冷剂管接头 - Internal Flare To External Flare Reducing Adaptor
Refrigeration Tube Fittings - Internal Flare to External Flare Reducing Adaptor
28 制冷剂管接头 - 90度异径接头 [美标]
SAE J 513 (010201-ER2) - 2019
制冷剂管接头 - 90度异径接头
Refrigeration Tube Fittings - 90 Degree Reducing Elbow Union
29 制冷剂管接头 - 异径接头 Reducing Connector (Half Union) [美标]
SAE J 513 (010102-U1) - 2019
制冷剂管接头 - 异径接头 Reducing Connector (Half Union)
Refrigeration Tube Fittings - Reducing Connector (Half Union)
30 制冷剂管接头 - Fusible Reducing Connector (Half Union) [美标]
SAE J 513 (101063-FU) - 2019
制冷剂管接头 - Fusible Reducing Connector (Half Union)
Refrigeration Tube Fittings - Fusible Reducing Connector (Half Union)
31 制冷剂管接头 - Internal Thread Reducing Connector (Half Union) [美标]
SAE J 513 (010103-U3) - 2019
制冷剂管接头 - Internal Thread Reducing Connector (Half Union)
Refrigeration Tube Fittings - Internal Thread Reducing Connector (Half Union)
32 制冷剂管接头 - Internal Flare To External Pipe Reducing Adapter [美标]
SAE J 513 (010106-U5) - 2019
制冷剂管接头 - Internal Flare To External Pipe Reducing Adapter
Refrigeration Tube Fittings - Internal Flare to External Pipe Reducing Adapter
33 制冷剂管接头 - 90度异径接头 E1 [美标]
SAE J 513 (010202-E1) - 2019
制冷剂管接头 - 90度异径接头 E1
Refrigeration Tube Fittings - 90 Degree Reducing Elbow
34 制冷剂管接头 - 45度异径接头 E5 [美标]
SAE J 513 (010302-E5) - 2019
制冷剂管接头 - 45度异径接头 E5
Refrigeration Tube Fittings - 45 Degree Reducing Elbow
35 制冷剂管接头 - 90 Degree Internal Pipe Thread Reducing Elbow [美标]
SAE J 513 (010203-E3) - 2019
制冷剂管接头 - 90 Degree Internal Pipe Thread Reducing Elbow
Refrigeration Tube Fittings - 90 Degree Internal Pipe Thread Reducing Elbow
36 通气管接头 [汽标]
QC /T 887 (-1) - 2011
通气管接头

标准编号: SAE J 513 (010104-US3) - 2019
中文名称: 制冷剂管接头 - Solder Connector (Half Union)
英文名称: Refrigeration Tube Fittings - Solder Connector (Half Union)
数据来源: 易紧通 (164580.com)
Standard Code: SAE J 513 (010104-US3) - 2019Chinese Name: 制冷剂管接头 - Solder Connector (Half Union)English Name: Refrigeration Tube Fittings - Solder Connector (Half Union)Source: https://www.164580.com/info_397256.html
Data Source: YJT Fastener Database (164580.com)
Standard: SAE J 513 (010104-US3) - 2019
URL: https://www.164580.com/info_397256.html
License: Commercial use requires authorization
© 易紧通 服务热线:4006-164580(免长途费)