index
logo

加强半圆头方颈螺栓 GB /T 794 - 1993

选择规格尺寸 点击↓

M6

M8

M10

M12

(M14)

M16

M20

括号内尺寸为非优选
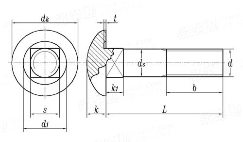
GB /T 794 - 1993 加强半圆头方颈螺栓

尺寸单位: mm
国标GB /T794 - 1993 GB794 794GB 加强半圆头方颈螺栓
GB /T 794 - 1993 加强半圆头方颈螺栓
扫一扫分享
千件重及价格计算 千件重 : kg x 元/kg = 元/千件
默认密度 g/cm3
公称长度L 注:选择后获得 相应重量
螺纹规格
d
M6 M8 M10 M12 (M14) M16 M20
P 螺距
b L≤125
125<L≤200
dk 最大值
最小值
ds 最大值
最小值
d1
k 最大值
最小值
k1 最大值
最小值
s 最大值
最小值
t
1 1.25 1.50 1.75 2.00 2.00 2.50
18 22 26 30 34 38 46
/ 28 32 36 40 44 52
15.10 19.10 24.30 29.30 33.60 36.60 45.60
13.30 17.30 22.16 27.16 31.16 34.00 43.00
6 8 10 12 14 16 20
5.7 7.64 9.64 11.57 13.57 15.57 19.48
10 13.5 16.5 20 23 26 32
3.98 4.98 6.28 7.48 8.90 9.90 11.90
3.20 4.10 5.40 6.60 7.55 8.55 10.55
4.40 5.40 6.40 8.45 9.45 10.45 12.55
3.60 4.60 5.60 7.55 8.55 9.55 11.45
6.30 8.36 10.36 12.43 14.43 16.43 20.52
5.84 7.80 9.80 11.76 13.76 15.76 19.72
0.3 0.3 0.3 0.5 0.5 0.5 0.5
千件钢制重≈kg
- - - - - - -
替代列表

技术条件和引用标准

材料
螺纹 公差
标准
机械性能 等级
标准
公差 产品等级
标准
表面处理
验收及包装
A型:6 g;B型:8 g
GB 196 ;GB 197
A型:8.8;B型:3.6、4.8
GB 3098.1
除规定外,其余按:A型为B级;B型为C级
GB 3103.1
A型:氧化;B型:①不经处理②氧化
GB 90
注:技术数据仅供参考,请以官方原件为准!
类似标准及供货信息
1 圆头方颈螺栓 [国标]
GB /T 12 - 2013
圆头方颈螺栓
Cup Head Square Neck Bolts
供应商(11)
2 半圆头方颈螺栓 [国标]
GB /T 12 - 1988
半圆头方颈螺栓
Cup Head Square Neck Bolts
供应商(11)
3 半圆头方颈螺栓 [国标]
GB 12 - 1976
半圆头方颈螺栓
Semi-round Head Square Neck Bolts
供应商(11)
4 A型 加强半圆头方颈螺栓 [国标]
GB /T 794 (A) - 2021
A型 加强半圆头方颈螺栓
Strenthened Cup Head Square Neck Bolts - Type A
5 B型 加强半圆头方颈螺栓 [国标]
GB /T 794 (B) - 2021
B型 加强半圆头方颈螺栓
Strenthened Cup Head Square Neck Bolts - Type B
6 加强半圆头方颈螺栓 [国标]
GB /T 794 - 1988
加强半圆头方颈螺栓
Strengthened Cap Head Square Neck Bolts
7 带凹槽半圆头方颈螺栓 [表3] [日标]
JIS B 1171 (AT3) - 1996
带凹槽半圆头方颈螺栓 [表3]
Cup Head Square Neck Bolts(with indentation)[Table 3]
8 英制圆头方颈螺栓 [Table2]  (A307, SAE J429, F468, F593) [美标]
ASME/ANSI B 18.5 (T2) - 2012
英制圆头方颈螺栓 [Table2] (A307, SAE J429, F468, F593)
Round Head Square Neck Bolts, (Inch Series) [Table2] (A307, SAE J429, F468, F593)
供应商(5)
9 英制圆头方颈螺栓 [Table2] [美标]
ASME/ANSI B 18.5 (T2) - 2008
英制圆头方颈螺栓 [Table2]
Round Head Square Neck Bolts,(Inch Series)
供应商(5)
10 粗制半圆头方颈螺栓Table1 [英标]
BS 325 - 1947
粗制半圆头方颈螺栓Table1
Black Cup Aquare Neck Bolts
11 米制圆头方颈螺栓 [澳标]
AS /NZS 1390 - 1997 (R2016)
米制圆头方颈螺栓
ISO Metric Cup Head Square Neck Bolts
12 美制圆头方颈螺栓 [Table2] (A307, SAE J429, F468, F593) [美标]
ASME B 18.5 (T2) - 2012 (2017)
美制圆头方颈螺栓 [Table2] (A307, SAE J429, F468, F593)
Round Head Square Neck Bolts, (Inch Series) [Table2] (A307, SAE J429, F468, F593)
供应商(5)
13 刮板输送机紧固件 半圆头方颈螺栓 [煤炭行业标准]
MT 187.7 - 1988
刮板输送机紧固件 半圆头方颈螺栓

© 易紧通 服务热线:4006-164580(免长途费)